Energia - "Arduino" dla Launchpada. Zasilacz buforowy PWRPack

Energia - "Arduino" dla Launchpada. Zasilacz buforowy PWRPack
Pobierz PDF Download icon
Ze względu na niewielki pobór mocy mikrokontrolery MSP430 doskonale nadają się do urządzeń mobilnych. Przedstawiony projekt zasilacza buforowego zapewnia zasilanie Launchpada w aplikacjach "terenowych". Dodatkowa podstawka pod radiowe moduły komunikacyjne Xbee upraszcza realizację transmisji radiowej Bluetooth w systemach zdalnego sterowania lub monitorowania. Założeniem przy projektowaniu układu było zapewnienie łatwości i wygody użytkowania modułu. Rekomendacje: przystawka do wykonywania urządzeń mobilnych przy użyciu Launchpada i płytek z nim kompatybilnych.

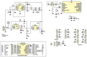
Rysunek 1. Schemat ideowy modułu zasilacza buforowego

Przewidziano trzy tryby pracy układu:

  • Ładowanie akumulatora LiPo 3,6 V z płytki Launchpad w trybie CHG, bez dodatkowych przewodów, zasilaczy itp., ładowanie odbywa się podczas podłączenia modułu do PC, np. w trakcie opracowywania aplikacji.
  • Zasilanie Launchpada z akumulatora LiPo w trybie ON, poprzez wbudowaną przetwornicę obniżająco/podwyższającą, odpowiedzialną utrzymywanie za stabilnego napięcia 3,3 V w szerokim zakresie zmian napięcia akumulatora. Możliwe jest zasilanie przetwornicy z dwóch ogniw alkaicznych LR6.
  • Wyłączenie przetwornicy/ładowarki, tryb OFF, w trakcie zasilania z PC lub np. podczas manipulacji przy złączach GPIO.

Schemat ideowy nakładki pokazano na rysunku 1. Wybór trybu pracy układu odbywa się wyłącznikiem SW (MSS2346). W położeniu CHG - ładowanie (zwarte CA-3A, CB-3B), napięcie 3,3 V z Launchpada jest doprowadzone do przetwornicy podwyższającej z układem U3 typu MCP1640.

Układ pracuje w typowej aplikacji i jest odpowiedzialny za podwyższenie napięcia 3,3 V do poziomu 4,8 V ustalanego dzielnikiem rezystancyjnym R4 i R5, a koniecznego do poprawnej pracy ładowarki akumulatorów U2 typu MCP73833. Prąd ładowania akumulatora jest ustalany rezystorem R3, w modelu ustawiono go na wartość ok. 50 mA. Nie należy zwiększać prądu ładowania ze względu na ryzyko przeciążenia stabilizatora 3,3 V wbudowanego w płytkę Launchpad.

Akumulator jest podłączony do złącza LiPo 1S. Podczas pracy jest konieczne założenie zwory ACCU zwierającej wyprowadzenia 1 i 2 akumulatora. W trybie ładowarki sekcja 3A-CA przełącznika SW blokuje pracę przetwornicy U1. W środkowym położeniu przełącznika SW (tryb OFF), układ ładowarki jest odłączony od zasilania, a układ przetwornicy jest wyłączony (EN=0), aby nie dopuścić do rozładowywania akumulatora.

Rysunek 2. Schemat montażowy modułu zasilacza buforowego

Fotografia 3. Przykładowy zestaw mobilny

W pozycji ON przełącznika SW, zostaje uaktywniona przetwornica U1 typu TPS63031, poprzez podanie stanu wysokiego na wyprowadzenie EN (zawarte sekcje 1A,CA) oraz poprzez sekcje 1B,CB napięcie wyjściowe U1 podłączone zostaje do potencjału zasilania VCC.

Możliwe jest zastosowanie w charakterze źródła energii zestawu dwóch baterii LR06 połączonych szeregowo, w tym przypadku nie używamy ładowarki, a zestaw ogniw podłączony jest do gniazda LiPo, pomiędzy zaciski 1-4, zwora ACCU musi być zdjęta. W tym połączeniu pracować będzie tylko przetwornica U1.

Wykaz elementów

Rezystory: (SMD 1206)
R1: 10 kΩ
R2: 2,2 kΩ
R3: 20 kΩ
R4: 1 MΩ
R5: 330 kΩ
R6: 470 Ω

Kondensatory: (SMD 1206)
C1...C4: 10 µF
C5, C6: 0,1 µF
CE1: 100 µF/6 V (tantalowy, SMD „C”)

Półprzewodniki:
LD1, LD2: dioda LED SMD
U1: TPS63031DSK (PWSON10)
U2: MCP73833 (SOT-23-5)
U3: MCP1640 (SOT-23-6)

Inne:
ACCU: złącze SIP2 ze zworą
I2C, LiPo: złącze EH kątowe
L1: 2,2 mH (dławik DLJ4018)
L2: 4,7 mH (dławik DLJ4018)
MSPJ1, MSPJ2: złącze przelotowe SIP10
P14...P17, P20...P25: złącze SIP3
RES: mikroprzycisk SMD
RM: opcjonalny moduł XBEE ze złączami
SW: przełącznik trzypozycyjny
XBEE: złącze IDC ze zworami

Moduł wyposażony jest w złącza P14-P17, P20-P25 w standardzie Arduino Sensor, umożliwiające podłączenie zewnętrznych przetworników, czujników itp. Dodatkowo na złącze I2C wyprowadzona jest magistrala szeregowa do zewnętrznych modułów rozszerzeń. Modułowi Xbee towarzyszą typowe elementy, przycisk reset i dioda RSSI. Zwora XBEE umożliwia przeplot sygnałów TX/RX w zależności od sposobu realizacji transmisji (programowa/ sprzętowa) i typu procesora umieszczonego w Launchpadzie.

Moduł zasilacza zmontowano na dwustronnej płytce drukowanej - jej schemat montażowy pokazano na rysunku 2. Sposób montażu nie wymaga omówienia, należy tylko zwrócić uwagę na prawidłowe przylutowanie pada termicznego U1.

Po zmontowaniu nie pozostaje nic innego, jak zastosowanie zestawu we własnej aplikacji mobilnej. Na fotografii 3 pokazano kompletny zestaw FR5969 z wyświetlaczem i modułem zasilania buforowego.

Adam Tatuś, EP

Artykuł ukazał się w
Elektronika Praktyczna
listopad 2014
DO POBRANIA
Pobierz PDF Download icon
Materiały dodatkowe
Elektronika Praktyczna Plus lipiec - grudzień 2012

Elektronika Praktyczna Plus

Monograficzne wydania specjalne

Elektronik listopad 2025

Elektronik

Magazyn elektroniki profesjonalnej

Raspberry Pi 2015

Raspberry Pi

Wykorzystaj wszystkie możliwości wyjątkowego minikomputera

Świat Radio listopad - grudzień 2025

Świat Radio

Magazyn krótkofalowców i amatorów CB

Automatyka, Podzespoły, Aplikacje listopad - grudzień 2025

Automatyka, Podzespoły, Aplikacje

Technika i rynek systemów automatyki

Elektronika Praktyczna listopad 2025

Elektronika Praktyczna

Międzynarodowy magazyn elektroników konstruktorów

Elektronika dla Wszystkich grudzień 2025

Elektronika dla Wszystkich

Interesująca elektronika dla pasjonatów