Amplituner do kina domowego AMPL-008 (1)

Amplituner do kina domowego AMPL-008 (1)
Pobierz PDF Download icon

W maju 2007 r. na łamach EP opublikowano artykuł Tomasza Jabłońskiego pt. "Dekoder Dolby Digital/DTS". Jego lektura przekonała mnie, że nawet elektronik amator może zbudować urządzenie audio o funkcjonalności wykraczającej poza typowe urządzenia stereofoniczne.

Początkowo chciałem zbudować własny amplituner umożliwiający odbiór programów radiowych w paśmie FM, odtwarzanie muzyki z plików MP3, mający kilka wejść analogowych oraz dwukanałową końcówkę mocy, ale zainspirowany wspomnianym artykułem zacząłem szukać u różnych dostawców układów scalonych możliwości zdobycia scalonego dekodera Dolby Digital/DTS typu STA310, produkowanego przez firmę ST. Jego próbki udało mi się otrzymać od jednego z dystrybutorów podzespołów.

Mając scalony dekoder STA310 mogłem rozwinąć mój projekt amplitunera z wersji stereofonicznej do wersji Dolby 5.1 Surround. Pierwotny projekt wolno ewoluował. Od samego początku chciałem zbudować amplituner wyposażony w "cyfrowe" końcówki mocy pracujące w klasie D. Pierwotnie zamierzałem zbudować końcówkę mocy w wersji stereofonicznej, a sześć kanałów z dekodera STA310 wyprowadzić na trzy złącza jack 3,5 mm.

Wymagałoby to użycia głośników "komputerowych" 5.1 z wbudowanym wzmacniaczem, jednak później postanowiłem zbudować 6-kanałową końcówkę mocy. Potrzebowałem układy wzmacniaczy pracujące w klasie D z wejściem analogowym. Szczególnie zainteresowałem się układami produkowanymi przez firmę Texas Instruments. Początkowo wybrałem układ TPA3120D2.

Jest to scalony, dwukanałowy wzmacniacz z wejściami analogowymi o mocy 2×25 W. Wydaje mi się, że gdy zaczynałem projektować amplituner (2008 rok) firma Texas Instruments nie miała w ofercie układów scalonych wzmacniaczy audio klasy D o większej mocy wyjściowej.

Dopiero około 2010 r. dotarły do mnie informacje o nowych wzmacniaczach TI o kilkakrotnie większej mocy wyjściowej i zniekształceniach nieliniowych mniejszych o rząd wielkości. Mam na myśli wzmacniacze TAS5611, TAS5613 oraz TAS5615 o mocy wyjściowej, odpowiednio, 2×125 W, 2×150 W oraz 2×160 W.

Mogłem użyć 3 układów TAS5611, ale miałem już wtedy narysowany za pomocą komputera schemat amplitunera z 3 układami TPA3120D2, więc wybrałem inne rozwiązanie. Schemat aplikacyjny układów TAS5611(13, 15) jest znacznie bardziej rozbudowany. Wymagają one również znacznie więcej miejsca na płytce drukowanej. Biorąc to wszystko pod uwagę zdecydowałem się na kompromis: postanowiłem użyć tylko jednego układu TAS5611 oraz pozostawić 2 układy TPA3120D2. Przy napięciu zasilania końcówek mocy napięciem 28 V zastosowane układy scalone dostarczają sygnał o mocy TAS5611 - 2×100 W/4 Ω, natomiast TPA3120D2 (2 szt.) - 4×25 W/4 Ω.

Wzmacniacz TAS5611 ma dużą moc wyjściową i niewielkie zniekształcenia nieliniowe. Włączyłem go w konfiguracji BTL (Bridge Tied Load) - jeden układ scalony obsługuje dwa kanały o mocy 2×100 W przy obciążeniu 4 Ω lub 2×50 W/8 Ω. Przewidziałem ten układ do zasilania przede wszystkim głośników przednich, ale jest możliwe także sterowanie centralnym subwooferem. Wybór konfiguracji umożliwiają zworki na płytce drukowanej.

Wzmacniacze TPA3120D2 mogą pracować albo w konfiguracji SE (Single Ended), albo BTL (Bridge Tied Load). Każdy z układów TPA3120D2 w konfiguracji SE obsługuje po dwa kanały o mocy 2×25 W przy obciążeniu 4 Ω. W konfiguracji BTL jeden układ TPA3120D2 zasila pojedynczy kanał sygnałem o mocy 50 W przy obciążeniu 8 Ω. Przewidziałem te układy do zasilania głośników "Surround" (L/P tył). Jeden z układów TPA3120D2 może zasilać dwa głośniki o impedancji 4 Ω. Drugi może zasilać jeden głośnik "Centralny" o impedancji 4 lub 8 Ω. Subwoofer powinien być głośnikiem aktywnym (z wbudowanym wzmacniaczem).

Główne bloki funkcjonalne

Chciałem wykonać amplituner do kina domowego z Dolby Surround 5.1. Dodatkowo chciałem, aby nagrywał on muzykę na kartach SD/SDHC w formacie *.WAV. Ostatecznie na płytce głównej umieściłem:

  • Odbiornik radiowy FM z syntezą częstotliwości z układem TEA5768HL.
  • Dekoder stereofoniczny z układem TDA7461.
  • Dekoder RDS z układem SAA6588.
  • Przedwzmacniacz z układem WM8770, który ma wbudowane: 8-wejściowy, stereofoniczny multiplekser analogowy, analogowe wejście 5.1, stereofoniczny przetwornik A/D, 4 stereofoniczne przetworniki D/A (DAC1...4), 4 stereofoniczne wyjścia analogowe z przetworników D/A multipleksowane z sygnałami z wybranych wejść analogowych.
  • Układy filtrów dolnoprzepustowych na wyjściach z przetworników D/A z możliwością włączenia stałej korekty barwy tonu w torach DAC1...DAC3.
  • Analogowy procesor sygnału audio z układem TDA7461.
  • Układ "Upmix" zbudowany na wzmacniaczach operacyjnych.
  • Dekoder MP3 z układem STA015T.
  • Dekoder AC3 z układem STA310 (z cyfrowym wejściem SPDIF),
  • Układ "Downmix" zbudowany głównie ze wzmacniaczy operacyjnych i przełączników analogowych.
  • Końcówki mocy pracujące w klasie D z układami TPA3120D2 i TAS5611.
  • Wzmacniacz słuchawkowy z układem TPA6120A2.
  • Procesor LPC2387 sterujący pracą większości układów) oraz obsługujący: kartę pamięci typu SD lub SDHC (do 4 GB/FAT16) oraz moduł VDIP1 produkcji firmy FTDI (obsługa przez interfejs USB pendriva FAT16 lub FAT32).

Fotografia 1. Panel czołowy amplitunera AMPL-008

Na tylnej ściance (fotografia 1) umieściłem:

  • 4 wejścia analogowe STEREO (3 pary złącz CHINCH oraz jedno złącze DIN),
  • 1 wejście analogowe 5.1 (3 gniazda jack),
  • wejście anteny FM (złącze chinch),
  • 2 wyjścia analogowe STEREO (2 pary złącz chinch),
  • wyjście słuchawkowe (gniazdo jack),
  • 4 wejścia cyfrowe SPDIF (1×coaxial, 3×optyczne),
  • 2 wyjścia cyfrowe SPDIF (coaxial i optyczne),
  • analogowe wyjście 5,1 dla głośników "komputerowych" (3 gniazda jack),
  • 6 wyjść dla głośników,
  • złącze USB-B do komunikacji z komputerem (programowanie procesora, opcjonalne sterowanie).

Fotografia 2. Ścianka tylna amplitunera AMPL-008

Na przedniej ściance (fotografia 2) umieściłem:

  • gniazdo dla karty SD/SDHC,
  • złącze USB-A dla pendriv’a,
  • wyjście na słuchawki (gniazdo JACK),
  • wejście analogowe (gniazdo JACK),
  • odbiornik podczerwieni (zdalne sterowanie),
  • wyświetlacz 2×24 znaki oraz kilka diod sygnalizacyjnych.

Do obsługi amplitunera przewidziałem albo 8 przycisków, albo 6 przycisków i impulsator (szóstym przyciskiem jest przycisk w impulsatorze).

Płytka główna wymaga zasilania ze źródła +20..28 V o obciążalności 3...8 A. Napięcie zasilania nie musi być stabilizowane, wystarczy prostownik i filtr z kondensatorami elektrolitycznymi o pojemności 2000...10000 mF. W urządzeniu prototypowym użyłem transformatora sieciowego TST50/009 o napięciu wyjściowym 19 V i prądzie 2,63 A. Aby w pełni wykorzystać maksymalną moc końcówek mocy należałoby zastosować transformator sieciowy o mocy 200 VA. Napięcie zasilania nie powinno przekroczyć 30 V.

Zdając sobie sprawę z trudności związanych ze zdobyciem scalonego dekodera STA310, umieściłem ten układ na dodatkowej płytce drukowanej - nakładce. Opcjonalnie można wstawić nakładkę zawierającą odbiornik SPDIF typu DIR9001 i nadajnik SPDIF typu DIT4096. W chwili pisania tego artykułu wersja z układami DIR9001/DIT4096 nie została oprogramowana.

Projektując płytkę drukowaną umieściłem na niej również układ DNL (dynamiczny ogranicznik szumów) ograniczający szumy o wysokiej częstotliwości. Układ ten (na bazie LM1894N) umieściłem w torze sygnałów z tunera FM. Ze względu na raczej niewielką skuteczność tego układu w opisywanym prototypie nie wlutowałem tego układu.

Również nie wlutowałem procesora DSP typu AL3102G. Wymaga on napisania programu w asemblerze, co zmusza do nauczenia się nowego języka, specyficznego dla tego procesora. W rozwiązaniu prototypowym wykorzystuję niektóre możliwości procesora DSP, który wbudowano w strukturę układu STS310. Są to funkcje: dekoder Prologic, Circle Surround, SRS, VMAX. Układ AL3102G może przydać się w wersji amplitunera z nakładką SPDIF zawierającą układy DIR9001/DIT4096.

Odbiornik radiowy FM i dekoder stereofoniczny

Każdy amplituner ma odbiornik radiowy FM. Szukałem układu scalonego niewymagającego trudnych do kupienia i strojenia filtrów LC. Wybrałem układ scalony produkowany przez firmę NXP typu TEA5768HL (U1) w obudowie LQFP32. Wymaga on dołączenia tylko 3 cewek o stałej indukcyjności: L1=120 mH, L2=L3=33 mH. Zastosowałem gotowe dławiki SMD.

Układ tunera zawiera wszystkie bloki tworzące kompletny odbiornik radiowy FM i jest sterowany za pomocą I²C. Częstotliwość pośrednia wynosi 225 kHz. Wymagane jest podłączenie rezonatora kwarcowego 13 MHz lub 32768 Hz. W prototypie zastosowałem rezonator 13 MHz. Układ syntezy częstotliwości wymaga użycia dwóch diod pojemnościowych typu BB202.

Miałem trudności z ich zakupem, dlatego zastosowałem BB134 (DV1, DV2) o podobnej charakterystyce zmian pojemności. Diody pojemnościowe BB134 mają mniejsze nachylenie charakterystyki, więc układ TEA5768HL musi być zasilany napięciem 5 V (dla diod BB202 wystarczyłoby 3,3 V).

W układzie scalonego tunera FM znajduje się również dekoder stereofoniczny, ale jego parametry były niewystarczające: separacja kanałów na poziomie 24 dB, przytłumione wysokie tony, wymagany duży poziom sygnału z anteny, aby dekoder włączył się. Dlatego wykorzystałem wyjście sygnału MPX z układu TEA5768HL (nóżka 20 - MPXO).

Po wzmocnieniu przez wzmacniacz operacyjny U41A sygnał MPX doprowadziłem do dekodera z układem TDA7461 (U2), który ma bardzo dobre parametry. Nie wymaga żadnych regulacji, zapewnia separację kanałów do 50 dB. Testy odsłuchowe wykazały, że nie tylko separacja kanałów jest lepsza, ale zdecydowanie wyraźniejsze i "czyste" są tony wysokie, a dekodowanie załącza się również przy słabym poziomie sygnału stacji radiowej. Sygnały z wyjść dekodera TEA7461 doprowadziłem do filtrów dolnoprzepustowych (U21A, U21B) i na pierwsze wejście układu WM8770 (U5).

Układ TEA5768HL wymaga, aby rezystor R1 (na schemacie blokowym) miał wartość równa dokładnie 18 kV. Na płytce drukowanej pomiędzy nóżką 25 układu (U1) a masą umieściłem dwa połączone równolegle rezystory R1 i R8 o rezystancji 36 kV/1%, co daje wypadkowe 18 kV.

Układ TEA5768HL ma 5 8-bitowych rejestrów do zapisu i 5 rejestrów do odczytu. W jednym cyklu transmisji zapisu jest możliwe wysyłanie pierwszych 2 bajtów lub wszystkich 5. Znaczenie (w skrócie) poszczególnych bitów w wysyłanych bajtach:

Współczynnik N = "PLL counter" dla częstotliwości odbieranej stacji FRF[Hz] można obliczyć ze wzoru:

N=(4×(FRF+225000))/50000 dla "HIGH side injection" (HLSI = 1)
N=(4×(FRF×225000))/50000 dla "LOW side injection" (HLSI = 0)

Z układu TEA5768HL można odczytać 5 bajtów. Szczegółowy ich opis można znaleźć w nocie aplikacyjnej. W tym miejscu chciałbym tylko zwrócić uwagę na bajt 3 i 4:

Bit STEREO=1 sygnalizuje, że dekoder w TEA5768HL pracuje w trybie stereofoniczny. Bity IF[6:0] określają relatywną częstotliwość pośrednią. Dla dokładnego dostrojenia wartość IF=56 (0x38). Wartość IF różna od 56 oznacza, że ustawiliśmy częstotliwość za niską lub za wysoką. Bity LEV[3:0] podają umowny poziom sygnału wejściowego z anteny, przy czym: 0 - słaby sygnał, 15 - bardzo silny sygnał. Bity CI[3:0] są równe 0.

Rysunek 3. Budowa grupy 0A

Obecnie trudno wyobrazić sobie radioodbiornik FM bez dekodera RDS. Użyłem scalonego dekodera sygnałów typu SAA6588(U4) w obudowie DIP20. Producent określa ten układ jako "RDS/RBDS pre-procesor". Z doprowadzonego na 16 nóżkę sygnału MPX dekoduje on bloki informacji nadawane w systemie RDS. Zdekodowane bloki (2 bloki po 16 bitów) można odczytać przez interfejs I²C. Są to podstawowe bloki nazywane A, B, C, D.

Nadawane bloki tworzą różne grupy informacji. Najważniejsze informacje nadawane w systemie RDS to "Program Identifi cation" (PI), "Program Service" (PS), "Alternative Frequency" (AF) oraz "Trafic Program" (TP). W Polsce najczęściej jest nadawana grupa 0A (rysunek 3) zawierająca informacje "Program Service" (PS). Właśnie dekodowanie tej grupy oprogramowałem.

Rysunek 4. Schemat ideowy tunera FM (przekreślono część schematu, z której komponenty nie zostały zamontowane)

Standardowo grupa PS podaje nazwę stacji radiowej w postaci 8 znaków tekstowych (ASCII). W praktyce różne rozgłośnie radiowe w Polsce nadają w grupie PS cyklicznie szereg zmieniających się informacji. Zwykle nadawana jest nazwa stacji, tytuł i/lub wykonawca nadawanego właśnie utworu muzycznego, nazwa nadawanego właśnie bloku programowego itp. Dekoder RDS był dokładnie opisany w numerze 12/2000 Elektroniki Praktycznej.

W czasie uruchamiania dekodera okazało się, że należy użyć rezonatora kwarcowego (Q1) o częstotliwości równej dokładnie 8,664 kHz (n = 2). Sygnał DAVN został doprowadzony na jedno z wejść procesora LPC2387 i jest monitorowany przez oprogramowanie.

Dekoder przetwarza około 22 razy na sekundę komplet 2 podstawowych bloków. Oprogramowanie odczytuje te bloki i szereguje je w kolejności nadawania. Aby "poskładać" 8znakowy tekst, należy odebrać 4 kolejne sekwencje bloków tworzące grupę 0A. Na podstawie informacji zawartych w blokach B (bity C1, C0) jest możliwe zinterpretowanie położenia znaków przesyłanych w blokach D.

Zdekodowany tekst nadawany w systemie RDS jest wyświetlany na wyświetlaczu. Prawidłowy odbiór informacji RDS jest możliwy tylko przy silnym sygnale z anteny. Schemat ideowy tunera pokazano na rysunku 4.

Przedwzmacniacz

Rysunek 5. Schemat ideowy przedwzmacniacza

Schemat ideowy przedwzmacniacza pokazano na rysunku 5. Jego zasadniczą częścią jest układ scalony WM8770 (U5). Wyprowadzenia AIN1L, AIN1R...AIN8L, AIN8R są jego wejściami. Wszystkie wejścia, z wyjątkiem AIN1L, AIN1R, AIN8L, AIN8R, są zabezpieczone przed przekroczeniem napięcia wejściowego. Służą do tego diody zabezpieczające DX1...DX4 (DALC208SC6) oraz D23, D24, D59 i D60 typu BAT54S. Podobnie są zabezpieczone wszystkie wyjścia analogowe - diody D29...D36.

Wyjście multipleksera jest doprowadzone do wzmacniacza o wzmocnieniu regulowanym w zakresie -12...+19 dB. Z wyjścia tego wzmacniacza sygnały kanału lewego i prawego trafiają na wejście przetwornika A/D, na wyjścia (nóżki) RECL i RECR oraz sumatory analogowe przy wszystkich wyjściach stereofonicznych (wyprowadzenia VOUT1L, VOUT1R...VOUT4L, VOUT4R).

Sumatory w pierwszych trzech torach wyjściowych mają po trzy wejścia sterowane programowo. Czwarty sumator na dwa wejścia. Programowo można włączyć/wyłączyć wybrane wejście. Do wyjścia VOUT1/2/3 można dołączyć wyjście z odpowiedniego przetwornika D/A (DAC1 na VOUT1, DAC2 na VOUT2 itd.), sygnał wejściowy z odpowiedniego wejścia dodatkowego AUX (AUX1 na VOUT1, AUX2 na VOUT2 itd.) i/lub sygnał "BYPASS" - wyjście z multipleksera wejściowego.

Na wyjście VOUT4 można podłączyć wyjście z przetwornika DAC4 na VOUT4 i/lub sygnał "BYPASS". Sygnały wyjściowe przechodzą jeszcze przez analogowe regulatory wzmocnienia o zakresie regulacji 0...-100 dB. Analogowa regulacja wzmocnienia jest wykorzystywana do regulacji "głośności" we wszystkich kanałach.

Przetwornik A/C w układzie WM6770 to stereofoniczny, 24-bitowy multi-bit sigma delta ADC. Zapewnia stosunek sygnał/szum 102 dB (dla SR=48 kHz) i może pracować z częstotliwością próbkowania w zakresie 8...96 kHz. Przetworniki C/A w układzie MW8770 to cztery stereofoniczne, 24-bitowe multi-bit sigma delta DAC. Zapewniają stosunek sygnał/szum 106 dB (dla SR=48 kHz). Przetworniki te mogą pracować z częstotliwością przetwarzania 8...192 kHz. Przetworniki C/A mają cyfrowe regulatory wzmocnienia o zakresie regulacji 0...-100 dB.

Blok AUDIO INTERFACE pozwala połączyć cyfrowe źródła sygnałów zegarowych i danych dla przetworników C/A oraz dostarcza cyfrowe dane z przetwornika A/C. Układ ten może pracować w trybach master i slave. W trybie master sygnały zegarowe BCLK, ADCLRC, DACLRC są sygnałami wyjściowymi z układu WM8770. W trybie slave sygnały zegarowe BCLK, ADCLRC, DACLRC są sygnałami wejściowymi. Niezależnie od trybu pracy, sygnał zegarowy MCLK jest sygnałem wejściowym.

Sygnałami wejściowymi są też zawsze wejścia DIN1...DIN4. Sygnał DOUT z przetwornika A/C jest zawsze sygnałem wyjściowym z układu U5. Interfejs I²S układu WM8770 może pracować w jednym z trzech formatów: Right Justified Mode, Left Justified Mode, I²S. Użyłem formatu I²S (w tym trybie może pracować każdy z układów: LPC2387, STA015 oraz STA310).

Polaryzacja sygnałów zegarowych ADCLRC, DACLRC oraz BCLK jest ustawiana programowo. Można także ustawić długość słowa danych (Input Word Lenght) na 16, 20, 24 albo 32 bity. Sygnały ADCLRC i DACLRC mają częstotliwość równą częstotliwości próbkowania FS. W mojej aplikacji sygnał BCLK ma częstotliwość równą FS×64 a sygnał MCLK=FS×256. Układ WM8770 może pracować z zegarem MCLK równym 256, 384, 512 lub 768×FS.

Układ WM8770 zawiera 32 9-bitowe rejestry. Rejestry te można zapisywać przez szeregowy, zawierający 3 linie interfejs pracujący w trybie SPI lub CCB. Wybrałem tryb SPI. W tym trybie pracy linią DI jest przesyłanych 16 bitów (od najstarszego). Bity są wpisywane w trakcie narastających zboczy sygnału zegarowego CL. Dane są zapamiętywane podczas narastającego zbocza na linii CE. Bity B[15:9] zawierają adres rejestru, B[8:0] dane.

Tabela 1. Połączenia sygnałów z odtwarzacza Blu-ray/DVD

Układ WM8770 może przetwarzać zarówno sygnały analogowe jak i cyfrowe. W najprostszym wypadku, w tym układzie jest używany multiplekser wejściowy, wzmacniacz o regulowanym wzmocnieniu i wyjściowe analogowe regulatory wzmocnieni (tryb bypass). Układ ma 6 wejść analogowych (AUX1L, AUX1R, AUX2L, AUX2R, AUX3L oraz AUX3R). Można na nie doprowadzić komplet sygnałów analogowych w standardzie 5.1 z DVD lub odtwarzacza Blu-ray z dekoderami i wyjściami analogowymi 5.1. Przy takim połączeniu sygnały należy połączyć, jak napisano w tabeli 1.

Sygnały analogowe audio 5.1 doprowadziłem na zintegrowane złącze J8 stosowane na płytach głównych komputerów zawierające 6 kolorowych gniazd JACK 3.5 mm. Rozmieszczenie wyjść audio z układu WM8870 opisano w tabeli 2.

Tabela 2. Połączenia wyjść audio z układu WM8870

Wyjścia VOUT4L i WOUT4R są używane głównie jako wyjście z czwartego przetwornika C/A, który przetwarza sygnały VCR. W bardziej zawansowanym trybie pracy można wykorzystać przetwornik A/C. Jego wyjścia cyfrowe (WMDOUT, WMWSADC, WMBCLK) doprowadziłem za pośrednictwem układu programowalnego typu EPM3064 (U10) na wejście I²S procesora LPC2387 (U8; I²SRXSDA, I²SRXWS, I²SRXCLK). Układ U10 spełnia głównie rolę multiplekserów sygnałów cyfrowych.

Układ WM8770 pracuje w trybie slave. Źródłem sygnałów na magistrali I²S układu WM8770 są albo procesor LPC2387 (I²STXSDA, I²STXWS, I²STXCLK), albo dekoder MP3 typu STA015 (I²SMP3SDA, I²SMP3WS, I²SMP3CLK), albo dekoder DD/DTS typu STA310 (DDPCM0,1,2,3, DDLRCLK, DDSCLK). Te układy pracują w trybie master. Mikrokontroler LPC2387 pozwala na odtwarzanie nieskompresowanych plików typu WAV.

Jego interfejs I²S - po zaprogramowaniu trybu pracy - generuje nieprzerwanie sygnały zegarowe I²STXWS, I²STXCLK. Początkowo, do wyjściowego bufora danych wpisuje same zera, które pojawiają się na wyjściu I²STXSDA. Podczas odtwarzania pliku typu WAV do tego bufora wpisywane są kolejne próbki (16-bitowe). Sygnał I²STXSDA jest powielany przez układ EPM3064 na wszystkie cztery wejścia przetworników C/A w układzie WM8770 (WMDIN1, WMDIN2, WMDIN3, WMDIN4). Rejestry wewnętrzne układu WM8770 decydują, które przetworniki C/A są aktywne. Zwykle, dla sygnałów stereofonicznych, aktywne są przetworniki: DAC1 i DAC4.

W najbardziej zawansowanym trybie pracy jest możliwe jednoczesne wykorzystane przetwornika A/C do nagrywania przez procesor nieskompresowanych plików typu WAV oraz wszystkich przetworników D/A przetwarzających sygnały z dekodera DD/DTS. Poszczególne przetworniki wykorzystywane są następująco:

  • DAC1 - kanały LEWY/PRAWY PRZÓD,
  • DAC2 - kanały CENTRALNY/SUBWOOFER,
  • DAC3 - kanały LEWY/PRAWY TYŁ (SURROUND),
  • DAC4 - kanały LEWY/PRAWY VCR.

Rysunek 6. Schemat ideowy fi ltrów LPF

Pierwsze 6 sygnałów nie wymaga komentarza. Ostatnie 2 sygnały (LEWY/PRAWY VCR) to stereofoniczne wyjście do nagrywania. Jeśli sygnał źródłowy zawiera 6 kanałów, to wyjście VCR powstaje przez ich przetwarzanie nazywane "DOWNMIX(6->2)" w układzie STA310. W przypadku, gdy źródło sygnału jest stereofoniczne, to kanały LEWY/PRAWY VCR są zwykle (można dla tego wyjścia włączyć przetwarzanie SRS lub VMAX) identyczne z sygnałami LWEY/PRAWY PRZÓD. Taki sygnał jest potrzebny z kilku powodów.

Przede wszystkim - do sterowania wzmacniaczem słuchawkowym. Jest on również wyprowadzony na stereofoniczne wyjście "LINE OUT" (J6A). Wyjście "LINE OUT" można dołączyć np. do wejścia odbiornika TV lub na wejście "LINE IN" komputera PC. Dekoder STA310 pozwala na włączenie na wyjściu VCR przetwarzania (post processing) SRS lub VMAX. Włączenie post processigu SRS powoduje odtwarzanie dźwięku 3D, a włączenie post processingu VMAX powoduje poszerzenie bazy stereo (stereo enhanced).

Wyjścia VOUT1L, VOUT1R, VOUT2L, VOUT2R, VOUT3L i VOUT3R doprowadziłem do filtrów dolnoprzepustowych ze wzmacniaczami operacyjnymi U46A, U46B, U45A, U45B, U45C, U45D. Są to filtry Butterwortha o częstotliwości granicznej 45 kHz. Zworki ZBA1...ZBA6 po zwarciu pozwalają na "podbicie" tonów wysokich (ok. 16 kHz) o około +12 dB.

Podobnie zworki ZBB1...ZBB6 pozwalają na "podbicie" tonów niskich (ok. 80 Hz) o około +12 dB. Pozwala to na uzyskanie stałej korekty barwy tonu we wszystkich 6 kanałach. Wyjścia VOUT4L i VOUT4R mają zwykłe filtry dolnoprzepustowe, ponieważ czwarty przetwornik (DAC4) jest przeznaczony do przetwarzania sygnału cyfrowego z dekodera STA015 (wyjście MP3) lub STA310 (wyjście VCR). Schemat ideowy filtrów pokazano na rysunku 6.

Analogowy procesor audio

Rysunek 7. Schemat ideowy procesora audio (przekreślono część schematu, z której komponenty nie zostały zamontowane)

Schemat procesora audio pokazano na rysunku 7. Na płytce amplitunera zamontowano analogowy procesor audio typu TDA7461 (U2). Układ ten ma w swojej strukturze: multiplekser wejść analogowych, układ regulacji barwy tonu, regulator wzmocnienia (dla 2 wyjść stereofonicznych), dekoder wyposażony między innymi w układ HCC (ogranicznik szumów), dekoder Multipath. Układ nie wymaga zewnętrznych elementów potrzebnych do pracy filtrów kształtujących odpowiednie charakterystyki przenoszenia sygnałów.

Stereofoniczny sygnał w wyjść RECR/L układu WM8770 doprowadziłem na wejścia CASSR/L układu TDA7461. Na wejścia CDR/L doprowadziłem stereofoniczny sygnał przednich kanałów z wejść analogowych 5.1 (RIGHTDIR/LEFTDIR). Na wejścia AMR/AML można doprowadzić sygnał MONO_R/L ze złącza SIP6 (S11). Sygnał MONO uzyskany w sumatorze U14D wyprowadziłem na złącze "MONO" SIP6 (S11).

W złącze S11 można wlutować małą pionową płytkę z układem pseudostereo lub zewrzeć piny 2-3 i 4-5. W chwili pisania tego artykułu opcja MONO nie została oprogramowana. Również nie wykorzystałem wejścia CDR/L. Stereofoniczny sygnał doprowadzony na wejścia CASSR/L przechodzi przez wszystkie bloki "analogowe" układu TDA7461 - wykorzystuje: VOLUME, TREBLE oraz BASS.

Układ TDA7461 pozwala na ustawienie wiele parametrów charakterystyk korygujących barwę tonu. Dla basów można wybrać 1 z 5 częstotliwości granicznych (60, 70, 80, 100, 150 Hz - częstotliwość 150Hz występuje po włączeniu opcji DC-Mode), a dla sopranów 1 z 4 (10, 12.5, 15 i 17,5 kHz). Dodatkowo dla basów można wybrać cztery różne wartości "dobci" (Quality Factors) filtrów wynoszące: 1, 1.25, 1.5 oraz 2. Poziom korekcji basów jak i sopranów można zmieniać w zakresie ±14 dB z krokiem co 2 dB.

Wyjścia ACOUTL/R i wejścia ACINL/R doprowadziłem na złącze "ACIN" SIP6(S7). W złącze S7 można wlutować również małą pionową płytkę z układem superstereo. W prototypowym rozwiązaniu nie korzystam z tej opcji - włączyłem wewnętrzne klucze analogowe pomiędzy nóżkami 28-1 i 27-2 w układzie TDA7461. Wykorzystuję również bloki o regulowanym wzmocnieniu w zakresie od 0 do -50 dB dla sygnałów OUTLF, OUTRF, OUTLR, OUTRR.

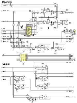
Rysunek 8. Schemat układu Upmix

Wyjścia OUTLF (LEFTPHX) i OUTRF (RIGHTPHX) sterują wzmacniacz słuchawkowy zbudowany na bazie układu scalonego typu TPA6120A2 (U81). Wyjścia OUTLR (LEFTRX) i OUTRR (RIHGTRX) doprowadziłem do układu Upmix (rysunek 8), który z dwóch sygnałów kanału lewego (LEFTX z wyjścia ACOUTL) i prawego (RIGHTX z wyjścia ACOUTR) generuje pełne 6 kanałów dźwiękowych w standardzie 5.1. Układ ten zbudowałem z użyciem wzmacniaczy operacyjnych AD8664 (U43C,D) i OPA4132 (U44A...U44C).

Sygnały kanałów przednich LEFTX i RIGHTX nie podlegają żadnej zmianie. Wzmacniacz operacyjny U43C generuje sygnał lewego kanały tylnego LEFTSX. Sygnał ten powstaje przez odjęcie od sygnału LEFTX sygnału RIGHTRX. Wzajemne proporcje tych sygnałów można regulować programowo poprzez odpowiednie ustawienie wzmocnienia bloku OUTRR układu TDA7461. Podobnie jest generowany sygnał prawego kanały tylnego RIGHTSX przez wzmacniacz operacyjny U43D z sygnałów RIGHTX i LEFTRX (blok OUTLR układu TDA7461).

Sygnał kanału centralnego i subwoofera wytwarzany jest przez wzmacniacz operacyjny U44A. Na jego wyjściu występuje suma kanałów LEFTX i RIGHTX w odwróconej fazie. Kanał centralny CENTERX uzyskałem na wyjściu filtra górnoprzepustowego zbudowanego na wzmacniaczu operacyjnymU44B, a kanał subwoofera SUBX na wyjściu filtra dolnoprzepustowego wykorzystującego wzmacniacz operacyjny U44C. Obydwa filtry odwracają fazę sygnałów, dlatego wyjściowe fazy wszystkich 6 kanałów są prawidłowe.

Ten sprzętowy układ zachowuje się jak dekoder DOLBY PRO LOGIC II pracujący w trybie MUSIC. Te 6 kanałów doprowadziłem poprzez klucze analogowe ADG794(U6 i U13) na wejścia AUX układu WM8770. Dla każdego wejścia stereo można wygenerować przez wyżej opisany układ "Upmix" 6 kanałów w standardzie 5.1.

Dekoder MP3

W amplitunerze użyłem dekodera MP3 typu STA015T (U16 - rysunek 7). Głównym zadaniem tego układu jest wytwarzanie sygnału PCM z danych zawartych w pliku o formacie MP3. Dekoder sam pomija dodatkowe informacje umieszczone w TAG’ach ID3v1 i ID3v2. Dane z procesora przesyłane są do dekodera poprzez SPI. Linia SDI (34) to wejście danych, linia SCKR (36) to zegar, wejście BIT_EN (38) powinno być ustawione podczas przesyłania ważnych danych.

Układ STS015T sygnalizuje swoją gotowość do odbioru danych poprzez jedynkę na wyjściu DATA_REQ (27). Zdekodowany strumień wyjściowy pojawia się na magistrali I²S na wyprowadzeniach SDO (42), SCKT (44), LRCKT (2) oraz OCLK (2). Wyjściowy format PCM można wybrać poprzez odpowiednie zaprogramowanie rejestrów wewnętrznych układu STA015T.

Układ STA015T ma dwa interfejsy wejściowe: Serial Input Interface przeznaczony do odbioru skompresowanych danych MP3 lub ADPCM, oraz ADC Input Interface przeznaczony do odbioru nieskompresowanych danych w formacie PCM z przetwornika A/C. Dane wejściowe są wprowadzane do bufora o pojemności 256 bajtów. Dalej trafiają do bloku DSP. DSP może pracować w jednym z 4 trybów:

  • Dekodowanie strumienia MPEG1, MPEG2 i MPEG2.5 Layer III.
  • Kodowanie: do formatu ADPCM.
  • Dekodowanie: strumienia ADPCM.
  • Bypass: przetwarzanie danych audio z wejścia A/C.

Dodatkowo, podczas procesu dekodowania, można wykorzystać blok regulacji głośności i barwy tonu. W mojej aplikacji wykorzystuję tylko tryb pierwszy (dekodowanie strumienia MP3) oraz bloki regulacji głośności i barwy tonu. Ponieważ regulacja barwy odbywa się cyfrowo, dlatego każde podbicie tonów niskich lub wysokich o pewną liczbę dB (w zakresie 0...18 dB) wymaga zmniejszenia wzmocnienia (głośności) o co najmniej taką samą liczbę dB. Inaczej doszłoby do przesterowania.

Korektę basów i sopranów można zmieniać w zakresie ±18 dB z krokiem co 1,5 dB. Częstotliwości "środkowe" dla basów i sopranów można ustawić dowolnie dla przez zapis odpowiednich wartości do rejestrów wewnętrznych układu STA015. Należy tylko zapewnić aby częstotliwość dla basów była co najmniej 2 razy mniejsza od częstotliwości dla sopranów. Dokumentacja techniczna niewiele mówi o tym, jak przebiega charakterystyka korekcji dla różnych wartości wpisanych do rejestrów tego układu.

W Internecie znalazłem dodatkowe informacje na ten temat. Mówiąc w skrócie - charakterystyka częstotliwościowa zmienia się w zakresie od 0,25 do 1,75 częstotliwości wpisanej do odpowiedniego rejestru wewnętrznego układu STA015. Programowo wybrałem 4 częstotliwości graniczne (nie środkowe) dla basów (70, 100, 140 i 200 Hz) i 4 dla sopranów (8, 10, 12 i 15 kHz).

Wybrane częstotliwości graniczne dla basów (Fb) przed wpisaniem do rejestrów układu TDA015 są przeliczane na częstotliwości środkowe (Fr) według wzoru Fr=3×Fb. Podobnie wybrane częstotliwości graniczne dla sopranów (Fs) przed wpisaniem do odpowiednich rejestrów układu TDA015 są przeliczane na częstotliwości środkowe (Fr) według wzoru Fr=1,75×Fs.

Podczas odtwarzania plików MP3 dane do dekodera przesyłane z wykorzystaniem mechanizmu przerwań. Szybkość przesyłanych danych jest zróżnicowana. Po ustawieniu bitu PLAY w rejestrze układu STA015 zaczyna on "pochłaniać" dane z największą prędkością.

Po przesłaniu kilkudziesięciu kB prędkość przesyłu danych stabilizuje się na poziomie wynikającym z "data rate" odtwarzanego pliku. Układ ten przy braku nowych danych zaczyna cyklicznie powtarzać ostatni przesłany fragment. Dlatego po napotkaniu końca pliku przesyłam jeszcze kilka kB nieznaczących danych, aby "wyczyścić" wewnętrzne bufory.

Zbyszko Przybył
zbyszekp@mikronika.pl

Artykuł ukazał się w
Elektronika Praktyczna
maj 2013
DO POBRANIA
Pobierz PDF Download icon
Materiały dodatkowe
Elektronika Praktyczna Plus lipiec - grudzień 2012

Elektronika Praktyczna Plus

Monograficzne wydania specjalne

Elektronik listopad 2025

Elektronik

Magazyn elektroniki profesjonalnej

Raspberry Pi 2015

Raspberry Pi

Wykorzystaj wszystkie możliwości wyjątkowego minikomputera

Świat Radio listopad - grudzień 2025

Świat Radio

Magazyn krótkofalowców i amatorów CB

Automatyka, Podzespoły, Aplikacje listopad - grudzień 2025

Automatyka, Podzespoły, Aplikacje

Technika i rynek systemów automatyki

Elektronika Praktyczna listopad 2025

Elektronika Praktyczna

Międzynarodowy magazyn elektroników konstruktorów

Elektronika dla Wszystkich grudzień 2025

Elektronika dla Wszystkich

Interesująca elektronika dla pasjonatów