Kieszonkowy układ do generowania szumu białego do szybkiego testowania odpowiedzi impulsowej układu

Kieszonkowy układ do generowania szumu białego do szybkiego testowania odpowiedzi impulsowej układu
Pobierz PDF Download icon

W większości układów chcemy zminimalizować poziom szumu w sygnale, jednak są aplikacje, m.in. układy pomiarowe, w których wysoki poziom szumu jest pożądany. Źródła szerokopasmowego szumu białego są nieocenione w pomiarach pasma czy odpowiedzi impulsowej układów analogowych.

Szum w obwodach elektronicznych zwykle jest wrogiem i każdy obwód powinien emitować go jak najmniej. Jednak zdarzają się przypadki, w których dobrze scharakteryzowane źródło szumu jest bardzo pożądanym elementem. Przykładem takiego obwodu jest generator szumu białego zastosowany do charakteryzacji obwodów elektronicznych.

Układ analogowy można scharakteryzować poprzez przemiatanie sygnału wejściowego w całym zakresie częstotliwości i obserwowanie reakcji na wyjściu. Najczęściej przebiegiem wejściowym jest wtedy sinusoida o zmienianej dyskretnie częstotliwości. Taki pomiar jest bardzo czasochłonny, gdyż po każdej zmianie częstotliwości wymagane jest ustabilizowanie pracy generatora – przyjmuje się czas potrzebny do tego jako w przybliżeniu 10-krotność okresu, co dla niskich częstotliwości (poniżej 10 Hz) zaczyna już być bardzo problematyczne. Jeżeli konieczne jest przemiatanie o wysokiej rozdzielczości spektralnej, na przykład z uwagi na wysoką dobroć układu, pomiar taki jest bardzo czasochłonny.

Rozwiązaniem takiego problemu jest zastosowanie generatora szumu białego. Wynika to z faktu, że w sygnale szumowym obecne są wszystkie częstotliwości naraz. Wszystkie o równej amplitudzie (jeśli mówimy o szumie białym). Podłączenie do badanego urządzenia takiego „szumidła”, generującego szum biały, pozwoli na jego wyjściu natychmiast zobaczyć, jaka jest charakterystyka spektralna systemu. Wystarczy podłączyć wyjście układu do analizatora widma. Jeśli widmo będzie uśredniane przez odpowiednio długi czas, możliwe jest uzyskanie bardzo dużej dokładności i szerokiego pasma częstotliwości.

Ponadto generator białego szumu pozwala także przetestować sam tester. Sprzęt laboratoryjny mierzący odpowiedź częstotliwościową powinien zapewniać płaską charakterystykę wejściową dla znanego generatora białego szumu płaskiego.

Z praktycznego punktu widzenia tego rodzaju szumidło, to łatwe i przenośne narzędzie, pomagające w charakteryzacji układów analogowych. Przydaje się nie tylko w warsztacie, ale także w terenie, np. przy konieczności diagnozowania uszkodzeń torów analogowych w serwisowanych systemach pomiarowych. Dobrze zaprojektowany generator szumu białego nie wymaga żadnego zewnętrznego sterowania i zapewnia całkowicie przewidywalną i stałą moc wyjściową.

Krótki wstęp o szumie

Szum cieplny rezystora, czasem nazywany szumem Johnsona lub Nyquista, powstaje w wyniku termicznego poruszania nośników ładunku wewnątrz opornika. Szum ten ma w teorii białą, nieskończoną charakterystykę. W rzeczywistym układzie, gdzie pasmo jest ograniczone, szum można opisać w przybliżeniu rozkładem Gaussa. Pod względem elektrycznym gęstość spektralna jest opisana równaniem 1.

gdzie:

kB – to stała Boltzmanna,
T – to temperatura opornika w Kelvinach,
R – to jego rezystancja.

Napięcie VSZUM powstaje w wyniku losowego ruchu ładunków przepływających przez opornik, który opisać można prądem ISZUM zależnym od temperatury. Dlatego też gęstość spektralna szumu zależna jest od wartości rezystancji opornika, co pokazano w tabeli 1.

Tabela 1. Gęstość spektralna szumu napięciowego dla różnych rezystorów
Wartość rezystancji Gęstość spektralna szumu napięciowego
10 Ω 0,402 nV/√Hz
100 Ω 1,27 nV/√Hz
1 kΩ 4,02 nV/√Hz
10 kΩ 12,7 nV/√Hz
100 kΩ 40,2 nV/√Hz
1 MΩ 127 nV/√Hz
10 MΩ 402 nV/√Hz

Przykładowe wartości zmierzone zostały dla temperatury 20°C. Rezystor 10 MΩ reprezentuje zatem szerokopasmowe źródło szumu napięciowego o wartości 402 nV⁄√Hz, które włączone jest szeregowo z rezystancją nominalną. To źródło szumu jest dość stabilne, ponieważ tylko zmiany R i T wpływają na szum, dodatkowo wchodzą do wzoru pod pierwiastkiem – układ jest relatywnie nieczuły na ich zmiany – zmiana temperatury o 6°C to zmiana gęstości szumu o 1%, a zmiana rezystancji o 2% przekłada się na zmianę szumu również o 1%.

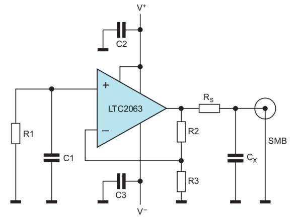
Na rysunku 1 zaprezentowano układ z opornikiem 10 MΩ (R1), który generuje biały, gaussowski szum na nieodwracającym pinie wzmacniacza operacyjnego. Rezystory R2 i R3 regulują wzmocnienie op-ampa. Kondensator C1 odfiltrowuje z sygnału wpływ wejścia op-ampa, który ma stabilizację impulsową. Wyjściem z układu jest szum biały o gęstości spektralnej równej 10 μV/√Hz. Wzmocnienie (1+R2/R3) jest wysokie, bo aż 21 V/V. Nawet jeśli R2 ma dużą oporność (1 MV), szum R2, w porównaniu do wzmocnionego szumu R1, jest nieistotny.

Rysunek 1. Pełny schemat generatora szumu białego – wzmacniacz operacyjny o niskim dryfcie (LTC2063) wzmacnia szum Johnsona z opornika R1

Zastosowany op-amp musi mieć wystarczająco niski poziom własnego szumu, aby R1 mógł dominować jako źródło. Musi być spełniony warunek:

VSZUM(IN)·R2 << VSZUM(R1)·(1+R2/R3)

Porównanie zmiany w poziomie wypadkowego szumu dla różnych poziomów szumu wejściowego wzmacniacza operacyjnego pokazuje tabela 2.

Tabela 2. Wpływ szumu wzmacniacza operacyjnego
VSZUM(R) Szum wejściowy op-ampa en Całkowity szum układu
402 nV/√Hz 300 501.6 nV/√Hz
402 nV/√Hz 250 473.4 nV/√Hz
402 nV/√Hz 200 449.0 nV/√Hz
402 nV/√Hz 150 429.1 nV/√Hz
402 nV/√Hz 100 414.3 nV/√Hz

Warto zauważyć, że nawet dla wysokiego en, na poziomie 300 nV, wypadkowy szum zwiększa się zaledwie o około 100 nV⁄√Hz. Zmiana z 402 nV⁄√Hz do 502 nV⁄√Hz odpowiada zmianie o zaledwie 1,9 dB.

Generator z zerowym dryftem i niskim poborem energii elektrycznej

W tym projekcie dominowały dwa główne założenia:

  1. układ musi być przenośny, łatwy w użyciu i pobierać niewielki prąd z uwagi na zasilanie z baterii,
  2. generowany szum musi mieć szerokie spektrum i równą charakterystykę, nawet dla częstotliwości poniżej 0,1 Hz.

Biorąc pod uwagę te wymagania, jako wzmacniacz operacyjny w układzie zastosowano LTC2063. Gęstość szumu napięciowego opornika 10 MΩ wynosi 402 nV⁄√Hz; dla LTC2063 ta wartość jest o połowę mniejsza. Prąd szumu rezystora 10 MΩ wynosi 40 fA⁄√Hz; LTC2063 ma mniej niż połowę tego. Dodatkowo element ten pasuje idealnie do zastosowania akumulatorowego, ponieważ jego typowy prąd zasilający wynosi 1,4 μA, a całkowite napięcie zasilania spaść może do 1,7 V. Jest to istotnie, ponieważ pomiary przy małej częstotliwości z definicji wymagają długiego czasu stabilizacji i pomiaru, w związku z czym generator musi być zasilany baterią przez dłuższy czas.

Gęstość spektralna szumu na wejściu LTC2063 wynosi około 200 nV⁄√Hz, a szum jest przewidywalny i płaski w całym zakresie częstotliwości (w granicach ±0,5 dB). Zakładając, że poziom szumu LTC2063 wynosi 50% szumu termicznego opornika, a szum napięcia wzmacniacza operacyjnego zmienia się o 5%, gęstość szumu na wyjściu zmienia się tylko o 1%.

Budowa układu

Jako opornik generujący szum zastosowano opornik cienkowarstwowy Beyschlag MMA0204 10 MΩ. Wybrano ten element z uwagi na fakt, że niewiele jest na rynku oporników o tak dużej rezystancji, które cechują się wysoką jakością, zapewniającą precyzję i stabilność, wymaganą w tym układzie. Aby uzyskać lepszą dokładność i stabilność długoczasową, jako oporniki R2, R3 i RS zastosować należy cienkowarstwowe rezystory precyzyjne (0,1%), na przykład TE CPF0603. Co do kondensatorów C2 i C3 nie ma wielkich wymagań – ich rolą jest filtrowanie zasilania dla wzmacniacza operacyjnego. Zastosować można elementy oparte na dielektryku C0G, z uwagi na niski prąd upływu, istotny z uwagi na zasilanie układu z baterii.

Rysunek 2. Rozkład elementów na płytce

Detale implementacji

Obszar pętli tworzonej przez elementy R1, C1 i R3 powinien być zminimalizowanym, by zredukować wpływ zakłóceń elektromagnetycznych na układ. Dodatkowo, elementy R1 i C1 powinny być ekranowane przed zewnętrznymi polami elektromagnetycznymi. Dodatkowo, jakkolwiek nie jest to krytyczne, R1 powinien być utrzymywany w miarę stabilnej temperaturze. Zazwyczaj obie te funkcje spełnia pojedynczy ekran, chroniący układ przed EMI i promieniowaniem cieplnym z zewnątrz.

Przy doborze zasilania należy zadbać o uniknięcie regionu przejściowego napięcia wejściowego, ponieważ może to skutkować wyższym, mniej stabilnym szumem. Aby uzyskać najlepsze wyniki, V+ powinno wynosić co najmniej 1,1 V.

Rezystancja opornika na wyjściu (RS) – 10 kΩ – może wydawać się wysoka, ale z uwagi na wysoką impedancję wyjściową wzmacniacza nawet taki opór nie zapewni pełnej izolacji wyjścia op-ampa od pojemności obciążenia. Jednakże w tym układzie pojemność wyjściowa powinna być postrzegana jako istotna cecha projektowa, nie zagrożenie dla stabilności. Op-amp widzi na wyjściu RS (10 kΩ) i CX (50 nF) podłączone pomiędzy wyjście a masę. Kondensator CX będzie oddziaływał z obwodem LTC2063, powodując powstawanie maksimów w odpowiedzi częstotliwościowej układu. Maksima te można wykorzystać do poszerzenia płaskiej części charakterystyki generatora. Przyjmuje się, że układ będzie podłączony do obciążenia o wysokiej impedancji (Z>100 kΩ), ponieważ obciążenie o niższej impedancji znacznie zmniejszy poziom wyjściowy.

Opcjonalne strojenie układu

Kilka parametrów op-ampa wpływa na kształt krzywej w zakresie wysokich częstotliwości. Zalecana wartość kondensatora CX wynosi 47 nF, co zwykle daje pasmo (–1 dB) od 200 Hz do 300 Hz. Niemniej jednak CX można zmieniać, optymalizując płaskość lub szerokość pasma, zmieniając pojemność w zakresie od 30 nF do 50 nF. Aby uzyskać większą szerokość pasma, użyj mniejszego CX. Aby uzyskać bardziej płaskie widmo, użyj większej pojemności.

Parametry układu scalonego są ściśle związane z pobieranym prądem. Elementy o niskim prądzie zasilania mogą wymagać nieco większego CX, podczas gdy części o wysokim prądzie zasilającym najprawdopodobniej wymagają mniej niż 30 nF przy jednoczesnym osiągnięciu szerszej, płaskiej charakterystyki. Pokazane poniżej wykresy pokazują, w jaki sposób wartość CX wpływa na odpowiedź częstotliwościową w zamkniętej pętli sprzężenia zwrotnego układu.

Pomiary układu

Gęstość spektralną szumu na wyjściu w funkcji pojemności CX (przy RS=10 kΩ i zasilaniu ±2,5 V) pokazano na rysunku 3.

Rysunek 3. Gęstość szumu urządzenia z rysunku 1 dla różnych pojemności CX

Wykres pokazuje gęstość szumu w funkcji częstotliwości dla CX=0, 2,2 nF, 10 nF, 47 nF i 68 nF. Przy CX=2,2 nF charakterystyka wykazuje łagodne osiąganie maksymalnego poziomu, co jest mocniej zaznaczone dla CX=10 nF i stopniowo maleje dla większych częstotliwości. Dla CX=68 nF nie widać tego szczytu, ale wyraźnie mniejsza jest płaska część widma.

Na rysunku 4 pokazano płaską część widma w powiększeniu. W wielu zastosowaniach wystarcza płaskość widma szumu w granicach 1 dB, a <0,5 dB jest już doskonałe. Tutaj widzimy, że odchyłka w zakresie widma jest istotnie niższa. Pomiary płaskości w wysokiej rozdzielczości wymagają czasu. Dla wykresu z rysunku 4 (w zakresie od 10 Hz do 1 kHz, 1000 uśrednień) trwają około 20 minut. Finalnie, pamiętać trzeba również, że jak wspomniano wcześniej, optymalne CX zmienia się w zależności od rzeczywistych parametrów op-ampa.

Rysunek 4. Powiększony fragment wykresu z rysunku 3

Sprawdzono również kształt widma w funkcji zasilania (rysunek 5). Standardowe zasilanie układu wynosi ±1,5 V. Zmiana napięcia zasilania na ±1,0 V lub ±2,5 V powoduje niewielką zmianę wartości szczytowej charakterystyki, a także niewielką zmianę płaskiej części widma. W pełnym zakresie zasilania zmiany te nie przekraczają 0,2 dB.

Rysunek 5. Gęstość szumów wyjściowych dla różnych napięć zasilania

Jeśli chodzi o stabilność działania układu w funkcji temperatury, to dominuje wpływ temperatury na szum Johnsona opornika. Zatem T=22(±6)°C zmiana amplitudy wynosi ±1%, co jest ledwo widoczne na wykresie i z uwagi na to nie jest prezentowane.

Rozważania na temat EMI

W prototypie zastosowano miedzianą folię z izolacją kaptonową jako ekran elektromagnetyczny. Folia ta jest owinięta wokół elementów wejściowych i przylutowana do masy na tylnej stronie płytki drukowanej. Zmiana położenia ekranu ma znaczący wpływ na zakłócenia elektromagnetyczne dostające się do układu. Powoduje powstawanie również niskoczęstotliwościowych zakłóceń. Eksperymenty sugerują, że zakłócenia te spowodowane są impulsami elektromagnetycznymi i że można im zapobiec ekranowaniem. Ekran chroni także przed zakłóceniami sieciowymi itp.

Jeżeli zamiast baterii używany jest zewnętrzny zasilacz, zakłócenia współbieżne w sieci energetycznej mogą przenikać do sygnału. Zaleca się połączenie masy urządzenia z uziemieniem i wykorzystanie dławika na przewodach zasilających generator.

Ograniczenia

W praktyce wiele aplikacji wymaga szerszego pasma, na przykład systemy audio czy urządzenia ultradźwiękowe. Przy płaskim widmie, od około 300 do 400 Hz, obwód zaprezentowany powyżej jest przydatny do badania układów pod kątem przenikania zakłóceń z sieci (50 Hz) czy geofonów, szczególnie że dobrze radzi sobie z generowaniem szumu o bardzo małej częstotliwości, poniżej 0,1 Hz.

Poziom sygnału wyjściowego jest niski (<2 mVp-p). Drugi LTC2063, skonfigurowany jako nieodwracający wzmacniacz ze wzmocnieniem na poziomie 5 V/V i kolejnym filtrem wyjściowym RC, może zapewnić podobnie dobrze kontrolowane płaskie widmo wyjściowe z większą amplitudą.

Podsumowanie

Opisany generator szumów białych jest małym, ale niezbędnym w wielu warsztatach narzędziem. Przy odpowiednio długim czasie pomiaru urządzenie to może generować pełną charakterystykę badanego obwodu. Doskonale radzi sobie z bardzo małymi częstotliwościami i przyspiesza pomiary widm w zakresie poniżej 300 Hz.

W przeciwieństwie do skomplikowanych instrumentów z licznymi ustawieniami, ten generator nie wymaga instrukcji obsługi. Ta szczególna konstrukcja charakteryzuje się niskim poborem prądu, dzięki czemu układ może być zasilany bateryjnie przez długi czas pomiaru. Zastosowanie baterii nie tylko zwiększa mobilność urządzenia, ale także izoluje je od zakłóceń z sieci energetycznej.

Nikodem Czechowski, EP

Źródło:
Rarely Asked Questions (Rzadko Zadawane Pytania) numer 154 – https://bit.ly/2yIK0gJ

Artykuł ukazał się w
Elektronika Praktyczna
maj 2020
DO POBRANIA
Pobierz PDF Download icon
Elektronika Praktyczna Plus lipiec - grudzień 2012

Elektronika Praktyczna Plus

Monograficzne wydania specjalne

Elektronik listopad 2025

Elektronik

Magazyn elektroniki profesjonalnej

Raspberry Pi 2015

Raspberry Pi

Wykorzystaj wszystkie możliwości wyjątkowego minikomputera

Świat Radio listopad - grudzień 2025

Świat Radio

Magazyn krótkofalowców i amatorów CB

Automatyka, Podzespoły, Aplikacje listopad - grudzień 2025

Automatyka, Podzespoły, Aplikacje

Technika i rynek systemów automatyki

Elektronika Praktyczna listopad 2025

Elektronika Praktyczna

Międzynarodowy magazyn elektroników konstruktorów

Elektronika dla Wszystkich grudzień 2025

Elektronika dla Wszystkich

Interesująca elektronika dla pasjonatów