3-fazowy woltomierz TRMS

3-fazowy woltomierz TRMS
Pobierz PDF Download icon
Pewne urządzenie wymagało dla zwiększenia funkcjonalności zainstalowania woltomierza dokonującego pomiaru napięcia sieciowego w trzech fazach. Można kupić stosunkowo niedrogie woltomierze panelowe, ale z reguły mierzą one napięcie stałe, więc wymagałyby dodatkowych układów. Postanowiłem samodzielnie zaprojektować i wykonać woltomierz mierzący napięcie trzech faz o stosunkowo dużej precyzji i dużych, czytelnych cyfrach (wyświetlacz graficzny).

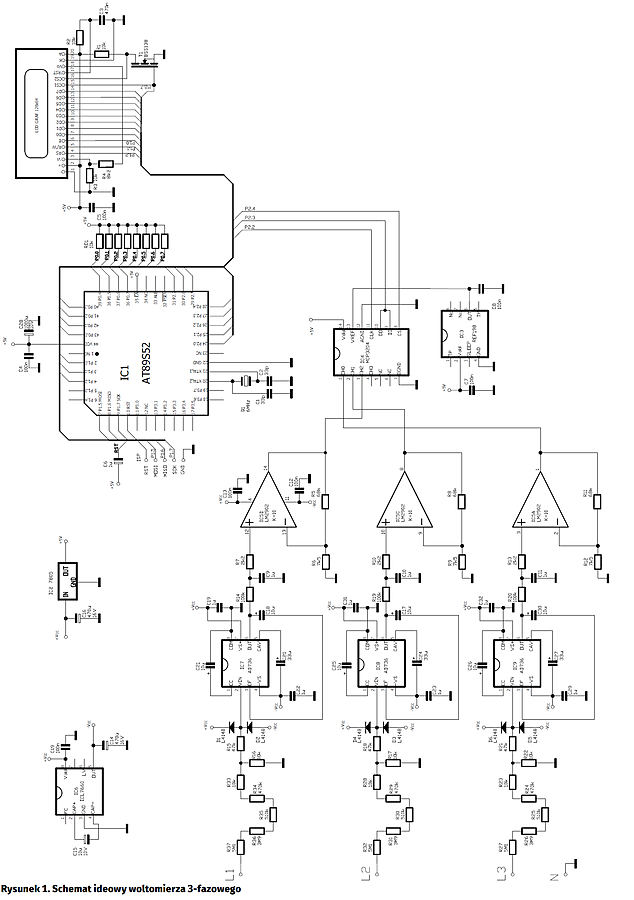
Schemat ideowy woltomierza pokazano na rysunku 1. Jego „sercem” jest mikrokontroler IC1 typu AT89S52. Wielu czytelników może zapytać – dlaczego taki archaiczny mikrokontroler? Oczywiście, można zastosować nowszy, ale w czym są one lepsze? Ponadto, pisząc program w asemblerze, PIC daje nam do dyspozycji 35 instrukcji – łatwo zapamiętać, ale trudno coś z tego sklecić. Nie mając porządnych skoków warunkowych należy stosować różne sztuczki, aby osiągnąć to, co „wysłużona” 51-ka robi jedną instrukcją. Atmega ma tak bogatą listę instrukcji, że trudno je spamiętać. Jeśli ktoś zna biegle 51, a wciąż takich zapaleńców nie brakuje, to znacznie szybciej osiągnie cel nie siląc się na to by iść z „modą”, co nie znaczy, że wymienione nowsze mikrokontrolery nie mają zalet.

Mikrokontroler AT89S52 jest programowany w układzie przez złącze ISP. Do portu P0 (szyna danych) jest przyłączony wyświetlacz graficzny o rozdzielczości 128×64 piksele. Dodatkowo, linie sterujące wyświetlacz, to jest „W”, „E” i „RS” dołączono do wyjść P1.0…P1.2 mikrokontrolera. Za pomocą wyprowadzenia P2.7 mikrokontroler zmienia „półobraz” wyświetlacza. Obraz na ekranie wyświetlacza jest złożony z dwóch obszarów o rozdzielczości 64×64 piksele. Aby wysyłane dane dotyczyły właściwej połowy, należy odpowiednio wysterować CS1 i CS2 wyświetlacza. Można użyć dwóch wyprowadzeń mikrokontrolera, ale wówczas nie dość, że należy prowadzić do wyświetlacza dodatkową linię, to jeszcze trzeba pamiętać, aby w programie negować CS2 względem CS1. Dlatego zastosowałem tranzystor T1, który zwalnia programistę z obowiązku pamiętania o właściwym poziomie logicznym na wejściu CS2.

Mikrokontroler jest taktowany rezonatorem kwarcowym o częstotliwości 6 MHz. Widać, że po resecie nieco się „grzebie” aktywując wyświetlacz, ale zastosowanie kwarcu np. 12 MHz wyraźnie zwiększa błędy pomiarowe i pobór energii.

Do wyprowadzeń P2.2…P2.4 dołączono przetwornik A/C typu MCP4304 (IC4). Jest to 4-kanałowy przetwornik 12-bitowy o umiarkowanej cenie. Część cyfrowa przetwornika jest zasilana napięciem 5 V, tym samym, co mikrokontroler. Napięcie odniesienia jest stabilizowane za pomocą układu scalonego precyzyjnego źródła napięcia odniesienia typu REF198 (IC3). Napięcie odniesienia ma wartość 4096 mV co oznacza, że przy 12-bitowej rozdzielczości przetwornika A/C pojedynczemu bitowi odpowiada 1 mV. Układ MCP4304 jest dosyć kosztowny. Jeśli ktoś chce zaoszczędzić, to może użyć np. TL431 i ustawić napięcie 4,096 V. Jest to tanie, ale mniej precyzyjne rozwiązanie.

Do wejść przetwornika A/C doprowadzono trzy identyczne tory pomiarowe dla trzech faz mierzonego napięcia. Mierzone napięcie jest dołączone przez dzielnik złożony z rezystorów R16, R33…R37 do przetwornika IC7. Dzielnik zapewnia rezystancję wewnętrzna układu pomiarowego wynoszącą 10 MV i dostosowuje poziom napięcia do wejścia przetwornika TRMS typu AD736 (IC7). Przetwornik zamienia przebieg przemienny w odpowiadającą mu wartość skuteczną napięcia. Napięcie wyjściowe z przetwornika jest doprowadzone do wejścia wzmacniacza pomiarowego IC5. Układ wzmacniacza pomiarowego stanowi precyzyjny, poczwórny, wzmacniacz operacyjny typu LM2902. Wzmocnione napięcie mierzone z wyjścia wzmacniacza jest podawane na wejście układu przetwornika A/C.

Przetworniki TRUE RMS, oraz wzmacniacz operacyjny wymagają symetrycznego napięcia zasilania, dlatego zastosowano dodatkowy układ typu ICL7660 (IC6), który generuje napięcie ujemne. Cały woltomierz jest zasilany napięciem 9 V. Napięcie 5 V stabilizuje układ typu LM7805 (IC2).

Montaż i uruchomienie

Miernik zmontowano na dwustronnej płytce drukowanej o wymiarach 108 mm×78 mm (rysunek 2). Masa cyfrowa jest prowadzona odrębnie od masy analogowej. Obie masy są połączone są w jednym punkcie zworą Z1. Wyświetlacz LCD jest połączony z układem złączem goldpin. Wejścia pomiarowe oraz napięcie zasilanie zostało doprowadzone za pomocą złącza TBMP.

Montaż należy rozpocząć od elementów SMD. W pierwszej kolejności należy przylutować procesor precyzyjne ustalając jego pozycję. Następnie należy przylutować zwory, przelotki, elementy przewlekane, goldpiny łączące płytkę z modułem wyświetlacza i złącza ISP oraz TBMP. Do modułu wyświetlacza należy przylutować gniazdo goldpin.

Przed włączeniem napięcia zasilania należy sprawdzić poprawność montażu. Jeśli montaż jest poprawny, można włączyć napięcie zasilania 9 V – najpierw bez modułu wyświetlacza. Najlepiej, aby ograniczyć prąd do około 50 mA, a jeśli zasilacz, którym dysponujemy nie ma takiej możliwości, to można przyłączyć zasilanie przez rezystor np. 150 V. Po włączeniu zasilania należy sprawdzić obecność 5 V na układach cyfrowych, obecność –9 V na wyprowadzeniach –Vss wzmacniacza operacyjnego i przetworników TRMS oraz napięcie referencyjne 4,096 V. Jeśli wszystkie są poprawne, można wgrać program „dvm3f.hex” za pomocą złącza ISP do procesora. Po wykonaniu tych czynności można wyłączyć zasilanie, podłączyć matrycę LCD i ponownie włączyć zasilanie. Na wyświetlaczu powinny pojawić się 3 rzędy cyfr. Jeśli na wyświetlaczu nic się nie pojawiło lub jest za mały kontrast, to należy doświadczalnie skorygować wartość R4. Matryca na wyjściu Vo generuje ujemne napięcie niezbędne do pracy. Wartość tego napięcia i wydajność prądowa jest niestety różna nawet dla matryc tego samego typu od tego samego dostawcy. Dlatego zdarza się, że konieczna jest zmiana rezystancji R4, aby wyraźne były piksele cyfr, które mają być wyświetlone, a piksele wygaszone nie były widoczne.

Następnym etapem jest kalibracja woltomierza. W tym celu między wejście L1 i N należy podać napięcie sieciowe i podłączyć do niego również wzorcowy multimetr. Należy zachować szczególna ostrożność z uwagi na brak izolacji galwanicznej układu z siecią. Najlepiej posłużyć się transformatorem separacyjnym. Po przyłączeniu napięcia pomiarowego w górnym wierszu wyświetlacza powinien pojawić się wynik. Jeśli tak nie jest, należy prześledzić tor pomiarowy. Na rezystorze R16 jest taka sama wartość napięcia jak napięcie mierzone, ale w mV. Na kondensatorze C9 znajduje się wyprostowane napięcie pomiarowe (w mV), a następnie na wyprowadzeniu 14 wzmacniacza pomiarowego IC5 powinno to napięcie mieć wartość około 10 razy większą.

Wartość zmierzonego napięcia należy porównać ze wskazaniem wzorcowego multimetru i w razie potrzeby skorygować wartością rezystancji R6. Można w miejsce R6 wlutować helitrim i precyzyjnie ustalić wartość rezystancji R6. Należy pamiętać, że lutować można tylko przy odłączonym napięciu pomiarowym! Grot lutownicy zazwyczaj jest uziemiony.

Analogiczną kalibrację należy dokonać w pozostałych torach pomiarowych. Podając napięcie pomiarowe między zaciski L2 i N regulację dokonuje się wartością R9 i następnie wpinając napięcie pomiarowe między zaciski L3 i N kalibruje się wskazanie wartością rezystancji R12.

Grzegorz Mazur

Artykuł ukazał się w
Elektronika Praktyczna
październik 2017
DO POBRANIA
Pobierz PDF Download icon
Elektronika Praktyczna Plus lipiec - grudzień 2012

Elektronika Praktyczna Plus

Monograficzne wydania specjalne

Elektronik listopad 2025

Elektronik

Magazyn elektroniki profesjonalnej

Raspberry Pi 2015

Raspberry Pi

Wykorzystaj wszystkie możliwości wyjątkowego minikomputera

Świat Radio listopad - grudzień 2025

Świat Radio

Magazyn krótkofalowców i amatorów CB

Automatyka, Podzespoły, Aplikacje listopad - grudzień 2025

Automatyka, Podzespoły, Aplikacje

Technika i rynek systemów automatyki

Elektronika Praktyczna listopad 2025

Elektronika Praktyczna

Międzynarodowy magazyn elektroników konstruktorów

Elektronika dla Wszystkich grudzień 2025

Elektronika dla Wszystkich

Interesująca elektronika dla pasjonatów