Przedwzmacniacz audio

Przedwzmacniacz audio
Pobierz PDF Download icon
Zbudowanie przedwzmacniacza audio dobrej klasy stanowi nie lada problem. Zastosowany przez mnie specjalizowany układ scalony TDA7313 zawiera selektor wejść oraz regulator siły i barwy dźwięku. Układ może posłużyć jako moduł samodzielnie konstruowanego lub modernizowanego wzmacniacza audio.


Przedwzmacniacz składa się z wyświetlacza, mikrokontrolera oraz niewielu elementów. Sterowanie odbywa się za pomocą 5-przyciskowej klawiatury – funkcje menu pokazano na rysunku 1.

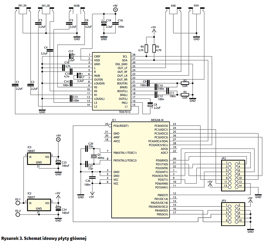
Fizycznie, przedwzmacniacz jest złożony z dwóch modułów funkcjonalnych: interfejsu użytkownika oraz regulatora. Ich schematy ideowe pokazano na rysunkach 2 i 3. Sterowaniem i obsługą menu użytkownika zajmuje się mikrokontroler ATmega8. Jest on taktowany za pomocą zewnętrznego rezonatora o częstotliwości 4 MHz.

Układ TDA7313 to procesor audio, który jest znany i używany od ponad dziesięciu lat. Charakteryzuje się nieskomplikowaną aplikacją, funkcjonalnością i dobrymi parametrami użytkowymi (małe zniekształcenia, niski poziom szumów, szeroki zakres regulacji). Chip jest oparty na technologii CMOS i może być używany w różnych zastosowaniach, w tym sprzęcie car audio, wzmacniaczach Hi-Fi, mikserach itp. Ma 3 wejścia stereofoniczne i ich selektor umożliwiający wybranie źródła sygnału. Regulacja głośności odbywa się w zakresie –78,75…0 dB (z krokiem 1,25 dB), regulacja tonów wysokich i niskich w zakresie –14…+14 dB. Oprócz tego układ ma też funkcję wyciszania – mute. Układ procesora dźwięku jest sterowany za pomocą interfejsu I2C.

Na płytce zamontowano 2 stabilizatory napięcia: LM78705 służy do zasilania mikrokontrolera i wyświetlacza, natomiast LM7809 do zasilania układu procesora dźwięku TDA7313.

Schematy montażowe płytek wyświetlacza i regulatora pokazano na rysunkach 4 i 5. Do wykonania połaczeń pomiędzy płytkami należy użyć złącza IDC14 oraz taśmy przewodów. Z mikrokontrolerem zamontowano gniazdo programatora ISP, co umożliwia łatwe modyfikowanie aplikacji sterującej. 

Montaż należy rozpocząć od wlutowania złącza ARK, dwóch stabilizatorów oraz kondensatorów filtrujących. Teraz należy włączyć zasilanie i skontrolować poprawność napięcia zasilającego mikrokontroler ATmega8, wyświetlacz oraz procesor dźwięku TDA7313. W pierwszym wypadku powinno ono wynosić +5 V, a w drugim +9 V. Gdy wszystko mamy sprawdzone, możemy wlutować mikrokontroler ATmega oraz układ TDA. Kolejnym krokiem jest przylutowanie reszty elementów oraz zaprogramowanie mikrokontrolera. Bity konfiguracyjne należy ustawić zgodnie z rysunkiem 6.

Przedwzmacniacz należy zasilić napięciem 12 V DC. Poprawnie zmontowany powinien działać po włączeniu zasilania. Impedancja wyjścia wynosi ok. 2 kV, więc nie należy do niego dołączać słuchawek, bo układ nie zadziała. Do wyjścia należy dołączyć wejście wzmacniacza mocy audio. 

Adrian Wypenda

 

 

Artykuł ukazał się w
Elektronika Praktyczna
marzec 2017
DO POBRANIA
Pobierz PDF Download icon
Elektronika Praktyczna Plus lipiec - grudzień 2012

Elektronika Praktyczna Plus

Monograficzne wydania specjalne

Elektronik listopad 2025

Elektronik

Magazyn elektroniki profesjonalnej

Raspberry Pi 2015

Raspberry Pi

Wykorzystaj wszystkie możliwości wyjątkowego minikomputera

Świat Radio listopad - grudzień 2025

Świat Radio

Magazyn krótkofalowców i amatorów CB

Automatyka, Podzespoły, Aplikacje listopad - grudzień 2025

Automatyka, Podzespoły, Aplikacje

Technika i rynek systemów automatyki

Elektronika Praktyczna listopad 2025

Elektronika Praktyczna

Międzynarodowy magazyn elektroników konstruktorów

Elektronika dla Wszystkich grudzień 2025

Elektronika dla Wszystkich

Interesująca elektronika dla pasjonatów