Zasilacz anodowy

Zasilacz anodowy
Pobierz PDF Download icon

Współcześnie konstruowanie zasilacza laboratoryjnego jest przedsięwzięciem zupełnie nieuzasadnionym ekonomicznie chyba, że ma on być produkowany w tysiącach egzemplarzy. Jednak oprócz chęci bogacenia się, źródłem ludzkiego działania są również różnorakie pasje i żądze stanowiące formę rozładowania gromadzących się pozytywnych lub negatywnych emocji. Zatem chcąc zaspokajać indywidualną potrzebę konstruowania urządzeń lampowych, trzeba mieć zasilacz anodowy, a ten łatwiej jest wykonać samodzielnie, niż kupić i/lub wyremontować.

Przystępując do projektu w pierwszym rzędzie trzeba określić jego założenia, czyli sposób i/lub materiały użyte do jego realizacji oraz parametry budowanego urządzenia. Jeśli zdecydujemy się na konstrukcję lampową i będziemy chcieli, aby wydajność zasilacza przekraczała 300 mA, to pierwsze problemy pojawiają się już przy wyborze diody (w zasadzie duodiody) prostowniczej.

Popularne lampy 5U4 lub GZ34 (5AR4) [1, 2] mają zbyt małą wydajność katody, aby sprostać poczynionym założeniom, a zastosowanie ich pary wymagałoby kuriozalnie dużej mocy (19...30 W) przeznaczonej na ich żarzenie. Poza tym, duodiody prostownicze wymagają indywidualnego obwodu żarzenia, ponieważ ich katody są silnie spolaryzowane dodatnio w stosunku do ujemnej masy zasilanych układów, a to stanowi istotne ograniczenie w wyborze dostępnych transformatorów.

W układzie lampowego, szeregowego stabilizatora [3] nie występują trudne do zdobycia elementy, gdyż jako pentodę, na której jest regulowany spadek napięcia, można użyć lamp stosowanych w układach odchylania telewizorów kolorowych CRT, np. EL509 [4] lub bardziej popularną 6Π45C [5]. Niestety, również i te lampy wymagają indywidualnego obwodu żarzenia konsumując, odpowiednio: 12,6 i 15,8 W.

Reasumując - regulowany, lampowy zasilacz 330 V/300 mA (100 W) będzie zużywał "na własne potrzeby" 34...48 W i nawet, jeśli będzie źródłem takiej samej energii dostępnej do żarzenia zewnętrznego układu, to i tak 20...25% pozostanie "nieprzydatne" z punktu widzenia jego użytkownika. Ponadto, zastosowany transformator będzie musiał być wyposażony w aż cztery uzwojenia wtórne: uzwojenie anodowe i trzy uzwojenia żarzenia. A przecież podczas uruchamiania urządzeń lampowych zasilacz powinien być w stanie dostarczyć jeszcze co najmniej ujemnego napięcia do ustawiania punktów

Opisy układów

Zasilacz wysokiego napięcia

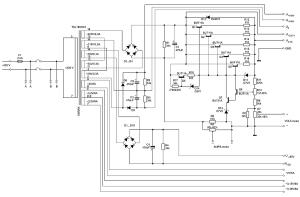
Rysunek 1. Schemat części wysokonapięciowej zasilacza

Konstrukcja tego fragmentu zasilacza jest ściśle związana z dostępnością możliwie najbardziej uniwersalnych transformatorów o wystarczająco dużej mocy. Wydaje się, że jednym z najlepszych jest TSL180/001 mający dość dużą liczbę uzwojeń wtórnych mających ten sam prąd znamionowy (300 mA), co umożliwia ich szeregowe łączenie, a przez to dobór pożądanego napięcia wyjściowego.

W prezentowanym układzie (rysunek 1) uzwojenia wtórne połączono w taki sposób, aby uzyskać napięcia zmienne 235 V (uzwojenia 205 i 30 V) oraz 135 V (uzwojenia 115 i 20 V), 70 V, 6,3 V i 2 V. Pierwsze i trzecie napięcie, wyprostowano za pomocą mostka Graetza, a drugie z nich w układzie podwajacza napięcia. Do budowy każdego z nich zastosowano diody prostownicze 1N5408 (D1...D10). Do filtrowania napięcia użyto kondensatorów 470 µF/400 V (C1...C4).

Równolegle z każdym z kondensatorów zamontowano po dwa rezystory 68 kΩ/2 W jako tzw. "bleedery" służące do rozładowania pojemności po wyłączeniu napięcia zasilania. Ich rolę docenia się dopiero podczas sukcesywnego montażu i uruchamiania urządzeń lampowych, aczkolwiek nawet przy takiej ich oporności czas rozładowania do napięcia bezpiecznego trwa parę minut.

Rysunek 2. Płytka prostowników i filtrów wysokich napięć

Układy prostowania i filtrowania wysokiego napięcia zmontowano na stosunkowo dużej płytce 160 mm×100 mm (rysunek 2). Należy zaznaczyć, że każdy z układów dla każdego z napięć nie jest w jakikolwiek sposób połączony elektrycznie z pozostałymi.

Stabilizowanie wysokiego napięcia odbywa się z udziałem dość typowego stabilizatora szeregowego zbudowanego na tranzystorach BUT11A (Q1...Q5) zabezpieczonego przed przeciążeniem parami równolegle połączonych rezystorów 220 V (R12...R16) i 7,5-woltową diodą Zenera (D11). Tranzystory zabezpieczone są diodą prostowniczą (D12) przed "cofnięciem się" napięcia, z pojemności zawartych w przyłączonym, zewnętrznym układzie wywołanego wyłączeniem zasilacza. Wzmacniacz błędu jest zbudowany na dwóch tranzystorach BUT11A w układzie Darlingtona (Q7...Q8), a napięcie odniesienia wytwarza 7,5-woltowa dioda Zenera (D13).

Jedynym nietypowym układem jest źródło prądowe zbudowane na tranzystorze Q6, rezystorach R17 i R18 oraz diodzie Zenera D14. Jego zadaniem jest ograniczanie prądu płynącego przez tranzystory Q1...Q5 oraz Q7. W tym miejscu w układach niskonapięciowych zwykle jest stosowany rezystor, aczkolwiek ze względu na ograniczenie mocy, która byłaby w nim tracona został on zastąpiony źródłem prądowym.

Rysunek 3. Płytka stabilizatora - regulatora wysokiego napięcia

Układ stabilizatora - regulatora wysokiego napięcia zmontowano na płytce o wymiarach 112 mm×32 mm bezpośrednio przykręconej do radiatora za pomocą tranzystorów Q1...Q6 (rysunek 3). Użycie aż pięciu połączonych równolegle tranzystorów wykonawczych (Q1...Q5) pozwala na utrzymanie stosunkowo niskiej ich temperatury "dzieląc" rozpraszaną moc.

Jednak ze względu na maksymalną wartość wytracanej mocy (do 100 W) zastosowano do ich chłodzenia dość duży radiator - 10-centymetrowy A4291. Jak przewidziano na płytce drukowanej, tranzystor Q7 może mieć własny radiator, ale korzystniej jest przykręcić go do dużego radiatora, a przewodami dołączyć jego wyprowadzenia do obwodu drukowanego. Moc wydzielana w tym tranzystorze może przekraczać 6 W.

Warto zauważyć, że dopiero na płytce stabilizatora wysokiego napięcia pojawia się punkt, jaki utożsamia się z masą układu. Tak anodowyprzyjęte rozwiązanie pozwala na "zgrabne" wprowadzenie układu pomiaru natężenia pobieranego z niego prądu.

Z ową masą układu jest połączony ujemny biegun wyjścia zasilacza z regulowanym napięciem anodowym oraz za pośrednictwem rezystora 1,5 Ω (R6) ujemny biegun poprzedzającego go układu prostowania napięcia poddawanego stabilizacji. W efekcie amperomierz mierzy sumę natężeń prądów czerpanych z układów sprzed i po stabilizacji napięcia - zaciski AMPS-meter. Takie rozwiązanie pozwala na wizualną kontrolę maksymalnego prądu pobieranego z uzwojenia ~235 V, a po wyprostowaniu około =330 V.

Pozostałe układy prostowania napięć ~135 V (po wyprostowaniu ±188 V) i ~70 V (po wyprostowaniu =95 V) nie są w jakikolwiek sposób połączone z masą zasilacza. Zatem mogą być one łączone z nią w dowolny sposób stanowiąc "ujemne napięcie" (tzw. "minus") dla ustawiania punktów pracy lamp w stopniach mocy lub zasilanie symetryczne względem masy albo mogą być łączone szeregowo z biegunem +330 V lub wyjściem napięcia stabilizowanego.

Takie rozwiązanie pozwala na bardzo "elastyczne" wykorzystanie prezentowanego zasilacza, a jedynym ograniczeniem jest możliwość przebicia izolacji między uzwojeniami transformatorów o miernej jakości. Należy zaznaczyć, że przy tego rodzaju połączeniach trudno jest mówić o stabilizowaniu tak wytworzonego napięcia, aczkolwiek wciąż realne jest jego regulowanie.

W prezentowanym układzie również napięcia żarzenia lamp nie są w jakikolwiek sposób połączone z masą zasilacza, zatem można je pozostawić niepodłączone lub dowolnie łączyć z wybranymi biegunami w uruchamianym układzie. Cóż, owa dowolność jest ograniczona jedynie napięciem stałym, które może występować pomiędzy żarnikiem i katodą stosowanych lamp. "Środek" napięcia żarzenia ~6,3 V może być łączony z masą lub innym wybranym potencjałem w celu redukcji przydźwięku ("brum’u") spowodowanego sprzężeniami występującymi podczas zmiennoprądowego grzania katod.

Zasilacz niskiego napięcia

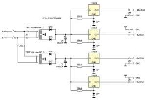
Rysunek 4. Schemat stałoprądowych zasilaczy napięcia żarzenia - zasilaczy niskiego napięcia

Skutkiem wielkości transformatorów stosowanych w układach lampowych, zasilacze anodowe muszą być montowane w nieco "głębszych" obudowach. Chcąc zmieścić na płycie czołowej wszystko to co powinno być ergonomicznie na niej zamontowane i starając się zachować estetyczno-racjonalne proporcje geometryczne dość trudno jest "wypełnić elektroniką" całą objętość pudełka. Zatem niejako "przy okazji" można w tej samej obudowie zmieścić to co dla niegdysiejszych układów lampowych stanowiło nieosiągalny luksus.

Tą ekstrawagancją mogą być stałoprądowe źródła napięcia żarzenia. Jednak ze względu na konieczność zastosowania w nich elementów półprzewodnikowych ich używanie musi wiązać się z pewnymi ograniczeniami.

Do tego celu najlepiej nadają się monolityczne stabilizatory produkowane dla bardzo szerokiego spektrum napięć wyjściowych. Trudno jednak wymagać, aby były one wytwarzane dla każdego pożądanego napięcia i dlatego układ, w którym będą pracowały, powinien dawać możliwość "dostrojenia" w niewielkim zakresie ich napięcia wyjściowego. Schemat stałoprądowych zasilaczy żarzenia pokazano na rysunku 4.

Niestety, transformatory przeznaczone do zasilania urządzeń lampowych zwykle nie mają uzwojeń dających dogodne napięcie dla takich zasilaczy i wtedy koniecznym jest "dołożenie" do urządzenia małych transformatorów. W prezentowanym układzie znalazły się dwa 20-watowe transformatory przystosowane do montażu na płytkach drukowanych dające nominalnie 12 i 7,5 V.

Napięcia te są prostowane za pomocą diod D15...D18, filtrowane przy użyciu dość dużych kondensatorów C5...C6 i podane na wejścia monolitycznych stabilizatorów. "Dostrojenia" ich napięć wyjściowych dokonuje się za pomocą diod D** dołączonych do wspólnej elektrody i wymuszając dodatkowy przepływ prądu przez te diody, limitowany rezystorami Rdob. Wielkość natężenia tego prądu należy dobrać do charakterystyk napięciowo - prądowych stosowanych diod Schottky’ego lub prostowniczych.

Rysunek 5. Płytka zasilacza niskich napięć

Zwykle są to natężenia prądu leżące w zakresie od kilku do kilkudziesięciu miliamperów. Warto dodać, że diody Schottky pozwalają na podwyższenie napięcia wyjściowego w zakresie 0,25...0,6 V, a diody prostownicze w przedziale od 0,65 do prawie 1 V. Zauważalnym ograniczeniem pokazanych stałoprądowych źródeł napięcia żarzenia jest to, że jeden z ich biegunów musi być dołączony do masy. W przeciwnym wypadku znaczne różnice napięć, jakie mogą występować pomiędzy katodą i żarzeniem (szczególnie w lampowych wzmacniaczach mocy) mogą być przyczyną uszkodzenia stabilizatorów monolitycznych.

Dość istotnym jest to, że według danych katalogowych napięcie żarzenia lamp może wahać się w dość szerokim zakresie. Zatem mniej ortodoksyjni konstruktorzy mogą pominąć montaż rezystorów Rdob, a w miejsce diod wlutować zwory (0 V). Płytkę zasilacza niskich napięć pokazano na rysunku 5.

Płytki zasilacza niskich i prostowników wysokich napięć mają te same wymiary i jednakowy rozstaw otworów mocujących. Zatem przy zastosowaniu wsporników mogą być one zamontowane jedna nad drugą. Ich wzajemna odległość jest bardziej uzależniona od wielkości radiatorów stosowanych do chłodzenia monolitycznych stabilizatorów niż od wielkości napięć występujących na płytce prostowników wysokiego napięcia, aczkolwiek daleko idąca "miniaturyzacja" nie jest wskazana.

Układ do pomiaru napięcia i natężenia prądu regulowanego zasilacza wysokiego napięcia

Rysunek 6. Schemat układu pomiarowego regulowanego napięcia i natężenia prądu czerpanego z tego źródła

Chcąc mieć zasilacz wizualnie pasujący do stylu lat 50-tych XX w. wypadałoby wyposażyć go w mierniki wskazówkowe - jeden do pomiaru regulowanego napięcia, a drugi do pomiaru poboru prądu anodowego. Problem jednak w tym, że zdobycie dwóch niewielkich "ustrojów" z tamtych lat i dodatkowo wyglądających podobnie jest dość trudne.

Można byłoby zastosować mierniki, które w latach 70-tych XX w. były montowane w magnetofonach Unitry ZK-140 lub ZK-240 albo w odbiornikach radiowych np. Amator Stereo, ale mają one charakterystykę zbliżoną do logarytmicznej, a to oznaczałoby, w pewnych zakresach, trudności z odczytami napięć lub prądów. Jednak nawet po zdobyciu mierników trzeba byłoby odtworzyć ówcześnie stosowane techniki kreślarskie, by "narysować" ich skale.

Poniekąd z lenistwa przesunąłem "wiek" urządzeń pomiarowych w lata 80-te XX w. i wyposażyłem zasilacz anodowy w dwa woltomierze zbudowane na "długowiecznych" układach ICL7106 z wyświetlaczami LCD 3,5 cyfry. Niestety, układy te mają pewną dość istotną wadę, a mianowicie ich ujemny biegun zasilania nie może pokrywać się z masą zasilacza anodowego. W efekcie koniecznym było zrobienie jeszcze jednego zasilacza 9 V przeznaczonego jedynie do układu pomiarowego. Schemat tego układu pomiarowego pokazano na rysunku 6, a widoki płytek drukowanych na rysunku 7 i rysunku 8.

Rysunek 7. Widok płytki woltomierzy

Układy woltomierzy zbudowane są prawie dokładnie w zgodzie ze schematem podanym przez Zbigniewa Raabego w 1997 roku [6]. Tyle tylko, że na płytce znajdują się dwa niezależne woltomierze zasilane z niezależnych źródeł. Słowo "prawie" odnosi się do zamontowania w układzie złącza IDC8 do przełączania "zapalonej" kropki dziesiętnej oraz podświetlania wyświetlacza LCD białymi diodami LED.

Natężenie prądu (10 mA) płynącego przez każdą z podświetlających diod limitowano rezystorami 680 V). Aktualnie "świecącą się" kropkę dziesiętną przełącza się zwierając ze sobą piny o kolejnych numerach w złączach J20 i J21.

Zasilacz woltomierzy zbudowano w oparciu o mały czterowatowy transformator TEZ4.0/D230/12-12, prostownik w układzie mostkowym na diodach Schottky (D19...D26), filtr na dwóch kondensatorach 2200 mF/16 V (C8-C9) i dwa monolityczne stabilizatory KIA78L09.

Uruchomienie zasilacza

Rysunek 8. Widok płytki zasilacza urządzeń pomiarowych

Układ elektroniczny zasilacza jest na tyle prosty, że po prawidłowym zmontowaniu każda z płytek drukowanych powinna od razu pracować poprawnie. Warto jednak uruchamiać je kolejno, aby systematycznie kontrolować ich działanie. Po przyłączeniu płytki z rys. 3, nie zapominając o dołączeniu potencjometru R10 od razu można zacząć cieszyć się regulacją napięcia od około 20 do 290 V.

"Ustawiając" napięcia wyjściowe w zasilaczu niskiego napięcia (rys. 4 i 5) poprzez dobieranie wartości rezystorów Rdob do charakterystyki diod D** trzeba liczyć się z tym, że napięcie wyjściowe z zasilacza będzie zmieniać się nieco ze zmianami czerpanego prądu. Zjawisko to ma przyczyny dwojakiego rodzaju.

Z jednej strony wraz ze wzrostem czerpanego prądu rośnie nieco prąd płynący pomiędzy wspólną elektrodą i masą, z drugiej zaś to wzrost poboru prądu nieco "obniża" napięcie wejściowe monolitycznego zasilacza, a to powoduje zmniejszenie prądu płynącego przez rezystor Rdob. Praktycznie rzecz biorąc to tylko od charakterystyki prądowo-napięciowej użytej diody będzie zależeć wielkość wahań napięcia wyjściowego. Zwykle kształtuje się ona na poziomie kilkunastu do kilkudziesięciu miliwoltów.

Kalibrowanie obu woltomierzy można wykonać zgodnie z procedurą opisaną w publikacji [6] polegającą na "ustawieniu" napięcia 100 mV pomiędzy wyprowadzeniami 35 i 36 układów ICL7106 za pomocą potencjometrów montażowych R19 i R26. Metoda jest pewna i w pełni skuteczna. Można jednak "pójść na skróty" dołączając kolejno do wejścia każdego woltomierza napięcie w zakresie 0-199 mV pochodzące z dowolnego źródła napięcia stałego i dostroić za pomocą potencjometrów montażowych R19 i R26 wskaz pokazywany na wyświetlaczu LCD do identycznej wartości.

Z oczywistych względów dokładność pomiarów będzie tym lepsza im podane napięcie będzie bliższe wartości 199 mV. Po wykalibrowaniu woltomierzy należy przyłączyć je do wyjść pomiarowych VOLTmeter i AMPS-meter usytuowanych na płytce z Rys. 3 i za pomocą znajdujących się na niej potencjometrów montażowych R6 i R7 "dostroić" pokazywane napięcie i natężenie do wartości mierzonych na wyjściu stabilizowanego napięcia anodowego z zasilacza.

Wykaz elementów

Rezystory:
R6: 1Ω5
R12...R16: 110 Ω, (2×220 Ω)
R18: 300 Ω
R: 680 Ω (SMD 1206), 4 szt.
RLED: 910 Ω (1 szt. do ograniczenia prądu zielonej diody LED)
R8: 1,5 kΩ
R21, R28: 10 kΩ
R20, R27: 24 kΩ (SMD 1206)
R1...R4, R17: 34 kΩ (2×68 kΩ/2 W)
R9: 36 kΩ
R22, R29: 47 kΩ (SMD 1206)
R18, R23, R25, R30: 100 kΩ (SMD 1206)
R11: 220 kΩ
R24, R31: 1 MΩ (SDM 1206)
R19, R26: 10 kΩ (potencjometr montażowy)
R5, R7: 20 kΩ (potencjometr montażowy)
R10: 1 MΩ (potencjometr obrotowy o charakterystyce wykładniczej lub logarytmicznej)

Kondensatory:
C11, C17: 100 pF (SMD 1206)
C15, C21: 10 nF (SMD 1206)
C9, C10, C12, C18: 100 nF (SMD 1206)
C14, C20: 220 nF (SDM 1206)
C13, C19: 470 nF (SMD 1206)
C16, C22: 47 µF/10 V (SMD "C")
C1...C4: 470 µF/400 V
C7, C8: 2200 µF/25 V
C5, C6: 6800 µF/25 V

Półprzewodniki:
D12: 1N4007
D1...D10, D15...D18: 1N5408
D19...D26: 1N5818
Q9...Q10: BC846B
Q1...Q8: BUT11A
D14: BZX85-C5V1
D11, D13: BZX85-C7V5
DIODA LED O5 mm ZIELONA,
HL-PC-3218H238W, 1206, 4 szt., LED,
ICL7106, 2 szt.,
KIA78S06, 1 szt.,
KIA78S09, 1 szt.,
L78S05, 1 szt.,
L78S12, 1 szt.,
TS78L09CT, 2 szt.,

Inne:
Transformator TEZ4.0/D230//12-12, 1 szt.,
Transformator TSL180/001, 1 szt.,
Transformator TSZZ20/006M/2X12, 1 szt.,
Transformator TSZZ20/016M/2X7.5, 1 szt.,
Gniazdo bezpieczne 4 mm, przyłącze M4 36A czarne, 3 szt.
Gniazdo bezpieczne 4 mm, przyłącze M4 36A czerwone, 3 szt.
Gniazdo bezpieczne 4 mm, przyłącze M4 36A fioletowe, 3 szt.
Gniazdo bezpieczne 4 mm, przyłącze M4 36A niebieskie, 3 szt.
Gniazdo bezpieczne 4 mm, przyłącze M4 36A zielone, 3 szt.
Gniazdo bezpieczne 4 mm, przyłącze M4 36A żółte, 3 szt.
Gniazdo bezpiecznikowe do bezpieczników 5×20 mm, 1 szt.,
LCD3.5. 2 szt.,
Łączówka LE-2, 12 szt. J1-J5, J7-J15
Łączówka LE-3, 1 szt., J6,
Obudowa Z-39, 1 szt.,
Oprawka LED 5mm SMZ1089, 1 szt.,
Podstawka DIP-40, 4 szt.,
Przełącznik DPDT, 2 szt.,
Radiator A4291=10 cm, 1 szt.,
Radiator DY-CM=25 mm, 5 szt. (lub 4 szt. gdy Q7 jest zamontowany na dużym radiatorze),
Złącze IDC-10. 2 szt.. J20-J21,
Złącze SIP-2, 8 szt., VOLT-meter, AMPS-meter, J16-J19, J22-J23,
Złącze SIP-3, 1 szt., do R10

Uwagi końcowe

Nie ma układów elektronicznych, które działałyby perfekcyjnie w każdych wymarzonych warunkach. Opisując je, chcąc nie chcąc, trzeba też opisać realne ich ograniczenia, ich przyczyny i ewentualne drogi modyfikacji, które można wprowadzić dostosowując je do własnych potrzeb.

Prezentowany układ stabilizacji napięcia anodowego został zaprojektowany głównie pod kątem minimalizowania strat energetycznych, jakie występują podczas jego pracy w bardzo szerokim zakresie napięć wyjściowych. Z tego też powodu znalazło się w nim źródło prądowe (Q6, R17, R18, D14), którego zadaniem jest ograniczenie prądu płynącego we wzmacniaczu błędu (Q7, Q8).

Zamiast niego, w tradycyjnych układach, znajduje się rezystor, na którym wytracana jest stosunkowo duża moc szczególnie podczas pracy stabilizatora przy niskich wartościach napięcia wyjściowego. Ta energetyczna korzyść okupiona jest tym, że bez obciążenia zasilacza, liniowym potencjometrem R10, można płynnie regulować napięcie wyjściowe w zakresie 20 - 220 V, ale dla wyższych napięć ustawienie napięcia zasilania jest bardzo mozolne.

Jest to spowodowane zbyt silnymi zmianami napięcia wraz ze zmianą kąta obrotu gałki. Problem ten byłby satysfakcjonująco rozwiązany poprzez zastosowanie potencjometru z charakterystyką wykładniczą. Niestety w obecnych czasach zdobycie takiego elementu jest bardzo trudne i chcąc nie chcąc koniecznym jest posłużenie się "półśrodkami", a konkretnie zastosowaniem potencjometru o charakterystyce logarytmicznej. Jest to okupione "odwróceniem" zwyczajowo przyjętego kierunku zmian odpowiedzi układu na obrót gałki tzn. wzrostem napięcia wyjściowego z zasilacza podczas jej obrotu w "lewą stronę".

W miarę zmniejszania szerokości zakresu regulacji napięcia wyjściowego (zmniejszenie wartości potencjometru R10 i zwiększenie wartości rezystora R11) charakterystyka użytego potencjometru traci na znaczeniu. Ponadto źródło prądowe (Q6, R18, D14) może być zastąpione odpowiednim rezystorem.

Warto zauważyć, że oba woltomierze pracują w dolnej części i w mniej więcej 1/6 swojego zakresu pracy. Zatem, skutkiem nieliniowości przetwarzania napięcie/wskaz (częstotliwość), ich błąd pomiarowy będzie większy niż ten podawany w danych technicznych ICL7106 i odniesiony do pełnego zakresu pracy. Jednak z empirycznej oceny opartej na eksperymentach z czterema takimi układami można stwierdzić, że błąd pomiarowy (odniesiony do pełnego mierzonego zakresu) nie będzie większy od 3,5%. Wynik ten jest porównywalny do błędu popełnianego przez stosowane przed laty "wskazówkowe ustroje" elektromagnetyczne.

Trzecim zauważalnym problemem jest to, że czerpane z zasilacza natężenie prądu jest zawsze nieznacznie większe od zera i "pływa" w czasie o ±1 mA (0,1 mV mierzonego napięcia AMPs-meter). Efekt ten jest spowodowany tym, że układ amperomierza mierzy również natężenie prądu wykorzystywane "na potrzeby własne" przez układ stabilizatora. Owszem, możliwym jest "przeniesienie" pomiaru natężenia prądu na rzeczywiste wyjście z zasilacza, jednak taka operacja, o kilkaset miliwoltów, pogorszy efekt stabilizacji napięcia wyjściowego.

Czwarty problem ma charakter estetyczno-emocjonalny. Ma on związek z powierzchniowo-jednorodnym oświetleniem wyświetlaczy LCD wyświetlających napięcie wyjściowe i natężenie prądu czerpane z zasilacza. Przede wszystkim chodzi o takie rozproszenie światła, pochodzące od źródeł punktowych (diody LED), aby cała powierzchnia wyświetlacza była jednorodnie oświetlona. Zagadnienie to można rozwiązać stosując odpowiednio skonstruowane matówki albo używając materiałów dostępnych w każdym domu. Najprostszym rozwiązaniem jest dobranie i "podklejeniem" od spodu wyświetlaczy LCD fragmentami zwykłych kartek papieru.

Jacek A. Michalski SP5IMO & WX3V
Jacek.Michalski@wszkipz.pl

Bibliografia
1. http://goo.gl/aRXlBm
2. http://goo.gl/B8IHpd
3. http://goo.gl/OJJzN1
4. http://goo.gl/viJdV2
5. http://goo.gl/tRrO3N
6. Zbigniew Raabe, Najmniejszy moduł miliwoltomierza na LCD. Młody Technik, (3), 52-54, 1997.

Artykuł ukazał się w
Elektronika Praktyczna
czerwiec 2015
DO POBRANIA
Pobierz PDF Download icon
Materiały dodatkowe
Elektronika Praktyczna Plus lipiec - grudzień 2012

Elektronika Praktyczna Plus

Monograficzne wydania specjalne

Elektronik listopad 2025

Elektronik

Magazyn elektroniki profesjonalnej

Raspberry Pi 2015

Raspberry Pi

Wykorzystaj wszystkie możliwości wyjątkowego minikomputera

Świat Radio listopad - grudzień 2025

Świat Radio

Magazyn krótkofalowców i amatorów CB

Automatyka, Podzespoły, Aplikacje listopad - grudzień 2025

Automatyka, Podzespoły, Aplikacje

Technika i rynek systemów automatyki

Elektronika Praktyczna listopad 2025

Elektronika Praktyczna

Międzynarodowy magazyn elektroników konstruktorów

Elektronika dla Wszystkich grudzień 2025

Elektronika dla Wszystkich

Interesująca elektronika dla pasjonatów