Ładowarka impulsowa akumulatorów ołowiowych

Ładowarka impulsowa akumulatorów ołowiowych
Pobierz PDF Download icon
W sprzedaży można znaleźć wiele ładowarek akumulatorów, lecz większość z nich bazuje na transformatorze sieciowym zbudowany z żelaznych blach. Wymiary i ciężar takich urządzeń o wydajnościach prądowych przekraczających 4 A są dużo większe, niż ich odpowiedników pracujących przy większych częstotliwościach zbudowanych przy użyciu transformatorów na rdzeniach ferrytowych. Ładowarka, którą zbudowałem mieści się w obudowie KM 56 o wymiarach 114 mm×87 mm×51 mm, co pozwala na umieszczenie takiej ładowarki w schowku samochodowym.

Ładowarka jest przeznaczona do przyspieszonego ładowania akumulatora, gdy zajdzie taka potrzeba, ponieważ prąd ładowania można regulować za pomocą potencjometru, gdy jego natężenie zacznie się zmniejszać, aby dzięki temu szybciej naładować akumulator (np. w 4 godziny). Możliwość regulowania prądu pozwala na około dwukrotnie szybsze naładowanie akumulatora w porównaniu z ładowarką bez takiej regulacji, w której prąd stale spada podczas ładowania.

Maksymalny prąd ładowarki wynosi około 8 A i został osiągnięty bez konieczności stosowania radiatorów. Zamiast nich został użyty wydajny wentylator firmy Sunon o wymiarach 50 mm×50 mm×15 mm typu ME50151V1-A99. Urządzenie można obciążyć większym prądem, jeżeli użyjemy rdzeń transformatora o większym przekroju oraz umieścimy diody i tranzystory na radiatorach.

Zasada działania

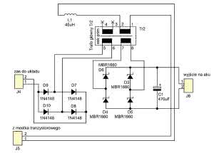
Rysunek 1. Schemat ideowy impulsowej ładowarki akumulatorów Pb

Schemat ideowy ładowarki pokazano na rysunku 1 (kontroler) i rysunku 2 (płytka transformatora). Podstawą układu jest sterownik SG2525 (3525), który jest wykorzystany w tym wypadku do wytworzenia przebiegu prostokątnego podawanego na transformator sterujący tranzystorami kluczującymi przebieg napięcia na transformatorze głównym Tr2. Dodatkowo, układ SG spełnia funkcję regulatora napięcia poprzez regulację współczynnika wypełnienia impulsów podawanych na tranzystory oraz ogranicza prąd do wartości ustalonej za pomocą rezystora R12.

Po włączeniu układu prąd płynąc poprzez bezpieczniki F1 i F2, następnie mostek prostowniczy Br1 ładuje kondensatory C2 i C3, z których napięcie poprzez rezystory R1 i R2 ładuje powoli kondensator C4. Komparator z histerezą wykonany w oparciu o układ U3A porównuje napięcie na kondensatorze C4 z tym na diodzie Zenera D2. Gdy napięcie na C4 przekroczy wartość równą , na wyjściu wzmacniacza operacyjnego oraz bramce tranzystora T1 pojawi się jego napięcie zasilania.

Rysunek 2. Schemat płytki Tr2

Tranzystor ten rozładuje kondensator C4 poprzez rezystor R20 ograniczający prąd przewodzony przez T1, ładując tym samym kondensator C6. Napięcie z kondensatora C6 jest podawane na stabilizator napięcia U2, a następnie na układ SG2525. Gdy przekroczy ono 8 V, układ włącza się i zaczyna się ładować kondensator C5 z wewnętrznego źródła prądowego, którego wyjściem jest nóżka 8.

Służy on do ustawienia czasu narastania szerokości impulsów (soft start) od momentu przekroczenia przez napięcie zasilające 8 V - włączenia zasilania. SG2525 zaczyna generować impulsy sterujące. Transformator główny Tr2 wytwarza na uzwojeniu pomocniczym przebieg prostowany poprzez diody D3...D6 i podawany na kondensator C6 zasilający układ w czasie normalnej pracy. Jeżeli napięcie na kondensatorze C6 po wstępnym uruchomieniu generatora SG2525 ładunkiem z C4 będzie podtrzymane zasilaniem z uzwojenia pomocniczego transformatora Tr2, układ zacznie pracować normalnie i generować przebieg prostokątny.

Gdyby układ się nie włączył po pierwszym naładowaniu kondensatora C4 np. z powodu zwarcia wyjścia ładowarki lub zbyt dużego obciążenia, napięcie z C4 obniżające swoją wartość z powodu przewodzenia tranzystora T1 zmieni poziom wyjściowy komparatora U3A na niski przy jego wartości wyznaczonej tym razem przez równanie

tranzystor T1 przestanie przewodzić i cykl ładowania C4 przez rezystory R1, R2 się powtórzy.

Częstotliwość oscylatora SG jest ustawiona za pomocą rezystora R15 i kondensatora C1, i wynosi około 33 kHz. Zwiększając rezystancję i pojemność zmniejszamy częstotliwość. Rezystor R10 służy do ustawiania odstępu między dodatnimi i ujemnymi połówkami prostokąta (martwa strefa).

Jego wartość powinna mieścić się w granicach 0...150 V. Wyjściem przebiegu są nóżki 11 i 14 i poprzez rezystory R8 i R9 ograniczające prąd SG2525 podawany jest on na transformator Tr1 sterujący przez rezystory R16...R18 (kształtujące impuls bramkowy) na tranzystory kluczujące MOSFET T2...T5, które poprzez rezystor R13 zabezpieczający je przed różnymi niespodziankami oraz dławik L1 ograniczający szybkość narastania prądu przez nie płynącego (w razie zwarcia wyjścia, przeciążenia lub uruchamiania) zasilają transformator główny Tr2.

Zadaniem Tr1 jest odizolowanie poszczególnych źródeł tranzystorów, bo ich potencjały są różne oraz zapewnienie takich samych kształtów przebiegów na odpowiednich parach bramek tranzystorów znajdujących się po przekątnej i załączanych na zmianę w zależności od polaryzacji przebiegu sterującego, tak aby na transformatorze Tr2 pojawił się przemienny przebieg prostokątny.

Potencjometr R11 i rezystor R3 służą do regulowania napięcia na nóżce 9 układu SG2525, czyli współczynnika wypełnienia impulsów podawanych na bramki tranzystorów T2...T5, tym samym - również napięcia na wyjściu i prądu ładowania akumulatora. Nóżka 10 służy do skracania czasu trwania połówek prostokąta włączających tranzystory w momencie przekroczenia ustawionej maksymalnej wartości prądu obciążenia. Do tego celu służą elementy rezystory R14, R12 i kondensator C7.

Na kondensator C7 poprzez rezystor R14 jest podawany spadek napięcia z rezystora R12, gdy napięcie to przekroczy na kondensatorze 0,8 V układ SG odcina impuls wyjściowy i teraz kondensator C7 zaczyna się rozładowywać przez rezystory R12 oraz R14, co zajmuje pewien czas określony stałą czasową R12-R14-C7. Od tych wartości zależy czas, po którym generowanie impulsów sterujących zostanie zatrzymane a później wznowione. Od wartości rezystora R12 (zwiększanie zmniejsza prąd) zależy maksymalny prąd wyjściowy układu i dla rezystancji 1,8 Ω wynosi około 8 A.

Wykaz elementów

Płytka kontrolera

Rezystory:
R1, R2: 27 kΩ/1 W
R3: 8,2 kΩ
R4: 4,7 kΩ
R5: 8,2 kΩ
R6, R7: 22 kΩ
R8, R9: 19 Ω
R10: 47 Ω
R11: 5 kΩ (potencjometr)
R12: 1,8 Ω/2 W
R13: 10 Ω/7 W
R14: 10 kΩ
R15: 4,7 kΩ
R16...R20: 10 Ω

Kondensatory:
C1: 4,7 nF
C2, C3: 100 µF/200 V
C4: 1000 µF/25 V
C5: 4,7 µF
C6: 100 µF/25 V
C7: 2,2 nF
C8: 100 nF

Półprzewodniki:
DZ1: 24 V/0,4 W
DZ1: 5V1/0,4 W
Br1: mostek prostowniczy, min. 4 A np. GBS4G-DIO
T1: MOSFET N min 2 A, np. IRFZ 24NPBF
T2...T5: MOSFET N min. 10 A/400 V np. IRF740 PBF
U1: SG 2525 (SG3525)
U2: 7810
U3: LM 358

Inne:
Elementy indukcyjne
Tr1: E20/16/10, WE-1952V - wg opisu
F1, F2: FST 1A
J1...J3: np. DG126-5.0-2P14

Płytka transformatora Tr2
C9: 470 µF/25 V
D3...D6: 1N4148
D7...D10: np. MBR1660 (I min. 8 A)
L1: 45 µH, 41 zw. na żółtym rdzeniu, średnica zewnętrzna 25 mm
Tr2: E32/16/9, WE-1802H wg. opisu
J4...J6: np. DG126-5.0-2P14

Montaż i uruchomienie

Rysunek 3. Widok ścieżek płytki ładowarki od strony miedzi (zrzut ekranu z programu Target 3001! V15)

Układ został wykonany na dwóch płytkach drukowanych, z których płytkę kontrolera wykonałem na laminacie dwustronnym (rysunki 3 i 4), a transformatora głównego Tr2 z układem prostowniczym i kondensatorem wyjściowym na jednostronnym (rysunki 5 i 6). Jeżeli ktoś robi płytkę kontrolera we własnym zakresie, montaż elementów zaczyna od wlutowania przelotek, zworek oznaczonych na płytkach zieloną linią, jedna na płytce z Tr2, dwie na płytce z SG.

Następnie montujemy pozostałe elementy rozpoczynając od elementów najmniejszych w taki sposób, aby np. wlutowane tranzystory nie przeszkadzały przy wlutowywaniu transformatorów Tr1 i Tr2. Pamiętajmy też o obustronnym wlutowaniu końcówek elementów, co będzie wymagało nieco wprawy.

W niektórych elementach być może trzeba będzie wygiąć nieco nóżki, gdyż mogą one zachodzić na inne, lecz zmniejszenie wymiarów urządzenia wynagrodzi nam ten trud. Ci mający profesjonalne płytki z metalizacją otworów będą mieli ułatwione zadanie, niewymagające robienia przelotek oraz lutowania elementów z dwóch stron laminatu.

Rysunek 4. Rozmieszczenie elementów i widok ścieżek od strony elementów (niebieskie) i miedzi (czerwone). Zrzut ekranu z programu Target 3001! V15

Tranzystory kluczujące T2...T5 to MOSFET-N o napięciu UDS co najmniej 400 V oraz minimalnym prądzie drenu 10 A w obudowach o wielkości TO-220 lub większych, jeżeli nie umieszczamy ich na radiatorach. Tranzystor T1 to dowolny MOSFET-N o prądzie drenu rzędu 2 A i odpowiednim rozmieszczeniu wyprowadzeń. Jako diod prostowniczych najlepiej użyć diod Schottky lub innych, szybkich (250 ns lub mniej) o prądzie przewodzenia 8 A lub większym, w obudowie umożliwiającej odprowadzenie dużych ilości ciepła, najlepiej TO-220.

Typowe prostownicze diody krzemowe mają większy spadek napięcia na złączu i w razie ich użycia należy sprawdzić czy nie będą one wymagały radiatora. Można to zrobić termometrem - temperatura obudowy nie powinna przekraczać 120°C) lub metodą uproszczoną nagrzewając układ przy pożądanym prądzie maksymalnym, niezbyt silnie chłodząc go wentylatorem zamontowanym w ładowarce i po minucie odłączyć zasilanie.

Następnie szybko dotknąć diod np. wacikiem zamoczonym w wodzie. Woda może szybko wyparować, ale nie powinien być słyszalny syk. Jeżeli tak jest, procedurę powtarzamy, ale tym razem sprawdzamy po czasie 5 minut. Jeżeli jest słyszalny syk, to oznacza, że prąd jest zbyt duży i należy zamontować diody na radiatorze lub ograniczyć prąd.

Rysunek 5. Widok ścieżek od strony miedzi na płytce Tr2 (zrzut ekranu z programu Target 3001! V15)

Jako L1 zastosowano dławik z zasilacza komputerowego na żółtym rdzeniu o średnicy zewnętrznej 25 mm i 41 zwojach, ale można użyć innego dławika na rdzeniu z żelaza spiekanego o indukcyjności około 45 mH. Transformatory sterujący Tr1 i główny Tr2 są nawinięte na karkasach firmy Weisser, Tr1 - WE-1952V przy wykorzystaniu rdzenia E20/10/6 z materiału 3C90, ale można użyć innego materiału i innych karkasów o podobnych właściwościach np. 3F3.

Uzwojenia wtórne to cztery oddzielne, liczące po 30 zwojów DNE o średnicy 0,3 mm. Uzwojenie pierwotne ma 35 zwojów DNE o średnicy 0,4 mm - nawijamy je na wierzchu. Zwoje należy nawijać starannie jeden przy drugim, dociskając je do siebie w razie potrzeby niezbyt twardym materiałem np. plastikowym śrubokrętem. Wszystkie w tym samym kierunku, zdrapując lakier na końcach nożem, okręcając o kolejne wyprowadzenia karkasu i lutując, poczynając od tej samej strony karkasu zarówno po jednej jak i po drugiej stronie rdzenia (po jednej stronie rdzenia wyprowadzone są uzwojenia dla jednej pary tranzystorów - 4 końcówki, a po drugiej dla drugiej pary znajdującej się po przekątnej mostka - również 4 końcówki).

Rysunek 6. Rozmieszczenie elementów na płytce Tr2 (zrzut ekranu z programu Target 3001! V15)

Na końcu karkasu, po jednej i po drugiej stronie rdzenia, znajdują się po jednej końcówce strony pierwotnej - pozostałe dwa wyprowadzenia karkasu. Uzwojenia powinny być odizolowane od siebie cienkim materiałem izolacyjnym np. tereszpan 0,15 mm (do nabycia na Allegro) lub podobnym. W układzie modelowym użyto dodatkowo transformatora izolującego stronę pierwotną od wtórnej, gdyż Tr2 został nawinięty zanim powstał obwód startowy i nie chciałem go zmarnować, lecz tu opisuję wersję, w której tę rolę separacyjną spełnia uzwojenie pomocnicze nawinięte na transformatorze głównym. Nie zmienia to działania układu, a jedynie eliminuje jeden transformator z układu.

Tr2 jest nawinięty na karkasie WE-1802H i rdzeniu E32/16/9 z materiału 3C90 (może być inny o podobnych właściwościach materiał np. 3F3). Zasady nawijania są takie same, jak opisane wyżej, ale w tym przypadku należy większą uwagę przyłożyć do izolacji strony wtórnej od pierwotnej właściwym materiałem izolacyjnym typu tereszpan od uzwojenia pierwotnego, aby zmniejszyć ryzyko przedostania się napięcia przekraczającego 300 V na stronę wtórną transformatora.

Uzwojenia wtórne to 2×15 zwojów DNE 1,2 mm połączone równolegle. Dla napięcia wyjściowego uzwojenie pomocnicze zasilające układ - 20 zwojów DNE 0,4 mm, uzwojenie pierwotne 235 zwojów DNE 0,4 mm. Uzwojenia wtórne i pierwotne można nawinąć wieloma drutami odizolowanymi od siebie tzw. licą, aby zminimalizować efekt wypierania prądu z wnętrza przewodnika.

Do tego celu można zastosować DNE o takiej ilości i przekroju, aby sumaryczny przekrój wynosił dla uzwojenia wtórnego około 2 mm² przy 8 amperach, np. 7×DNE 0,6 mm lub licą 28×DNE 0,3 mm itp. Nawinięcie nie jest dużym problemem, gdyż uzwojenia wtórne nie zawierają wiele zwojów. Na pierwotne można użyć np. 2×DNE 0,3 mm, jeżeli komuś zależy na "wyciśnięciu" z transformatora jak najwięcej i posiada odpowiednie zdolności manualne lub sprzętowe.

Urządzenie można rozbudować na większe prądy zmieniając transformator na większy, nawinięty grubszym drutem oraz używając odpowiednich diod na radiatorach. Trzeba wtedy zwiększyć moc rezystora R13 do około 30 W lub np. dać trzy szeregowo połączone 3,3 V/10 W oraz zwiększyć pojemność kondensatorów wygładzających do 220 mF.

Przy zastosowaniu mocniejszych tranzystorów, wytrzymujących w impulsie prąd np. 50 A, można zmniejszyć wartość rezystora R13 np. do 6,8 Ω, a jego moc do 20 W zmniejszając tym samym straty i zwiększając sprawność ładowarki. Można też zmienić U2 na 7812, co da krótszy czas narastania napięcia na bramkach tranzystorów w razie użycia tranzystorów o znacznych pojemnościach bramka-źródło.

Liczbę zwojów uzwojeń Tr2 zmienia się odwrotnie proporcjonalnie do przekroju rdzenia (większy rdzeń np. E42, mniej zwojów na Volt). Dla rdzenia E42 i karkasu WE-2154-1S będzie to odpowiednio na uzwojenie pierwotne 115 zwojów, na wtórne 8 zwojów, a na pomocnicze 10 zwojów. Uzwojenie pierwotne będzie nawinięte trzema drutami o średnicy 0,4 mm, wtórne 34 drutami o tej samej średnicy, a uzwojenie pomocnicze 1×0,4 mm, co da wydajność prądową ładowarki ponad 17 A. Urządzenia o takiej mocy powinny być wyposażone w szeregowo połączony z zasilaniem 230 V dławik, np. taki, jak do niedawna był stosowany w zasilaczach komputerowych tzw. filtr PFC służący do wygładzania szpilek prądu ładujących kondensatory filtrujące.

Rdzenie po nawinięciu powinny być ściśnięte paskiem blachy skręconym śrubami lub zlutowanym, lecz oklejenie ich kilkoma warstwami biurowej taśmy klejącej też daje zadowalające rezultaty. Podczas uruchamiania układu należy pamiętać, aby nie zbliżać do układu bez obudowy, będącego pod napięciem 230 VAC żadnych części ciała na odległość mniejszą niż 20 cm, a manipulacje takie wykonywać tylko przy wyłączonym zasilaniu 230 VAC.

Uruchomienie układu rozpoczynamy od połączenia płytek przewodami, włączamy szeregowo z zasilaniem z sieci do złącza J1 płytki kontrolera żarówkę o mocy około 60 W/230 V. Włączamy zasilanie 230 V. Żarówka powinna błysnąć i zgasnąć, jeżeli się świeci, gdzieś jest błąd w montażu, błędny obwód drukowany, zimne luty lub uszkodzony element.

Następnie przekręcamy suwak potencjometru R11 w stronę zasilania, dołączamy na chwilę (żeby nie spalić żarówki 12 V) do wyjścia układu (J1 płytki z Tr2) żarówkę 12...24 V/20...50 W. Ta żarówka powinna zaświecić jasno, a żarówka 230 V powinna zacząć się lekko żarzyć. Jeżeli tak nie jest, szukamy błędów w układzie. W tym celu wyłączamy zasilanie 230 V, odłączamy żarówkę 12 V, dołączamy dodatkowo zasilacz zewnętrzny o napięciu około 15 V do złącza J2 płytki kontrolera, włączamy zasilanie 15 V, włączamy 230 V przez wspomnianą szeregowo żarówkę 60 W, ustawiamy suwak potencjometru R11 w stronę zasilania, do wyjścia układu podłączamy żarówkę 24 V, żarówka ta powinna się zaświecić, a żarówka szeregowa w obwodzie 230 powinna zacząć się żarzyć. Oznacza to, że układ startowy nie działa.

Jeżeli żarówka 24 V się nie świeci, oznacza to niesprawność układu głównego powiązanego z SG2525, czego przyczyną może być błędnie nawinięty Tr1, zimne luty, błąd w montażu lub uszkodzone elementy i/lub układu startowego - te same przyczyny z wyjątkiem błędu w Tr1. Podczas szukania błędu może być pomocny oscyloskop lub miernik indukcyjności.

Fotografia 7. Widok zmontowanych i skręconych płytek ładowarki

Zwykle to Tr1 jest przyczyną niesprawności. Na bramkach tranzystorów przewodzących po przekątnej sygnały z Tr1 powinny mieć taki sam kształt, a na nieprzewodzących w danej chwili mieć fazę odwróconą. Jeżeli tak nie jest, trzeba zamienić z sobą końcówki transformatora podłączone do tranzystora, w którym ten kształt nie zgadza się z pozostałymi.

W razie problemów chętnie pomogę - proszę pisać na mój adres e-mail. Jeżeli żarówka świeci to sprawdzamy układ startowy: wyłączamy zasilanie 230 V, odłączamy zasilanie 15 V i żarówkę 24 V od układu. Włączamy zasilanie 230 V, sprawdzamy woltomierzem napięcie na końcówce 1 U3 (za pomocą dolutowanych przewodów), powinno ono zmieniać wartość co kilka sekund z zera na około 22 V i szybko spadać. Następnie sprawdzamy czy na nóżkach 13 i 15 U1 dzieje się to samo z tym, że napięcie będzie się zmieniać od zera do około 19 V, jeżeli napięcia na U1 w ogóle się nie pojawia, gdzieś jest błąd w montażu, błędnie wykonana płytka drukowana, zimne luty lub uszkodzony element.

Płytki po sprawdzeniu skręcamy dwiema śrubami M3×40 mm z nałożonymi tulejkami dystansowymi np. TDYS3.6/35 (fotografia 7) o średnicy wewnętrznej nieco większej od 3 mm i długości około 35 mm. W obudowie trzeba wywiercić lub wyciąć otwory wentylacyjne, aby powietrze przepływało z lewego tylnego boku obudowy do prawego przedniego boku obudowy zasysane od spodu i wydmuchiwane naciętymi otworami w bocznej ściance obudowy. Po podłączeniu wszystkich przewodów i usunięciu w obudowie występów przeszkadzających w umieszczeniu płytek i wentylatora umieszczamy układ w obudowie (fotografia 8). Otwory w płytkach są tak wykonane, aby obok płytki z Tr2 zmieścić wentylator o grubości 15 mm, a z lewej strony amperomierz 51 mm×51 mm wskazujący prąd ładowania.

Metody ładowania

Fotografia 8. Widok urządzenia umieszczonego w obudowie

Obsługa urządzenia sprowadza się w najprostszym przypadku do ustawienia na rozładowanym akumulatorze pożądanego prądu ładowania np. 0,1 C, gdzie C pojemność akumulatora w Ah i odczekanie, aż prąd ten spadnie do wartości małej w porównaniu z początkowym prądem ładowania, czyli np. 20% początkowego prądu ładowania, gdyż zwykle nie będzie nam zależało na pełnym naładowaniu akumulatora, a tylko doładowaniu, aby np. uruchomić samochód w zimie.

Stopień rozładowania akumulatora to sprawa dyskusyjna, gdyż raz może być on rozładowany do 10 V, innym razem do 12 V i ustawienie prądu dla akumulatora rozładowanego do 12 V na 0,1 C przez dłuższy czas może doprowadzić do utrzymywania się po naładowaniu znacznego prądu i w ciągu dłuższego czasu uszkodzeniu akumulatora, dlatego najpewniej koniec ładowania określa napięcie akumulatora równe 15 V przy jego temperaturze wynoszącej 20°C.

W zimie przy -10°C to napięcie powinno wynosić około 15,8 V przy końcowym prądzie ładowania wynoszącym 0,02 C. Na przykład, dla akumulatora 45 Ah ten prąd wyniesie około 0,9 A. Najlepiej sprawdzać prąd ładowania co jakiś czas, np. co godzinę włączając miernik uniwersalny do akumulatora w czasie ładowania i ustawiając napięcie akumulatora pokrętłem ładowarki na 15 V spoglądać na amperomierz czy prąd jest dostatecznie mały.

Przyśpieszone ładowanie akumulatora można zrealizować pilnując, aby prąd ładowania miał odpowiednie natężenie np. 0.15 C i co jakiś czas (co pół godziny) mierzyć czy przy ustawieniu 15 V na akumulatorze (w lecie) spadł on już do 0,02 C (w zimie przy 15,8 V). Jeżeli ktoś zamierza umieścić ładowarkę w większej obudowie, można wstawić w urządzenie woltomierz.

Łukasz Karłowicz
lkarlowicz@interia.pl

Artykuł ukazał się w
Elektronika Praktyczna
wrzesień 2014
DO POBRANIA
Pobierz PDF Download icon
Elektronika Praktyczna Plus lipiec - grudzień 2012

Elektronika Praktyczna Plus

Monograficzne wydania specjalne

Elektronik listopad 2025

Elektronik

Magazyn elektroniki profesjonalnej

Raspberry Pi 2015

Raspberry Pi

Wykorzystaj wszystkie możliwości wyjątkowego minikomputera

Świat Radio listopad - grudzień 2025

Świat Radio

Magazyn krótkofalowców i amatorów CB

Automatyka, Podzespoły, Aplikacje listopad - grudzień 2025

Automatyka, Podzespoły, Aplikacje

Technika i rynek systemów automatyki

Elektronika Praktyczna listopad 2025

Elektronika Praktyczna

Międzynarodowy magazyn elektroników konstruktorów

Elektronika dla Wszystkich grudzień 2025

Elektronika dla Wszystkich

Interesująca elektronika dla pasjonatów