Interfejs aparatury kontrolnej i sygnalizacyjnej standardu M22

Interfejs aparatury kontrolnej i sygnalizacyjnej standardu M22

Wymogi stawiane aparaturze kontrolnej i sygnalizacyjnej dla automatyki są znacznie wyższe niż dla komponentów standardowych. Dotyczy to m.in. trwałości, odporności na temperaturę, wilgotność i zanieczyszczenia środowiska. Dlatego w aplikacjach, gdzie warunki pracy nie należą do najłatwiejszych, warto rozważyć zastosowanie typowej modułowej aparatury przemysłowej np. standardu M22.

Podstawowe parametry:
  • cztery wejścia dla przycisków lub styków wyposażone w układ eliminacji drgań styków oraz zabezpieczenie przed skutkami wyładowań ESD,
  • cztery wyjścia dla sygnalizatorów LED zasilanych napięciem 24 V, o obciążalności 20 mA na każde wyjście,
  • kontrola pracy układu za pomocą programowalnego ekspandera GPIO dla magistrali I2C typu PCA9531,
  • płytka formatu RPi Zero.

Aparatura standardu M22 zaprojektowana jest w formie składanych elementów łączących, sygnalizacyjnych, manipulacyjnych oraz ramki montażowej. Elementy M22 oferowane są przez praktycznie wszystkich producentów osprzętu automatyki, a dzięki modułowej budowie w łatwy sposób możemy poskładać żądany element sterująco-sygnalizacyjny (rysunek 1). Jako akcesoria dodatkowe dostępne są tabliczki z oznaczeniami położenia przełączników, uszczelnienia elementów manipulacyjnych oraz standardowe obudowy z otworami montażowymi dla jednego lub kilku elementów, co w typowych rozwiązaniach uwalnia od uciążliwych prac mechanicznych.

Rysunek 1. Przykładowy element systemu M22 (za notą Eaton)

Podłączenie elektryczne elementów stykowych jest trywialne niezależnie od typu styku NO lub NC, większym problemem jest sterowanie elementami sygnalizacyjnymi. Podzielone są one na dwa typy: przystosowane do pracy bezpośrednio z napięciem sieciowym 230 V AC lub napięciem bezpiecznym 24 V AC/DC. Polecam elementy zasilane napięciem bezpiecznym 24 V, większość typów toleruje zakres 12...30 V zarówno napięcia stałego jak i przemiennego. W przypadku sygnalizatorów LED, pobierany prąd mieści się w granicach kilkudziesięciu mA. Elementów sygnalizacyjnych z żarówkami, ze względu na zawodność i znaczny pobór mocy, należy raczej unikać.
Zaprezentowany minimoduł ułatwia zastosowanie standardowej przemysłowej aparatury M22, takiej jak przyciski i lampki kontrolne, w połączeniu z płytkami RPi Zero i nie tylko.

Budowa i działanie

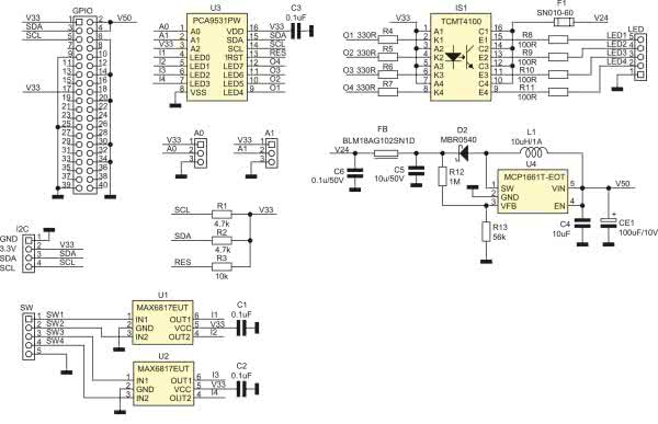
Opisany układ posiada cztery wejścia przystosowane do współpracy z czterema elementami łączącymi NO lub NC oraz cztery wyjścia do sterowania elementów sygnalizacyjnych o zasilaniu 24 V DC/20 mA. Schemat interfejsu został pokazany na rysunku 2.

Rysunek 2. Schemat interfejsu aparatury M22

Układ składa się z dwóch bloków funkcjonalnych. Pierwszy zawiera układu U1, U2 typu MAX6817, które są podwójnymi interfejsami przycisków mechanicznych, z wbudowanym układem polaryzacji i eliminacji drgań styków oraz zabezpieczeniem wejść przed skutkami wyładowań ESD. Ich budowę wewnętrzną pokazano na rysunku 3.

Rysunek 3. Budowa wewnętrzna MAX6817

Drugi blok zawiera przetwornice podwyższającą U4 typu MCP1661 dostarczającą napięcia 24 V do zasilania elementów sygnalizacyjnych kluczowanych transoptorem IS1. Przetwornica może dostarczyć 24 V, przy obciążeniu do 80 mA, co wystarcza do zasilania elementów LED i większości sygnalizatorów piezoelektrycznych. Dodatkowy filtr FB, C6 zmniejsza zakłócenia RFI na wyjściu układu. Wyjście przetwornicy zabezpieczone jest dodatkowym bezpiecznikiem polimerowym F1.

Za kontrolę pracy układu odpowiada programowany ekspander GPIO dla magistrali I²C typu PCA9531 oznaczony na schemacie jako U3. Ma rozszerzoną funkcjonalność sprzętową o sterowanie diod LED w trybie ściemniania i migania, bez dodatkowego obciążenia układu nadzorującego. Budowę wewnętrzną układu PCA9531 pokazano na rysunku 4.

Rysunek 4. Budowa wewnętrzna PCA9531

Wyprowadzenia LED0...LED3 układu U3, skonfigurowane są jako wejścia i służą do odczytu stanu styków SW1...SW4 podłączonych do złącza SW, wyprowadzenia LED4...LED7 skonfigurowane są jako wyjścia i poprzez transoptor IS1 sterują elementami sygnalizacyjnymi LED1...LED4 podłączonymi do złącza LED z zachowaniem polaryzacji, jeżeli jest to wymagane. Zarówno styki jak i elementy sygnalizacyjne sterowane są względem masy układu, styki wpinane są pomiędzy masę GND, a odpowiednie wejście SW1...SW4, elementy sygnalizacyjne podłączone są pomiędzy GND a odpowiednie wyjście LED1...LED4. Wejścia w stanie „otwartym” polaryzowane są napięciem 3,3 V i współpracują tylko ze stykami NO/NC lub wyjściami bezpotencjałowymi OC/OD. Wyjścia LED1...LED4 zasilane są napięciem 24 V, obciążalność każdego wyjścia wynosi 20 mA.

Uwaga:

  • wszelkie połączenia elementów stykowych i sygnalizacyjnych należy wykonać przy wyłączonym zasilaniu modułu,
  • doprowadzenie napięcia do wejść SW1...SW4 może spowodować uszkodzenie układu,
  • wyjścia LED1...LED4, zabezpieczone są w stopniu podstawowym i nie należy zwierać ich do masy, gdyż może to spowodować uszkodzenie układu.

Moduł zasilany jest napięciami 3,3 V i 5 V ze złącza GPIO płytki RPi, pobór mocy nie przekracza 2,5 W. Napięcie 5 V jest potrzebne do zasilania przetwornicy U4, napięcie 3,3 V zasila ekspander U3. Na złącze I²C w standardzie Grove lub PH 2,00 mm wyprowadzona jest magistrala I²C 3,3 V. Zwory A0, A1 umożliwiają ustawienie czterech adresów na magistrali I²C modułu.

Montaż i uruchomienie

Moduł zmontowany jest na miniaturowej płytce dwustronnej zgodnej mechanicznie z Raspberry Pi Zero, której schemat został pokazany na rysunku 5.

Rysunek 5. Schemat płytki PCB

Moduł nie wymaga uruchamiania, po podłączeniu styków do złącza SW, elementów sygnalizacyjnych do złącza LED i włączeniu zasilania należy tylko sprawdzić obecność napięcia V24 na kondensatorze C6. Jego wartość powinna zawierać się w granicach 24 V ±10%.

Dalsze sprawdzenie działania odbywa się na drodze programowej. Po ustaleniu adresu modułu zworami A0, A1 (0x64...0x67) sprawdzamy jego obecność na magistrali I²C z użyciem narzędzi i2ctools poleceniem:

i2cdetect -y 1

PCA9531 powinien zostać odnaleziony pod adresem ustalonym zworami A0, A1.

Mapa rejestrów konfiguracyjnych układu PCA9531 znajduje się w tabeli 1.

Zapis do rejestrów odbywa się zgodnie z rysunkiem 6. Po adresie slave zapisywany jest bajt sterujący, adresujący rejestr do zapisu (bity B2, B1, B0) oraz określający tryb auto-inkrementacji adresu – bit AI (AI = 1).

Rysunek 6. Zapis PCA9531

Sposób odczytu rejestrów pokazano na rysunku 7.

Rysunek 7. Odczyt PCA9531

Dla odczytu stanu przycisków należy w rejestrze LS0, ustawić wyprowadzenia LED0...LED3 (SW1...SW4) w stan wysokiej impedancji LS0=00, wpisując polecenie:

i2cset -y 1 0x64 0x06 0x00

Odczyt stanu klawiszy z rejestru INPUT wykonujemy poleceniem:

i2cget -y 1 0x64 0x00

Naciśnięty przycisk NO sygnalizowany jest stanem niskim odpowiadającego bitu 3...0.

Dla sterowania wyjść diod LED1...LED4, wystarczająca jest ich odpowiednia konfiguracja w rejestrze LS1, tabela 2.

Przypisanie LED do rejestrów LS wykonujemy wpisując:

LS1 [0x06, B7..0] : LED4|LED3|LED2|LED1

dla sprawdzenia ustawiamy wyjścia w stan niski (załączenie LED):

i2cset -y 1 0x64 0x06 0x55

oraz wysoki (wyłączenie LED):

i2cset -y 1 0x64 0x06 0x00

W celu konfiguracji migania konieczne jest ustawienie rejestrów PSCx, PWMx, okres migania określony jest wzorem:

BLINK0=(PSC0+1)/152 oraz BLINK1=(PSC1+1)/152

wypełnienie:

BLINK0=PWM0/256 oraz BLINK1=PWM1/256

Dla przykładu – ustalamy częstotliwość BLINK0 na 1 Hz (0x97) oraz wypełnienie na 50% (0x80), dla testu konfigurujemy układ:

i2cset -y 1 0x64 0x01 0x97
i2cset -y 1 0x64 0x02 0x80

Następnie ustawiamy na sterowanie LED1...LED4 z BLINK0:

i2cset -y 1 0x64 0x06 0xAA

diody powinny migać z częstotliwości 1 Hz. Bez zmiany parametrów PSC/PWM diody można wyłączyć (LSx = 00), załączyć (LSx = 01) lub zmienić częstotliwość migania (LSx = 10/11) tylko przez zapis rejestru LS1, bez potrzeby ponownej konfiguracji układu np.

i2cset -y 1 0x64 0x06 0x1A

ustawi LED4 = OFF, LED3 = ON, LED2, LED1 = BLINK0. Kontrolnie stan LED można sprawdzić odczytując bity B7...B4 rejestru INPUT. Jeżeli wszystko działa można układ zastosować we własnych projektach, powodzenia.

Adam Tatuś, EP

Wykaz elementów:
Rezystory: (SMD0603)
  • R1, R2: 4,7 kΩ 5%
  • R3: 10 kΩ 5%
  • R4, R5, R6, R7: 330 Ω 5%
  • R8, R9, R10, R11: 100 Ω 5%
  • R12: 1M Ω 1%
  • R13: 56 kΩ 1%
Kondensatory:
  • C1, C2, C3: 0,1 μF 16 V (SMD0603)
  • CE1: 100 μF/10 V elektrolityczny 6,3 mm
  • C4: 10 μF (SMD0603)
  • C5: 10 μF/50 V (SMD1206)
  • C6: 0,1 μF/50 V (SMD0603)
Półprzewodniki:
  • D2: MBR0540 (SOD123)
  • LED, SW: złącze śrubowe DG381-3,5-5
  • U1, U2: MAX6817EUT (SOT-23-6)
  • U3: PCA9531PW (SSOP16)
  • U4: MCP1661T-E\OT (SOT-23-5)
Pozostałe:
  • F1: bezpiecznik polimerowy SN010-60 (SMD1206)
  • FB: dławik ferrytowy BLM18AG102SN1D (SMD0603)
  • GPIO: złącze żeńskie IDC40
  • I²C: złącze kątowe Grove (110990037)
  • IS1: Transoptor TCMT4100 (SO16)
  • L1: dławik 10 μH/1 A DJNR4018-100-S
Artykuł ukazał się w
Elektronika Praktyczna
lipiec 2022
DO POBRANIA
Materiały dodatkowe
Elektronika Praktyczna Plus lipiec - grudzień 2012

Elektronika Praktyczna Plus

Monograficzne wydania specjalne

Elektronik listopad 2025

Elektronik

Magazyn elektroniki profesjonalnej

Raspberry Pi 2015

Raspberry Pi

Wykorzystaj wszystkie możliwości wyjątkowego minikomputera

Świat Radio listopad - grudzień 2025

Świat Radio

Magazyn krótkofalowców i amatorów CB

Automatyka, Podzespoły, Aplikacje listopad - grudzień 2025

Automatyka, Podzespoły, Aplikacje

Technika i rynek systemów automatyki

Elektronika Praktyczna listopad 2025

Elektronika Praktyczna

Międzynarodowy magazyn elektroników konstruktorów

Elektronika dla Wszystkich grudzień 2025

Elektronika dla Wszystkich

Interesująca elektronika dla pasjonatów