Gra "kto pierwszy"

Gra "kto pierwszy"

Gry i zabawy potrafią rozkręcić niejedno spotkanie albo imprezę. Frajda może być jeszcze większa, kiedy wykorzystamy przy tym wykonane przez siebie rozwiązania elektroniczne. Klasycznym przykładem jest turniej, w którym prowadzący czyta pytanie, a uczestnicy zgłaszają się do odpowiedzi. Kto pierwszy wciśnie swój przycisk, ten ma szansę na wygranie rundy.

Podstawowe parametry:
  • wskazanie, który z czterech przycisków został wciśnięty jako pierwszy,
  • wyjścia sygnalizujące najszybszego zawodnika,
  • przycisk zerujący układ + wyjście sygnalizujące gotowość,
  • obsługa sytuacji, w której jednocześnie wciśnięto dwa (lub więcej) przycisków,
  • wydajność prądowa wyjść: do 1 A,
  • zasilanie napięciem stałym 8…25 V,
  • pobór prądu przez układ 20…50 mA.

Budowa i działanie

Zaprezentowany układ nie realizuje skomplikowanych zadań – zapamiętuje stan jednego z czterech przycisków i sygnalizuje to na odpowiednim wyjściu. Musi również zablokować dalsze zmiany, aby spóźnieni gracze nie zmienili ustawionego stanu. Po wyzerowaniu układu wszystko wraca do stanu pierwotnego i układ oczekuje na pierwsze wciśnięcie od któregoś z graczy. Nie ma przy tym żadnych limitów czasowych. Wciśnięcie przycisku przez gracza powoduje wyłączenie wyjścia neutralnego i załączenie tego, które jest związane z nim. Cechą, która wyróżnia układ na tle innych tego typu rozwiązań, jest to, że obsługuje także sytuację, w której jednocześnie zostają wciśnięte dwa przyciski lub więcej. To zdarza się niesłychanie rzadko, ale nie jest niemożliwe. Aby cała gra odbywała się sprawiedliwie, układ zarządzający musi uwzględniać takie zdarzenia.

Wyjścia tego układu celowo mają wysoką obciążalność, żeby można było z nich sterować, na przykład, taśmy LED podświetlające stanowisko danego gracza. Piąte wyjście, aktywne po wyzerowaniu układu, może służyć do oświetlania wszystkich stanowisk jednocześnie, kiedy czytane jest pytanie.

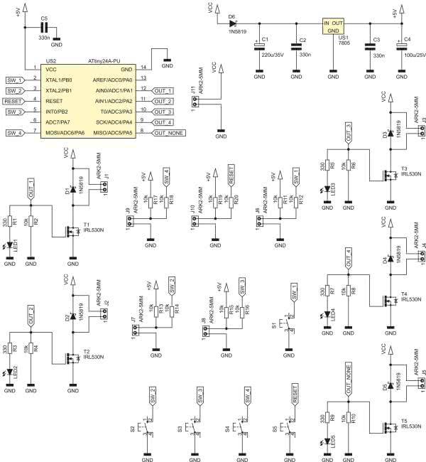
Rysunek 1. Schemat ideowy sterownika gry

Schemat ideowy sterownika gry został pokazany na rysunku 1. Mikrokontroler ATtiny24A (US2) jest głównym układem zarządzającym pracą tego urządzenia. Jest taktowany wbudowanym generatorem RC o częstotliwości 8 MHz. Ponieważ nie wykonuje zadań krytycznych czasowo, stabilizacja częstotliwości zegara rezonatorem kwarcowym nie była potrzebna.

W układzie znajduje się pięć identycznych wyjść załączanych przez tranzystory typu IRL530N. Litera L (Logic) wskazuje na przystosowanie tego elementu do sterowania wprost z układów cyfrowych. Nie wymaga stosowania dodatkowych buforów i translatorów napięcia.

Diody LED1…LED5 sygnalizują załączenie danego wyjścia. Diody Schottky’ego zabezpieczają tranzystory przed uszkodzeniem w sytuacji, gdyby do wyjść były podłączone obciążenia o charakterze indukcyjnym, jak przekaźniki czy silniki prądu stałego.

Wejściami układu są przyciski monostabilne zwierne – cztery dla graczy i piąty do zerowania układu. Ponieważ przewody łączące płytkę drukowaną tego układu z poszczególnymi przyciskami mogą być długie, zastosowano proste zabezpieczenie delikatnych wejść mikrokontrolera przez dodanie rezystorów szeregowych o wartości 10 kΩ. Zmniejsza to prąd płynący przez diody zabezpieczające te wejścia, wbudowane w krzemową strukturę układu scalonego, jak również zwiększają czas narastania napięcia na nich.

Układ może być zasilany napięciem stałym z dosyć szerokiego zakresu wartości, więc konieczna była jego stabilizacja do poziomu 5 V, niezbędnego dla mikrokontrolera. Realizuje to prosty stabilizator liniowy typu 7805. Pobór prądu z jego wyjścia jest na tyle niski, że zastosowanie tutaj przetwornicy impulsowej nie miało uzasadnienia. Dioda D6 zabezpiecza stabilizator i mikrokontroler przed uszkodzeniem w razie przypadkowej zamiany biegunów zasilania układu.

Montaż i uruchomienie

Układ został zmontowany na jednostronnej płytce drukowanej o wymiarach 105×65 mm. Jej schemat prezentuje rysunek 2. W odległości 3 mm od krawędzi płytki znalazły się otwory montażowe, każdy o średnicy 3,2 mm. Montaż układu jest prosty i mogą się go podjąć nawet mniej wprawni użytkownicy lutownicy. Proponuję zacząć od najniższych elementów układów – diody Schottky’ego i rezystorów, a następnie coraz wyższych. Pod układ US2 warto zastosować podstawkę. Widok zmontowanego układu pokazuje fotografia tytułowa.

Rysunek 2. Schemat płytki PCB

Na etapie uruchamiania konieczne jest zaprogramowanie pamięci flash mikrokontrolera skompilowanym plikiem programu sterującego oraz zmiana ustawienia bitów zabezpieczających na wartości: Low Fuse = 0xE2, High Fuse = 0xDC. Szczegóły są widoczne na rysunku 3, który zawiera fragment okna konfiguracji bitów programu BitBurner. W ten sposób zostanie wyłączony preskaler zegara oraz załączony obwód Brown-Out Detector, który wprowadzi mikrokontroler w stan zerowania, jeżeli jego napięcie zasilające spadnie poniżej 4,3 V. Takie rozwiązanie zmniejsza ryzyko zawieszenia się mikrokontrolera po włączeniu zasilania.

Rysunek 3. Szczegóły konfiguracji bitów zabezpieczających

Prawidłowo zmontowany i zaprogramowany układ jest gotowy do pracy. Do wejść (złącza J6…J10) należy podłączyć przyciski zwierne, które byłyby dostępne dla graczy oraz prowadzącego grę (J10). Wyjścia układu (złącza J1…J5) mogą służyć do załączania diod LED, taśm LED, przekaźników, żarówek lub jeszcze innych urządzeń. Przyjęto maksymalny prąd jednego wyjścia na ok. 1 A ze względu na szerokość ścieżek obwodu drukowanego. Gdyby naraz załączyły się wszystkie cztery wyjścia (mało prawdopodobne, ale możliwe), przez ścieżkę wspólną płynąłby prąd o natężeniu 4 A, co jest wartością graniczną dla tego pola przekroju miedzianego połączenia.

Prąd pobierany przez sam sterownik wynosi około 20 mA i nie ulega zmianie w trakcie działania. Sytuacją graniczną jest załączenie czterech diod LED jednocześnie (od LED1 do LED4), kiedy to układ pobierałby około 50 mA. Napięcie zasilające układ (złącze J11) trzeba dostosować do zasilanych obciążeń, ale nie powinno być niższe niż 8 V ani wyższe niż 25 V ze względu na konieczność zapewnienia prawidłowych warunków pracy stabilizatora 7805.

W układzie nie ma zaszytych jakichkolwiek ograniczeń czasowych czy automatycznych wyłączników; po wyzerowaniu będzie czekał na impuls przez nieskończenie długi czas, jak również będzie mógł bardzo długo sygnalizować aktywowanie określonego wyjścia. Dzięki temu można wykorzystać to urządzenie do innego celu niż rozrywka, na przykład do sygnalizacji zadziałania któregoś z wyłączników krańcowych na linii produkcyjnej.

Jak łatwo zauważyć, nie wszystkie cztery wejścia muszą być obsługiwane. Przy dwóch lub trzech uczestnikach wystarczy po prostu nie podłączać tych przycisków, które mają być nieużywane.

Michał Kurzela, EP

Wykaz elementów:
Rezystory: (THT o mocy 0,25 W, jeżeli nie wskazano inaczej)
  • R1, R3, R5, R7, R9: 330 Ω
  • R2, R4, R6, R8, R10…R20: 10 kΩ
Kondensatory:
  • C1: 220 μF 35 V raster 3,5 mm
  • C2, C3, C5: 330 nF raster 5 mm MKT
  • C4: 100 μF 25 V raster 2,54 mm
Półprzewodniki:
  • D1…D6: 1N5819
  • LED1…LED5: dioda LED 5 mm zielona matowa
  • T1…T5: IRL530N TO220
  • US1: 7805 TO220
  • US2: ATtiny24A-PU
Pozostałe:
  • J1…J11: złącze ARK2/500
  • S1…S5: microswitch 6 mm do druku (6×6)
  • Jedna podstawka DIP14
Artykuł ukazał się w
Elektronika Praktyczna
styczeń 2022
DO POBRANIA
Materiały dodatkowe
Elektronika Praktyczna Plus lipiec - grudzień 2012

Elektronika Praktyczna Plus

Monograficzne wydania specjalne

Elektronik listopad 2025

Elektronik

Magazyn elektroniki profesjonalnej

Raspberry Pi 2015

Raspberry Pi

Wykorzystaj wszystkie możliwości wyjątkowego minikomputera

Świat Radio listopad - grudzień 2025

Świat Radio

Magazyn krótkofalowców i amatorów CB

Automatyka, Podzespoły, Aplikacje listopad - grudzień 2025

Automatyka, Podzespoły, Aplikacje

Technika i rynek systemów automatyki

Elektronika Praktyczna listopad 2025

Elektronika Praktyczna

Międzynarodowy magazyn elektroników konstruktorów

Elektronika dla Wszystkich grudzień 2025

Elektronika dla Wszystkich

Interesująca elektronika dla pasjonatów