Zestaw evaluacyjny z lampą Nutube 6P1

Zestaw evaluacyjny z lampą Nutube 6P1

Dzięki uprzejmości firmy Kamami otrzymałem do przetestowania bardzo ciekawy moduł - Nutube audio eval board, czyli płytkę uruchomieniową dla opracowanej przez firmę Korg lampy Nutube 6P1.

Fotografia 1. Lampa Nutube 6P1 (z materiałów Korg)

Pomimo, że lampy próżniowe dawno mają czas świetności za sobą, w dalszym ciągu są produkowane i dostępne oraz mają grono oddanych użytkowników. Czym więc może zaskoczyć lampa 6P1, która jest względnie nowym opracowaniem powstałym w firmie Korg? Wygląd Nutube 6P1 pokazuje fotografia 1. Lampa przypomina wyświetlacz VFD, bo w rzeczywistości wykorzystuje konstrukcję takiego wyświetlacza i choć sygnowana jest logiem Korg, widoczne jest też logo Noritake-Itron, znaczącego producenta wyświetlaczy VFD.

Głównym celem przyświecającym opracowaniu 6P1, było uzyskanie możliwości modyfikacji brzmienia instrumentów, charakterystycznej dla układów lampowych, przy zachowaniu niewielkiego poboru mocy i niskich napięć wymaganych dla prawidłowej aplikacji lampy. Założenia zostały spełnione, lampa pobiera 16 mW na żarzenie (bezpośrednie) i pracuje przy napięciach anodowych już od 5 V, co przy jej niewielkich rozmiarach 45×17×6 mm ułatwia aplikacje w urządzeniach przenośnych, takich jak efekty instrumentalne. Konstrukcja grzejnika, który jest jednocześnie bezpośrednio żarzoną katodą lampy, wykonaną w postaci włókna rozpiętego na sprężynujących wspornikach jest niestety bardzo czuła na wstrząsy. Lampa 6P1 mikrofonuje, drgania grzejnika wpływają pasożytniczo na prąd anody podobnie jak zmiana napięcia na siatce sterującej, co trzeba mieć na uwadze odpowiednio amortyzując płytkę lub całe urządzenie.

Sam zestaw rozwojowy wzorowany jest na fabrycznej aplikacji Korga, oprócz lampy, buforów wejściowych i wyjściowych, wyposażony został w prosty wzmacniacz mocy oraz konfigurowane zworami rezystory anodowe, które wraz z potencjometrem ustalającym napięcie siatki, upraszczają dobór punktu pracy lampy. Parametr ten bezpośrednio przekłada się na zmiany charakteru brzmienia układu.

Fotografia 2. Wygląd zestawu Nutube audio eval board

Rysunek 3. Schemat blokowy płytki

Rysunek 4. Schemat wzmacniacza 6P1

Rysunek 5. Wzmacniacz mocy TDA2282

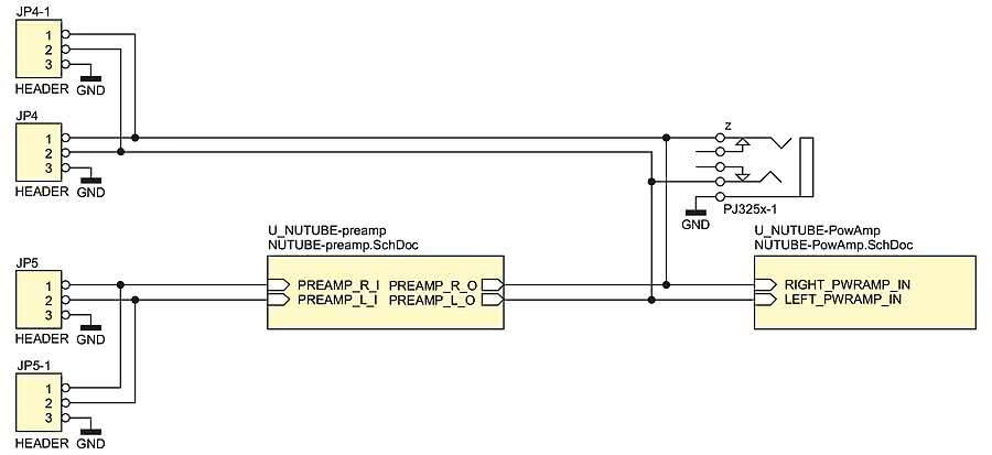
Wygląd zestawu prezentuje fotografia 2. Składa się on z przedwzmacniacza hybrydowego z dyskretnymi tranzystorami polowymi, stopnia wzmocnienia na lampie 6P1 i scalonego wzmacniacza mocy. Schemat blokowy płytki pokazuje rysunek 3, schemat bloku przedwzmacniacza z lampą 6P1 - rysunek 4. Sygnał wejściowy z listwy JP5-1 (INL/INR) doprowadzony jest do stopnia wzmacniającego na tranzystorze polowym T3. Jego zadaniem jest zapewnienie niskiej rezystancji sterującej lampą niezależnie od parametrów podłączonego źródła sygnału. Następnie sygnał podawany jest na siatkę lampy L1, polaryzowanej poprzez obwód P3, R17 ustalający punkt pracy. Płytka posiada konfigurowany zworą JP1 rezystor anodowy o trzech wartościach 100/220/330 kΩ. Wzmocniony sygnał doprowadzony jest do stopnia z tranzystorem T1 i stąd na wyjście układu, złącza JP4, JP4-1 oraz na złącze Mini Jack 3,5 mm INPUT, które jest jednocześnie wejściem wzmacniacza mocy. Układ zasilany jest napięciem 5 V ze złącza Con2 lub JP3. Napięcie powinno być stabilizowane i wolne od zakłóceń, jak pokazuje praktyka, układ działa bardzo dobrze zasilany z czterech połączonych szeregowo akumulatorów NiMH. Żarzenie lampy i obwód napięcia polaryzacji stabilizowane są przez LDO 3,3 V, U2 typu MCP1700-3.3. Za obniżenie i filtrację do wymaganych dla grzejników 0,7 V odpowiada rezystor R15. Drugi kanał płytki działa identycznie.

Na płytce znalazło się miejsce na niewielki wzmacniacz mocy z regulowanym potencjometrem P1 poziomem wyjściowym. Wzmacniacz zbudowany jest na układzie TDA2822 i umożliwia zasilanie słuchawek lub niewielkich głośników. Wzmocniony przez U1 sygnał dostępny jest na złączu SPK (Con1) Mini Jack 3,5 mm. Schemat ideowy wzmacniacza mocy prezentuje rysunek 5.

Uruchomienie Nutube audio eval board

Rozmieszczenie elementów Nutube audio eval board pokazuje rysunek 6. Zestaw oprócz funkcji użytecznej może pełnić funkcję dydaktyczną, ze względu na niskie napięcia, brak wysokich temperatur, niewielką pobieraną moc i kieszonkowy rozmiar jest idealną platformą dla praktycznej nauki uruchamiania i pomiarów toru audio - szczególnie gdy wykorzystamy w tym celu przyjazny dla użytkownika interfejs Analog Discovery2.

Rysunek 6. Rozmieszczeni elementów Nutube eval audio board

Rysunek 7. Konfiguracja zasilania Nutube

Rysunek 8. Pomiary statyczne układu

Rysunek 9. Konfiguracja generatora

Przed rozpoczęciem eksperymentów, należy zaopatrzyć się w zasilacz 5 V lub zestaw akumulatorków 4×LR6, do zasilania można też wykorzystać, co polecam, zasilacz wbudowany w interfejs Analog Discovery2, potrzebne będą sondy oscyloskopowe 1:10, kable pomiarowe BNC i przewody z chwytakiem i wtykiem żeńskim do listew szpilkowych oraz oczywiście komputer PC z zainstalowanym oprogramowaniem Waveform (aktualna wersja to 3.10.9). Dla ułatwienia połączeń z AD2 można użyć opisanej w EP6/17 płytki połączeniowej lub adaptera oferowanego przez Digilent. Przed podłączeniem układu należy ustawić potencjometry w przypadkowych położeniach, gdyż wyregulujemy układ przy pomocy Analog Discovery2, zwory rezystorów anodowych ustawiamy w położenie 330 kΩ.

W pierwszej kolejności, należy podłączyć zasilanie układu. W tym celu łączymy złącze JP3 (GND, UA) z wyjściem wbudowanego zasilacza napięcia dodatniego (zaciski GND, V+). Po uruchomieniu oprogramowania Waveforms wybieramy zakładkę Supplies (rysunek 7), aktywujemy zasilacz napięcia dodatniego ustawiając napięcie wyjściowe 5 V. Po załączeniu zasilacza po kilku sekundach powinno być widoczne delikatne świecenie lampy 6P1. Wybierając zakładkę Voltmeter sprawdzamy napięcia w kluczowych miejscach układu - rysunek 8:

  • punkt pomiarowy UA: 5 V (±5%), jest to napięcie zasilania z AD2,
  • napięcie 3,3 V (±5%), na wyjściu stabilizatora LDO U2-3, zasilające obwód polaryzacji i żarzenia,
  • napięcie żarzenia 0,6...0,8 V, na wyprowadzeniach 1+2, 16+17 lampy L1,
  • wstępnie ustawiamy punkt pracy lampy mierząc napięcie na rezystorze R11 i R12 i potencjometrami +VgL (P3), +VgR (P2) ustawiamy jego wartość na ok. 2,75 V.

Układ jest wstępnie zestrojony, do dalszych pomiarów potrzebny będzie wbudowany generator i oscyloskop. Sygnał z wyjścia generatora, zacisk W1, GND lub wyjście GEN1 na płytce interfejsu łączymy z wejściem Nutube poprzez złącza IN_L, IN_R. Przechodząc do zakładki Wavegen, ustawiamy przebieg 1 kHz, amplitudę 100 mV i uruchamiamy generator przyciskiem RUN (rysunek 9). Następnie uruchamiamy zakładkę Scope, ustawiając czułość oscyloskopu 100 mV/dz oraz dzielnik sondy 1:10. Należy pamiętać o wcześniejszym skalibrowaniu sond sygnałem prostokątnym 1 kHz. Kontrolnie odczytujemy poziom sygnału z generatora - rysunek 10.

Rysunek 10. Kontrola poziomu sygnału generatora

Rysunek 11. Pomiar wzmocnienia i wstępna regulacja układu

Rysunek 12. Regulacja harmonicznych układu

Kolejnym etapem będzie zgrubne zestrojenie punktu pracy poprzez ocenę kształtu sinusoidy na wyjściu układu. W tym celu uaktywniamy drugi kanał oscyloskopu oraz podłączamy sondę do zacisku OUT_L. Potencjometr P1 ustawiamy w minimalnym położeniu (suwak do masy) niwelując niewielki wpływ obciążenia wzmacniaczem końcowym. Potencjometrem VGL (P3) ustawiamy maksymalną amplitudę sygnału wyjściowego. Pomiary i regulacje powtarzamy w drugim kanale. Ze stosunku amplitud można obliczyć całkowite wzmocnienie układu - rysunek 11. Ze szczególną uwagą należy wybierać punkty pomiarowe w układzie, nawet sonda o rezystancji wejściowej 10 M może obciążyć układ i wpłynąć na jego działanie. Podłączając sondę do bramek tranzystorów polowych, tworzymy dodatkowy dzielnik z rezystorem anodowym lub dzielnikiem polaryzującym bramkę, co zmieni nam punkt pracy wzmacniacza. Koniecznie należy mieć tego świadomość i dla praktyki warto sprawdzić, w których punktach wpływ przyrządu pomiarowego na układ jest największy. Dla ustawień sondy 1:10, 1:1 kontrolujemy wartość poziom wyjściowego na złączu OUT_L, OUT_R kolejno podłączając sondę do kolejnych punktów pomiarowych wzmacniacza np.: bramek tranzystorów, siatek i anod lampy 6P1.

Dzięki wbudowanemu w AD2 analizatorowi widma możliwy jest pomiar zawartości harmonicznych, ułatwiający dokładniejszą regulacje układu. Po wybraniu zakładki Spectrum konfigurujemy zakres częstotliwości 0...10 kHz, gdyż taki wystarczy do oceny podstawowych harmonicznych oraz zawężamy zakres amplitudy od 0...80 dB - rysunek 12. Potencjometrem VgL (P3) ustawiamy najniższy możliwy poziom drugiej i trzeciej harmonicznej, zachowując największą amplitudę sygnału podstawowego, w modelu można zejść poniżej -60 dB. Kontrolnie proponuje sprawdzić wygląd przebiegu wyjściowego na oscyloskopie. Regulacje musimy powtórzyć także w drugim kanale. Warto sprawdzić zachowanie wzmacniacza przy kilku poziomach sygnału wejściowego.

Rysunek 13. Pomiar pasma przenoszenia

Rysunek 14. Konfiguracja generatora dla pomiaru intermodulacji

Rysunek 15. Pomiar zniekształceń intermodulacyjnych

Rysunek 16. Praca z przesterowaniem

Po tych czynnościach układ jest wyregulowany, oczywiście tylko dla rezystora anodowego 330 kΩ i można wpiąć go w tor audio w celu sprawdzenia i oceny działania np. przy pomocy słuchawek podłączonych do wbudowanego wzmacniacza mocy. Wracając jednak do pomiarów, obowiązkowo należy zmierzyć pasmo przenoszenia. W tym celu wybieramy zakładkę analizatora obwodów Network - rysunek 13. Pomiar warto wykonać dla różnych poziomów sygnału wejściowego, każdorazowo kontrolując czy wzmacniacz nie uległ przesterowaniu. Korzystając z elastyczności wbudowanego generatora można pokusić się o ocenę zniekształceń intermodulacyjnych wprowadzanych przez układ. Do pomiaru konieczny jest przebieg składający się z dwóch tonów 250 Hz i 8 kHz o stosunku amplitud 4:1. Przechodząc do zakładki generatora, wybieramy opcję Customs odpowiedzialną za generację sygnału zdefiniowanego przez użytkownika i w zakładce Math definiujemy sygnał sin(2*Pi*x)+0,25*sin(64*Pi*x), następnie wybieramy opcję Generate i Normalize, po czym zamykamy okno - rysunek 14. Przechodząc do okna analizatora widma sprawdzamy poprawność generowanego sygnału, powinny być widoczne prążki 250 Hz i 8 kHz o stosunku amplitud 4:1. Po podłączeniu generatora do wejścia, a analizatora do wyjścia układu możemy ocenić poziom zniekształceń intermodulacyjnych, czyli wszystkich częstotliwości, które w wyniku nieliniowości elementów pojawią się w sygnale wyjściowym, a których nie było w sygnale testowym - rysunek 15.

Z racji głównego przeznaczenia lampy 6P1 do kształtowania brzmienia instrumentów, intermodulacje niekoniecznie muszą być wadą, podobnie jak niedoceniana w klasycznych wzmacniaczach audio praca w przesterowaniu. Dla sprawdzenia przesterowania ustawiamy poziom sygnału z wbudowanego generatora dla sygnału sinusoidalnego 1 kHz na 1 V. Otrzymane przebiegi pokazuje rysunku 16. W tak „piękny” sposób może przesterować się tylko lampa, nie ma oscylacji, odwrócenia przebiegu i podobnie paskudnie brzmiących artefaktów.

Na tym kończę pomiary Nutube audio eval board, polecam powtórzyć cykl dla wszystkich wartości rezystorów anodowych i dla różnych poziomów sygnału. Chociaż Analog Discovery2 to nie Audio Precision, to do pomiarów wstępnych doskonale się nadaje.

Adam Tatuś
adam.tatus@ep.com.pl

Artykuł ukazał się w
Elektronika Praktyczna
wrzesień 2019
Elektronika Praktyczna Plus lipiec - grudzień 2012

Elektronika Praktyczna Plus

Monograficzne wydania specjalne

Elektronik listopad 2025

Elektronik

Magazyn elektroniki profesjonalnej

Raspberry Pi 2015

Raspberry Pi

Wykorzystaj wszystkie możliwości wyjątkowego minikomputera

Świat Radio listopad - grudzień 2025

Świat Radio

Magazyn krótkofalowców i amatorów CB

Automatyka, Podzespoły, Aplikacje listopad - grudzień 2025

Automatyka, Podzespoły, Aplikacje

Technika i rynek systemów automatyki

Elektronika Praktyczna listopad 2025

Elektronika Praktyczna

Międzynarodowy magazyn elektroników konstruktorów

Elektronika dla Wszystkich grudzień 2025

Elektronika dla Wszystkich

Interesująca elektronika dla pasjonatów