Pomiary natężenia prądu w systemach wbudowanych (2). Praktyczny poradnik

Pomiary natężenia prądu w systemach wbudowanych (2). Praktyczny poradnik

Pomiar parametrów analogowych, czy to za pomocą przetworników ADC obecnych w strukturach mikrokontrolerów, czy też z użyciem specjalizowanych przetworników lub front-endów scalonych, należy do podstawowych funkcjonalności przeważającej części systemów wbudowanych. W poprzedniej części artykułu omówiliśmy cztery najważniejsze metodologie pomiarów prądu, tym razem natomiast zaprezentujemy rozwiązania wybranych problemów metrologicznych, z jakimi spotykają się na co dzień konstruktorzy.

Przykład 1. Szerokopasmowy układ pomiaru prądu DC po stronie dodatniej szyny zasilania

Jak wspomnieliśmy w pierwszej części artykułu, w przypadku niektórych aplikacji amperometrycznych, problemem jest ograniczenie pasma, wynikające z zastosowanej metodologii pomiarowej i wynikającego z niej doboru komponentów układu wejściowego. Jeżeli w urządzeniu zasilanym napięciem stałym o wartości do 60 V konieczny jest pomiar prądu w szerokim paśmie częstotliwości, warto rozważyć szybki układ MAX9643. Zakres częstotliwości pracy rozciąga się w jego przypadku aż do 15 MHz, a tolerancja wzmocnienia (w zależności od wybranej wersji: 2,5 V/V lub 10 V/V) nie przekracza 0,5% w warunkach temperatury pokojowej. Deklarowana przez producenta szybkość narastania sygnału wyjściowego to 12 V/µs, a efektywny zakres pracy dla spadku wzmocnienia o zaledwie 1 dB względem wartości nominalnej przekracza 10 MHz (rysunek 1).

Rysunek 1. Charakterystyka częstotliwościowa układu MAX9643T
Rysunek 2. Przykładowy schemat aplikacyjny wzmacniacza bocznikowego MAX9643

Przykładowy schemat aplikacyjny wzmacniacza został pokazany na rysunku 2. Układ doskonale nadaje się do kontroli obciążenia w aplikacjach z szybkim kluczowaniem, np. w wejściowych obwodach nadzoru przetwornic DC/DC bądź układach sterowania mostków H.

Przykład 2. Izolowany, szybki układ pomiaru prądu AC/DC o regulowanej czułości

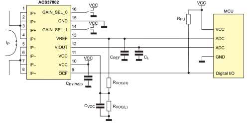
Jeżeli projektowane urządzenie pracuje w paśmie poniżej 0,5 MHz, a podstawowym wymogiem aplikacji jest zapewnienie wysokiego poziomu izolacji galwanicznej pomiędzy układem pomiarowym a obwodem mierzonym, godnym uwagi czujnikiem prądu dla niego jest hallotronowy sensor ACS37002 marki Allegro Microsystems. Schemat aplikacyjny układu został pokazany na rysunku 3.

Rysunek 3. Przykładowy schemat aplikacyjny czujnika prądu ACS37002

W tym przypadku wzmocnienie jest tylko wstępnie ograniczone przez producenta, gdyż każdy układ z rodziny ACS37002 wyposażony został w dwa statyczne wejścia cyfrowe, pozwalające na wybór wzmocnienia spośród czterech dostępnych konfiguracji. Przykładowo, układ ACS37002LMABTR-050B3 oferuje możliwość ustalenia wzmocnienia równego: 19,8 mV/A, 26,4 mV/A, 33 mV/A oraz 39,6 mV/A, co przekłada się na bipolarne zakresy pomiarowe: ±33 A, ±40 A, ±50 A oraz ±66 A. Model ten może być zasilany napięciem 3,3 V, choć inne dostępne w ramach tej linii produktowej układy mogą także pracować pod napięciem 5 V.

Co ważne, silna bariera galwaniczna oddzielająca wbudowany obwód pomiarowy od niskonapięciowej struktury krzemowej, ma wytrzymałość dielektryczną na poziomie aż 4800 VRMS, (według normy UL60950-1 ed. 2), a układ jest przeznaczony do pracy jako element izolacji podstawowej do 1480 Vpk (1047 VRMS) lub wzmocnionej do 730 Vpk (517 VRMS). Odstęp powietrzny, dzięki zastosowaniu poszerzonej obudowy SOICW-16, wynosi 7,5 mm, zaś odstęp powierzchniowy pomiędzy wyprowadzeniami, znajdującymi się po obu stronach bariery izolacyjnej, to 7,9 mm. Pasmo przepustowe układu wynosi 400 kHz.

W odróżnieniu od większości popularnych, scalonych czujników prądu bazujących na efekcie Halla, układy z rodziny ACS37002 posiadają dodatkowe wyjście alarmowe (informujące układ nadrzędny o wystąpieniu przetężenia w obwodzie pomiarowym), a także buforowane wyjście analogowe (umożliwiające zewnętrznemu układowi pomiarowemu ustalenie wartości napięcia wyjściowego, odpowiadającego zerowej wartości prądu w obwodzie pomiarowym). Jest to dość unikalne rozwiązanie w tej grupie układów, znakomicie ułatwiające pomiar za pomocą przetworników ADC z bipolarnym wejściem różnicowym, gdyż redukuje ono konieczność cyfrowego (programowego) lub analogowego ustalania wirtualnego zera sygnału pomiarowego.

Przykład 3. Ultraprecyzyjny układ pomiaru prądu ze wzmocnieniem wybieranym sprzętowo

W aplikacjach zasilanych napięciem do 24 VDC i wymagających bardzo precyzyjnego pomiaru wartości prądu zastosowanie znajdzie scalony wzmacniacz bocznikowy LT1997-3. Układ ma topologię klasycznego wzmacniacza różnicowego opartego na wzmacniaczu operacyjnym, z tą różnicą, że posiada trzy wejścia INA, INB i INC – podłączone poprzez precyzyjnie sparowane rezystory o wartościach 22,5 kΩ, 7,5 kΩ oraz 2,5 kΩ i wyprowadzone na osobne linie 14-pinowej obudowy DFN lub 16-pinowej MSOP.

Rysunek 4. Przykładowy schemat aplikacyjny układu LT1997-3 w konfiguracji high-side sensing

Schemat aplikacyjny dla wzmocnienia jednostkowego pokazano na rysunku 4 – szeroki zakres napięć zasilania oraz wyjście R-R umożliwia pracę z zasilaczami pojedynczymi lub bipolarnymi i to już od 3,3 V. Układ oferuje imponującą dokładność wzmocnienia na poziomie 0,006% i wyjątkowo niski dryf temperaturowy (zaledwie 1 ppm/°C!). Nieliniowość także utrzymuje się na bardzo niskim poziomie (2 ppm), co umożliwia prowadzenie bardzo precyzyjnych pomiarów – w celu maksymalnego wykorzystania możliwości układu konieczne jest jednak zapewnienie poprawnego stopnia wejściowego z bocznikiem, podłączonym w konfiguracji 4-przewodowej. Warto rozważyć zastosowanie bocznika z osobnymi wyprowadzeniami, np. 4-pinowego rezystora precyzyjnego (temat ten opisaliśmy nieco szerzej w pierwszej części artykułu).

Przykład 4. Zintegrowany układ wejściowy do monitorowania szyny zasilania

Interesujące rozwiązanie wprowadziła do swojej oferty firma Maxim. Układy z rodziny MAX4210/MAX4211 zawierają kilka dodatkowych bloków funkcjonalnych, które znacznie rozszerzają możliwości aplikacyjne zawartych w ich strukturze wzmacniaczy bocznikowych.

Rysunek 5. Schemat funkcjonalny układów podrodziny MAX4210A...F

Prostsze modele MAX4210A...F (rysunek 5) oferują konstruktorom, oprócz samego wzmacniacza różnicowego, także analogowy mnożnik, umożliwiający bardzo prostą realizację pomiaru mocy. W zależności od wersji układu, sygnał napięciowy może być doprowadzony z zewnątrz lub też pobrany bezpośrednio z linii bocznika znajdującej się na wyższym potencjale (tj. po stronie źródła zasilania) i podany na mnożnik za pomocą wbudowanego dzielnika 25:1.

Rysunek 6. Schemat funkcjonalny układów podrodziny MAX4211A...F

Grupa układów z końcówką 11A...F (rysunek 6), oprócz opisanych wcześniej bloków, zawiera także wbudowane, podwójne komparatory (w tym jeden z dodatkowymi wejściami INHIBIT (uruchomienie pierwszego komparatora) i LE (aktywacja zatrzasku wyjściowego) oraz źródło napięcia odniesienia o wartości nominalnej 1,21 V. Klasycznym przykładem zastosowania wewnętrznych układów porównujących jest komparator okienkowy – producent proponuje użycie go np. do detekcji stanów awarii, skutkujących wykroczeniem poboru mocy obciążenia poza dopuszczalny zakres.

Rysunek 7. Zastosowanie wyjścia POUT i komparatorów układu MAX4211A...F do detekcji niedozwolonego poziomu poboru mocy przez obciążenie

Co ciekawe, do realizacji tak złożonego zadania wystarczy dołączyć do układu MAX4211 zaledwie… pięć rezystorów, według schematu pokazanego na rysunku 7.

Podsumowanie

Monitorowanie obciążenia jest jednym z najpowszechniejszych zastosowań układów do pomiaru prądu. Nowoczesne układy scalone, w tym zintegrowane czujniki prądu oparte na zjawisku Halla oraz precyzyjne i szybkie wzmacniacze bocznikowe, znakomicie ułatwiają pracę konstruktorom urządzeń, zarówno zasilanych napięciem stałym, jak i przemiennym. Zaprezentowane w artykule rozwiązania stanowią zaledwie część możliwości udostępnianych przez układy czołowych marek. Zainteresowanych Czytelników odsyłamy do odpowiednich działów w katalogach producentów z branży półprzewodników.

inż. Przemysław Musz, EP
przemyslaw.musz@ep.com.pl

Artykuł ukazał się w
Elektronika Praktyczna
lipiec 2021
Elektronika Praktyczna Plus lipiec - grudzień 2012

Elektronika Praktyczna Plus

Monograficzne wydania specjalne

Elektronik listopad 2025

Elektronik

Magazyn elektroniki profesjonalnej

Raspberry Pi 2015

Raspberry Pi

Wykorzystaj wszystkie możliwości wyjątkowego minikomputera

Świat Radio listopad - grudzień 2025

Świat Radio

Magazyn krótkofalowców i amatorów CB

Automatyka, Podzespoły, Aplikacje listopad - grudzień 2025

Automatyka, Podzespoły, Aplikacje

Technika i rynek systemów automatyki

Elektronika Praktyczna listopad 2025

Elektronika Praktyczna

Międzynarodowy magazyn elektroników konstruktorów

Elektronika dla Wszystkich grudzień 2025

Elektronika dla Wszystkich

Interesująca elektronika dla pasjonatów