Zasilacze impulsowe - topologie, rozwiązania układowe i parametry

Zasilacze impulsowe - topologie, rozwiązania układowe i parametry

Zasilacze to najbardziej niedoceniana grupa aplikacji elektronicznych. Z pewnością przyczynił się do tego szeroki asortyment gotowych modułów, dopasowanych do większości rozwiązań. Bogata oferta rynkowa sprawia bowiem, że nasza wiedza na temat tych urządzeń... staje się uboga! Przygotowaliśmy artykuł, w którym opisujemy rozwiązania stosowane w nowoczesnych, wydajnych i energooszczędnych zasilaczach.

Niemal każdy elektronik z pamięci naszkicuje schemat zasilacza z transformatorem, mostkiem Graetza i stabilizatorem napięcia. Jednak takie zasilacze praktycznie nie są już dziś produkowane (no, może z wyjątkiem kilku specyficznych zastosowań). Sprawa mocno się komplikuje, gdy chodzi o schemat nawet prostego zasilacza impulsowego. Dlatego opracowaliśmy opis najważniejszych topologii przetwornic i rozwiązań układowych, pozwalających uzyskać wyśrubowane parametry zasilacza impulsowego.

Zasilacz impulsowy – podstawowe informacje

Moduł elektorniczny, który przetwarza energię elektryczną, zmieniając jej parametry i nie działa w sposób liniowy, lecz zawiera jeden lub kilka przełączników elektronicznych, to zasilacz impulsowy/przetwornica impulsowa (ang. Switch Mode Power Supply – SMPS). Przełącznikiem elektronicznym jest z zasady element półprzewodnikowy – tranzystor, który zapewnia bardzo niską rezystancję w stanie włączonym (minimalizacja strat przewodzenia) i bardzo dużą rezystancję w stanie wyłączonym. Przełączniki w zasilaczach impulsowych pracują z częstotliwościami od ok. 50 kHz do kilku MHz. Parametry wyjściowe zasilacza są kontrolowane poprzez zmianę cyklu pracy i/lub częstotliwości kluczowania.

Nieodłącznym elementem SMPS jest filtr dolnoprzepustowy zawierający elementy pasywne – cewki indukcyjne i kondensatory umieszczone za kluczem półprzewodnikowym, które zapewniają stabilne wartości napięcia i prądu wyjściowego. Ponieważ rozmiar elementów pasywnych jest odwrotnie proporcjonalny do częstotliwości przełączania, wysoka częstotliwość pracy pozwala na zmniejszenie rozmiarów elementów magnetycznych i kondensatorów. Dodatkowo – chociaż wysoka częstotliwość zapewnia większą gęstość mocy – zwiększa również straty energii wewnątrz przetwornicy i wprowadza dodatkowy szum elektromagnetyczny.

Zasilacze impulsowe przeznaczone do zasilania z sieci energetycznej o napięciu przemiennym 230 V AC zawierają transformator zamiast cewki indukcyjnej. Dzięki temu strona wtórna obwodu jest galwanicznie odizolowana od strony pierwotnej.

Schemat blokowy typowego zasilacza AC/DC został pokazany na rysunku 1, natomiast na fotografii 1 pokazano przykładowy zasilacz SMPS o mocy 75 W, bazujący na takim schemacie blokowym.

Rysunek 1. Schemat blokowy zasilacza AC/DC SMPS (http://t.ly/Gdgx5)
Fotografia 1. Budowa zasilacza SMPS o mocy 75 W bazującego na schemacie blokowym z rysunku 1 (http://t.ly/sUHnR)

Przetwornica typu Forward

Do podstawowych topologii zasilaczy SMPS należy przetwornica typu Forward, która odznacza się dużą sprawnością przetwarzania energii, wynoszącą ok. 95...97% i znajduje zastosowanie w aplikacjach wymagających mocy wyjściowej w zakresie do 300 W. Charakterystycznym elementem obwodu jest transformator podłączony w taki sposób, że uzwojenia pierwotne i wtórne mają zgodną polaryzację – znaczniki początków uzwojeń (kropki) na schemacie są umieszczone obok siebie. Ponadto prostownik na wyjściu transformatora zbudowany jest z dwóch diod, a obwód filtrowania sygnału wyjściowego zawiera cewkę indukcyjną. Uproszczony schemat przetwornicy typu Forward pokazano na rysunku 2. Brakuje na nim ważnego obwodu, któremu jednak poświęcimy oddzielny rozdział.

Załączenie przełącznika półprzewodnikowego Q1 doprowadza zasilanie wejściowe do uzwojenia pierwotnego, co natychmiast powoduje wytworzenie pola magnetycznego sprzężonego z uzwojeniem wtórnym. Zarówno w uzwojeniu pierwotnym, jak i wtórnym prąd narasta liniowo wraz z upływem czasu załączenia. Dioda prostownicza D1 przewodzi prąd wtórny, który przez cewkę Lo trafia do podłączonego obciążenia. Transformator nie magazynuje energii w czasie przewodzenia Q1, energia jest przekazywana bezpośrednio na wyjście konwertera i magazynowana w stopniu wyjściowym przetwornicy – w cewce indukcyjnej Lo oraz kondensatorze Co.

Kiedy przełącznik Q1 zostanie otwarty, pole magnetyczne zanika i żaden prąd nie płynie ani w uzwojeniu pierwotnym, ani we wtórnym. Teraz energia zmagazynowana w cewce LO jest przekazywana do obciążenia dzięki przewodzeniu diody D2. Dioda D1 w tym czasie nie przewodzi. Cewka wyjściowa zmniejsza tętnienia prądu kondensatora wyjściowego.

Napięcie wyjściowe zależy od napięcia wejściowego, współczynnika liczby zwojów NP/NS transformatora i parametrów cyklu pracy przełącznika Q1. Gabaryty transformatora zależą głównie od częstotliwości przełączania i mocy strat. Transformator typu forward-mode ma wysoką indukcyjność pierwotną (magnesującą) i brak w nim szczeliny powietrznej (transformatory z rdzeniem bez szczeliny nie są w stanie magazynować znacznej ilości energii).

Obwód rozmagnesowania rdzenia

Na schemacie z rysunku 2 brakuje bardzo ważnego obwodu. Transformator w przetwornicy Forward zasilany jest impulsami prądu o tym samym kierunku w każdym cyklu pracy. W takich warunkach zjawisko pozostałości magnetycznej transformatora doprowadza do namagnesowania rdzenia. Stopień namagnesowania rdzenia transformatora pogłębia się z każdym cyklem pracy przetwornicy, aż osiąga wartość nasycenia (zwykle w ciągu zaledwie kilku cykli pracy przełącznika). Wówczas transformator traci swoją pierwotną indukcyjność, a prąd w uzwojeniu narasta gwałtownie i doprowadza do uszkodzenia przełącznika półprzewodnikowego.

Rysunek 2. Uproszczony schemat przetwornicy typu Forward (http://t.ly/8bGtP)

Do prawidłowej pracy przetwornicy typu Forward potrzebny jest obwód rozmagnesowania rdzenia w kontrolowany sposób, tzw. obwód resetowania rdzenia w czasie, gdy przełącznik nie przewodzi prądu. Dzięki temu – w następnym cyklu pracy – prąd wejściowy znów będzie narastał od zera. Stosowane są w tym celu 3 główne techniki:

  • transformatory z dodatkowym uzwojeniem resetującym,
  • przetwornice typu Forward z dwoma przełącznikami,
  • przetwornice z aktywnym obwodem rozmagnesowującym – Active Clamp.

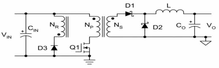
Transformator z dodatkowym uzwojeniem resetującym

Uzwojenie NR pokazane na schemacie z rysunku 3 określamy mianem uzwojenia resetującego i jest ono zintegrowane z transformatorem. Strumień magnetyczny, zmagazynowany wewnątrz rdzenia, w momencie wyłączenia przełącznika półprzewodnikowego Q1 indukuje ujemne napięcie na końcu uzwojenia NR, które polaryzuje diodę D3 w kierunku przewodzenia do głównej szyny zasilającej. Taki schemat działania pozwala uniknąć nasycenia rdzenia i zwraca energię do pierwotnego źródła zasilania bez znacznych strat, jednak wymaga odpowiedniego transformatora.

Rysunek 3. Uproszczony schemat przetwornicy typu Forward z transformatorem z dodatkowym uzwojeniem resetującym (http://t.ly/EMM0B)

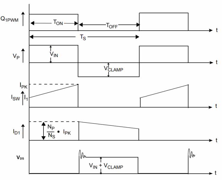
Przebiegi napięć i prądów w istotnych punktach układu zostały pokazane na rysunku 4.

Rysunek 4. Przebiegi napięć i prądów w kluczowych punktach przetwornicy typu Forward, gdzie: PWM – sygnał sterujący przełącznikiem półprzewodnikowym Q1, VP – napięcie na głównym uzwojeniu pierwotnym, IMAG – prąd wywołany pozostałością magnetyczną transformatora, IQ1 – prąd w obwodzie przełącznika Q1 i uzwojenia pierwotnego, VDS(Q1) – napięcie na przełączniku półprzewodnikowym, IL – prąd w obwodzie cewki wyjściowej, ID1, ID2 – prądy w obwodach diod wyjściowych, Źródło: http://t.ly/EMM0B

Uzwojenie resetujące jest nawinięte bifilarnie z uzwojeniem pierwotnym, aby zapewnić dobre sprzężenie i zminimalizować indukcyjność rozproszenia. Jednak przy wysokich częstotliwościach pracy przetwornicy (powyżej 100 kHz) bardzo trudno jest zapewnić dobre sprzężenie magnetyczne pomiędzy uzwojeniami NP i NR. Oba uzwojenia muszą mieć taką samą liczbę zwojów (ale przekrój drutu NR może być bardzo mały, ponieważ musi przewodzić jedynie mały prąd magnesowania), dlatego konieczne jest jednoczesne nawijanie tych uzwojeń. Powoduje to dodatkowe problemy z napięciem przebicia, należy zatem zastosować złożoną izolację. W efekcie wprowadzenie dodatkowego uzwojenia do konstrukcji transformatora powoduje zwiększenie indukcyjności rozproszenia – a więc problem, z którym walczymy, zaczyna się pogłębiać.

Czas potrzebny na spadek energii magnesowania do zera jest porównywalny do czasu załączenia zasilania na uzwojeniu pierwotnym. Oznacza to, że maksymalny teoretyczny współczynnik wypełnienia przetwornicy Forward wynosi 50%, a po uwzględnieniu opóźnień przełączania – jeszcze nieco mniej.

Ponadto maksymalne napięcie występujące na przełączniku półprzewodnikowym Q1 będzie ponad dwukrotnie większe od napięcia wejściowego. Wymienione ograniczenia sprawiają, że przetwornica tego typu pozwala na uzyskanie mocy wyjściowej do ok. 150 W.

Czas rozmagnesowania można skrócić poprzez zwiększenie liczby zwojów NR. W przypadku, gdy NP/NR=1/2, stosunek czasu aktywnego cyklu do czasu rozmagnesowania przyjmuje wartość 2. Jednak konsekwencją opisanego rozwiązania jest występowanie bardzo wysokiego napięcia na przełączniku półprzewodnikowym, dochodzącego do wartości 3×VIN. Oscylogram dla takiego przypadku został pokazany na rysunku 5. Dla porównania linią przerywaną nakreślono stopień namagnesowania rdzenia dla przypadku NP=NR, ale przy zachowaniu nierównych czasów cyklu aktywnego i rozmagnesowania.

Rysunek 5. Działanie obwodu rozmagnesowania z podwojoną liczbą zwojów NR (http://t.ly/wNJos)

Ważną cechą przetwornicy Forward jest niemal ciągły prąd cewki wyjściowej. Dzięki temu zasilacz dobrze nadaje się do zastosowań wymagających bardzo dużych prądów obciążenia (>15 A). Z drugiej strony, użycie zasilacza tego typu w zastosowaniach wymagających wysokiego napięcia wyjściowego (>30 V) wymaga cewki indukcyjnej o odpowiednich parametrach, co podnosi koszt finalnego rozwiązania.

Przetwornica Forward z dwoma przełącznikami półprzewodnikowymi

Niektóre wady układu z uzwojeniem resetującym można rozwiązać, stosując układ z dwoma przełącznikami półprzewodnikowymi – Two-Transistor – TT. Uproszczony schemat został pokazany na rysunku 6. Napięcie na żadnym przełączniku nie przekracza poziomu napięcia zasilania w całym cyklu pracy, co pozwala na użycie szybszych i bardziej wydajnych komponentów przystosowanych do napięcia 400...500 V (w zastosowaniach sieciowych 230 V AC). Rozmagnesowanie rdzenia osiąga się dzięki diodom prostowniczym (D1 i D2 na schemacie z rysunku 6) i nie jest wymagane dodatkowe uzwojenie resetujące.

Rysunek 6. Uproszczony schemat przetwornicy typu Forward z dwoma przełącznikami półprzewodnikowymi (Two-Transistor TT) (http://t.ly/lLhzm)

Przełączniki półprzewodnikowe Q1 i Q2 otwierają się i zamykają jednocześnie. Zamknięcie obu przełączników powoduje przenoszenie energii z uzwojenia pierwotnego do wtórnego. W uzwojeniu wtórnym dioda D3 przewodzi energię do cewki wyjściowej i obciążenia. Po otwarciu przełączników energia pozostałości magnetycznej oraz indukcyjności rozproszenia – indukowana w uzwojeniu pierwotnym – płynie przez diody D1 i D2 do źródła zasilania. Natomiast po stronie wtórnej przewodzi wtedy dioda D4, uwalniając energię zgromadzoną w cewce wyjściowej Lo.

Topologia dwutranzystorowa jest uważana za najbardziej niezawodną w przypadku przetwornic AC/DC o większej mocy. Wynika to z kilku faktów.

  • Przełączniki półprzewodnikowe muszą wytrzymać tylko napięcie o wartości maksymalnego napięcia wejściowego (z niewielkim zapasem).
  • Wszelkie stany przejściowe w chwilach przełączania spowodowane parametrami pasożytniczymi są niwelowane przez szybkie diody.
  • Ponieważ oba tranzystory włączają się i wyłączają jednocześnie, nie ma wymogu zachowania czasów martwych – dead time.
  • Nie są potrzebne żadne sieci tłumiące. Zarówno resztkowa energia magnesowania, jak i energia zgromadzona w indukcyjności rozproszenia są przenoszone z powrotem do linii zasilania przez dwie diody. Zwiększa to wydajność i zmniejsza zakłócenia elektromagnetyczne, ponieważ nadmiar energii nie jest rozpraszany, ale poddawany „recyklingowi”.
  • Nie jest wymagane uzwojenie resetowania, co upraszcza konstrukcję transformatora i obniża koszty.
  • Na tranzystorach MOSFET nie pojawiają się napięcia wsteczne, dzięki czemu diody w strukturach tranzystorów nie są obciążone.

Zasadniczą wadą układu TT jest to, że część aktywna cyklu pracy musi być utrzymywana na poziomie poniżej 50%, aby umożliwić właściwy reset transformatora w każdym cyklu. Ponadto diody gaszące D1 i D2 muszą być typu superszybkiego (ultra fast) i wysokonapięciowe. Ze względu na większą liczbę elementów jest to układ kosztowny.

Obwód Active Clamp

Omówione wcześniej rozwiązania mają jedno wspólne ograniczenie – aktywny cykl pracy przetwornicy nie może przekraczać 50% okresu ze względu na czas potrzebny na resetowanie rdzenia. Lepsze możliwości rozmagnesowania uzyskiwane są przez zastosowanie konwertera z obwodem aktywnym, zawierającym dodatkowy przełącznik półprzewodnikowy i kondensator – rysunek 7.

Rysunek 7. Uproszczony schemat przetwornicy typu Forward z obwodem Active Clamp (http://t.ly/69TfG)

Na zaprezentowanym schemacie obwód Active Clamp znajduje się po stronie dodatniej szyny zasilania, zatem jest to wersja High Side, stosowana przy wysokich napięciach zasilających >100 V. Poszczególne etapy działania pokazuje rysunek 8, a oscylogramy przebiegów w najważniejszych punktach układu zostały pokazane na rysunku 9.

Rysunek 8. Zasada działania obwodu High Side Active Clamp (http://t.ly/37HZv)

Przełączniki Q1 i Q2 działają naprzemiennie z uwzględnieniem czasu martwego (dead time). W pierwszym etapie włączony jest przełącznik główny Q1, więc energia jest przekazywana do uzwojenia wtórnego oraz – w niewielkim stopniu – pochłaniana przez indukcję rozproszoną, powoduje ponadto magnesowanie rdzenia. Gdy Q1 zostanie wyłączony, na uzwojeniu NP indukuje się napięcie o przeciwnej biegunowości – na drenie Q1 pojawi się wartość dużo większa od VIN. Dzięki diodzie zawartej w strukturze Q2 napięcie tej szpilki zostanie przekazane do kondensatora CCL. W tym czasie otwiera się również Q2 i usprawnia ładowanie CCL. Gdy indukowane napięcie zaniknie, energia z kondensatora CCL przez otwarty Q2 zasila uzwojenie NP prądem o przeciwnym kierunku (moment zaznaczony na rysunku 8). Przełącznik Q2 zostaje zablokowany przed ponownym załączeniem Q1.

Rysunek 9. Przebiegi napięć i prądów w kluczowych punktach przetwornicy z obwodem Active Clamp (http://t.ly/YSpVQ)

Napięcie kondensatora CCL jest sumowane z napięciem zasilającym. Suma tych napięć poprzez przełącznik Q2 zasila uzwojenie pierwotne transformatora i powoduje przepływ prądu w odwrotnym kierunku, dzięki czemu rozmagnesowanie jest możliwe w krótszym czasie. Oznacza to, że przetwornica może pracować z cyklem aktywnym większym niż 50%. Ponadto wzrasta ogólna sprawność układu, ponieważ energia nie jest tracona w postaci ciepła oraz możliwe jest lepsze wykorzystanie możliwości transformatora.

Podstawową wadą obwodu Active Clamp jest fakt, że należy wygenerować drugi sygnał PWM, a przełącznik Q2 wymaga sterownika typu High-Side.

Przetwornice typu Flyback

Przetwornica typu Flyback (FBT) nazywana jest również izolowaną przetwornicą buck-boost i znajduje zastosowania zarówno w konwersji AC/DC, jak i DC/DC. Transformator nie tylko zapewnia izolację galwaniczną pomiędzy wejściem i wyjściem, ale działa także jako cewka akumulacyjna. Energia jest magazynowana w polu magnetycznym transformatora w cyklu przewodzenia przełącznika, a następnie uwalniana do uzwojenia wtórnego w cyklu wyłączenia klucza. Poprzez zmianę współczynnika zwojów można regulować napięcie wyjściowe, co pozwala uzyskać różne konfiguracje. Przetwornice typu Flyback są szeroko stosowane w aplikacjach o małej mocy (do ok. 150 W) i mogą dostarczać wyższych napięć wyjściowych, nawet do 400 V przy małej mocy wyjściowej (15...20 W).

Głównymi elementami konwertera typu Flyback są: przełącznik półprzewodnikowy, obwód sterujący przełącznikiem, transformator, dioda prostownicza i kondensator. Uproszczony schemat został pokazany na rysunku 10.

Rysunek 10. Uproszczony schemat przetwornicy typu Flyback (http://t.ly/zXlF7)

Kiedy przełącznik Q1 pozostaje włączony, uzwojenie pierwotne transformatora jest zasilane napięciem wejściowym – początek uzwojenia (oznaczony kropką) staje się dodatni w stosunku do końca uzwojenia. Uzwojenie wtórne jest podłączone odwrotnie niż w przetwornicy typu Forward – początek uzwojenia (kropka) zostaje połączony z masą wyjścia. Napięcie indukowane w uzwojeniu wtórnym jest ujemne, dioda D1 jest zablokowana, więc transformator zachowuje się jak cewka indukcyjna. Prąd pierwotny i strumień magnetyczny w transformatorze zwiększają swoje wartości. W tej części cyklu pracy kondensator wyjściowy Co dostarcza energię do obciążenia. Zatem wartość kondensatora wyjściowego powinna być wystarczająco duża, aby zapewnić zasilanie obciążenia przez czas Ton, przy maksymalnym zdefiniowanym spadku napięcia wyjściowego.

Kiedy przełącznik zostaje wyłączony, napięcie wtórne zmienia polaryzację z powodu zanikającego pola magnetycznego i dioda prostownicza D1 ulega spolaryzowaniu w kierunku przewodzenia, a energia zmagazynowana w rdzeniu transformatora ładuje kondensator i zasila obciążenie.

Pod koniec okresu przewodzenia Q1, gdy przełącznik przechodzi do stanu wyłączenia, nie ma obwodu, który mógłby rozproszyć zmagazynowaną energię upływu w rdzeniu magnetycznym transformatora. Istnieje kilka sposobów rozproszenia tej energii, które omówimy w kolejnych rozdziałach.

Zalety przetwornicy Flyback to przede wszystkim nieskomplikowany obwód i minimalna liczba komponentów. Wady tego rozwiązania to:

  • wymagany duży kondensator wyjściowy w celu zmniejszenia tętnień,
  • wysokie straty spowodowane prądami wirowymi w obszarze szczeliny powietrznej,
  • generowanie zakłóceń elektromagnetycznych,
  • nieoptymalne wykorzystanie możliwości transformatora.

Transformator typu Flyback

Transformator typu Flyback działa inaczej niż zwykły transformator, ponieważ jego uzwojenia pierwotne i wtórne nie przewodzą jednocześnie. Transformatory do przetwornic flyback muszą mieć określoną indukcyjność magnesującą i stosowana jest w nich konstrukcja rdzenia ze szczeliną powietrzną, co umożliwia magazynowanie dużej energii bez nasycania rdzenia.

Przetwornica typu Flyback ma dwa tryby pracy w zależności od tego, czy indukcyjność pierwotna transformatora jest całkowicie rozmagnesowana, czy nie. W trybie nieciągłym prąd wtórny spada do zera w każdym okresie przełączania, a cała energia jest dostarczana do obciążenia przed następnym cyklem.

Natomiast między momentem, w którym prąd wtórny osiąga zero, a początkiem następnego cyklu występuje również czas jałowy. Nazywa się to pracą trójkątną.

W trybie ciągłym energia zmagazynowana w cewce nie jest całkowicie przekazywana do kondensatora wyjściowego i obciążenia przed wystąpieniem kolejnego okresu ładowania. Nazywa się to pracą trapezową. Główną zaletą trybu ciągłego jest to, że przepływające prądy szczytowe są tylko o połowę mniejsze niż prądy nieciągłe przy tej samej mocy wyjściowej, dlatego możliwe jest uzyskanie mniejszego tętnienia wyjściowego. Jednakże rozmiar rdzenia musi być około 2 do 4 razy większy w trybie ciągłym, aby osiągnąć zwiększoną indukcyjność, niezbędną do zmniejszenia prądów szczytowych i osiągnięcia ciągłości.

Wpływ indukcyjności upływu na działanie przetwornicy Flyback

Indukcyjność upływu to rodzaj indukcyjności pasożytniczej, która występuje we wszystkich obwodach z transformatorami. Postrzegamy ją jako indukcyjność, która nie jest bezpośrednio podłączona do obwodu, ale jest sprzężona przez pole magnetyczne transformatora. Wielkość ta stanowi składnik pasożytniczy – co oznacza, że nie zostaje ona bezpośrednio uwzględniona w projekcie obwodu, ale jest obecna ze względu na właściwości fizyczne transformatora. Można ją postrzegać jako upływ pola magnetycznego transformatora z uzwojenia pierwotnego do uzwojenia wtórnego (lub odwrotnie).

Indukcyjność upływu może mieć różny wpływ na przetwornice zarówno Forward, jak i Flyback ze względu na sposób przesyłania energii. W przypadku przetwornicy Flyback indukcyjność upływu powoduje skok napięcia na przełączniku, gdy ten się wyłącza – rysunek 11. Zjawisko jest silniejsze przy większych prądach obciążenia. Projekt obwodu musi zapewnić odpowiedni układ tłumienia skoków napięcia tak, aby różncia potencjałów na uzwojeniu pierwotnym pozostała poniżej maksymalnego napięcia przełącznika półprzewodnikowego.

Rysunek 11. Skok napięcia na przełączniku spowodowany indukcyjnością upływu (http://t.ly/beWCs)

Tłumik pasywny RCD

Najprostsze konwertery Flyback zawierają obwód rezystorowo-kondensatorowo-diodowy (RCD), który umożliwia rozproszenie energii zgromadzonej w indukcyjności upływu transformatora. Chroni to główny wyłącznik zasilania konwertera przed przeciążeniem elektrycznym związanym ze skokami napięcia drenu podczas wyłączania Q1. Niestety, straty mocy w elementach RCD pogarszają ogólną wydajność systemu i generują niepożądane ciepło. Straty te rosną wraz z częstotliwością przełączania.

Rysunek 12. Schemat przetwornicy Flyback z obwodem RCD (http://t.ly/JJUk6)

Schemat przetwornicy z takim obwodem został pokazany na rysunku 12, a przebiegi napięć i prądów – na rysunku 13.

Rysunek 13. Przebiegi napięć i prądów w najistotniejszych punktach przetwornicy Flyback z obwodem RCD (http://t.ly/weQNa)

Tłumik aktywny Active Clamp Flyback

Wymiana diody prostowniczej układu pasywnego (rysunek 12) na przełącznik typu MOSFET poprawia wydajność przetwornicy oraz chroni przełącznik zasilania Q1. Schemat przetwornicy z aktywnym układem tłumienia ACF pokazano na rysunku 14.

Rysunek 14. Schemat przetwornicy z aktywnym układem tłumienia ACF (http://t.ly/IzrXD)

Architektura ACF może przetwarzać energię indukcyjności upływu z powrotem do obciążenia. Gdy przełącznik zasilania Q1 wyłącza się, napięcie spowodowane indukcyjnością upływu (VCLAMP) zaczyna płynąć przez diodę znajdującą się w strukturze Q3, ładując kondensator CC. Następnie włącza się Q3, kontynuując ładowanie pojemności CC. Po pewnym czasie energia zaczyna przepływać z kondensatora do uzwojenia transformatora przez Q3 i rozładowuje indukcyjność upływu.

Podsumowanie

Przetwornice Flyback i Forward stanowią bazową topologię izolowanych zasilaczy SMPS o niewielkich mocach. Wybór między tymi dwiema konstrukcjami zależy od konkretnych wymagań aplikacji i kompromisów, które należy przyjąć pod względem wydajności, gabarytów, możliwości obciążenia i kosztów.

Jednak należy pamiętać, że istnieje jeszcze cały wachlarz topologi półmostkowych i pełnomostkowych, półrezonansowych i rezonansowych, które pozwalają na budowanie zasilaczy o znacznie większych mocach, ale również znacznie bardziej skomplikowanej konstrukcji.

Damian Sosnowski, EP

Bibliografia:

  1. https://ww1.microchip.com/downloads/en/AppNotes/01114A.pdf
  2. https://my.avnet.com/abacus/solutions/technologies/power/the-design-engineers-guide/switched-mode-power-supplies/
  3. https://isatronick.be/smps/
  4. https://www.aeps-group.com/elementary-school-of-pulsed-dc-dc-converters-second-grade/
  5. https://recom-power.com/zh/support/technical-resources/book-of-knowledge/ac-dc-book-of-knowledge/acdc-bok-chapter8-topologies.html?0
  6. https://www.slideshare.net/slideshow/power-topologiesfull-deck04251964mappus/51767843
  7. https://www.powerelectronictips.com/flybacks-forwards-active-clamps-poe-and-usb-pd-faq/
  8. https://www.analog.com/jp/resources/technical-articles/designing-singleswitch-resonantreset-forward-converters.html
  9. https://www.edn.com/active-clamp-flyback-complements-ultra-high-density-usb-c-pd-3-0-designs/
  10. https://www.mpsind.com/blog/the-role-of-forward-converters/
Artykuł ukazał się w
Elektronika Praktyczna
wrzesień 2024
Elektronika Praktyczna Plus lipiec - grudzień 2012

Elektronika Praktyczna Plus

Monograficzne wydania specjalne

Elektronik listopad 2025

Elektronik

Magazyn elektroniki profesjonalnej

Raspberry Pi 2015

Raspberry Pi

Wykorzystaj wszystkie możliwości wyjątkowego minikomputera

Świat Radio listopad - grudzień 2025

Świat Radio

Magazyn krótkofalowców i amatorów CB

Automatyka, Podzespoły, Aplikacje listopad - grudzień 2025

Automatyka, Podzespoły, Aplikacje

Technika i rynek systemów automatyki

Elektronika Praktyczna listopad 2025

Elektronika Praktyczna

Międzynarodowy magazyn elektroników konstruktorów

Elektronika dla Wszystkich grudzień 2025

Elektronika dla Wszystkich

Interesująca elektronika dla pasjonatów