Przetwornik A/C audio z układem PCM1803

Przetwornik A/C audio z układem PCM1803
Pobierz PDF Download icon
Opisywany układ przetwornika A/C umożliwia dołączenie analogowego źródła sygnału do cyfrowego toru audio. Pracuje on z częstotliwością próbkowania 96 kHz i rozdzielczością 24 bitów. Model służy do konwersji sygnału analogowego z tunera FM do postaci cyfrowej doprowadzonej do wejścia przetwornika C/A w systemie pozbawionym przedwzmacniacza analogowego. Oczywiście, nie jest to jedyne zastosowanie - z powodzeniem może uzupełnić kartę dźwiękową o dodatkowe wejście analogowe itp. Rekomendacje: w projekcie zastosowano jeden z "kultowych" układów scalonych, co jest gwarancją uzyskania sygnału audio o bardzo dobrej jakości.

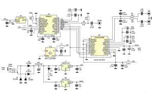
Schemat ideowy przetwornika sygnału audio pokazano na rysunku 1. Skład się on z dwóch bloków funkcjonalnych: przetwornika A/C (U5) oraz nadajnika interfejsu S/PDIF (U4). Te układy są uzupełnione o generator sygnału zegarowego MCLK (XT2=24,576 MHz) i oczywiście, zasilaczem.

Rysunek 1. Schemat ideowy przetwornika ADC_PCM1803

Jako konwerter A/C wybrałem układ PCM1803A firmy TI, popularny w sprzęcie audio. Układ ma dobre parametry, prostą aplikację z konfiguracją sprzętową i niską cenę, co czyni go rozsądnym wyborem w tym zastosowaniu.

Schemat blokowy układu PCM1803 przedstawia rysunek 2. Ma on wbudowane dwa przetworniki A/C delta-sigma wraz z filtrem cyfrowym i elastycznie konfigurowanym układem nadajnika szeregowego z wyborem standardu przesyłu danych cyfrowych oraz układ generatora sygnałów zegarowych. W modelu PCM1803A taktowany (wejście SCKI) jest przez generator XT2 (24,567 MHz/256=96 kHz) i pracuje w trybie I²S master, tj. jest źródłem wszystkich trzech sygnałów I²S: DOUT/BCK/LRCK.

Układ scalony U5 pracuje w trybie konfiguracji sprzętowej. Jego funkcje określone są poziomami na odpowiednich wyprowadzeniach: Mode0/1 określa tryb pracy Master/Slave (Mode0/1=1, Master fs×256), FMT0/1 tryb pracy interfejsu cyfrowego (FMT0=1, FMT1=0 I²S 24bit), OSR krotność oversamplingu (OSR=0, x64), BYPAS (BYPAS=0, odfiltrowanie składowej stałej), !PWDN power-down (!PWDN=0, układ stale aktywny).

Rysunek 2. Schemat blokowy PCM1803A (za notą TI)

Układ jest zasilany z dwóch źródeł: +5 V (V50A) dla części analogowej i 3,3 V (V33) dla części cyfrowej. Odpowiednie zespoły kondensatorów filtrują zasilanie, wewnętrzny PLL filtrowany jest dodatkowo przez dławik L1 i kondensator C6. Wejściowy sygnał analogowy z gniazd INL/INR poprzez kondensatory separujące składową stałą i prosty filtr anty-aliasingowy doprowadzony jest do wejść PCM1803A.

Wyjściowy sygnał w standardzie I²S trafia do nadajnika SPDIF zrealizowanego na popularnym WM8804 (U4). Układ pracuje w trybie slave, sygnał MCLK pochodzi podobnie jak dla PCM1803 z generatora XT2. Szczegółowy opis działania WM8804 był publikowany już nie raz, więc zostanie pominięty. Układ MCP100T (U3) pełni funkcję resetu dla WM8804. Pozostałe elementy filtrują zasilanie. Sygnał wyjściowy po dopasowaniu przez rezystory R3 i R4 oraz kondensator C11 jest doprowadzony do gniazda S/PDIF.

Zasilacz układu jest typowy. Moduł jest zasilany napięciem przemiennym (7 V AC/4 VA z zasilacza wtyczkowego), które po odfiltrowaniu i stabilizacji zasila część analogową (stabilizator U2) i cyfrową (stabilizator U1) przetwornika. Dioda PS sygnalizuje obecność zasilania układu.

Wykaz elementów

Rezystory: (SMD 0805)
R1: 2,2 kΩ
R2: 10 kΩ
R3: 210 Ω/1%
R4...R6: 110 Ω/1%

Kondensatory: (SMD 0805)
C1...C4, C6: 1 µF
C5, C9...C11, C14...C17: 0,1 µF
C7, C8: 18 pF
C12, C13: 0,01 µF (foliowy R=5 mm)
C18, C19: 2,2 µF (foliowy R=5 mm)
CE1: 1000 µF/16 V (elektrolityczny D=10 mm)
CE2...CE6: 10 µF (SMD "A", tantalowy)

Półprzewodniki:
D1...D4: UF4007 (dioda szybka, SMD)
LD1: dioda LED 3 mm
U1: LM1117-3.3 (SOT-223)
U2: LM1117-5.0 (SOT-223)
U3: MCP100T (SOT-23)
U4: WM8804 (SSOP20/300)
U5: PCM1803ADB (SSOP20/300)

Inne:
INL, INR, SPDIF: złącze RCA do druku
L1...L3: 0,1 mH (dławik SMD 0805)
PWR: złącze zasilania DC9 do druku
XT1: 12 MHz (kwarc HC49 niski)
XT2: 24,576 MHz (oscylator kwarcowy)

Rysunek 3. Rozmieszczenie elementów na płytce ADC_PCM1803

Sposób montażu jest typowy i nie wymaga opisu. Rozmieszczenie elementów przedstawia rysunek 3. Po zmontowaniu i sprawdzeniu poprawności montażu, można podłączyć źródło sygnału analogowego (maksymalnie 1 Vrms), zasilanie (7 V AC/4 VA) i dołączyć A/C do sytemu cyfrowego.

Układ poprawnie zmontowany nie wymaga żadnych regulacji i powinien zadziałać po włączeniu zasilania. Płytka przetwornika jest przystosowana do montażu w obudowie Hammond 1455.

 

Adam Tatuś, EP

Artykuł ukazał się w
Elektronika Praktyczna
sierpień 2014
DO POBRANIA
Pobierz PDF Download icon
Materiały dodatkowe
Elektronika Praktyczna Plus lipiec - grudzień 2012

Elektronika Praktyczna Plus

Monograficzne wydania specjalne

Elektronik listopad 2025

Elektronik

Magazyn elektroniki profesjonalnej

Raspberry Pi 2015

Raspberry Pi

Wykorzystaj wszystkie możliwości wyjątkowego minikomputera

Świat Radio listopad - grudzień 2025

Świat Radio

Magazyn krótkofalowców i amatorów CB

Automatyka, Podzespoły, Aplikacje listopad - grudzień 2025

Automatyka, Podzespoły, Aplikacje

Technika i rynek systemów automatyki

Elektronika Praktyczna listopad 2025

Elektronika Praktyczna

Międzynarodowy magazyn elektroników konstruktorów

Elektronika dla Wszystkich grudzień 2025

Elektronika dla Wszystkich

Interesująca elektronika dla pasjonatów