Komputer pokładowy z funkcją tempomatu

Komputer pokładowy z funkcją tempomatu
Pobierz PDF Download icon

W prasie specjalistycznej i w Internecie wielokrotnie były opisywane projekty komputerów pokładowych przeznaczonych do samochodów, ale zdecydowana większość z nich była przystosowana do zastosowania w pojazdach z silnikiem benzynowym. Lubię silniki wysokoprężne i jestem użytkownikiem takiego samochodu, więc postanowiłem zaprojektować i wykonać taki komputer we własnym zakresie.

Podczas projektowania postawiłem sobie kilka założeń dotyczących obsługi i funkcjonalności:

  • Obsługa urządzenia za pomocą dwóch przycisków.
  • Funkcja wyłączania silnika po czasie przeznaczonym na ostudzenie turbosprężarki.
  • Funkcja tempomatu.
  • Funkcja tankowanie (kasowanie licznika kilometrów oraz czasu jazdy).
  • Menu z ustawieniami czasu, daty, wartości do prawidłowego działania tempomatu.
  • Zabezpieczenie menu kodem dostępu.
  • Wyświetlanie konieczności wykonania przeglądu.
  • Kompaktowa konstrukcja, która zmieści się we wnęce nad radiem.

Komputer ma wyświetlać następujące informacje:

  • Godzinę i datę.
  • Temperaturę zewnętrzną oraz informację o możliwości wystąpienia gołoledzi lub oblodzenia jezdni (za pomocą diod LED).
  • Przejechaną drogę oraz drogę przebytą od tankowania.
  • Aktualną prędkość jazdy.
  • Spalanie chwilowe podczas postoju i w trakcie jazdy.
  • Spalanie średnie.
  • Zasięg na pozostałym paliwie i sygnalizacja zasięgu poniżej 100 km (zapalenie diody sygnalizacyjnej).
  • Czas jazdy.
  • Średnią prędkość jazdy.

Obsługa

Do obsługi komputera służą dwa przyciski. Po lewej stronie zamontowano przycisk Funkcje/Menu. Służy on do wyboru wyświetlanej wielkości lub załączenia wyświetlania menu komputera. Do menu można wejść trzymając wciśnięty przycisk "Menu" i włączając zasilanie (przekręcając kluczyk stacyjki w położenie "2"). Zostanie wyświetlony komunikat "Menu". Teraz puszczamy przycisk i mamy dostęp do:

  • Ustawień aktualnego czasu i daty.
  • Ustawień tempomatu, takich jak wzmocnienie sygnału błędu oraz zwłoka pomiędzy pomiarami.
  • Minimalne i maksymalne napięcie dostarczane na pedał gazu w funkcji tempomatu.
  • Włączenie kodu zabezpieczającego dostęp do menu.
  • Ustawienie kodu zabezpieczającego.

Aby opuścić menu naciskamy przycisk Funkcje/Menu aż pojawi się komunikat powitalny. Prawy przycisk Up/Tempomat/Tankowanie pełni kilka funkcji, zależnie od trybu pracy komputera:

  • W trybie "Menu" można za jego pomocą zmieniać wartości "w górę": godzinę, datę, ustawienia tempomatu i kodu zabezpieczającego.
  • Po zatankowaniu zbiornika samochodu i uruchomieniu silnika przytrzymujemy go przez około 2 s - wówczas zostaje uruchomiona funkcji "Tankowanie", która powoduje wyzerowanie licznika przejechanej drogi i wyświetlanie i ilości paliwa w zbiorniku. Jest ważne, aby w trakcie zerowania samochód stał nieruchomo.
  • Podczas jazdy, po wciśnięciu tego przycisku zostaje uruchomiony tempomat, po około 2 s jest wyświetlona zadana prędkość, po kolejnych 2 s tempomat podejmuje pracę.

Każdemu naciśnięcie przycisku towarzyszy sygnał dźwiękowy.

Funkcja wyłączenia silnika po ustalonym czasie jest przydatna, jeśli jest on wyposażony w turbosprężarkę. Zgodnie z zaleceniami niektórych producentów, powinno się ja nieco ostudzić przed zgaszeniem silnika, a nie zawsze jest jednak na to czas, albo po prostu się nam nie chce czekać.

Czas moim komputerze czas do wyłączenia silnika jest zależny od czasu jazdy i nie może być krótszy niż 30 sekund ani dłuższy niż od 2 minut. Funkcja działa tylko wtedy, gdy hamulec postojowy jest zaciągnięty. W przeciwnym razie silnik gaśnie po ok. 1 s od wyjęcia kluczyka ze stacyjki.

Obsługę tempomatu opisano przy omawianiu funkcji przycisku Up /Tempomat / Tankowanie, tu podamy tylko skrócony opis funkcjonalny. Podczas jazdy ze stałą prędkością włączamy Tempomat. Po zapamiętaniu prędkości puszczamy pedał gazu -samochód zwalnia, by po chwili przyśpieszyć do zadanej prędkości. Gdy podczas działania tempomatu wciśniemy sprzęgło lub hamulec, to funkcja nadal działa, ale gaz zostaje zwolniony i można wtedy zwolnić lub zmienić bieg.

Po zwolnieniu pedału tempomat będzie dążył do ustabilizowania i utrzymania zadanej prędkości. Gdy chcemy kogoś wyprzedzić, to należy wcisnąć pedał gazu, a samochód po chwili zacznie przyspieszać. Po zwolnieniu pedału, funkcja Tempomat ponownie stabilizuje i utrzymuje stałą prędkość. Tempomat można wyłączyć za pomocą przycisku Up/ Tempomat/ Tankowanie albo poprzez jednoczesne wciśnięcie sprzęgła i hamulca.

Funkcję "Tankowanie" opisano przy okazji omawiania roli przycisku Up/ Tempomat/ Tankowanie. Należy jedynie dodać, że ta funkcja służy jedynie do zapamiętania ilości paliwa w zbiorniku. Jest to potrzebne do obliczenia zasięgu i średniego zużycia paliwa. Należy jej używać po tankowaniu Po uruchomieniu tankowania musi minąć ok.40s, aby poziom napięcia na wejściu pomiarowym paliwa się ustabilizował.

Komunikaty serwisowe informują o konieczności wymiany oleju, filtra powietrza oraz rozrządu. Dodatkowo, po komunikacie powitalnym mamy informację po jakim przebiegu niezbędne będzie wykonanie danych czynności. Komunikat można wyłączyć naciskając przycisk Up/ Tempomat/ Tankowanie.

Temperatura zewnętrzna jest mierzona tylko wtedy, gdy samochód jest w ruch, aby strumień świeżego powietrza owiewał sensor temperatury. Pomiar odbywa się z rozdzielczością 0,5°C dodatkowo są zapalane lampki sygnalizujące gołoledzi, gdy temperatura spadnie poniżej 2°C, i gaśnie, gdy temperatura spadnie poniżej 0°C wtedy zapala się lampka oblodzenia jezdni. Lampka oblodzenia gaśnie powyżej 1°C.

Przebyta droga jest mierzona od każdej rozpoczętej jazdy do jej zakończenia po wyłączeniu silnika dane te są zerowane. Całkowity przejechany dystans jest liczony od pierwszej podróży po tankowaniu do kolejnego tankowania. Dane te komputer wykorzystuje do obliczenia średniego zużycia paliwa.

Pomiar aktualnej prędkości jazdy odbywa się poprzez zliczanie impulsów pochodzących z czujnika drogi i podzieleniu ich przez określony czas. Wartości tej komputer potrzebuje do obliczenia spalania chwilowego podczas jazdy oraz do obliczenia do przejechanej drogi. Spalanie chwilowe na postoju jest to spalona ilość paliwa w funkcji czasu.

Spalanie chwilowe podczas jazdy jest to wartość chwilowo spalonego paliwa podzielona przez prędkość jazdy. Pomiar jest uśredniany - aby wartość była stabilna - i aktualizowany, co 2,5 sekundy. Średnie spalanie jest obliczane na podstawie zużytego paliwa i przejechanej drogi. Wartość ta jest wykorzystana do obliczenia zasięgu. Pomiar jest uśredniany i aktualizowany, co 10 minut.

Zasięg jest obliczony na podstawie aktualnego poziomu paliwa w zbiorniku i podzieleniu przez średnie zużycie. Czas jazdy jest liczony od chwili przekręcenia kluczyka i jest zerowany po wyłączeniu silnika wartość ta jest potrzebna do obliczenia średniej prędkości jazdy. Prędkość średnia jest mierzona na podstawie przejechanej drogi podzielonej przez czas jazdy.

Tempomat używa algorytmu PID, więc jest konieczne ustawianie wzmocnienia członu P i członu D. Ma to wpływ na komfort użytkowania tempomatu, zmienne należy ustalić według własnego uznania oraz dostosować do charakterystyki przyspieszenia samochodu. Drugim ważnym ustawieniem jest zwłoka pomiaru poprzedniej prędkości odpowiada za płynność jazdy oraz na zmianę obciążenia silnika Np. podjazdu pod wzniesienie.

Opis układu

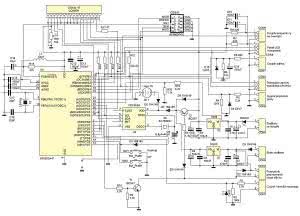
Rysunek 1. Schemat ideowy komputera pokładowego z tempomatem

Na rysunku 1 pokazano schemat komputera pokładowego. Sercem urządzenia jest mikrokontroler ATmega168 taktowany zewnętrznym rezonatorem kwarcowym 16 MHz. Obsługuje on interfejs użytkownika złożony z wyświetlacza LCD z podświetleniem, przycisków SW1 i SW2 oraz buzzera BUZ1. Wyświetlacz jest dołączony do złącza CON11 za pośrednictwem 16-pinowej listwy goldpin.

W komputerze zastosowano zegar czasu rzeczywistego U3 (PCF8563). Zegar jest taktowany za pomocą rezonatora zegarkowego. Do dokładnego ustawienia częstotliwości służy trymer C9. Do komunikacji z nim, panelem LED i modułem tempomatu służy interfejs I²C.

Układ zegara ma dwa, niezależne od siebie, źródła zasilania w postaci baterii BT1 o napięciu 3 V oraz stabilizatora U1 z kondensatorami filtrującymi C1-C4 i diodą D4, która zabezpiecza przed podaniem napięcia o odwrotnej polaryzacji. Dzięki temu data i godzina są zachowywane po odłączeniu akumulatora pojazdu.

Na wejście kanału ADC0 jest podawane napięcie z czujnika paliwa. Jest ono obniżane do wartości, które może mierzyć mikrokontroler za pomocą dzielnika złożonego z rezystorów R5 i R6. Dioda D10 dodatkowo zabezpiecza wejście analogowe. Kanał ADC1 jest wykorzystany do pomiaru napięcia po stacyjce - napięcie jest obniżane za pomocą dzielnika R19 i R20.

Pomiar temperatury zewnętrznej jest zrealizowany za pomocą czujnika DS1820 umieszczonego w komorze silnika i dołączonego przez 3-żyłowy kabel do wejścia CON9. Do wejścia CON5 doprowadzono sygnał prędkości jazdy. Jest to przebieg prostokątny o stałym wypełnieniu i częstotliwości zależnej od prędkości. Ten sygnał ma amplitudę do 12 V, więc jest niezbędne zastosowanie ogranicznika amplitudy. Zbudowano go z rezystorów R3 i R4 oraz diody D9. Po ograniczeniu sygnał jest podawany na zewnętrzne wejście T0.

Rysunek 2. Układ formujący impulsy sterujące pompą wtryskową na potrzeby komputera

Sygnałem informujący o czasie wtrysku jest podawany na wejście CON6 i wcześniej formowany poprzez układ widoczny na rysunku 2. Następnie, jest podawany bezpośrednio na wejścia zewnętrznych przerwań INT0 i INT1. Rezystory R12 i R14 ustawiają poziom wysoki na wejściach przerwań. Do wejścia CON1 jest doprowadzone napięcie z czujnika typu NO hamulca postojowego.

Rezystory R1, R2 i dioda D1 dostosowują poziomy napięć. Do wyjścia CON2 jest doprowadzony przekaźnik podtrzymujący pracę silnika po wyjęciu kluczyka ze stacyjki (czas na ostudzenia turbosprężarki). Dioda D2 zabezpiecza tranzystor T1 przed przepięciami powstającymi na skutek wyłączania przekaźnika podtrzymania.

Złącze CON10 służy do programowania mikrokontrolera bez konieczności demontażu urządzenia z pojazdu. Jest do niego doprowadzony 10-żyłowy kabel, którego drugi koniec jest dostępny skrzynce bezpieczników, co ułatwia dołączenie programatora.

Wyjaśnienia wymaga zastosowanie tranzystora T2. Jest to klucz elektroniczny, który odpowiada za podtrzymanie zasilania procesora po wyjęciu kluczyka ze stacyjki, gdy jest aktywna funkcja chłodzenia turbosprężarki. Gdy klucz T2 przewodzi napięcie zasilania jest pobierane z U1, ponieważ na wejściu CON4 nie ma wtedy napięcia. Po automatycznym wyłączeniu silnika, tranzystor T2 przestaje przewodzić, co powoduje zanik napięcia zasilania procesora i wyłączenie komputera.

Opis modułu tempomatu

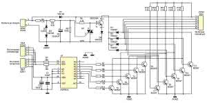
Rysunek 3. Schemat bloku wykonawczego tempomatu

Na rysunku 3 pokazano schemat bloku wykonawczego tempomatu. Jego zadaniem jest przełączanie sygnału podawanego do sterownika silnika albo z pedału gazu, albo z przetwornika C/A, którego rolę pełni układ U1. Do detekcji wciśnięcia poszczególnych pedałów (gazu, hamulca i sprzęgła) użyto wejść A/C przetwornika. Detekcja wciśnięcia sprzęgła i hamulca odbywa się za pośrednictwem transoptorów U2 i U3, które pełnią rolę konwerterów poziomów napięcia. Potencjometr pedału gazu jest zasilany napięciem 5 V, więc transoptor nie jest potrzebny.

CON4 to złącze interfejsu I²C podłączonego bezpośrednio komputera, do złącza CON8. Dławik L1 i kondensator C1 filtrują napięcie referencyjne. Obwód złożony z rezystora R11 i kondensatora C5 filtruje napięcie, ponieważ na wyjściu układu U1 ma ono kształt schodkowy. Napięcie to po odfiltrowaniu trafia do wzmacniaczy operacyjnych, U5 które dopasowują jego poziom do wymaganego przez sterownik silnika.

Układ U4 jest komparatorem sterującym przełączaniem klucza analogowego U6. Wysoki poziom napięcia na wyjściu komparatora jest sygnalizowany świeceniem się D1. Przy poziomie wysokim klucz analogowy U6 jest przełączany na sygnał z pedału gazu, natomiast przy niskim - na współpracę z tempomatem.

Obwód złożony z tranzystorów T2 i T3, rezystorów R20...R22 i RV1 oraz kondensatora C6 jest regulowanym źródłem napięcia odniesienia dla układu U5B. Takie rozwiązanie jest niezbędne, aby sterownik silnika akceptował poziomy napięć podawane na wejście. Rezystory R23 i R24 ustalają napięcie podawane na wyprowadzenie sterownika silnika odpowiedzialne za detekcję zwolnienia pedału gazu.

W ten sposób, podczas jazdy na tempomacie sterownik jest informowany, że gaz jest wciśnięty. Tranzystor T1 oraz diody D3 i D4 oraz rezystory R9 i R10 stanowią klucz elektroniczny, który zamyka się, gdy hamulec i lub sprzęgło są wciśnięte. Powoduje to przełączenie układu sygnału z pedału gazu.

Wykaz elementów

Moduł komputera pokładowego

Rezystory: (0,125W)
R1, R3, R10: 2,2 kΩ
R2, R4: 100 kΩ
R5: 22 kΩ
R6: 10 kΩ
R7, R8: 220 Ω
R9, R11, R20: 1,1 kΩ
R12...R16, R19: 3,3 kΩ
R17: 47 Ω
R18: 47 kΩ
RN1: 10 kΩ (pot. nastawny)

Kondensatory:
C1,C5: 220 µF/25 V
C2, C6: 470 nF/63 V
C3, C7, C12, C15, C16: 100 nF/63 V
C4, C8, C10, C11, C13: 100 µF/25 V
C9: 6,8...40 pF (trymer)
C14: 10 µF/25 V
C17, C18: 22 pF
C19: 470 µF/35 V

Półprzewodniki:
D1, D10, D11: BZP683C4V7
D2, D5...D9: 1N4148
D3, D4: 1N4007
T1: BC547
T2: BC557
U1: LM78L05
U2: LM7805
U3: PCF8563
U4: ATmega168

Inne:
CON1...CON9: listwa goldpin prosta
CON3, CON4: ARK2
CON10: 10-pinowe złącze programowania
CON11: listwa goldpin kątowa
L1: 10 mH (dławik osiowy)
SW1, SW2: przycisk (NO)
X1: 16 MHz
X2: 32768 Hz
BT1: bateria CRF2032 (3V) z podstawką
BUZ1-dowolny buzzer małej mocy bez generatora

Moduł wykonawczy tempomatu

Rezystory: (0,125W)
R1, R2, R22: 2,2 kΩ
R3, R4, R9: 100 kΩ
R5, R6, R14, R15: 180 Ω
R7, R8, R11, R20: 10 kΩ
R10: 47 kΩ
R12: 4,7 kΩ
R13, R21, R24: 1,1 kΩ
R16...R19: 22 kΩ
R23: 3,3 kΩ
RΩ1: 22 kΩ (pot. nastawny)

Kondensatory:
C1: 100 nF/63 V
C2, C3: 100 µF/25 V
C4: 47 µF/25 V
C5: 470 nF/63 V
C6: 220 µF/25 V

Półprzewodniki:
D1, D2: dowolna dioda LED
D3...D5: 1N4148
T1...T3: BC547
U1: PCF8591
U2, U3: CNY17
U4, U5: LM358
U6, U7: CD4066

Inne:
CON1, CON2: ARK2
CON3, CON5: ARK3
CON4: listwa goldpin prosta
CON6...CON8: pin z listwy goldpin, prostej
L1: 10 mH (dławik osiowy)

Panel LED

Rezystory: (0,125W)
R1, R2: 180 Ω
R3, R6: 1,1 kΩ
R4: 3,9 kΩ
R5: 100 kΩ
R7...R11: 10 kΩ
R12...R16: 2,2 kΩ

Kondensatory:
C1: 100 nF/63 V
C2: 100 µF/25 V
C4: 1000 µF/16 V

Półprzewodniki:
D1, D4...D6, D8: 1N4007
D2: BZP683C3V9
D3, D7: 1N4148
T1: 2N2219A
T1: T6-BC847
T7, T8: BC547
T9...T11: BC327
U1: PCF8574
U2: Y218

Przystawka pompy

Rezystory: (0,125W)
R1: 22 kΩ/2 W
R2: 1,1 kΩ
R3: 100 kΩ
R4: 10 kΩ

Kondensatory:
C1: 100 nF/63 V

Półprzewodniki:
T1: BC557
U1: CNY17

Inne:
CON1: ARK2
CON2: złącze goldpin proste
CON1, CON2, CON4-listwa goldpin prosta
CON3: ARK2

Opis panelu LED

Rysunek 4. Schemat ideowy panelu LED

Na rysunku 4 pokazano schemat ideowy panelu LED. Został on tak nazwany, ponieważ pierwotnie sygnalizacja miała być wykonana za pomocą diod LED, ale po namyśle zrezygnowałem z tego pomysłu i postanowiłem wykorzystać nieużywane kontrolki. Panel jest sterowany za pomocą I²C i włączony do magistrali szeregowo, pomiędzy komputerem a modułem tempomatu.

Opis programu sterującego

Program sterujący napisano w języku BascomAVR. Warto zwrócić uwagę na obsługę timera watchdog, która jest nietypowa. Watchdoga generuje sygnał zerowania po 1024ms, lecz w programie nie zdaje to egzaminu, ponieważ zastosowałem kilka opóźnień Wait, co powoduje wstrzymanie działania programu.

Listing 1. Modyfikacja programu

Przerwy trwają nawet i 40 s, wiec postanowiłem utworzyć zmienną Czas_watchdog, która jest zerowana na początku programu głównego w pętli Do...Loop. Jej wartość jest inkrementowana co 500 ms w obsłudze przerwania od Timera2 i jeśli przekroczy 120, (po 60 s), licznik Watchdog nie jest zerowany i następuje restart mikrokontrolera.

W celu pomiaru prędkości, Timer0 zlicza impulsy pochodzące z czujnika drogi. Następnie, co 500 ms, jego zawartość jest przepisywana w procedurze obsługi przerwania od Timera2 do zmiennej Pomoc_droga, a następnie mnożona przez stałą wartość (Predkosc = Pomoc_droga*1.472) i wyświetlana w kilometrach na godzinę.

Timer0 ma rozdzielczość 8 bitów, więc pomiary prędkości i przebytej drogi są obarczone błędem. W praktyce okazało się, że na dystansie 150 km komputer różnica wynosi ok.0,7...1,2 km.

W procedurach wykonujących pomiar spalania chwilowego na postoju i podczas jazdy wykorzystano oba przerwania zewnętrzne. Jedno z nich jest skonfigurowane do reakcji na zbocze opadające, a drugie na zbocze narastające. Gdy pojawi się zbocze opadające, co oznacza początek wtrysku paliwa, zmienna Pomoc_1 i Timer1 są wyzerowane. Następnie jest uruchamiany Timer1, który mierzy czas wtrysku paliwa.

Rysunek 5. Sposób połączenia włącznika zapłonu z instalacją w samochodzie

Teraz mikrokontroler oczekuje na zbocze narastające oznaczające koniec wtrysku paliwa. Wówczas Timer1 zostaje zatrzymany, a zawartość przepisana do zmiennej Pomoc_1. Następnie wszystkie czasy wtrysków są sumowane i przepisane do zmiennej Suma_spalania.

W głównej pętli programu jest wykonywany szereg obliczeń. Najpierw zmienna Suma_spalania jest dzielona przez stały współczynnik wtrysku Spalanie_l_h = Suma_spalania / 112200. Dalej Spalanie_l_h = Spalanie_l_h - 1, a potem jeszcze Spalanie_l_h = Spalanie_l_h * 10. Potem jest obliczana średnia arytmetyczna i mamy stabilny gotowy wynik spalania chwilowego na postoju w litrach na godzinę.

Do obliczenia spalania chwilowego podczas jazdy należy zmienną spalania chwilowego na postoju podzielić przez zmienną prędkości jazdy Spalanie_l_100km = Spalanie_l_h_sr_out / Pomoc_droga i na koniec pomnożyć przez stały współczynnik drogi Spalanie_l_100km = Spalanie_l_100km * 68. W ten sposób otrzymujemy wartość spalania chwilowego podczas jazdy w litrach na 100 km.

Montaż i uruchamianie

Rysunek 6. Schemat montażowy komputera pokładowego

Montaż jest typowy i nie wymaga szczegółowego omawiania. Wyświetlacz komputera został przyklejony nad radiem. Połączenie wyświetlacza z komputerem jest wykonane listwą goldpinów i dodatkowo po bokach są przylutowane wsporniki z drutu miedzianego.

Buzzer BZ1 został przyklejony do płytki komputera pokładowego. Moduł przystawki do pompy wtryskowej został zmontowany "na pająka" włożony do niewielkiej obudowy z tworzywa sztucznego i zalany żywicą epoksydową zabezpiecza to przed działaniem wilgoci, ponieważ sam moduł znajduje się w komorze silnika. Moduł tempomatu jest umieszczony w obudowie z tworzywa sztucznego i umieszczony w pobliży pedałów gazu, sprzęgła i hamulca.

Komputer zbudowany ze sprawnych elementów i prawidłowo zamontowany w samochodzie działa od razu. W module tempomatu, za pomocą RV1, trzeba ustawić napięcie ok.0,9 V na CON7.N napięcie to ustawiamy pokręcając RV1.

Podczas pierwszego programowania należy wpisać do pamięci EEPROM kod dostępu domyślny "1111" i przejechaną drogę pomiędzy poszczególnymi serwisami. W tym celu trzeba ustawić fusbit pamięci EEPROM, aby pamięć była kasowana podczas programowania. Następnie w programie dodajemy fragment jak na listingu 1.

Kompilujemy program i programujemy procesor. Po zaprogramowaniu odznaczamy fusbit, aby pamięć EEPROM nie była kasowana podczas programowania. Następnie dopisany fragment programu oznaczamy jako komentarz, kompilujemy program i programujemy mikrokontroler. Od tego momentu możemy normalnie użytkować komputer pokładowy.

Montaż w samochodzie

Rysunek 7. Schemat montażowy modułu wykonawczego

Prezentowany komputer pokładowy został zamontowany w samochodzie Ford Focus z silnikiem 1,8TDDI. Sam moduł komputera jest zamontowany we wstawce znajdującej się nad radiem. Do urządzenia należy doprowadzić odpowiednie napięcia i sygnały.

Do złącza CON3 doprowadzamy napięcie stałe 12 VDC, najlepiej ze złącza radia. Teraz należy odszukać przewód, w którym jest napięcie po przekręceniu kluczyka w pozycję włączonego zapłonu. W moim aucie był to gruby przewód o kolorze zielono-żółtym. Należy go przeciąć, a koniec prowadzący od stacyjki dołączyć do złącza CON4. Drugi koniec przewodu podłączamy do przekaźnika według schematu na rysunku 5. Masę do komputera dołączamy ze złącza radioodbiornika.

Sygnały prędkości jazdy jest dostępny w małej kostce prowadzącej do radia - doprowadzamy go do złącza CON5. Do złącza CON1 należy przyłączyć przewód od czujnika hamulca ręcznego. Znajduje się on przy dźwigni hamulca. Trzeba jeszcze poprowadzić dodatkowy przewód od czujnika paliwa. Wiązka przewodów jest pod tylnym siedzenie - należy odszukać w niej odpowiedni przewód.

Rysunek 8. Schemat montażowy panelu LED

Kolejnym elementem jest montaż przystawki do pompy wtryskowej. W samochodzie Ford Focus zastosowano pompę wtryskową o oznaczeniu VP30. W tej pompie dawka wtrysku jest sterowana za pomocą wysokociśnieniowego zaworu elektromagnetycznego.

Moduł dołączamy do przewodów wychodzących z elektromagnetycznego zaworu wysokiego ciśnienia. Sposób przyłączenia modułu nie jest przypadkowy. Należy go włączyć tak, aby podczas pracy silnika świeciła dioda LED w module.

Ostatnim elementem montażu jest moduł tempomatu. Przewody prowadzące do czujników wciśnięcia hamulca i sprzęgła doprowadzamy bezpośrednio w ten sposób, aby po wciśnięciu pedału dioda w transoptorze świeciła się. Najwięcej problemu stwarza połączenie do pedału gazu. W Fordzie Focusie jest zamontowany pedał elektroniczny, zbudowany z dwóch potencjometrów i jednego styku pomocniczego.

Uwagi końcowe

Prezentowane urządzenie zamontowano w samochodzie Ford Focus, ale nie powinno kłopotów z zamontowaniem go w innym aucie. Ważne, aby był wyposażony w elektroniczny pedał gazu, dostarczał wszystkie niezbędnie sygnały oraz powinien być wyposażony w pompę wtryskową o konstrukcji identycznej lub zbliżonej do VP30.

Rafał Wasiak
Fabian_wasiak@interia.pl

Artykuł ukazał się w
Elektronika Praktyczna
maj 2013
DO POBRANIA
Pobierz PDF Download icon
Materiały dodatkowe
Elektronika Praktyczna Plus lipiec - grudzień 2012

Elektronika Praktyczna Plus

Monograficzne wydania specjalne

Elektronik listopad 2025

Elektronik

Magazyn elektroniki profesjonalnej

Raspberry Pi 2015

Raspberry Pi

Wykorzystaj wszystkie możliwości wyjątkowego minikomputera

Świat Radio listopad - grudzień 2025

Świat Radio

Magazyn krótkofalowców i amatorów CB

Automatyka, Podzespoły, Aplikacje listopad - grudzień 2025

Automatyka, Podzespoły, Aplikacje

Technika i rynek systemów automatyki

Elektronika Praktyczna listopad 2025

Elektronika Praktyczna

Międzynarodowy magazyn elektroników konstruktorów

Elektronika dla Wszystkich grudzień 2025

Elektronika dla Wszystkich

Interesująca elektronika dla pasjonatów