ECL82SE. Stereofoniczny wzmacniacz lampowy dla początkujących

ECL82SE. Stereofoniczny wzmacniacz lampowy dla początkujących
Pobierz PDF Download icon

Wzmacniacz o typowej konstrukcji wykonany w konfiguracji wzmacniacza dwustopniowego. Stopień mocy napięciowego zrealizowano na triodzie, natomiast stopień mocy na pentodzie. Ze względu na zastosowanie lampy dwusystemowej (trioda i pentoda w jednej bańce) konstrukcja jest dosyć zwarta, a użycie popularnych lamp ECL82 umożliwia uzyskanie mocy wyjściowej około 1,5...2 W w konfiguracji SE.

Podstawowe parametry:
  • Wzmacniacz stereofoniczny o mocy 2×1,5…2 W.
  • W konstrukcji zastosowano tanie, łatwo dostępne lampy ECL82.
  • Napięcie zasilania: 230 V AC.
  • Obciążenie: 8 Ω.
  • Pasmo przenoszenia 90 Hz…22 kHz.
  • Zniekształcenia nieliniowe dla f=1 kHz, Pwy=1,5 W: 0,6%.

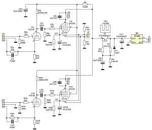
Rysunek 1. Schemat ideowy wzmacniacza ECL82SE

Schemat ideowy wzmacniacza pokazano na rysunku 1. Elementy kanału lewego mają oznaczenia zakończone literą L, kanału prawego literą R, zaś elementy wspólne kanałów nie maja dodatkowych oznaczeń. Jak wspomniano, zastosowanie lamp ECL82 umożliwia wykonanie wzmacniacza lampowego o mocy wyjściowej około 1,5...2 W w konfiguracji SE. Możliwe jest także użycie rosyjskich zamienników typu 6F3P lub amerykańskich 6BM8. Po zmianie napięcia żarzenia na ok. 16 V/0,6 A można też użyć lamp PCL82.

Sygnał wejściowy z gniazda L jest doprowadzany do potencjometru regulacji głośności RV1L/R, a stąd do złącza J1L-1. Dalej, bez kondensatora separującego składową stałą (praktycznie wszystkie urządzenia mają separację, więc jej powielanie nie ma sensu) na siatkę sterującą triody V1L poprzez rezystor "antywzbudzeniowy" R2L. Lampa V1L pracuje w układzie polaryzacji automatycznej.

Do wytworzenia napięcia ujemnego na siatce sterującej ustalającego punkt pracy jest wykorzystywany spadek napięcia, wywoływany dzięki przepływowi prądu anodowego przez rezystor katodowy R4L. Wzmocniony sygnał wejściowy steruje poprzez kondensator C2L (separujący składową stałą) siatkę pentody V1L. Rezystor R7L - podobnie jak wcześniej - pełni funkcję antywzbudzeniową tworząc z pojemnością wejściową lampy filtr dolnoprzepustowy. Wzmacniacz jest objęty pętlą globalnego sprzężenia zwrotnego (rezystor R3L, kondensator C1L).

Fotografia 2. Transformator głośnikowy z prototypu

Rezystor R8L i kondensator CE1L zapewniają automatyczną polaryzację pentody. Rezystor R4 i kondensator CE3 zapewniają dodatkową filtrację napięcia zasilającego stopnie wstępne oraz siatki drugie (G2) pentod. Napięcie anodowe jest dostarczone z uzwojenia 170 VAC transformatora sieciowego. Po wyprostowaniu i "wygładzeniu" jest filtrowane w stopniu aktywnym z tranzystorem Q1. Tranzystor wymaga niewielkiego radiatora. Napięcie żarzenia 6,3 V jest dostarczone z drugiego uzwojenia transformatora TS1. Aby zminimalizować przydźwięk od żarzenia, zastosowano symetryzację rezystorami Rx i Ry.

Dodatkowego opisu wymaga kondensator C3L/R. Ze względu na indukcyjny charakter obciążenia, którym jest transformator głośnikowy oraz wysoką impedancję wyjściową pentodowego stopnia mocy, jest konieczna w wypadku niektórych typów transformatorów kompensacja wzrostu obciążenia w funkcji wzrostu częstotliwości. Brak kompensacji może objawiać się uprzywilejowaniem tonów wysokich i zmianą barwy wzmacnianego dźwięku szczególnie, gdy używany innych transformatorów głośnikowych, niż zastosowane w modelu (nie wymagają montażu C3L/R).

Korekcję należy dobrać eksperymentalnie (C3L: 470 pF...4,7 nF) po doprowadzeniu do wejścia wzmacniacza przebiegu prostokątnego 10 kHz i wysterowaniu do mocy ok. 1 W. Kondensator należy dobrać w taki sposób, aby przy odtwarzaniu przebiegu prostokątnego nie było oscylacji, przerzutów, a przebieg był zbliżony do prostokątnego - oczywiście, ze względu na ograniczone pasmo zbocza przebiegu są nieco nachylone i nie przypominają tych z układów cyfrowych.

Kondensator C3L, pracuje przy pełnym napięciem anodowym i musi mieć minimalne napięcie przebicia 630 V lub lepiej - 1 kV. W niektórych wypadkach może być konieczna także korekta elementów sprzężenia zwrotnego R3L/C1L. Wygląd transformatora głośnikowego z modelu pokazano na fotografii 2. Można go nabyć np. w sklepie www.Amptone.pl.

Wykaz elementów

Rezystory:
R1: 27 kΩ/1 W (metalizowany)
R2: 1 MΩ/1 W (metalizowany)
R3, R2L, R2R, R4L, R4R, R7L, R7R: 2,2 kΩ (SMD 1206)
R4: 1 kΩ/2 W (metalizowany)
R1L, R1R, R6L, R6R: 680 kΩ (SMD 1206)
R3L, R3R: 10 kΩ (SMD 1206)
R5L, R5R: 220 kΩ/0,5 W (metalizowany)
R8L, R8R: 330 Ω/1 W (metalizowany)
RX, RY: 100 Ω (SMD 1206)
Rx: 150 Ω/0,6W
Potencjometr stereofoniczny 50 kΩ/B

Kondensatory:
C1L, C1R: 470 pF (SMD 1206)
C2L, C2R: 22 nF/250 V (foliowy)
C3L*, C3R*: 4,7 nF/1 kV (ceramiczny, uwagi w opisie)
CE1: 100 µF/250 V (elektrolityczny D=18 mm)
CE2, CE3: 10 µF/250 V (elektrolityczny D=10 mm)
CE1L, CE1R: 47 µF/25 V (elektrolityczny D=5 mm)
Cx: 0,1 µF/250 V (foliowy)

Półprzewodniki:
BR: DF06S (mostek prostowniczy 600 V/1 A)
D1: 1N4007
Q1: STP5NK50ZF (TO-220 izol.)

Inne:
HS1: HS-003 (TO-220)
J1, J2, J2L, J2R: złącze ARK2/5 mm
J1L, J1R: złącze ARK3/5 mm
V1L, V1R: ECL82 (z podstawkami do druku)
TGL, TGR: transformator głośnikowy 5 kV/8 V/3 W
TS: transformator sieciowy 40 VA, 170 V/120 mA, 6,3 V/2 A
JP: złącze zintegrowane IEC

Montaż wzmacniacza

Rysunek 3. Rozmieszczenie elementów na płytce wzmacniacza ECL82SE

Wzmacniacz zmontowany jest na dwustronnej płytce drukowanej - rozmieszczenie elementów przedstawia rysunek 3. Aby umożliwić wyeksponowanie lamp, podstawki montowane są na warstwie TOP, na której nie ma innych wystających elementów. Ułatwia to mocowanie płytki do górnej części obudowy wzmacniacza za pomocą słupków dystansowych o długości 10...12 mm. Wszystkie gniazda połączeniowe płytki są łatwo dostępne od spodu obudowy.

Montaż wzmacniacza podzielono na dwa etapy. W pierwszej kolejności montujemy płytkę drukowaną. Kolejność montażu jest typowa i nie wymaga opisu. Należy pamiętać, aby wszystkie rezystory o mocy większej niż 0,5 W oddalić od powierzchni płytki drukowanej, co umożliwi odprowadzenie ciepła. W płytce przewidziano kilkanaście otworów ułatwiających cyrkulację powietrza wokół lamp i nagrzewających się elementów.

Drugi etap to montaż wzmacniacza w obudowie, zgodnie ze schematem montażowym z rysunku 4. Ze względu na różnorodność obudów ten etap musi być przemyślany indywidualnie, zależnie od obudowy. Należy jednak starać się odsunąć lampy i transformatory głośnikowe od transformatora sieciowego. Polecam też zastosowanie transformatora toroidalnego, charakteryzującego się mniejszym polem rozproszenia.

Rysunek 4. Schemat montażowy wzmacniacza ECL82SE

Połączenia sygnałowe warto poprowadzić przewodem w ekranie, pozostałe przewody - szczególnie doprowadzające żarzenie - należy prowadzić skręconą parą i w miarę możliwości daleko od przewodów sygnałowych. Przewody sieciowe, napięcia anodowego, uzwojeń anodowych transformatorów głośnikowych należy dodatkowo zaizolować rurką termokurczliwa lub koszulka olejową. Nie wolno zapominać o zapewnieniu odpowiedniej cyrkulacji powietrza wokół lamp poprzez wykonanie otworów wentylacyjnych w obudowie wzmacniacza. Zmontowaną płytkę przedstawia fotografia 5.

Uwaga! We wzmacniaczu występują wysokie niebezpieczne dla życia napięcia (200 VDC) oraz wysoka temperatura. Uruchamianie należy przeprowadzić z zachowaniem szczególnej ostrożności. Wszelkie manipulacje, zmiany wartości elementów wykonujemy po wyłączeniu wzmacniacza i rozładowaniu się kondensatorów elektrolitycznych. Wzmacniacz musi być podłączony do sprawnej instalacji zasilającej poprzez gniazdo sieciowe 230 VAC z bolcem uziemiającym.

Uruchomienie

Tabela 1. Wyniki pomiaru parametrów wzmacniacza

Po sprawdzeniu poprawności montażu, wyjmujemy lampy z płytki i dołączamy wzmacniacz do sieci zasilającej (najlepiej przez autotransformator). Sprawdzamy obecność napięć żarzenia (6,3 VAC), anodowego ok. 200...220 VDC i jeżeli nic nie budzi naszych wątpliwości, wyłączamy wzmacniacz.

Czekamy na rozładowanie się pojemności, umieszczamy lampy w podstawkach i ponownie włączamy zasilanie: lampy powinny się żarzyć, napięcie anodowe powinno wynosić ok. 200 VDC, na rezystorach katodowych napięcie względem masy powinno wynosić ok. 12 V (w zależności od stanu lamp). Jeżeli wszystko jest w porządku, wzmacniacz jest gotowy do eksploatacji.

Pomimo prostoty układu i niewielkich transformatorów głośnikowych wzmacniacz ma przyjemne brzmienie i całkiem znośne parametry. Wyniki jego pomiarów umieszczono w tabeli 1.

Duże zniekształcenia w zakresie niskich częstotliwościach są spowodowane niewielkim przekrojem rdzenia transformatora (EI48), natomiast transformator całkiem przyzwoicie "radzi sobie" z wysokimi częstotliwościami, a to za sprawą zwartej budowy i małych pojemności montażowych. Przykładowe przebiegi uzyskane podczas testów przedstawia pokazano na rysunku 6.

Pokrywają się całkowicie z wynikami pomiarów zniekształceń. Na przebiegu prostokątnym o częstotliwości 100 Hz wyraźnie widać zniekształcenia, do przebiegu 1 kHz nie można mieć zastrzeżeń, z kolei przebieg 10 kHz jest odtwarzany z niewielkim złagodzeniem zboczy bez zbędnych przerzutów i oscylacji, świadczy to o ograniczonym od góry paśmie przenoszenia wzmacniacza (ograniczenie jest poza zakresem akustycznym).

Fotografia 5. Zmontowana płytka ECL82SE

Rysunek 6. Przykładowe przebiegi uzyskane podczas testów wzmacniacza

Ze względu na niewielka moc wyjściową, warto postarać się o efektywne głośniki. Doskonale te kryteria spełniają starsze głośniki szerokopasmowe. Prototyp uprzyjemnia pracę przy komputerze, do odsłuchu z niewielkiej odległości moc jest wystarczająca nawet do wysterowania takich "miernot efektywnościowych", jak szerokopasmowe głośniki o skuteczności 83 dB/W. Miłego słuchania!

Adam Tatuś, EP

Artykuł ukazał się w
Elektronika Praktyczna
maj 2013
DO POBRANIA
Pobierz PDF Download icon
Materiały dodatkowe
Elektronika Praktyczna Plus lipiec - grudzień 2012

Elektronika Praktyczna Plus

Monograficzne wydania specjalne

Elektronik listopad 2025

Elektronik

Magazyn elektroniki profesjonalnej

Raspberry Pi 2015

Raspberry Pi

Wykorzystaj wszystkie możliwości wyjątkowego minikomputera

Świat Radio listopad - grudzień 2025

Świat Radio

Magazyn krótkofalowców i amatorów CB

Automatyka, Podzespoły, Aplikacje listopad - grudzień 2025

Automatyka, Podzespoły, Aplikacje

Technika i rynek systemów automatyki

Elektronika Praktyczna listopad 2025

Elektronika Praktyczna

Międzynarodowy magazyn elektroników konstruktorów

Elektronika dla Wszystkich grudzień 2025

Elektronika dla Wszystkich

Interesująca elektronika dla pasjonatów