Różnicowa sonda pomiarowa z izolacją galwaniczną

Różnicowa sonda pomiarowa z izolacją galwaniczną
Pobierz PDF Download icon
Dzięki zastosowaniu różnicowej sondy pomiarowej, na wejście oscyloskopu jest podawany wyłącznie sygnał sterujący bramkami tranzystorów MOSFET. Przy tym można równocześnie obserwować przebiegi znajdujące się na różnych potencjałach (low-side i high-side), a dzięki izolacji galwanicznej nie trzeba stosować transformatora na zasilaniu. Rekomendacje: praktyczne, niedrogie rozwiązanie sondy pomiarowej, które przyda się wszystkim konstruktorom zajmującym się urządzeniami dla energoelektroniki.

Do niedawna jednym z pierwszych elementów urządzeń zasilanych z sieci energetycznej był transformator, który zapewniał izolację galwaniczną. Dotyczyło to zarówno drobnego sprzętu domowego, jak i tego "większego", używanego w zakładach przemysłowych, jak np. spawarki. W urządzeniach z typowym transformatorem sieciowym układy regulacji i stabilizacji znajdują się zwykle po stronie wtórnej, dzięki czemu wszelkie prace przy zasilaczu są względnie bezpieczne. Sytuacja zmieniła się z rozpowszechnieniem się przetwornic impulsowych. W urządzeniach tego typu zazwyczaj całe sterowanie jest połączone z siecią energetyczną, a po stronie wtórnej znajduje się zaledwie kilka elementów.

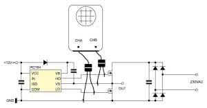
Rysunek 1. Pomiar z wykorzystaniem transformatora izolującego i tradycyjnych sond

Dodatkowo, niskie ceny wysokonapięciowych elementów półprzewodnikowych spowodowały, że nawet elektronicy amatorzy coraz częściej konstruują układy przeznaczone do zastosowania w energoelektronice – dziedziny do niedawna zarezerwowanej wyłącznie dla wąskiej grupy specjalistów. Dotyczy to zwłaszcza układów sterowania napędami, takich jak soft-starty i falowniki oraz spawarki inwerterowe. Niestety, zlokalizowanie uszkodzenia w przetwornicy impulsowej z użyciem typowego multimetru jest zwykle niemożliwe, a galwaniczne połączenie z siecią energetyczną wyklucza bezpieczne podłączenie oscyloskopu. Te problemy można ominąć stosując transformator separujący i wysokonapięciowe sondy oscyloskopowe z podziałem 1:10 lub 1:100.

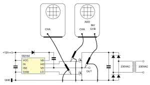
Rysunek 2. Pomiar z wykorzystaniem dwóch izolowanych sond różnicowych

Dobrym przykładem badanego układu jest typowy półmostek zasilany bezpośrednio z wyprostowanego napięcia sieciowego zbudowany z N-MOSFET-ów sterowanych układem IR2184. Również w innych przetwornicach znajdziemy fragmenty takiego układu: w boost znajdziemy - dolną a w buck – górną gałąź takiego półmostka.

Sposób podłączenia oscyloskopu do takiego układu zaprezentowano na rysunku 1. Dzięki odizolowaniu gorącej masy od sieci można bezpiecznie obserwować przebieg sterujący bramką dolnego klucza. Sprawdzenie sterowania górnego klucza wymaga już dwóch sond oscyloskopowych wytrzymujących wyprostowane napięcie sieci (ok. 325 V). Jedną sondę dołączamy do bramki, a drugą do źródła tranzystora. Po odwróceniu fazy sygnału z drugiej sondy (INV) i dodaniu sygnału pierwszej sondy (ADD) otrzymamy na ekranie czysty przebieg sterujący.

Tabela 1. Sygnał wyjściowy sondy dla kilku napięć wejściowych

Ta metoda dobrze się sprawdza dla urządzeń pobierających niewielką moc. W przypadku spawarek inwerterowych lub falowników problemem może być zdobycie transformatora izolującego o odpowiednio dużej mocy.

Takich problemów nie ma przy pomiarach z użyciem izolowanych sond różnicowych (rysunek 2). Dzięki pracy różnicowej na wejście oscyloskopu jest doprowadzany wyłącznie sygnał sterujący bramkami tranzystorów MOSFET. Przy tym można równocześnie obserwować przebiegi znajdujące się na różnych potencjałach (low-side dioi high-side), a dzięki izolacji galwanicznej nie trzeba stosować transformatora na zasilaniu. Parametry niektórych fabrycznych sond różnicowych są imponujące, niestety łączy się to z wysoką ceną. Przy tym warto zwrócić uwagę, że czasem do sondy różnicowej trzeba osobno dokupić moduł izolacji galwanicznej. Godząc się na nieco gorsze, ale wystarczające w tym konkretnym zastosowaniu parametry, można niewielkim kosztem zbudować samodzielnie izolowaną sondę różnicową.

Rysunek 3. Przebieg na bramkach MOSFETów w półmostku

Na rysunku 3 pokazano rzeczywisty przebieg na bramkach "górnego" i "dolnego" tranzystora kluczującego na wyjściu falownika jednofazowego opisanego w EP 9/2012. Pomiar został wykonany przy wykorzystaniu dwóch opisywanych sond różnicowych.

Założenia projektowe

Prezentowana sonda umożliwia obserwację na ekranie oscyloskopu przebiegów w urządzeniach połączonych galwanicznie z siecią energetyczną lub znajdujących się na wysokim potencjale. Do obserwowania przebiegów sterujących tranzystorami MOSFET i IGBT wystarczy zakres wejściowy od 20 V do +20 V. Duża rezystancja wejściowa sondy pozwala na sprawdzanie np. napięcia górnego drivera zasilanego układem bootstrap. Większość urządzeń typu spawarki inwerterowe, falowniki pracuje z częstotliwością kilkudziesięciu kHz, dlatego pasmo przenoszenia sondy powinno być na tyle szerokie, aby umożliwić obserwowanie przebiegów prostokątnych o takich częstotliwościach (rysunek 4).

Rysunek 4. Przebieg prostokątny 50 kHz (górny-wejściowy, dolny-wyjściowy)

Oscyloskopy z zasady mają możliwość regulacji wzmocnienia toru Y i zwykle najlepiej radzą sobie z wyświetlaniem sygnałów o amplitudzie poniżej 1 V, stąd orientacyjne przełożenie napięciowe 200:1. W tabeli 1 umieszczono napięcie na wyjściu sondy dla kilku wartości stałego napięcia wejściowego.

Obwód wejściowy jest zabezpieczony diodami, ale ze względu na ograniczoną wytrzymałość napięciową elementów powierzchniowych nie należy przykładać do wejść sondy zbyt wysokiego napięcia różnicowego. Zasilanie bateryjne uwalnia od zasilacza, a niewielki pobór prądu powoduje, że jeden komplet ogniw R6 powinien wystarczyć na długi czas eksploatacji sondy.

Układ elektryczny

W pierwszych przymiarkach do projektu sondy "gorący" sygnał wejściowy miał być zmieniany na postać cyfrową w szybkim przetworniku analogowo-cyfrowym z wyjściem równoległym i transmitowany na stronę "bezpieczną" przez zestaw transoptorów zapewniających izolację galwaniczną. Wyjścia transoptorów miały być podłączone do wejść przetwornika cyfrowo-analogowego. Zgodnie z tą koncepcją powstało kilka układów prototypowych, m.in. z LM3914 w roli przetwornika A/C, 4 układami LM339 jako 16-poziomowy flash-ADC i enkoderem priorytetowym 74HC147.

Rysunek 6. Prąd fotodiody w funkcji prądy diody świecącej dla 10 transoptorów 6N136

Poważnym problemem okazało się uzyskanie "katalogowej" prędkości transmisji (1 MHz) transoptorów 6N136 przy rozsądnym poborze prądu z baterii. Najlepsze efekty uzyskano rezygnując z wbudowanego tranzystora i wykorzystując tylko fotodiodę. Dalsze testy pokazały, że w takim układzie pracy transoptor charakteryzuje się bardzo dobrą liniowością. Na rysunku 6 przedstawiono wyniki pomiarów 10 transoptorów typu 6N136. Niemal proste linie pokazują zależność prądu fotodiody (Ip) od prądu diody świecącej (If). Należy jednak zauważyć znaczne różnice w nachyleniu charakterystyki dla poszczególnych elementów.

Wykorzystanie tej cechy pozwoliło znacząco uprościć układ sondy. W tym miejscu pragniemy podziękować Romanowi Darskiemu, który skutecznie sprowadził nas z drogi "cyfrowej" na "analogową".

Ostatecznie powstał stosunkowo prosty układ przedstawiony na rysunku 7. Dioda LED transoptora IS1 jest zasilana stałym prądem ok. 10 mA przez rezystor R5. Wzmacniacz, a właściwie tłumik odwracający zbudowany na wzmacniaczu operacyjnym U1 (OPA340) może poprzez rezystor R4 modulować ten prąd od niemal zera do około 20 mA. Warto zwrócić uwagę, że zwiększając wartość tego rezystora można uzyskać lepszą liniowość sondy kosztem zmniejszenia sygnału wyjściowego. Rezystory R1 i R2 określają tłumienie wzmacniacza i zostały dobrane tak, aby przy ±20 V napięcie na wejściu U1 nie przekraczało napięcia zasilania (±1,5 V).

Kondensator zmienny C1 (lub C3 - montuje się tylko jeden z nich) służy do kompensacji dzielnika wejściowego, a diody Schottky D1 i D2 zabezpieczają wejście U1 przy zbyt wielkiej amplitudzie sygnału wejściowego.

Rysunek 7. Schemat elektryczny sondy

Zgodnie z rys. 6, prąd LED zmieniający się w zakresie 0...20 mA powoduje, że przez fotodiodę transoptora płynie prąd 0 do 90...190 mA. Lustro prądowe zbudowane na tranzystorach Q2 i Q3 wywołuje analogiczny przepływ prądu przez rezystor R4. Spadek napięcia na tym rezystorze jest podawany na wejście oscyloskopu.

Przy założeniu, że sonda współpracuje z oscyloskopem, który zawsze ma regulację wzmocnienia w torze Y, można było zrezygnować ze stabilizacji napięć zasilających oraz zignorować fakt, że transoptory 6N136 znacznie różnią się nachyleniem charakterystyki nawet wśród egzemplarzy pochodzących z jednej partii od jednego producenta.

Wyłącznik zasilania odłącza dodatnie i ujemne napięcie zasilające stronę gorącą. W takim stanie bateria zasilająca stronę "bezpieczną" jest obciążona niemal pomijalnym prądem "ciemnym" fotodiody i prądami zerowymi kolektorów Q2 i Q3.

Montaż i uruchomienie sondy

Rysunek 8. Rysunek montażowy - strona elementów

Płytkę zaprojektowano na laminacie jednostronnie miedziowanym z zachowaniem dużych odstępów między elementami strony "gorącej" i "bezpiecznej" (rysunek 8). Montaż nie powinien powodować zmniejszenia tych odległości, dlatego pracę najlepiej zacząć od zeszlifowania linii obrysowej, której fragmenty często pozostają przy krawędziach płytki. Wskazane jest również wycięcie w płytce szczeliny powietrznej pod transoptorem. Pod ten element lepiej nie montować podstawki, bo mogłyby się pod nią gromadzić zanieczyszczenia. Zdecydowanie lepszym rozwiązaniem jest wykorzystanie dwóch precyzyjnych listew stykowych.

Wyprowadzenia tranzystorów lustra prądowego Q2/Q3 należy wygiąć pod kątem 90° i ich obudowy skleić lub spiąć zapinką zgodnie z fotografią 9. Jest wskazane dobranie tranzystorów o zbliżonym wzmocnieniu prądowym lub zastosowanie elementów z tej samej partii produkcyjnej.

Wyłącznik zasilania należy przylutować do płytki drukowanej od strony ścieżek. Ułatwi to późniejszy montaż w obudowie. Do pinów wejściowych J1 dolutowujemy 20..30 cm odcinki przewodu (czarny do 2-J1, czerwony do 1-J1) zakończone precyzyjnymi końcówkami pomiarowymi. Do wyjścia (J2) należy starannie przylutować odcinek przewodu RG58 zakończony złączem BNC (ekran do 2-J2).

Fotografia 9. Szczegóły montażu tranzystorów Q2/Q3

Sondę kompensuje się tak jak każdą inną sondę oscyloskopową, czyli podając na wejście przebieg prostokątny, a następnie zmieniając pojemność C3 niemagnetycznym stroikiem, dążymy do uzyskania na wyjściu sondy przebiegu z rysunku 10b.

Na obwodzie drukowanym przewidziano dwa miejsca do zamontowania trymera kompensacji częstotliwościowej oznaczone symbolami C1 i C3. Należy wykorzystać to miejsce, w którym udaje się uzyskać lepszy kształt zboczy na ekranie oscyloskopu. W układzie modelowym z 1,5 m kablem RG58 jest to trymer C3 o pojemności 4...20 pF.

Po zmontowaniu, uruchomieniu i skompensowaniu wskazane jest dokładne umycie płytki z resztek pasty lutowniczej i umieszczenie sondy w obudowie Z34B(J) firmy Kradex. Do mocowania płytki najwygodniej użyć wkrętów z tworzywa sztucznego. Jeśli stosujemy wkręty metalowe, należy zwrócić uwagę, aby nie dotykały ogniw ani blaszanych uchwytów baterii. Metalowe łby wkrętów dostępne na zewnątrz obudowy należy zakleić taśmą izolacyjną lub pokryć warstwą kleju termotopliwego.

Rysunek 10. Kształt przebiegu podczas kompensowania sondy: a) za duża, b) dobra, c) za mała

Przy wyprowadzaniu przewodów z obudowy warto je zabezpieczyć gumowymi "odgiętkami", dzięki czemu żyły nie będą w tym miejscu narażone na złamanie, a izolacja nie ulegnie szybkiemu uszkodzeniu.

Montaż sondy decyduje o bezpieczeństwie w całym okresie użytkowania, dlatego luty powinny być solidne a przewody unieruchomione mechanicznie, aby nawet po złamaniu żył nie mogły dotknąć przypadkowych punktów. Uchwyty baterii muszą zostać dogięte, żeby nie było możliwości wypadnięcia ogniwa.

Na rysunku 11 pokazano przykładowy wygląd naklejki opisowej sondy.

Osiągnięte parametry

Opóźnienie wprowadzane przez sondę wynosi około 500 ns dla zboczy narastających i opadających (rysunek 12). Liniowość najlepiej oceniać na podstawie przebiegu trójkątnego. Na rysunku 13 pokazano kształt przebiegu na wyjściu sondy. Wydaje się, że ma on całkiem dobrą liniowość.

Użytkowanie sondy

Dokładnie sprecyzowane zastosowanie sondy pozwoliło na znaczne uproszczenie konstrukcji, bo można było zrezygnować na przykład z kalibrowania i przełączania zakresów napięć wejściowych. Z drugiej strony powoduje to, że sonda nie jest "fool-proof" i użytkownik musi mieć tego świadomość.

Przed pomiarem trzeba dokonać kalibracji zestawu sonda-oscyloskop. W tym celu należy załączyć zasilanie sondy i ustawić plamkę w połowie wysokości ekranu. Następnie podłączyć do wejścia sondy baterię 9 V lub inne źródło o znanym napięciu i tak wyregulować wzmocnienie toru Y, aby plamka przesuwała się o pół ekranu w górę lub dół, zależnie od polaryzacji napięcia na wejściu sondy.

Ze względu na bardzo zróżnicowany pobór prądu z obu zestawów ogniw, warto co pewien czas zamieniać je miejscami: te ze strony "gorącej" włożyć na stronę "bezpieczną" i odwrotnie. Dzięki temu ogniwa będą równomiernie rozładowywane i posłużą znacznie dłużej. Należy przy tym pamiętać o odłączeniu kabli pomiarowych, bo ogniwa zasilające stronę "gorącą" mogą znajdować się na wysokim potencjale.

Rysunek 11. Przykładowy wygląd naklejki opisowej

Należy zwrócić uwagę, że zastosowane w sondzie styki ogniw R6/AA są równocześnie uchwytami obejmującymi korpus, dlatego przy zakupie należy wybierać ogniwa owinięte papierem lub folią. W przypadku ogniw w metalowych obudowach zabezpieczonych tylko lakierem warto okleić je na końcach pojedynczą warstwą taśmy izolacyjnej.

Wykaz elementów

Rezystory: (SMD 1206)
R1: 1 MΩ
R2: 68 kΩ
R3, R5: 150 Ω
R4: 1 kΩ

Rysunek 12. Opóźnienie zboczy przebiegu prostokątnego: a) zbocze narastające, b) zbocze opadające

Kondensatory:
C1, C3: 10 pF (trymer)
C2: 100 nF (SMD 1206)

Półprzewodniki:
D1, D2: BAT56
IS1: 6N136 (DIP8)
U1: OPA340PA (DIP8)
Q2, Q3: BC557 (TO92)

Inne:
SW1: ML2105
J1, J2: SIP2
Podstawki pod baterie 1,5 V/AA, 4 szt.

Dodatkowe materiały na CD/FTP:

ftp://ep.com.pl, user: 13621, pass: 175brjf7

 

 

 

 

 

Rysunek 13. Przebieg trójkątny 5 kHz (górny-wejściowy, dolny-wyjściowy)

 

 

 

 

 

 

 

 

 

 

Tomasz Gumny, EP
Adam Tatuś, EP

Artykuł ukazał się w
Styczeń 2013
DO POBRANIA
Pobierz PDF Download icon
Materiały dodatkowe
Elektronika Praktyczna Plus lipiec - grudzień 2012

Elektronika Praktyczna Plus

Monograficzne wydania specjalne

Elektronik listopad 2025

Elektronik

Magazyn elektroniki profesjonalnej

Raspberry Pi 2015

Raspberry Pi

Wykorzystaj wszystkie możliwości wyjątkowego minikomputera

Świat Radio listopad - grudzień 2025

Świat Radio

Magazyn krótkofalowców i amatorów CB

Automatyka, Podzespoły, Aplikacje listopad - grudzień 2025

Automatyka, Podzespoły, Aplikacje

Technika i rynek systemów automatyki

Elektronika Praktyczna listopad 2025

Elektronika Praktyczna

Międzynarodowy magazyn elektroników konstruktorów

Elektronika dla Wszystkich grudzień 2025

Elektronika dla Wszystkich

Interesująca elektronika dla pasjonatów