Mikser dyskotekowy trzech źródeł sygnału (2)

Mikser dyskotekowy trzech źródeł sygnału (2)

W pierwszej części artykułu omówiliśmy konstrukcję i zasadę działania miksera oraz zwróciliśmy uwagę na wpływ poszczególnych bloków oraz komponentów na wynikowe parametry układu. Tym razem przejdziemy do opisu montażu i uruchomienia naszego urządzenia.

Podstawowe parametry:
  • sumowanie sygnałów z dwóch źródeł sygnału stereofonicznego i jednego monofonicznego lub mikrofonu elektretowego,
  • niezależna regulacja głośności każdego z wejść,
  • wspólna regulacja głośności sumy kanałów (master volume),
  • regulacja tonów niskich (bass) i wysokich (treble) sygnału wyjściowego (zsumowanego),
  • dwa wyjścia: z regulacją barwy tonu i bez,
  • płynna regulacja wzmocnienia tonów niskich oraz wysokich, z możliwością ich uwypuklenia oraz stłumienia,
  • prosta budowa, łatwo dostępne elementy, zwarta konstrukcja,
  • zasilanie: 12…24 V (DC),
  • pobór prądu: ok. 20 mA.

Montaż i uruchomienie

Układ został zmontowany na dwustronnej płytce drukowanej o wymiarach 130 mm × 110 mm. Jej wzór ścieżek oraz schemat montażowy przedstawia rysunek 2. Warto zauważyć, że wszystkie elementy są montowane od „spodniej” strony płytki, przez co na górnej znajdują się wyłącznie pokrętła potencjometrów.

Rysunek 2. Schemat montażowy i wzór ścieżek płytki

Montaż proponuję rozpocząć od wlutowania elementów o najmniejszej wysokości obudowy, czyli rezystorów i diod. Wszystkie pozostałe elementy, poza potencjometrami, również polecam montować według tej samej reguły. Pod układy scalone, których w tym układzie jest pięć, gorąco zalecam użycie podstawek, ponieważ ich wymiana nie będzie się wówczas wiązała z problematycznym rozlutowywaniem dosyć gęsto upakowanej płyty. W pełni zmontowany układ prototypowy można zobaczyć na fotografii 1. Polecam stosować rezystory metalizowane o tolerancji 1%, ponieważ cechują się one niższym poziomem szumów własnych niż ich zwykłe, węglowe odpowiedniki.

Ponadto mniejsze rozrzuty rezystancji pozytywnie wpływają na zbieżność charakterystyk obu kanałów.

Kilka słów wymaga sposób montażu potencjometrów, który to proces celowo polecam zostawić na sam koniec, upewniając się co do poprawności montażu pozostałych podzespołów. W pierwszej kolejności należy zagiąć ich wprowadzenia pod kątem 90º w stronę osi i przykręcić do płytki. Ale tutaj uwaga – w przypadku potencjometrów podwójnych wymóg ten dotyczy tylko tych wyprowadzeń, które są bliżej osi. Ilustruje to fotografia 2.

Fotografia 2. Potencjometry z zagiętymi „dolnymi” wyprowadzeniami

Teraz można te zagięte wyprowadzenia przylutować do pól lutowniczych, nie żałując przy tym spoiwa lutowniczego – niech się trzymają porządnie, wszak szarpanie potencjometrami podczas obsługi tego typu urządzeń to norma. Efekty można zobaczyć na fotografii 3.

Fotografia 3. Przylutowane „dolne” wyprowadzenia

Teraz czas na drugi komplet wyprowadzeń w potencjometrach podwójnych (pojedynczy P1 został już przylutowany), które są za krótkie, by móc połączyć je bezpośrednio z laminatem, toteż trzeba je przedłużyć. Osobiście użyłem do tego odciętych wyprowadzeń rezystorów i kondensatorów, których miałem całe mnóstwo po poprzednim etapie montażu – fotografia 4.

Fotografia 4. Przedłużone „górne” wyprowadzenia potencjometrów

Takie druciki, po ich zagięciu, powinny móc swobodnie dosięgnąć pól lutowniczych w laminacie, co można uczynić pęsetą, kombinerkami lub palcami. Na koniec wyprowadzenia trzeba przyciąć, by nie wystawały po drugiej stronie płytki i również obficie zalać spoiwem lutowniczym. W pełni przylutowany, podwójny potencjometr można zobaczyć na fotografii 5. Taki montaż jest szybki i prosty, minimalizuje również długość koniecznych do wykonania połączeń.

Fotografia 5. Efekt końcowy: zagięte i przylutowane przedłużone wyprowadzenia „górne”

Układ powinien być zasilany napięciem stałym, doskonale filtrowanym z tętnień i zakłóceń wszelakiego rodzaju (w tym pochodzących od zasilaczy impulsowych), najlepiej stabilizowanym – choć nie jest to konieczne, z punktu widzenia specyfiki jego działania, to stabilizacja bardzo dobrze tłumi zakłócenia pochodzące od zasilacza. Jeżeli źródłem zasilania jest akumulator, wówczas problem ten staje się nieistotny. Napięcie zasilające powinno zawierać się w przedziale 12…24 V z uwagi na minimalną wartość poprawnie przenoszonej amplitudy sygnału oraz wytrzymałość użytych elementów. Pobór prądu przy napięciu 12 V wyniósł około 20 mA.

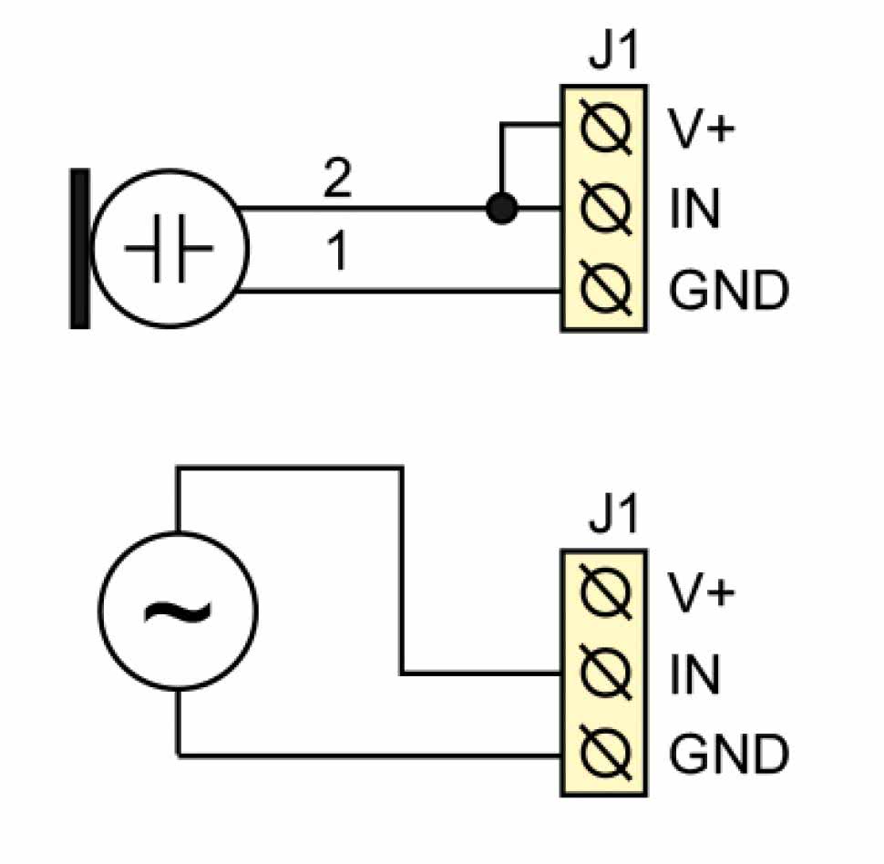
Do zacisków złącza J1 można podłączyć zarówno mikrofon elektretowy (bez przedwzmacniacza), jak i źródło sygnału z tzw. wyjściem liniowym. Rysunek 3 obrazuje, co i gdzie należy podłączyć w jednym i drugim przypadku. Podczas pracy z mikrofonem zworka JP1 powinna być rozwarta, zaś kiedy nie potrzeba dodatkowego wzmocnienia – zwarta. Do zasilania mikrofonu jest używane napięcie równe połowie napięcia zasilającego. Typowe mikrofony elektretowe potrzebują napięcia nie wyższego niż 10 V, w takiej sytuacji układ powinien być zasilany napięciem o wartości 20 V lub niższej. Warto zwrócić na to uwagę, by nie uszkodzić swojego przetwornika.

Rysunek 3. Schemat podłączenia mikrofonu lub źródła sygnału do zacisków złącza J1

Układ został tak zaprojektowany, by stanowił zwartą całość. Jego płytkę można przykręcić do powierzchni czołowej dowolnej obudowy, wykorzystując do tego celu otwory montażowe oraz śruby mocujące potencjometry. Otworów montażowych jest łącznie siedem, z których cztery są umieszczone w rogach, w odległości 3 mm od krawędzi płytki. Lokalizację pozostałych trzech otworów oraz osi potencjometrów można odczytać z rysunku 4. Obudowy potencjometrów są połączone z masą układu, rozlaną na całej powierzchni płytki, za sprawą odsłoniętych spod maski lutowniczej obszarów wokół nakrętek mocujących ich osie.

Rysunek 4. Rozmieszczenie potencjometrów i otworów montażowych na powierzchni płytki

W układzie prototypowym użyto

wzmacniaczy operacyjnych typu TL082, które w mojej ocenie są bardzo dobrymi, niskoszumowymi układami o przystępnej cenie. Nic jednak nie stoi na przeszkodzie, by zastosować inne układy scalone o takiej samej topologii wyprowadzeń, choćby kultowe NE5532. Podobnie sprawa ma się z gałkami na osie potencjometrów – do regulacji głośności użyto pokręteł GAŁ-12477 w kolorze czerwonym, zaś do barwy dźwięku – niebieskich (GAŁ-7877) z oferty https://sklep.avt.pl. Można jednak użyć dowolnych innych manipulatorów, byleby nie kolidowały między sobą po nałożeniu na osie potencjometrów.

Na zmontowanym już układzie prototypowym wykonano kilka pomiarów. Doświadczenia przeprowadzone w trakcie testów wykazały, że przy napięciu 12 V, na wyjściu układu może pojawić się sygnał o wartości międzyszczytowej do 8,5 V. Z kolei przy 24 V ten limit wzrasta do 16,5 V. Mowa jest tutaj jedynie o zniekształceniach nieliniowych wynikających z „obcinania”, z pominięciem wpływu efektu Slew Rate. Na szczęście ten parametr w przypadku TL082 ma wysoką wartość (do 20 V/μs), więc będzie mógł być odczuwalny jedynie przy składowych o bardzo wysokiej częstotliwości i amplitudzie. Wszystkie opisane dalej testy były prowadzone przy napięciu zasilającym równym 12 V, w temperaturze pokojowej, przy nieobciążonych wyjściach oraz pomijalnie małej impedancji źródła sygnału.

Pierwsza zmierzona charakterystyka miała na celu oszacowanie nierównomierności między dwoma kanałami tego samego wejścia. Na oba zaciski wejścia INPUT 1 podano ten sam sygnał o wartości międzyszczytowej 400 mV i zmieniającej się częstotliwości. Pokrętła głośności INPUT 1 i MASTER były ustawione na maksimum, zaś BASS i TREBLE w połowie. Różnica między uzyskanymi wzmocnieniami w obu kanałach została pokazana na rysunku 5, przy czym jest to wartość bezwzględna różnicy miar wyrażonych w skali decybelowej. Efekt jest nader dobry – różnica nie przekracza wartości 0,35 dB, czyli można ją uznać za nieistotną z punktu widzenia jakości odsłuchu.

Rysunek 5. Charakterystyka częstotliwościowa różnic między kanałami wejścia INPUT 1

Układ nie będzie wprowadzał istotnych różnic między lewym i prawym kanałem.

Druga charakterystyka została wykreślona po podaniu napięcia 20 mVpp na wejście mikrofonowe i ustawieniu pokrętła głośności MICROPHONE na maksimum – pozostałe warunki bez zmian. Wzmocnienie w paśmie przepustowym można uznać za stałe, wynoszące 27 dB, które zaczyna spadać dla częstotliwości powyżej 10 kHz – rysunek 6. Przy użyciu tego wejścia jako bufora, bez wzmocnienia, pasmo pracy będzie znacznie szersze ponieważ zostanie zwarty kondensator C4, zawężający szerokość owego pasma.

Rysunek 6. Charakterystyka częstotliwościowa wejścia mikrofonowego

Możliwości regulacji w zakresie niskich tonów można zobaczyć na charakterystyce, znajdującej się na rysunku 7. Linia czerwona obrazuje przebieg charakterystyki przenoszenia układu przy skrajnie prawym położeniu potencjometru BASS (TREBLE w połowie). Możliwe jest podbicie o ponad 20 dB względem poziomu neutralnego w zakresie najniższych tonów. Z kolei linia niebieska odzwierciedla przebieg tej charakterystyki przy osi tego potencjometru skręconej w lewo, co odpowiada stłumieniu. Jak widać, tłumienie może sięgać również około 20 dB. Wpływ tego regulatora zanika przy częstotliwościach od 1 kHz wzwyż.

Rysunek 7. Charakterystyka częstotliwościowa układu przy skrajnych położeniach potencjometru BASS

Z kolei wpływ regulacji potencjometrem TREBLE (BASS w połowie) można zobaczyć na rysunku 8. Kolory linii są takie same, jak na poprzednim wykresie. Skrajnie prawe położenie – podbicie, czyli linia czerwona – umożliwia zwiększenie wzmocnienia wysokich tonów o około 15 dB. Z kolei stłumienie, obrazowane przez linię niebieską, również może sięgać około 15 dB na krańcu pasma częstotliwości słyszalnych. Tutaj z kolei widać wpływ tego filtru przy częstotliwościach wyższych od 1 kHz.

Rysunek 8. Charakterystyka częstotliwościowa układu przy skrajnych położeniach potencjometru TREBLE

W obu wypadkach należy mieć na uwadze „naturalne” ograniczenie pasma przenoszenia układu, wynikające z zawężenia pasma przepustowego przez poszczególne jego bloki. Wartości częstotliwości granicznych zostały tak dobrane, że finalny układ, będący kaskadowym połączeniem kilku bloków (bufora, sumatora i korektora), ma dostatecznie szerokie pasmo przenoszenia, mogące objąć całe pasmo akustyczne z niewielkim zapasem.

Michał Kurzela, EP

Artykuł ukazał się w
Elektronika Praktyczna
luty 2025
DO POBRANIA
Materiały dodatkowe
Elektronika Praktyczna Plus lipiec - grudzień 2012

Elektronika Praktyczna Plus

Monograficzne wydania specjalne

Elektronik listopad 2025

Elektronik

Magazyn elektroniki profesjonalnej

Raspberry Pi 2015

Raspberry Pi

Wykorzystaj wszystkie możliwości wyjątkowego minikomputera

Świat Radio listopad - grudzień 2025

Świat Radio

Magazyn krótkofalowców i amatorów CB

Automatyka, Podzespoły, Aplikacje listopad - grudzień 2025

Automatyka, Podzespoły, Aplikacje

Technika i rynek systemów automatyki

Elektronika Praktyczna listopad 2025

Elektronika Praktyczna

Międzynarodowy magazyn elektroników konstruktorów

Elektronika dla Wszystkich grudzień 2025

Elektronika dla Wszystkich

Interesująca elektronika dla pasjonatów