Sonda logarytmiczna z układem AD8307 (2)

Sonda logarytmiczna z układem AD8307 (2)

W pierwszej części opisu, którą opublikowaliśmy przed miesiącem, zaprezentowaliśmy najważniejsze informacje na temat budowy, zasady działania oraz parametrów układu AD8307 w kontekście zastosowania go do budowy logarytmującego toru pomiarowego. W drugiej części publikacji skupimy się na zagadnieniach związanych z konstrukcją, montażem, uruchomieniem i regulacją logarytmicznej sondy pomiarowej.

Podstawowe parametry:
  • konstrukcja oparta na scalonym układzie AD8307,
  • wbudowana przetwornica DC/DC o topologii podwajacza pojemnościowego,
  • blok wejściowy z przełączanymi tłumikami 0/–20/–40 dB,
  • impedancja wejściowa: 1 kΩ/10 kΩ/100 kΩ,
  • impedancja wyjściowa: 50 Ω (złącze BNC),
  • wzmocnienie regulowane potencjometrem (około 24,9 mV/dB ±9%),
  • punkt przecięcia charakterystyki regulowany potencjometrem (±3dB),
  • zasilanie: dwa ogniwa typu AAA.

Zasada działania i koncepcja realizacji sondy

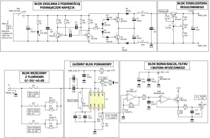
Schemat elektryczny urządzenia zaprezentowano na rysunku 13. Blok zasilania stanowi pojemnościowa (bezindukcyjna) przetwornica DC/DC, podwajająca napięcie zasilania. Jest to rozwiązanie wygodne w przypadku zasilania sondy z użyciem dwóch stosunkowo niewielkich, bardzo tanich dziś ogniw AAA, zamocowanych w koszyczku wprost do płytki drukowanej.

Rysunek 13. Schemat elektryczny sondy

Napięcie wymagane do zasilania układu AD8307 (U2) nie powinno być niższe od 2,7 V ani wyższe od 5,5 V – i właśnie dlatego podwojenie napięcia z dwóch ogniw alkalicznych lub akumulatorków NiMH w całym zakresie ich cyklu pracy wydaje się optymalnym rozwiązaniem. Przetwornica pracuje w układzie multiwibratora astabilnego (z tranzystorami Q1 i Q2), który steruje podwójną pompą ładunkową z tranzystorami Q3 i Q4, diodami D2..D7 oraz pojemnościami C5…C6, z częstotliwością F równą około 30 kHz, leżącą niewiele powyżej pasma akustycznego. Teoretyczną częstotliwość pracy tak zbudowanej przetwornicy F określa wzór:

F=1/T≈1/[0,7·(R3·C4+R4·C3)] (2)

gdzie T jest czasem trwania pełnego cyklu (okresu) pracy zastosowanego przerzutnika astabilnego. W tym przypadku wynosi ono 1/[0,7·(22 kΩ·1 nF+22 kΩ·1 nF)]=32,47 kHz i oże być modyfikowana – najlepiej wyłącznie za pomocą wartości pojemności C3=C4, co gwarantuje zachowanie prawidłowych warunków pracy tranzystorów Q1 i Q2 oraz symetrię generowanego przebiegu (współczynnik wypełnienia D≈50%). Diody D2..D5 gwarantują z kolei, że tylko jeden z tranzystorów Q3 i Q4 będzie w pełni otwarty, gdy drugi z nich pozostanie zatkany. Jako diody D6 i D7, „pompujące” pojemności C5 i C6, zastosowano diody Schottky’ego o napięciach przewodzenia znacznie niższych od zwykłych diod krzemowych, co pozwoliło zminimalizować straty wprowadzane podczas podwajania napięcia. Wyjście bloku zasilania przyrządu zamyka symetryczny filtr LC z elementami L1, L2 i C7, którego zadaniem jest ostatecznie odseparować ewentualne tętnienia na wyjściu podwajacza napięcia – zarówno od wejścia kolejnego bloku przyrządu, jak i od właściwej (sygnałowej) masy całego urządzenia.

Uzyskane z poprzedniego bloku zasilania, podwojone napięcie ogniw zasilających typu AAA – w przypadku ogniw, które nie są całkowicie wyeksploatowane – nie powinno być niższe od 4,5 V (w wyliczeniach należało wziąć pod uwagę spadki napięcia na diodach Schottky’ego D6 i D7, „pompujących” pojemności C5 i C6, które powinno wynosić łącznie nie więcej niż 0,4...0,6 V). Takie napięcie powinno wystarczyć do zapewnienia poprawnej pracy bloku stabilizatora regulowanego, który został oparty na popularnym od lat, sprawdzonym układzie U1 (TL431A), potocznie nazywanym regulowaną diodą Zenera. Pełni on funkcję źródła napięcia odniesienia dla szeregowego elementu wykonawczego, czyli tranzystora Q5 (BC547B), którego baza jest sterowana poprzez rezystor R7 (4,7 kΩ). Wewnętrzne napięcie odniesienia układu scalonego TL431A wynosi Vref=2,5 V i jest w trybie ciągłym porównywane z napięciem uzyskanym na dzielniku rezystancyjnym z elementami R8-RV1-R9. Proces ten odbywa się w pętli ujemnego sprzężenia zwrotnego, której działanie sprawia, że napięcie Vstab na emiterze tranzystora Q5 (i – tym samym – na wyjściu stabilizatora) wynosi dokładnie:

Vstab=(1+Ra/Rb)·Vref (3)

gdzie Ra i Rb są rezystancjami odpowiednio: górnej i dolnej gałęzi ciągu oporności R8-RV1-R9, a ich partykularne wartości są ustalane przez ustawienie suwaka potencjometru montażowego RV1. W szczególności, dla przyjętych w projekcie wartości wspomnianych wcześniej elementów rezystancyjnych, możliwe do osiągnięcia napięcia wyjściowe stabilizatora regulowanego mieszczą się w zakresie od:

Vstab(min)=[1+1 kΩ/(1 kΩ+3,3 kΩ)]·2,5 V≈3,08 V

do

Vstab(max)=[1+(1 kΩ+1 kΩ)/3,3 kΩ]·2,5 V≈4,02 V

W projekcie przyjęto wartość Vstab=3,3 V jako właściwe napięcie zasilania układów scalonych U2 (AD8307) i U3 (MCP6002) – i zarazem osiągalne w całym użytecznym zakresie napięć oferowanych przez parę sprawnych ogniw alkalicznych lub akumulatorów NiMH typu AAA. Warto w tym miejscu wspomnieć, że minimalne napięcie zasilające blok stabilizatora regulowanego powinno być większe od Vstab co najmniej o napięcie Ube pomiędzy bazą a emiterem tranzystora Q5 (ok. 0,7 V max.), powiększone o spadek napięcia na rezystorze R7, polaryzującym bazę Q5. Przy poborze prądu przez część pomiarową przyrządu na poziomie 10 mA i wzmocnieniu stałoprądowym tranzystora Q5 nie mniejszym niż 200 razy otrzymujemy wartość

3,3 V+0,7 V+10 mA/200·4,7 kΩ=4,235 V

Przy stratach szeregowych przetwornicy podwajającej napięcie na diodach D6 i D7 rzędu nawet 0,6 V oznacza to wymóg dotyczący napięcia pojedynczego ogniwa zasilającego „AAA” na poziomie (4,235 V+0,6 V)/2/2≈1,21 V co należy uznać za niewygórowaną wartość, maksymalizującą czas wykorzystania zastosowanych źródeł energii zasilania.

Sercem omawianej sondy logarytmicznej, tworzącym główny blok pomiarowy jest oczywiście układ scalony U2 (AD8307), wraz z garścią elementów towarzyszących. Należą do nich: prosty, dolnoprzepustowy filtr RC zasilania U2 (R14-C9), kondensatory separujące wejścia różnicowe U2 dla składowej (i zarazem sprzęgające je z blokiem wejścia pomiarowego oraz z masą układu), rezystor R15 (sprowadzający podstawową rezystancję wejściową bloku pomiarowego do wartości 1 kΩ), potencjometr RV2 z rezystorem R16 (pozwalający na regulację punktu przecięcia logarytmicznej funkcji przenoszenia układu pomiarowego w zakresie około ±3 dB) oraz potencjometr RV3 z rezystorem R17. Ostatnie dwa wymienione elementy bierne służą do regulacji nachylenia logarytmicznej funkcji przenoszenia układu pomiarowego na wyjściu OUT układu U2. W przypadku przyjętych w projekcie wartości elementów oraz mając na uwadze fakt, że nachylenie charakterystyki wewnętrznego wyjściowego źródła prądowego wynosi 2 μA/dB, a wbudowana rezystancja – włączona między wyjście tego źródła a masę układu U2 (wyprowadzenie COM) – ma wartość 12,5 kΩ, uzyskujemy teoretyczną możliwość regulacji nachylenia logarytmicznej funkcji przenoszenia układu pomiarowego w zakresie od 

Ku0(min)=2 μA/dB·(12,5 kΩ||33 kΩ)≈18,13 mV/dB 

do 

Ku0(max)=2 μA/dB·[12,5 kΩ||(33 kΩ+50 kΩ)]≈21,73 mV/dB

czyli w przybliżeniu 19,93 mV/dB ±9,03%. W praktyce istotne jest to, że możemy „operować” w bardzo blisko wartości Ku0=20 mV/dB z dość sporym marginesem regulacji rzędu ±9%.

Blok wzmacniacza, filtru i bufora wyjściowego został zrealizowany z zastosowaniem popularnego podwójnego wzmacniacza operacyjnego MCP6002 (U3A/B) typu RRIO, czyli z wejściami i wyjściami pracującymi w pełnym zakresie pomiędzy potencjałami szyn zasilania. Należy podkreślić, że ten wzmacniacz powinien być zasilany napięciem stałym w zakresie od 1,8 do 6,0 V (maksymalnie 7,0 V), a zastąpienie go innym popularnym wzmacniaczem operacyjnym (np. LM358) nie przyniesie satysfakcjonujących rezultatów pomiarowych. Zasilanie obu wzmacniaczy operacyjnych filtrują kondensatory C14 i C15.

Wzmacniacz U3A pracuje w prostym układzie nieodwracającym, ze wzmocnieniem ustalanym przez wartości rezystorów R18 i R19 na poziomie (1+R18/R19)=1,25x. To dodatkowe wzmocnienie pozwala na przesunięcie zakresu regulacji nachylenia logarytmicznej funkcji przenoszenia układu pomiarowego z zakresu 18,13...21,73 mV/dB do zakresu 22,66...27,16 mV/dB, czyli około 24,9 mV/dB ± 9%. Za wzmacniaczem z układem U3A zaimplementowano prosty filtr dolnoprzepustowy z elementami R20 i C16 – jego zadaniem jest eliminowanie przenoszenia na wyjście sondy krótkotrwałych zakłóceń, które mogą wystąpić na jej wejściu. Wzmacniacz operacyjny U3B z tranzystorem Q6 (BC547B) oraz elementami R21, R22 i C17 realizują funkcję niskoimpedancyjnego bufora wyjściowego (z dodatkową eliminacją zakłóceń impulsowych w przetworzonym sygnale logarytmicznym), którego obecność pozwala na dalsze prowadzenie skonwertowanego sygnału w torze koncentrycznym o impedancji znamionowej 50 Ω. Ewentualne zakłócenia zasilania wzmacniaczy operacyjnych U3A i U3B są lokalnie blokowane do masy za pośrednictwem kondensatorów C14 i C15. Warto w tym miejscu wspomnieć, że zmieniając wartości rezystorów R18 i R19, można uzyskać nachylenie logarytmicznej funkcji przenoszenia układu pomiarowego inne niż 25 mV/dB, jednak w tym przypadku należałoby także zweryfikować, czy przyjęte napięcie zasilania układów U2 i U3 (tu: +3,3 V) wspiera takie alternatywne rozwiązanie.

Ostatnim, nieomówionym jeszcze blokiem przyrządu jest blok wejściowy z tłumikami 0/–20/–40 dB. Mierzony sygnał jest podawany na złącze J2 (zacisk ARK2 na PCB sondy) i dalej rozgałęziany na zestaw trzech równoległych jumperów JP1…JP3, przy czym jeden ze styków złącza J2 jest stykiem „gorącym” (sygnałowym), natomiast drugi z nich został dołączony wprost do masy sygnałowej przyrządu pomiarowego. W trakcie regularnej pracy sondy oczywiście tylko na jeden z jumperów JP1…JP3 nałożona będzie zworka. Jumper JP1 prowadzi wprost na wejście głównego bloku pomiarowego i wobec tego nie wprowadza żadnego dodatkowego tłumienia (Att=0 dB). Jumper JP2 prowadzi sygnał mierzony na wejście głównego bloku pomiarowego poprzez parę równolegle połączonych rezystorów R10 i R11 o wypadkowej rezystancji równej 9,0 kΩ. Ten tandem rezystorów – wraz z impedancją wejściową ustroju pomiarowego, sprowadzoną do wartości Rin0=1 kΩ – tworzy prosty dzielnik rezystancyjny o podziale 10:1 (i – tym samym – wprowadzający do mierzonego sygnału tłumienie Att=–20 dB oraz zwiększający rezystancję wejściową sondy do wartości Rin=10 kΩ). Analogicznie, jumper JP3 prowadzi sygnał mierzony na wejście głównego bloku pomiarowego poprzez parę równolegle połączonych rezystorów R12 i R13 o wypadkowej rezystancji równej 99 kΩ. Z kolei ta para rezystorów – wraz z impedancją wejściową ustroju pomiarowego, sprowadzoną do wartości Rin0=1 kΩ – tworzy dzielnik rezystancyjny o podziale 100:1 (a jednocześnie – wprowadzający do mierzonego sygnału tłumienie Att=–40 dB oraz zwiększający rezystancję wejściową sondy do wartości Rin=100 kΩ). Warto w tym miejscu wspomnieć, że w typowych zastosowaniach audio (dla całego pasma akustycznego) może być konieczna korekta wartości elementów: R10...R13 i R15 – tak aby uzyskać Rin=600 Ω i pożądane poziomy tłumienia. Wskazana może okazać się także korekta wartości kondensatorów sprzęgających C10...C13 – by uzyskać dobre sprzężenie układu pomiarowego z mierzonymi obwodami już od częstotliwości rzędu 20 Hz i niższych.

Zasadniczo, zaprezentowany układ sondy nie należy do skomplikowanych, a czytelny podział na poszczególne bloki funkcjonalne zdecydowanie ułatwia takie jego skonfigurowanie do pracy na stałe, jakie będzie dla nas najwygodniejsze przy dłuższej eksploatacji. W szczególności można całkowicie zrezygnować z montażu i zastosowania przetwornicy napięcia DC/DC z filtrem LC oraz stabilizatora regulowanego, zapewniając odpowiednie zasilanie zewnętrzne. Można także zrezygnować z montażu wzmacniacza końcowego z filtrem i buforem wyjściowym, a niezbędne połączenia w bloku wejściowym poprowadzić na stałe.

Montaż, uruchomienie i regulacja sondy

Na fotografii tytułowej pokazano zmontowaną sondę w obudowie Z121 produkcji firmy Kradex, do której obudowy została dokładnie dostosowana PCB omawianego przyrządu. Zazwyczaj zalecane jest rozpoczęcie montażu urządzenia od kompletacji podzespołów na płytce drukowanej – począwszy od elementów najniższych (względem powierzchni PCB) a skończywszy na najwyższych. Jednak w tym miejscu nieco bardziej doświadczonym konstruktorom proponuję zgoła odmienne podejście, które pozwoli uniknąć uszkodzeń uruchomionego przyrządu na etapie wpasowywania go do dedykowanej obudowy. Innymi słowy, proponuję rozpocząć montaż od przygotowania obudowy oraz wpasowania w nią PCB sondy z zamontowanymi największymi podzespołami.

Fotografia 1. Płytka drukowana sondy – widoki z obu stron

Na fotografii 1 widzimy dwa egzemplarze płytki drukowanej sondy, ujęte od góry oraz od spodu. Na PCB przyrządu, w węższym jej końcu, w którym będzie zamontowane wprowadzenie sygnału mierzonego na złącze J2, zostały fabrycznie namalowane linie – wzdłuż nich (jeszcze przed rozpoczęciem montażu jakichkolwiek podzespołów) należy dociąć płytkę drukowaną sondy tak, aby pasowała do obudowy Z121 (miejsca te na fotografii 1 wyróżniono czerwonymi prostokątnymi ramkami). Na rysunku 14 pokazano kluczowe rysunki techniczne (z wymiarowaniem) rekomendowanej obudowy Z121, natomiast fotografia 2 podpowiada, jak należy tę obudowę przygotować do dalszego montażu.

Rysunek 14. Rysunek wymiarowy obudowy typu Z121

Aby ułatwić sobie zadanie, warto wydrukować wcześniej warstwę opisową PCB w skali 1:1 na grubszym papierze (lub ewentualnie podkleić takim papierem normalny wydruk), dociąć wydruk do wymiarów docelowej PCB oraz wykonać w nim i wyróżnić kolorem (albo przynajmniej wyznaczyć lokalizacje) kluczowych otworów montażowych. Po odwróceniu takiego „wzornika” będzie znacznie łatwiej wyznaczyć od wewnątrz (w górnej części obudowy) miejsca do wykonania niezbędnych owiertów. Cztery otworów montażowe w każdej z połówek obudowy Z121 należy rozwiercić do wymiaru śrub M2,5/30, a następnie trwale zamocować takie śruby w dolnej części obudowy. Warto także wykleić od wewnątrz obie części obudowy metalową folią samoprzylepną (najlepiej miedzianą, ale ze względu na jej wysoką cenę można zastąpić ją dobrej jakości folią aluminiową, np. produkcji renomowanej firmy „3M”). Uzyskany w ten sposób prosty ekran powinien oczywiście zostać połączony galwanicznie z masą sygnałową przyrządu (dokonamy tego w końcowej fazie montażu).

Fotografia 2. Obudowa sondy przygotowana do montażu

Po wykonaniu w obudowie Z121 wszystkich niezbędnych otworów montażowych można przystąpić do wpasowywania w nią PCB sondy. Na rysunku 15 pokazano schemat montażowy płytki drukowanej omawianego przyrządu, natomiast na fotografii 3 zaprezentowano zmontowaną PCB sondy. Na zdjęciu wyróżniono największe elementy montażowe – w celu uniknięcia późniejszych problemów oraz niepotrzebnych rozczarowań na etapie zamykania uruchomionej sondy w obudowie rekomendowane jest rozpoczęcie montażu od tych właśnie elementów.

Rysunek 15. Schemat montażowy PCB sondy

Koszyczek na dwa ogniwa AAA należy trwale przykleić do PCB (np. klejem butapren lub innym o podobnych właściwościach), a pozostałe wyróżnione elementy trzeba po prostu starannie przylutować do płytki drukowanej. Tak przygotowaną wstępnie płytkę należy spróbować wpasować w dedykowaną obudowę i już na tym etapie prac dokonać ewentualnych korekt otworów montażowych.

Fotografia 3. Zmontowany układ sondy

Mając w pełni przygotowaną obudowę sondy (mechaniczna część prac), możemy teraz skupić się na montażu i uruchomieniu właściwego układu elektronicznego. Na schemacie elektrycznym sondy, pokazanym na rysunku 13, został podkreślony podział przyrządu na poszczególne bloki funkcjonalne – i właśnie takimi blokami proponuję przeprowadzić dalszy montaż oraz uruchomienie. W pierwszej kolejności należy dokonać montażu i uruchomienia bloku zasilania z pojemnościowym podwajaczem napięcia. Poprawnie zmontowany obwód nie wymaga żadnego uruchomienia ani regulacji, a po załączeniu zasilania napięcie na jego nieobciążonym wyjściu (wyprowadzenia kondensatora C7) powinno być zbliżone do dwukrotnej wartości napięcia połączonych szeregowo ogniw zasilających AAA. W kolejnym etapie prac montujemy elementy bloku stabilizatora regulowanego, a następnie potencjometrem montażowym RV1 dokonujemy regulacji tak, by napięcie na jego nieobciążonym wyjściu (wyprowadzenia kondensatora C8) było równe +3,3 V.

Następnie przechodzimy do montażu i uruchomienia kluczowej części przyrządu, czyli głównego bloku pomiarowego. Po jego zmontowaniu potencjometry RV2 i RV3 pozostawiamy w środkowych położeniach – do dalszej regulacji w końcowym etapie prac. Aby ułatwić sobie testowanie tego bloku, od razu montujemy prościutki blok wejściowy z tłumikami. Po zwarciu jumpera JP1, załączeniu zasilania oraz podaniu sygnału testowego (np. o częstotliwości F=1 MHz i poziomie nieprzekraczającym 1,0 Vp-p) na wejście J2 sondy, powinno dać się zaobserwować zmiany napięcia na wyjściu OUT (pin nr 4) układu scalonego U2 (AD8307) w trakcie regulacji poziomu sygnału testowego. W ostatnim etapie prac montujemy blok wzmacniacza, filtru i bufora wyjściowego, który nie wymaga żadnych działań regulacyjnych.

Poprawnie zmontowany i uruchomiony układ wymaga dalszej, „całościowej” regulacji. W pierwszym etapie ustawiamy nachylenie logarytmicznej funkcji przenoszenia przyrządu, co wykonujemy iteracyjnie w następujący sposób:

  • na zakresie pomiarowym sondy z załączonym torem z tłumieniem Att=0 dB, (czyli 1:1 – przy zwartym jumperze JP1) podajemy na jej wejście na przemian dwa napięcia sinusoidalne o częstotliwości F=1 MHz z generatora, różniące się poziomem dokładnie dwukrotnie, czyli o 6 dB, np. 1,0 Vp-p oraz 0,5 Vp-p,
  • mierzymy za każdym razem napięcie na wyjściu sondy oraz wyliczamy różnicę zmierzonych napięć,
  • wyliczoną różnicę napięć [mV] dzielimy przez 6 [dB] i w ten sposób wyznaczamy aktualną wartość nachylenia logarytmicznej funkcji przenoszenia całego przyrządu (oczekiwaną wartością jest 25 mV/dB),
  • potencjometrem RV3 regulujemy tak, by ostatecznie różnica mierzonych napięć wynosiła 6 dB·25 mV/dB=150 mV,
  • cykl pomiarowo-regulacyjny powtarzamy, aż do osiągnięcia satysfakcjonującego rezultatu.

W kolejnym etapie należy potencjometrem montażowym RV2 dokonać korekty punktu przecięcia logarytmicznej funkcji przenoszenia. Dogodnym podejściem wydaje się po prostu ustalenie takiego punktu pracy sondy, by przy „okrągłej” wartości poziomu mierzonego sygnału wejściowego uzyskać „okrągłą” wartość poziomu napięcia wyjściowego przyrządu. W przypadku przyrządu modelowego potencjometr RV2 ustawiono tak, że przy referencyjnym sinusoidalnym sygnale wejściowym o poziomie 1 Vp-p napięcie na wyjściu sondy wynosiło dokładnie 1,5 V. W praktyce pomiarowej wyznaczenie dokładnego poziomu konkretnego mierzonego sygnału sprowadzi się zatem do przeliczenia tego, o ile dB różni się on od ustalonego poziomu referencyjnego – mając na uwadze to, że każde ±25 mV zmiany napięcia wyjściowego sondy to ±1 dB zmiany poziomu sygnału wejściowego (skala półlogarytmiczna).

Podsumowanie projektu

W artykule opisano projekt stosunkowo prostej i niedrogiej, półprofesjonalnej sondy logarytmicznej, która zapewne doskonale sprawdzi się w pracowni każdego konstruktora – miłośnika urządzeń elektroakustycznych i/lub radiowych. Sonda może być stosowana m.in. do pomiarów wobuloskopowych w zakresie: od początku pasma akustycznego aż po krańce pasma wysokich częstotliwości radiowych (fale krótkie) – egzemplarz modelowy był z powodzeniem testowany w zakresie częstotliwości do 40 MHz. Opisany w artykule przyrząd umożliwia wykonanie przydatnych pomiarów charakterystyk częstotliwościowych, przy czym może zostać zaimplementowany zarówno jako urządzenie podręczne (przenośne), jak i jako przyrząd stacjonarny lub wbudowany w inny większy system. Chcę uczulić ambitnych (a nieco mniej doświadczonych) konstruktorów na potencjalne problemy, dlatego czuję się w obowiązku na koniec tej publikacji projektowej wspomnieć o smutnym fakcie, że na rynku dostępnych jest sporo „tanich wersji” scalonego układu pomiarowego AD8307. Ich wielce zachęcająca cena może świadczyć o tym, że parametry owych układów niekoniecznie w pełni utrzymują wysokie osiągi wersji oryginalnych, w tym m.in. deklarowanych: pasma oraz dokładności przetwarzania. Jest to jeden z powodów, dla których zaprezentowany tutaj projekt został zoptymalizowany do pracy na częstotliwościach od m.cz. aż do fal krótkich włącznie, czyli około 40 MHz.

Adam Sobczyk, EP

Wykaz elementów:
Rezystory: (0,25W/5% lub jak w opisie)
  • R1, R8: 1 kΩ
  • R2, R5, R6: 2,2 kΩ
  • R3, R4: 22 kΩ
  • R7, R20: 4,7 kΩ
  • R9: 3,3 kΩ
  • R10: 9,1 kΩ/1%
  • R11: 750 kΩ
  • R12: 100 kΩ/1%
  • R13: 10 MΩ
  • R14: 4,7 Ω
  • R15: 11 kΩ/1%
  • R16: 24 kΩ
  • R17: 33 kΩ
  • R18: 30 kΩ/1%
  • R19: 120 kΩ/1%
  • R21: 5,1 kΩ
  • R22: 47 Ω
  • RV1: 1 kΩ w obudowie RM-065 („leżącej”)
  • RV2, RV3: 50 kΩ w obudowie RM-065 („leżącej”)
Kondensatory: (elektrolityczne ≥10 V, ceramiczne ≥ 35 V)
  • C1, C5, C6: 100 μF
  • C2, C7, C10, C12: 1 μF
  • C3, C4: 1 nF
  • C8: 47 μF
  • C9, C15: 100 nF
  • C11, C13: 10 nF
  • C14: 10 μF
  • C16: 330 nF
  • C17: 220 nF
Półprzewodniki:
  • D1: dioda LED ∅ 3,0 mm
  • D2...D5: 1N4148 (DO-35)
  • D6, D7: BAT85 (DO-35)
  • Q1...Q6: BC547B (TO-92)
  • Q3: BC557B (TO-92)
  • U1: TL431A (TO-92)
  • U2: AD8307 (DIP-8) + podstawka
  • U3: MCP6002 (DIP-8) + podstawka
Pozostałe:
  • L1, L2: 1 mH (osiowy)
  • J1, JP1..JP3: złącza „goldpin” męskie (2 piny, raster 2,54 mm)
  • J2: złącze śrubowe ARK-2 (2 piny, raster 5 mm)
  • J3: gniazdo BNC (lutowane do druku)
  • SW1: przełącznik trójkońcówkowy SPDT
  • Obudowa, kable przyłączeniowe, śruby i nakrętki itp. – wg opisu w tekście
Artykuł ukazał się w
Elektronika Praktyczna
wrzesień 2024
DO POBRANIA
Materiały dodatkowe
Elektronika Praktyczna Plus lipiec - grudzień 2012

Elektronika Praktyczna Plus

Monograficzne wydania specjalne

Elektronik listopad 2025

Elektronik

Magazyn elektroniki profesjonalnej

Raspberry Pi 2015

Raspberry Pi

Wykorzystaj wszystkie możliwości wyjątkowego minikomputera

Świat Radio listopad - grudzień 2025

Świat Radio

Magazyn krótkofalowców i amatorów CB

Automatyka, Podzespoły, Aplikacje listopad - grudzień 2025

Automatyka, Podzespoły, Aplikacje

Technika i rynek systemów automatyki

Elektronika Praktyczna listopad 2025

Elektronika Praktyczna

Międzynarodowy magazyn elektroników konstruktorów

Elektronika dla Wszystkich grudzień 2025

Elektronika dla Wszystkich

Interesująca elektronika dla pasjonatów