Sonda logarytmiczna z układem AD8307 (1)

Sonda logarytmiczna z układem AD8307 (1)

Szerokopasmowe sondy pomiarowe należą do przyrządów, których nie powinno zabraknąć w pracowni wszechstronnego elektronika-konstruktora, szczególnie jeśli jest on radioelektronikiem. Sondy logarytmiczne przydają się zwłaszcza do mierzenia napięć, a pośrednio – także prądów i mocy w obwodach prądów zmiennych. Do niezaprzeczalnych zalet tych przyrządów należy możliwość wykonywania dość precyzyjnych pomiarów sygnałów o bardzo dużej dynamice, w szerokim zakresie częstotliwości, przy czym – gdy w pomiarach zastosuje się generator-wobulator i oscyloskop – można prześledzić także charakterystyki częstotliwościowe badanego podzespołu czy urządzenia.

Podstawowe parametry:
  • konstrukcja oparta na scalonym układzie AD8307,
  • wbudowana przetwornica DC/DC o topologii podwajacza pojemnościowego,
  • blok wejściowy z przełączanymi tłumikami 0/–20/–40 dB,
  • impedancja wejściowa: 1 kΩ/10 kΩ/100 kΩ,
  • impedancja wyjściowa: 50 Ω (złącze BNC),
  • wzmocnienie regulowane potencjometrem (około 24,9 mV/dB ±9%),
  • punkt przecięcia charakterystyki regulowany potencjometrem (±3dB),
  • zasilanie: dwa ogniwa typu AAA.

Prezentowany tutaj projekt sondy logarytmicznej jest rozwiniętą i znacznie ulepszoną wersją projektu prostej (ekonomicznej) poprzedniczki, zaprezentowanej w „Elektronice Praktycznej” 8/2017 (kit AVT1962), w której niemal całe przetwarzanie w torze sygnałowym zostało oparte na tanich elementach dyskretnych. Nowa odsłona sondy bazuje na specjalistycznym układzie scalonym AD8307 produkcji firmy Analog Devices i jest przystosowana do współpracy z generatorem-wobulatorem: AVT5580 (EP 2…4/2017) oraz jego nowszą wersją AVT5980 (EP 4…6/2023).

Zastosowanie i właściwości przyrządu

Jak wspomniano we wstępie do artykułu, opisana tutaj sonda logarytmiczna jest przyrządem przeznaczonym do bezpośredniego pomiaru napięć oraz pośredniego pomiaru prądów i mocy w obwodach prądów zmiennych w szerokim zakresie częstotliwości i o znacznej dynamice. W szczególności, przy włączeniu do pomiarów dodatkowo generatora-wobulatora i oscyloskopu z funkcjonalnością pracy w trybie XY można również analizować charakterystyki częstotliwościowe badanych czwórników. Motywacją do realizacji nowego projektu była chęć uzyskania parametrów użytkowych istotnie lepszych niż w przypadku stosunkowo nieskomplikowanej sondy logarytmicznej AVT1962. Efekt ten osiągnięto przede wszystkim dzięki zastosowaniu specjalizowanego układu AD8307, zapewniającego znacznie szerszy zakres dynamiki i pasma częstotliwości dla mierzonych sygnałów, przy całkiem niezłej dokładności przetwarzania logarytmicznego.

Obok głównego pomiarowego bloku przyrządu, opartego o układ AD8307 wraz z dwoma potencjometrami przeznaczonymi do regulacji charakterystyki przetwarzania, w urządzeniu można wyróżnić: blok zasilania (z multiwibratorem astabilnym oraz z przetwornicą pojemnościową w układzie podwajającym napięcie), blok precyzyjnego stabilizatora regulowanego, blok wejściowy z dwoma opcjonalnymi tłumikami (wybieranymi zworkami) oraz blok wzmacniaczy wyjściowych. Zanim jednak przejdziemy do szczegółowego omówienia wymienionych fragmentów układu, warto zapoznać się bliżej z właściwościami układu AD8307.

Właściwości i aplikacje układu AD8307

W tym rozdziale skorzystano przede wszystkim z informacji zawartych w karcie katalogowej układu AD8307. Blokowy schemat funkcjonalny układu pokazano na rysunku 1, natomiast opis i przeznaczenie jego poszczególnych wyprowadzeń zebrano w tabeli 1.

Rysunek 1. Schemat blokowy układu AD8307

Producent zdefiniował tę kostkę jako niskokosztowy, kompletny, wielostopniowy wzmacniacz logarytmiczny o zakresie dynamiki przetwarzania równym 92 dB, tj. od –75 dBm do +17 dBm – z możliwością obniżenia progu czułości aż do –90 dBm przy zastosowaniu odpowiedniego układu dopasowującego (przedwzmacniacza wstępnego). Układ AD8307 zawiera w pełni różnicową ścieżkę sygnału ze sprzężeniem prądu stałego. Dzięki temu, ze względu na symetryczny charakter odpowiedzi układu, piny INM (nr 1) oraz INP (nr 8) mogą być używane zamiennie: jako gorący – albo podłączony do masy (dla składowej zmiennej). Rezystancja wejściowa Rin, mierzona pomiędzy pinami INM oraz INP dla składowej stałej, wynosi Rin=1,1 kΩ. Typowe aplikacje układu AD8307, jako konwertera poziomu sygnału na postać decybelową, to m.in.: pomiar mocy emitowanej do anteny przez nadajnik radiokomunikacyjny, wskaźnik siły sygnału odbieranego przez odbiornik (RSSI), niedrogi przetwornik sygnałów radarowych i sonarowych, a także przetwornik logarytmiczny w wektorowych analizatorach obwodów zmiennoprądowych (VNA) i w analizatorach widma (o zakresie pomiaru do 120 dB). Warto podkreślić także możliwość zastosowania układu AD8307 do określania poziomu sygnałów zmiennych o częstotliwościach poniżej 20 Hz, co predestynuje tę kostkę do aplikacji w multimetrach z pomiarem napięć i prądów zmiennych w trybie „True RMS”.

Układ scalony AD8307 jest jednym z pierwszych monolitycznych wzmacniaczy logarytmicznych dostępnych na rynku. Przetwarzanie logarytmiczne jest w nim oparte o technikę wieloetapowej, progresywnej kompresji z sukcesywnym wykrywaniem poziomu sygnału, zapewniającym podstawowy zakres dynamiczny aż do 92 dB (przy błędzie przetwarzania nieprzekraczającym ±3 dB) lub do 88 dB (przy błędzie przetwarzania nieprzekraczającym – zaledwie – ±1 dB), przy częstotliwościach mierzonych sygnałów sięgających do 100 MHz. Ten fakt – w zestawieniu z niewygórowaną ceną w sprzedaży detalicznej – sprawia, że układ doskonale wpasowuje się we wszelkie zastosowania radioamatorskie, szczególnie krótkofalarskie. Układ AD8307 uchodzi za bardzo stabilny i łatwy w implementacji – w podstawowym zastosowaniu wymaga tylko kilku biernych elementów zewnętrznych, bez jakichkolwiek podzespołów regulacyjnych. Jest dostępny zarówno w obudowie DIP-8, przeznaczonej do ręcznego montażu THT, jak i w obudowie SOIC-8, przeznaczonej do montażu powierzchniowego SMT.

Układ scalony AD8307 jest zasilany pojedynczym napięciem w zakresie od 2,7 V do 5,5 V (7,5 V max.), przy typowym natężeniu prądu zasilania równym 7,5 mA, a dopuszczalny zakres temperatur jego pracy mieści się w przedziale od –40 do +85°C. Deklarowany czas włączenia zasilania układu po przejściu pinu ENB (nr  6) ze stanu niskiego do wysokiego wynosi 100 ns, natomiast prąd uśpienia jest rzędu 150 μA. Zgodnie z deklaracjami producenta, omawiany przetwornik logarytmiczny umożliwia pracę w pasmie od 0 Hz (sygnały stałoprądowe) aż do 500 MHz z zachowaniem liniowości przetwarzania nie gorszej niż ±1 dB, co w większości popularnych (a zwłaszcza amatorskich) zastosowań pomiarowych wydaje się wysoko satysfakcjonującą wartością. Nominalne wartości (tzn. bez zewnętrznej regulacji dołączonymi potencjometrami) parametrów charakterystyki przetwarzania: nachylenia oraz lokalizacji teoretycznego punktu przecięcia z osią OX (tzn. nieosiąganego w praktyce, gdyż Uwy przetwornika nigdy nie wynosi dokładnie 0 V) wynoszą odpowiednio: 25 mV/dB oraz –84 dBm. Producent podkreśla znaczną odporność na zmiany temperatury otoczenia, a także dobrą stabilność temperaturową charakterystyk przetwarzania: Vout w funkcji poziomu wejściowego (rysunek 2) oraz logarytmicznej dokładności przetwarzania w funkcji poziomu wejściowego [dBm] (rysunek 3) – w temperaturach −40, +25 oraz +85°C.

Rysunek 2. Wykres Vout w funkcji poziomu wejściowego w temperaturach −40°C, +25°C oraz +85°C
Rysunek 3. Wykres logarytmicznej dokładności przetwarzania w funkcji poziomu wejściowego [dBm] w temperaturach −40°C, +25°C oraz +85°C

Podobnie jest w przypadku wrażliwości charakterystyk przetwarzania na częstotliwość mierzonego sygnału: Vout w funkcji poziomu wejściowego (rysunek 4) oraz logarytmicznej dokładności przetwarzania w funkcji poziomu wejściowego [dBm] (rysunek 5) przy częstotliwości 10, 100 oraz 500 MHz.

Rysunek 4. Wykres Vout w funkcji poziomu wejściowego dla częstotliwości 10, 100 oraz 500 MHz
Rysunek 5. Wykres logarytmicznej dokładności przetwarzania w funkcji poziomu wejściowego [dBm] dla częstotliwości 10, 100 oraz 500 MHz

Jest ona znikoma praktycznie aż do około 100 MHz (producent deklaruje użyteczność aplikacyjną układu aż do częstotliwości rzędu 500 MHz, jednak należy mieć pełną świadomość faktu, że jej uzyskanie będzie możliwe jedynie przy bardzo przemyślanej realizacji projektu PCB i to najlepiej wyłącznie w technologii SMD). Wymienione właściwości, szczególnie w przypadku niedrogiego, popularnego układu scalonego, obecnego na rynku już od około 20 lat, należy uznać za istotne zalety tego produktu.

Wróćmy na chwilę do rysunku 1, czyli blokowego schematu funkcjonalnego układu AD8307. Jego „sercem” jest sześć stopni wzmacniaczy-ograniczników oraz powiązanych z nimi detektorów poziomów i sumator wyjściowego sygnału prądowego. Każdy z wymienionych wzmacniaczy ma wzmocnienie 14,3 dB i pasmo przenoszenia 900 MHz, natomiast całkowite wzmocnienie tego bloku wynosi około 86 dB przy szerokości pasma –3 dB równym 500 MHz. Różnicowe wyjścia prądowe detektorów są sumowane, a następnie przekształcane na wyjście (także prądowe), nominalnie wyskalowane na 2 μA/dB.

Logarytmiczne napięcie wyjściowe jest uzyskiwane na drodze przeniesienia prądu z wyjścia sumatora, poprzez wbudowane lustro prądowe, do wewnętrznego rezystora 12,5 kΩ, co daje logarytmiczne nachylenie charakterystyki przenoszenia równe około 25 mV/dB, czyli 500 mV na dekadę. Napięcie to jest wyprowadzone na pinie OUT (nr 4) układu AD8307 – warto dodać, że nie jest ono buforowane, co pozwala na zastosowanie różnych interfejsów wyjściowych, w tym rezystancji korygującej nachylenie charakterystyki przenoszenia, a także filtru podemodulacyjnego i/lub wzmacniacza wyjściowego. Ostatni stopień detektora pełni także funkcję korekcji temperaturowej charakterystyki przetwarzania logarytmicznego.

Cały blok przetwarzania logarytmicznego powinien realizować idealną funkcję przenoszenia, określaną jako:

VOUT=VY×log(VIN/VX), (1)

gdzie:

  • VOUT – napięcie wyjściowe [V],
  • VY – napięciowy współczynnik nachylenia [V],
  • VIN – napięcie wejściowe [V],
  • VX – napięcie dla punktu przecięcia [V].
Rysunek 6. Funkcja przenoszenia idealnego wzmacniacza logarytmicznego

Na rysunku 6 pokazano wykres takiej właśnie funkcji przenoszenia w skali półlogarytmicznej. Na tym samym wykresie uwidoczniono także, w jaki sposób w aplikacjach układu AD8307 możliwa jest regulacja tzw. punktu przecięcia. W praktyce realizowana jest ona za pomocą pinu INT kości (nr 5), poprzez który jest dodawany lub odejmowany niewielki prąd do lustra prądowego odpowiedzialnego za wytwarzanie napięciowego sygnału wyjściowego. Na rysunku 7 przybliżone zostały szczegóły realizacji bloku przetwornika logarytmicznego, złożonego z połączonych szeregowo wzmacniaczy-ograniczników oraz włączonych przed, pomiędzy (jako odczepy) oraz za nimi wzmacniaczy transkonduktancyjnych, których prądy wyjściowe są sumowane.

Rysunek 7. Wzmacniacz logarytmiczny korzystający ze stopni A_0 i pomocniczych komórek sumujących

Każdy ze wzmacniaczy-ograniczników ma charakterystykę przejściową określaną skrótowo jako „A/0” (rysunek 8), z uwagi na teoretycznie odcinkowo-liniowy charakter przetwarzania. Jednak w rzeczywistości poszczególne wzmacniacze-ograniczniki realizowane są za pomocą tranzystorowych par różnicowych, co sprawia, że ich charakterystyki przejściowe są bliższe przebiegowi funkcji tanh(x), który – m.in. ze względu na swą gładkość – znacznie lepiej nadaje się do aproksymacji funkcji logarytmicznej w porównaniu do prostej realizacji odcinkowo-liniowej.

Rysunek 8. Charakterystyki przejściowe wzmacniacza A_0 (idealna oraz tanh(x))

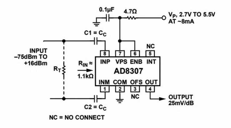
Na rysunku 9 pokazano podstawową aplikację układu AD8307. Mierzony sygnał jest podawany symetrycznie na wejścia INP oraz INM poprzez jednakowe pojemności sprzęgające C1 i C2. Oprócz tych pojemności jedynymi elementami towarzyszącymi są tutaj: prosty dolnoprzepustowy filtr zasilania RC (4,7 Ω/100 nF) oraz równoległa do wejścia ustroju pomiarowego rezystancja Rt, której zadaniem jest dopasowanie impedancji wejściowej układu do przyjętych założeń pomiarowych. W tej prostej implementacji ustrój pomiarowy jest załączony na stałe (pin ENB podpięty do wyprowadzenia zasilania VPS), natomiast wyprowadzenia pozwalające na korektę offsetu (OFS) i punktu przecięcia charakterystyki przenoszenia (INT) nie zostają użyte – nachylenie wspomnianej charakterystyki przyjmuje nominalną wartość 25 mV/dB, zatem żaden z tych trzech parametrów nie może być w tej aplikacji modyfikowany wprost.

Rysunek 9. Podstawowa aplikacja układu AD8307

Z kolei na rysunku 10 zaprezentowano realizację układu pomiarowego na bazie AD8307, w której możliwa jest regulacja nachylenia oraz punktu przecięcia logarytmicznej funkcji przenoszenia, przy czym pierwszy z tych parametrów może przyjmować wartości 20 mV/dB ±10%, a drugi ±3 dB względem wartości nominalnej. Uzyskanie tych dodatkowych stopni swobody w regulacji parametrów układu pomiarowego wymagało jedynie dodania dwóch potencjometrów (VR1 i VR2) oraz dwóch rezystorów włączonych z nimi w szereg do masy układu.

Rysunek 10. Aplikacja układu AD8307 z regulacją nachylenia i przecięcia logarytmicznej funkcji przenoszenia

Rysunek 11 pokazuje aplikację układu scalonego AD8307 z rysunku 10 (czyli z możliwościami regulacyjnymi), jednak rozbudowaną o prosty filtr dolnoprzepustowy z pojemnością C1 oraz o wzmacniacz wyjściowy z układem AD8031, który zapewnia wzmocnienie (także dla przebiegów wolnozmiennych i napięć stałych) bardzo zbliżone do 2,5×. Dzięki temu nachylenie logarytmicznej funkcji przenoszenia układu pomiarowego zostało zwiększone do 50 mV/dB ±10%. Takie rozwiązanie może być użyteczne np. w przypadkach, gdy zmiany poziomu sygnału mierzonego są względnie małe, a rozdzielczość i/lub dokładność końcowego ustroju pomiarowego (np. przetwornika analogowo-cyfrowego ADC) okazuje się niewystarczająca do ich poprawnej interpretacji.

Rysunek 11. Aplikacja układu AD8307 z dodatkowym wzmacniaczem-buforem wyjściowym

Na rysunku 12 widzimy kolejne rozwiązanie układowe z zastosowaniem AD8307. Koncepcyjnie jest ono bardzo zbliżone do implementacji z rysunku 11. Jednak wyjście wzmacniacza końcowego (także ze wzmacniaczem operacyjnym AD8031) wysterowuje wtórnik emiterowy (z tranzystorem 2N3904), którego zadaniem jest zwiększyć wydajność prądową wyjścia całego ustroju pomiarowego i – tym samym – umożliwić zastosowanie go do współpracy z innymi, nieco oddalonymi urządzeniami poprzez połączenie kablem koncentrycznym o impedancji 50 Ω. Uzyskane w tym rozwiązaniu nachylenie logarytmicznej funkcji przenoszenia wynosi 25 mV/dB i również może być precyzyjnie regulowane w podanym na rysunku zakresie.

Rysunek 12. Aplikacja układu AD8307 z dodatkowym wzmacniaczem do obsługi wyjścia koncentrycznego 50 Ω

Na koniec tej części materiału warto odesłać wnikliwego Czytelnika do pełnej noty katalogowej układu scalonego AD8307. Podano w niej znacznie więcej zarówno szczegółów technicznych, dotyczących tego ciekawego podzespołu, jak i możliwych rozwiązań układowych, dotyczących jego implementacji. Jakkolwiek, z uwagi na ograniczony rozmiar tej publikacji, przedstawione zostały w niej wyłącznie aspekty techniczne oraz rozwiązania układowe, które należy uznać za najbardziej przydatne w kontekście przedmiotowego projektu sondy logarytmicznej.

Uzbrojeni w niezbędną wiedzę na temat układu AD8307 możemy przystąpić do opisu samego urządzenia – już za miesiąc omówimy zasadę działania, budowę układu oraz zagadnienia związane z montażem i uruchomieniem urządzenia.

Adam Sobczyk, EP

Artykuł ukazał się w
Elektronika Praktyczna
sierpień 2024
DO POBRANIA
Materiały dodatkowe
Elektronika Praktyczna Plus lipiec - grudzień 2012

Elektronika Praktyczna Plus

Monograficzne wydania specjalne

Elektronik listopad 2025

Elektronik

Magazyn elektroniki profesjonalnej

Raspberry Pi 2015

Raspberry Pi

Wykorzystaj wszystkie możliwości wyjątkowego minikomputera

Świat Radio listopad - grudzień 2025

Świat Radio

Magazyn krótkofalowców i amatorów CB

Automatyka, Podzespoły, Aplikacje listopad - grudzień 2025

Automatyka, Podzespoły, Aplikacje

Technika i rynek systemów automatyki

Elektronika Praktyczna listopad 2025

Elektronika Praktyczna

Międzynarodowy magazyn elektroników konstruktorów

Elektronika dla Wszystkich grudzień 2025

Elektronika dla Wszystkich

Interesująca elektronika dla pasjonatów