Sansuix - lampowy wzmacniacz mocy 2×20 W - errata

Sansuix - lampowy wzmacniacz mocy 2×20 W - errata

W publikowanym w "Elektronice Praktycznej" 8/2023 i 9/2023 opisie wzmacniacza Sansuix należy wykonać dwie modyfikacje. Prezentujemy dokładny opis działań, które poprawią stabilność wzmacniacza.

Pierwsza modyfikacja dotyczy nieprawidłowego połączenia w układzie katodowego sprzężenia zwrotnego stopnia końcowego. W założeniu układ łączący katody lamp mocy z uzwojeniami wtórnymi transformatora głośnikowego powinien wprowadzać płytkie ujemne sprzężenie zwrotne poprawiające parametry wzmacniacza. W rzeczywistości powstaje dodatnie sprzężenie zwrotne. W tej konfiguracji powstają większe zniekształcenia nieliniowe i w pewnych sytuacjach wzmacniacz może być niestabilny. Nie jest to zgodne z założeniami i należy to zmodyfikować.

Rysunek 1. Poprawiony schemat wzmacniacza

Na rysunku 1 pokazano poprawny schemat jednego kanału. Na płytce drukowanej trzeba przeciąć w każdym z kanałów ścieżkę prowadzącą do katody lampy V6 i V7 i wykonać dwa mostki - fotografia 1. Miejsce cięcia jest zaznaczone czerwonymi obwódkami. Po wykonaniu opisywanych zmian sprzężenie katodowe jest prawidłowe (ujemne) i wzmacniacz pracuje stabilnie.

Fotografia 1. Modyfikacje w układzie katodowego sprzężenia zwrotnego dla obu kanałów

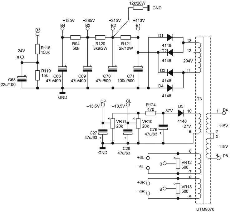
Druga modyfikacja dotyczy układu zasilania. W naszym wzmacniaczu rezystor R121 ma wartość 8,2 kΩ. Jest to zbyt duża wartość i wraz z wysterowaniem wzmacniacza i zwiększaniem poboru prądu zbyt szybko maleją napięcia B2, B3 i B4. Powoduje to, że wzmacniacz nie osiąga deklarowanej mocy 2×20 W.

Rysunek 2. Poprawiony schemat zasilacza

W praktyce jest to ok. 2×13 W. Żeby osiągnąć większą moc, trzeba wymienić rezystor R121 z 8,2 kΩ/10 W na 2 kΩ/10 W i punkt B2 połączyć do masy rezystorem 12 kΩ/20 W - rysunek 2 i fotografia 2.

Fotografia 2. Modyfikacje układu zasilania

Dodatkowy rezystor 12 kΩ/20 W zapobiega zbyt dużemu wzrostowi napięcia B2 (oraz B3 i B4), kiedy wzmacniacz nie jest wysterowany lub jest wysterowany małą mocą. Po wykonaniu opisywanych zmian wzmacniacz osiąga założoną moc 2×20 W.

Uwaga: rezystor 12 kΩ/20 W w trakcie pracy dość mocno się nagrzewa i trzeba mu zapewnić odpowiednie chłodzenie. Jeżeli komuś nie przeszkadza mniejsza moc, to może pozostać przy dotychczasowym rozwiązaniu.

Igor Sobczyk
Tomasz Jabłoński, EP

Artykuł ukazał się w
Elektronika Praktyczna
grudzień 2023
Elektronika Praktyczna Plus lipiec - grudzień 2012

Elektronika Praktyczna Plus

Monograficzne wydania specjalne

Elektronik listopad 2025

Elektronik

Magazyn elektroniki profesjonalnej

Raspberry Pi 2015

Raspberry Pi

Wykorzystaj wszystkie możliwości wyjątkowego minikomputera

Świat Radio listopad - grudzień 2025

Świat Radio

Magazyn krótkofalowców i amatorów CB

Automatyka, Podzespoły, Aplikacje listopad - grudzień 2025

Automatyka, Podzespoły, Aplikacje

Technika i rynek systemów automatyki

Elektronika Praktyczna listopad 2025

Elektronika Praktyczna

Międzynarodowy magazyn elektroników konstruktorów

Elektronika dla Wszystkich grudzień 2025

Elektronika dla Wszystkich

Interesująca elektronika dla pasjonatów