Regulowany zasilacz warsztatowy - RPS-02 z kolorowym wyświetlaczem i sterowaniem dotykowym

Regulowany zasilacz warsztatowy - RPS-02 z kolorowym wyświetlaczem i sterowaniem dotykowym

Zasilacz warsztatowy to niezwykle przydatne urządzenie w pracowni każdego elektronika i zazwyczaj potrzebne są dwa albo nawet trzy takie urządzenia. Dlatego warto spróbować budowy własnego zasilacza, który będzie doskonałym uzupełnieniem każdego stanowiska. Tym bardziej że opisana w artykule konstrukcja wyróżnia się na tle innych rozwiązań wysoką sprawnością oraz łatwym sterowaniem za pomocą wyświetlacza dotykowego.

Podstawowe parametry:
  • zakres regulacji napięcia: 0...30 V,
  • zakres regulacji prądu 0...2 A,
  • sterowanie za pomocą wyświetlacza dotykowego,
  • dostępny projekt obudowy do wykonania metodą druku 3D.

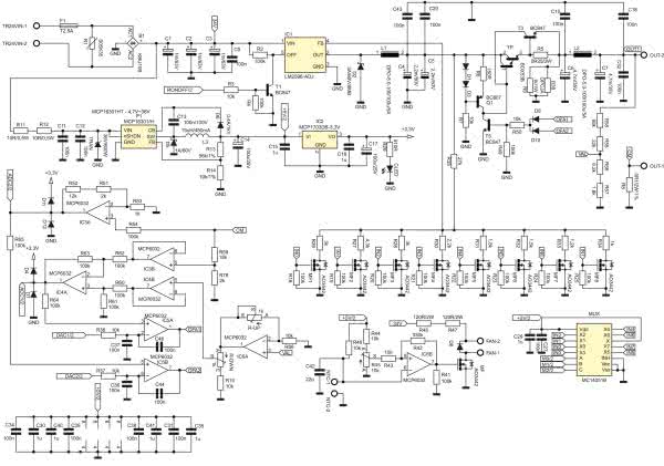
Ogólna zasada działania zasilacza jest taka, że napięcie wyjściowe z transformatora 230 V/24 V, po wyprostowaniu w mostku prostowniczym, jest obniżane za pomocą przetwornicy typu BUCK do określonej wartości, ale nieco wyższej niż pożądane napięcie na wyjściu.

Dokładna regulacja wartości napięcia wyjściowego przetwornicy do napięcia zadanego na wyjściu zasilacza odbywa się za pomocą tranzystora w układzie Darlingtona. Takie połączenie odznacza się wysoką dokładnością regulacji oraz dobrą sprawnością.

Budowa i działanie

Schemat części sprzętowej zasilacza został pokazany na rysunku 1 oraz rysunku 2. Na wejście płytki PCB do złącza TR24 VIN należy podłączyć napięcie z transformatora 230/24 V o mocy minimum 100 W. Wejście to jest zabezpieczone bezpiecznikiem zwłocznym o prądzie znamionowym 2,5 A. Za bezpiecznikiem a przed mostkiem prostowniczym B1 znajduje się warystor zabezpieczający układ przed możliwymi przepięciami.

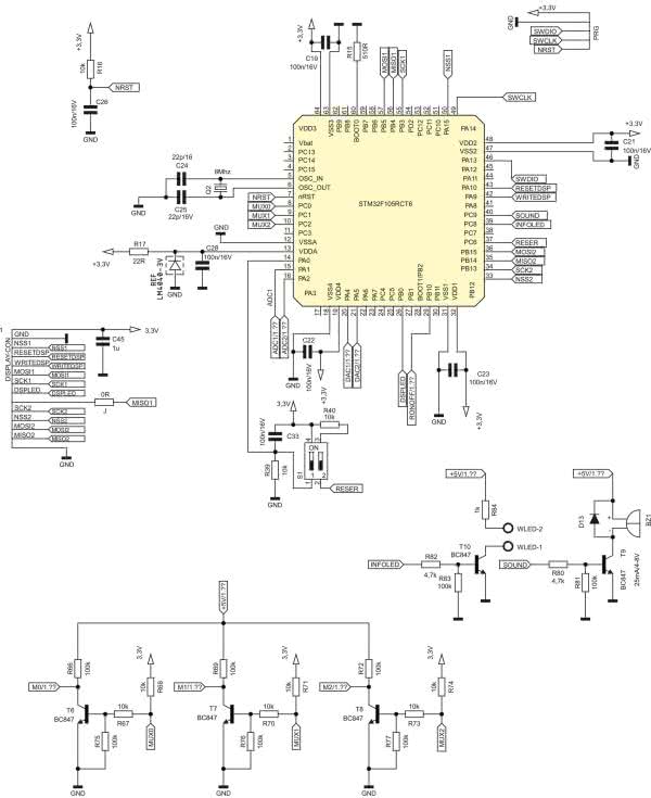
Rysunek 1. Schemat zasilacza – blok regulacji napięcia i prądu

Bezpośrednio za mostkiem znajdują się trzy kondensatory filtrujące napięcie o wartości 1000 μF/63 V. Wyprostowane i odfiltrowane napięcie trafia na wejście przetwornicy IC1 typu LM2596S, która pozwala regulować wartość napięcia wyjściowego. Przetwornica jest załączana sygnałem z mikrokontrolera poprzez układ z tranzystorem T1 oraz rezystorami R2, R3, R4. Zwarcie wejścia ON/OFF przetwornicy do masy poprzez tranzystor T1 powoduje załączenie przetwornicy. Przetwornica IC1 wraz z diodą Schottky’ego D2, dławikiem L1 oraz dwoma kondensatorami elektrolitycznymi C4, C5, tworzy typowy układ nieseparowanej przetwornicy obniżającej. Kondensatory C43, C20 poprawiają filtrowanie napięcia wyjściowego z przetwornicy.

Rysunek 2. Schemat zasilacza – blok sterowania

Wartość napięcia wyjściowego z przetwornicy jest ustawiana przez mikrokontroler spośród ośmiu zdefiniowanych wartości. Napięcie w tym punkcie układu zawsze jest większe niż zadane przez użytkownika na wyjściu zasilacza. Zmieniając wartość dzielnika rezystancyjnego w obwodzie sprzężenia zwrotnego przetwornicy (wyprowadzenie FB), zmienione zostaje napięcie wyjściowe przetwornicy. Zmiana dzielnika rezystancyjnego jest realizowana poprzez wysterowanie odpowiedniego tranzystora MOSFET: MF1...MF8. Rezystor R35 może tworzyć dzielnik rezystancyjny wraz z rezystorami R26...R34. Wysterowanie odpowiedniego tranzystora odbywa się za pomocą analogowego multipleksera MUX. Wejścia sterujące multipleksera są kontrolowane przez mikrokontroler poprzez układy zawierające tranzystory T6, T7, T8 oraz rezystory R66... R77. Rezystory R18...R25 mają za zadanie odprowadzenie ładunku z bramki tranzystorów unipolarnych, oraz zabezpieczają tranzystory przed zakłóceniami.

Napięcie wyjściowe z przetwornicy jest regulowane do wartości napięcia zadanego przez użytkownika za pomocą tranzystora Darlingtona TP – BDX53B. Prąd płynący do bazy tranzystora TP płynie ze źródła prądowego, które tworzy tranzystor Q1 wraz z diodami D1, D3 oraz rezystorami R6, R7. W momencie, gdy napięcie wyjściowe jest większe niż napięcie zadane lub gdy do odbiornika płynie zbyt duży prąd, większy od prądu zadanego poprzez ograniczenie prądowe, wtedy za pomocą układu wzmacniaczy operacyjnych wspomniane wyżej źródło prądowe, a tym samym baza tranzystora TP jest zwierana do masy za pomocą tranzystora T5. Rezystor R50 ogranicza prąd płynący przez bazę tranzystora T5, natomiast R49 zabezpiecza ten tranzystor przed zakłóceniami. Diody D9, D10 tworzą sumator diodowy.

Tranzystor T3 wraz z rezystorem R5 tworzy zabezpieczenie zwarciowe. W momencie zwarcia wyjścia zasilacza tranzystor ten otwiera się i prąd sterujący płynący do bazy tranzystora TP, zamiast płynąć do bazy tranzystora, odpływa do odbiornika. Za tranzystorem TP znajduje się filtr Pi, który tworzą dławik L2 oraz kondensatory C6, C7, C32, C10, C18. Rezystor R9 i R38 obciążają wyjście, powodując szybsze rozładowanie elektrolitycznych kondensatorów wyjściowych w momencie zmiany napięcia z wyższego na niższe, gdy nie ma podłączonego obciążenia do wyjścia zasilacza.

Rezystory R55...R58 tworzą dzielnik napięciowy dla napięcia wyjściowego. Napięcie z dzielnika jest podawane na układ wzmacniaczy. Rezystor R8 jest bocznikiem, za jego pomocą jest realizowany pomiar płynącego prądu. Napięcie wyjściowe zasilacza poprzez wspomniany wyżej dzielnik jest podawane na wejście wzmacniacza operacyjnego IC6A w układzie nieodwracającym. Za pomocą rezystorów R-UP oraz R-DWN można doregulować wartość napięcia zmierzonego na wyjściu. Napięcie z wyjścia wzmacniacza IC6 A jest podawane na wejście wtórnika napięciowego IC4B. Z wyjścia wtórnika napięciowego napięcie jest podawane na wzmacniacz różnicowy, który tworzą rezystory R60...R63 oraz IC4 A. We wzmacniaczu różnicowym od napięcia zmierzonego oraz odpowiednio dopasowanego z wyjścia zasilacza jest odejmowany spadek napięcia na boczniku R8, który wcześniej jest podzielony na dzielniku R59, R78 i podany poprzez wtórnik napięciowy IC3 B na wejście tego wzmacniacza.

Jako wzmacniacze operacyjne muszą być zastosowane wzmacniacze typu rail-to-rail. Z wyjścia wzmacniacz różnicowego IC4A napięcie jest podawane na przetwornik ADC mikrokontrolera a także na komparator IC5A, który porównuje napięcie zadane z przetwornika DAC mikrokontrolera z napięciem zmierzonym. Elementy R36 oraz C37 stanowią filtr dla sygnału DAC z mikrokontrolera. Zmieniając wartość sygnału stałego DAC, możemy zmieniać zadane napięcie wyjściowe mikrokontrolera. Zmierzony spadek napięcia na boczniku jest także wzmacniany we wzmacniaczu IC3A w układzie nieodwracającym, którego wzmocnienie ustalają rezystory R51, R52, R53. Wyjście wzmacniacza jest połączone z przetwornikiem ADC mikrokontrolera, ale także poprzez rezystor R65 wchodzi na wejście komparatora IC5B, który jest odpowiedzialny za ograniczenie prądowe zasilacza. Komparator porównuje napięcie zmierzone na boczniku, odpowiednio wzmocnione, z napięciem odniesienia, które jest generowane z przetwornika DAC mikrokontrolera. Rezystor R37 oraz kondensator C36 stanowią filtr dla sygnału z przetwornika DAC. Kondensatory C34, C30, C40, C39, C38, C41, C31, C35 filtrują zasilanie do wzmacniaczy operacyjnych.

Wzmacniacz IC6 B jest przerzutnikiem Schmitta z odpowiednio dobraną histerezą. Histereza układu jest dobrana za pomocą rezystorów R42 oraz R43. Za pomocą potencjometru R45 można regulować próg zadziałania przerzutnika. Przerzutnik w projekcie stanowi dwustanowy regulator z histerezą, który załącza wentylator w zależności od temperatury termistora 10 kΩ podłączonego do złącza NTC.

Jako mikrokontroler został wybrany STM32F105CT6, który jest taktowany zewnętrznym rezonatorem kwarcowym 8 MHz. Procesor komunikuje się za pomocą interfejsu SPI z kontrolerem wyświetlacza oraz z kontrolerem panelu dotykowego XPT2046. Złącze DISPLAY-CON służy do podłączenia wyświetlacza 3,2” TFT wyposażonego w kontroler ILI9341. Zworki J (0 Ω) nie należy wlutowywać, ponieważ komunikacja z wyświetlaczem w projekcie odbywa się tylko w jednym kierunku. Kondensator C45 filtruje zasilanie do wyświetlacza.

Dioda REF stanowi precyzyjne źródło napięcia odniesienia 3 V, współpracuje ono z rezystorem R17. Z napięcia referencyjnego jest zasilana analogowa część peryferiów mikrokontrolera. Kondensator C28 pomaga w filtrowaniu tego napięcia.

Kondensatory C19, C21, C22, C23 filtrują napięcie zasilania mikrokontrolera. Układ całkujący tworzony przez R16 oraz C26 zapewnia prawidłowy sygnał resetu po załączeniu zasilania. Rezystor R15 zapewnia prawidłowe bootowanie mikrokontrolera w momencie jego startu. Złącze PRG służy do programowania oraz debugowania mikrokontrolera za pomocą interfejsu SWD. Tranzystor T9 wraz z rezystorami R82, R83, R84 tworzy układ, który może sterować zewnętrzną diodą LED, która może sygnalizować o zbyt długim przeciążeniu zasilacza. Podobnie tranzystor T10 wraz z rezystorami R80, R81 tworzy układ, który może sterować wlutowanym buzzerem. Buzzer także załącza się przy zbyt długim przeciążeniu zasilacza. Wlutowanie układu sterującego zewnętrzną diodą sygnalizacyjną oraz układu sterującego buzzerem jest opcjonalne.

Dipswitch S1 uruchamia tryb kalibracji. Aby wejść w tryb kalibracji, pierwszy przełącznik należy załączyć, a następnie uruchomić zasilanie zasilacza. Po tej czynności na wyświetlaczu zostanie uruchomiony tryb kalibracji panelu dotykowego. Drugi przełącznik S1 należy pozostawić wyłączony, służy on do załączenia automatycznej regulacji. Funkcja ta została umieszczona w celu poprawienia stabilizacji napięcia wyjściowego przy gwałtownych zmianach obciążenia, domyślnie nie należy jej używać. W przypadku, gdy funkcja jest załączona, a układ dokonuje doregulowywania, zewnętrzna dioda sygnalizacyjna zaczyna migać z częstotliwością około 2 Hz.

Mikrokontroler oraz wyświetlacz są zasilane z osobnej przetwornicy. Przetwornica obniżająca P1 z układem scalonym MCP16301/H jest zasilana poprzez filtr R11, R12, C11, C12 z wyjścia mostka prostowniczego B1. Przetwornica ta wraz z dławikiem L3, diodą Schottky’ego D5, kondensatorem C14 oraz dzielnikiem rezystancyjnym R13, R14, tworzy typowy układ obniżający napięcie. Przetwornica obniża wyprostowane napięcie zasilające z transformatora do 5 V. Z napięcia tego, poprzez stabilizator LDO IC2, jest uzyskiwane napięcie 3,3 V do zasilania mikrokontrolera oraz wyświetlacza. Rezystor R29 wraz z dioda CLED tworzą układ sygnalizujący pojawienie się napięcia 3,3 V.

Montaż i uruchomienie

Płytka PCB została zaprojektowana w taki sposób, że prawie wszystkie jej elementy znajdują się na stronie TOP, natomiast na stronie BOTTOM należy podłączyć wyświetlacz. Płytka ma dwa otwory montażowe.

Główne elementy mocy, kluczowe w procesie regulacji napięcia wejściowego do wartości zadanej, zostały rozmieszczone w górnej części płytki, natomiast elementy sterujące oraz pomiarowe (mikrokontroler, wzmacniacze operacyjnej) zostały rozmieszczone na pozostałym obszarze płytki PCB. Na stronie TOP oraz BOTTOM niewykorzystane powierzchnie płytki wypełnia pole masy. Na całej płytce znajdują się przelotki łączące jedną stronę masy z drugą, aby zapewnić jak najlepsze warunki dla prądów powrotnych (a tym samym, aby wyeliminować dodatkową emisję pola do otoczenia) oraz wyrównać potencjały. Schemat płytki PCB został pokazany na rysunku 3.

Rysunek 3. Schemat płytki PCB

Montaż płytki należy rozpocząć od przylutowania przetwornicy oraz stabilizatora zasilających mikrokontroler. Następnie wlutować elementy, które doprowadzają zasilanie to tej przetwornicy (mostek, bezpiecznik). Po tych czynnościach należy podłączyć zasilanie 30 V z innego zasilacza i sprawdzić napięcie na wyjściu przetwornicy oraz na wyjściu stabilizatora. Jeśli wartości wynoszą 5 V oraz 3,3 V, to można przystąpić do lutowania pozostałych elementów SMD, zaczynając od przylutowania procesora.

Po przylutowaniu elementów SMD można rozpocząć lutowanie elementów THT. Wyświetlacz powinien być wlutowany do wyświetlacza od strony bottom płytki PCB. Gdy wszystko będzie złożone, należy zaprogramować mikrokontroler np. za pomocą ST LINK V2 oraz programu STM32 ST-LINK Utility.

Od razu po wgraniu programu do pamięci flash mikrokontrolera zostaje uruchomiona procedura kalibracyjna wyświetlacza dotykowego. W celu prawidłowego skalibrowania wyświetlacza należy dotknąć i trzymać za pomocą rysika pojawiające się na wyświetlaczu trzy kropki. W pierwszej kolejności pojawi się kropka w górnym lewym rogu, w kolejnym w dolnej części wyświetlacza na jego środku, a na samym końcu pojawi się w prawym górnym rogu wyświetlacza. Jeśli kalibracja przebiegła prawidłowo, jest możliwość zmian wartości ustawionych tzn. napięcia wyjściowego oraz ograniczenia prądowego. Zasilacz pamięta zawsze ostatnio ustawioną wartość na wyświetlaczu.

Po tych czynnościach można podłączyć do płytki PCB napięcie z transformatora oraz sprawdzić bez obciążania zasilacza (aby nie uszkodzić tranzystora TP bez przymocowanego radiatora) czy napięcie na wyjściu zasilacza mierzone za pomocą multimetru zmienia się zgodnie ze zmianami wprowadzonymi na wyświetlaczu. Jeżeli tak, to następnie za pomocą potencjometrów R-UP, R-DWN należy wyregulować mierzoną wartość napięcia wyświetlaną na wyświetlaczu zasilacza tak, aby zgadzała się z wartością pokazywaną przez multimetr. Kalibracji należy dokonać w kilku punktach całego zakresu zasilacza, sprawdzając tym samym przy okazji, czy przetwornica IC1, pracuje prawidłowo w każdym swoim zakresie.

Jeżeli wszystko działa prawidłowo, to należy przymocować aluminiowy radiator do przetwornicy IC1, mostka B1 oraz tranzystora TP, używając do tego podkładek izolacyjnych, tulejek izolacyjnych oraz pasty termoprzewodzącej. Po tej czynności można przystąpić do sztucznego obciążania zasilacza. Najlepiej w tym celu podłączyć na wejście płytki PCB napięcie 30 V z zasilacza laboratoryjnego o odpowiedniej wydajności prądowej, a następnie przetestować układ, zmieniając obciążenie na wyjściu budowanego zasilacza.

Kolejną czynnością jest podłączenie termistora 10 kΩ oraz ustawienie progu załączenia wentylatora 12 V za pomocą potencjometru R45. Po skalibrowaniu układu załączającego wentylator, termistor należy przymocować do powierzchni radiatora.

Następnie można przystąpić do podłączenia transformatora oraz sprawdzenia, czy wszystko działa prawidłowo przy zasilaniu z sieci. Uwaga, jako że przy podłączaniu transformatora mamy do czynienia z wartością napięcia niebezpiecznego dla człowieka (230 V AC), należy zachować szczególną ostrożność, dodatkowo czynności te powinny być przeprowadzone przez osoby mające odpowiednią wiedzę, umiejętności oraz doświadczenie. Jeśli wszystko działa prawidłowo, można przystąpić do zamontowania całego układu w obudowie.

Zmontowany układ bez obudowy został pokazany na fotografii 1 oraz fotografii 2.

Fotografia 1. Zmontowana płytka zasilacza – widok od strony wnętrza obudowy
Fotografia 2. Zmontowana płytka zasilacza – widok od strony panelu frontowego

Obudowa

Obudowa zasilacza została wykonana za pomocą drukarki 3D. Składa się z dwóch części – głównej, w której umieszczony jest cały układ oraz panelu frontowego zawierającego otwór na wyświetlacz. Wewnątrz głównej częsci obudowy znajdują się prowadnice na aluminiową płytkę radiatora o grubości 5 mm – w projekcie zastosowano właśnie takie rozwiązanie. Prowadnice w obudowie stanową główną część mocującą cały układ do obudowy. W tylnej części obudowy znajduje się otwór służący do przymocowania włącznika zasilania. Na tylnej ścianie obudowy wewnątrz niej znajdują się także obejmy, które mogą posłużyć do przymocowania transformatora toroidalnego. W bocznej części obudowy znajdują się otwory służące do przymocowania gniazd bananowych.

Część główną obudowy oraz część frontową należy skręcić śrubkami 3 mm. Projekt obudowy został pokazany na rysunku 4 oraz rysunku 5.

Rysunek 4. Projekt obudowy – część główna
Rysunek 5. Projekt obudowy – część główna oraz panel frontowy

Program sterujący

Źródło programu sterującego jest udostępnione w materiałach dodatkowych do projektu. Dla użytkownika zasilacza, który zdecyduje się na niewielkie modyfikacje, istotne są definicje umieszczone na początku pliku main.c:

#define mfvoltage 3000
#define mfcurrent 2000
#define dacfvoltage 3000
#define dacfcurrent 2000

Za pomocą tych definicji możemy dokonać doregulowania sterowania napięciem wyjściowym, ograniczeniem prądowym oraz możemy skalibrować woltomierz i amperomierz zasilacza. Wartości tych nie należy zmieniać, jeśli nie występuje taka potrzeba.

Aby zmienić wyświetlaną wartość napięcia oraz prądu, należy zmienić definicję mfvoltage oraz mfcurrent, natomiast aby zwiększyć wartość generowanego sygnału stałego z przetwornicy DAC dla napięcia lub ograniczenia prądowego, należy zmniejszyć wartości dacfvoltage oraz dacfcurrent.

Obsługa zasilacza

Po uruchomieniu zasilacza na wyświetlaczu zostaje wyświetlone jego logo. Jeśli w czasie wyświetlania logo dotkniemy go i przytrzymamy, to po chwili zostaniemy przeniesieni do podmenu, w którym możemy zmienić moc podświetlenia wyświetlacza. Na fotografii 3 pokazano właśnie to podmenu. Po wybraniu odpowiedniej jasności oraz dotknięciu przycisku OK na wyświetlaczu program mikrokontrolera przechodzi do wyświetlania aktualnej wartości napięcia na wyjściu zasilacza oraz aktualnie pobieranego przez obciążenie podłączone do tego wyjścia prądu.

Fotografia 3. Podmenu zmiany wartości podświetlenia

Wygląd głównego okna zasilacza został pokazany na fotografii 4. W celu zmiany wartości napięcia na wyjściu lub zmiany wartości ograniczenia prądowego należy dotknąć ikonki obrazującej dłoń z palcem, która znajduje się w prawym dolnym rogu wyświetlacza.

Fotografia 4. Wygląd głównego okna zasilacza – wyświetlane jest aktualne napięcie i pobór prądu

Po dotknięciu ikonki zostaniemy przeniesieni do podmenu zmiany wartości. Na wyświetlaczu pojawią się aktualne ustawione wartości oraz jedna z cyfr będzie zaznaczona za pomocą białego tła. Gdy chcemy zmienić wartość owej cyfry, należy użyć strzałek znajdujących się z prawej strony wyświetlacza – czarna strzała wskazująca górę lub dół (fotografia 5).

Fotografia 5. Podmenu zmiany wartości napięcia wyjściowego oraz ograniczenia prądowego

Gdy chcemy zmienić inną cyfrę, należy ją po prostu dotknąć, a zostanie podświetlona białym tłem, wtedy tak jak poprzednio należy użyć wspomnianych strzałek, aby zmienić jej wartość. W celu zatwierdzenia zmian oraz po to, żeby zasilacz był w stanie zmienić wartości, należy dotknąć aktualnie zaznaczonej cyfry. Po dotknięciu cyfry jej podświetlenie zniknie oraz strzałki z prawej strony wyświetlacza także znikną. Jest to dla mikrokontrolera znak, że zatwierdzamy wprowadzone zmiany.

Aby zmiany na wyjściu zasilacza zostały wprowadzone oraz aby wyjść do głównego okna, w którym jest widoczny woltomierz oraz amperomierz na wyświetlaczu, należy dotknąć krzyżyka w prawym dolnym rogu wyświetlacza (fotografia 4).

Krzysztof Miękus
lordwest1989@tlen.pl

Wykaz elementów:
Rezystory:
  • R2, R4, R18, R19, R20, R21, R22, R23, R24, R25, R41, R49, R54, R60, R61, R62, R63, R64, R65, R66, R69, R72, R75, R76, R77, R81, R83: 100 kΩ (SMD0805)
  • R3, R7, R10, R16, R36, R37, R39, R40, R43, R44, R45, R46, R50, R67, R68, R70, R71, R73, R74, R86: 10 kΩ (SMD0805)
  • R5: 0,25/2 W Ω (SMD2512)
  • R6: 180 Ω (SMD0805)
  • R8: 0,1/2 W/1% Ω (SMD2512)
  • R9: 1 kΩ/1 W (R2512)
  • R11, R12: 10 Ω/0,5 W (SMD1206)
  • R13: 56 kΩ/1% (SMD0805)
  • R14: 10 kΩ/1% (SMD0805)
  • R15, R29: 510 Ω (SMD0805)
  • R17: 22 Ω (SMD0805)
  • R26: 5 kΩ (SMD0805)
  • R27: 4,3 kΩ (SMD0805)
  • R28: 3 kΩ (SMD0805)
  • R30: 2,2 kΩ (SMD0805)
  • R31: 1,8 kΩ (SMD0805)
  • R32: 1,5 kΩ (SMD0805)
  • R33: 1,2 kΩ (SMD0805)
  • R34, R53, R84: 1 kΩ (SMD0805)
  • R35: 27 kΩ (SMD0805)
  • R42: 330 kΩ (SMD0805)
  • R47, R48: 120 Ω/2 W (R2512)
  • R51, R78: 2 kΩ (SMD0805)
  • R52: 12 kΩ (SMD0805)
  • R55: 22 kΩ (SMD0805)
  • R56: 8,2 kΩ (SMD0805)
  • R57: 1,8 kΩ (SMD0805)
  • R58: 68 kΩ (SMD0805)
  • R59: 18 kΩ (SMD0805)
  • R80, R82: 4,7 kΩ (SMD0805)
Kondensatory:
  • C1…C3: 1000 μF/63 V
  • C4, C5: 2200 μF/50 V
  • C6, C7: 4700 μF/35 V
  • C9…C12, C18, C20, C32, C43: 100 nF (SMD1206)
  • C13: 100 nF/100 V (SMD0805)
  • C14, C17: 100 μF/25 V
  • C15, C16, C29, C30, C35, C40, C41, C45: 1 μF (SMD0805)
  • C19, C21…C23, C26, C28, C33: 100 nF (SMD0805)
  • C24, C25, C42: 22 pF (SMD0805)
  • C27, C31, C34, C36…C39, C44, C46: 100 nF (SMD0805)
Półprzewodniki:
  • D1, D3, D4, D7…D13: dioda prostownicza (MINIMELF)
  • D2: dioda prostownicza 3 A/60 V (SMB)
  • D5: dioda prostownicza 1 A/60 V (SMB)
  • D6: dioda prostownicza 0,4 A/1 kV (MINIMELF)
  • MF, MF1…MF8: AO3442
  • Q1: BC807 (SOT23)
  • T1, T3, T5…T10: BC847 (SOT23)
  • TP: BDX53B (TO220)
  • REF: LM4040-3V (SOT23)
  • MUX: MC14051B (SOIC-16)
  • P1: MCP16301
  • U3: STM32F105RCT6 (LQFP64)
  • IC1: LM2596-ADJ (TO220-5)
  • IC2: MCP1703DB-3,3V (SOT223)
  • IC3: MCP6032 (SO08)
  • IC4: MCP6032 (SO08)
  • IC5: MCP6032 (SO08)
  • IC6: MCP6032 (SO08)
Pozostałe:
  • J: 0R (SMD0805)
  • S1: dipswitch×2
  • R1: warystor S05K35
  • TRAN: transil 36 V/600 W (DO214AC)
  • Q2: 8 MHz (HC49/S)
  • L1: dławik 100 μH/5A
  • L2: dławik 100 μH/5A
  • L3: dławik 15 μH/450 mA
  • FAN, NTC, OUT, TR24VIN, WLED: ARK500/2
  • DISPLAY-CON: goldpin 1×14 (2,54 mm)
  • PRG: goldpin 1×5 (2,54 mm)
  • F1: bezpiecznik T 2,5 A (5×20 mm)
  • B1: bezpiecznik KBU10B
  • BZ1: buzzer 25 mA/4...8 V
  • R-DWN, R-UP: 1k (helitrim)
Artykuł ukazał się w
Elektronika Praktyczna
kwiecień 2022
DO POBRANIA
Materiały dodatkowe
Elektronika Praktyczna Plus lipiec - grudzień 2012

Elektronika Praktyczna Plus

Monograficzne wydania specjalne

Elektronik listopad 2025

Elektronik

Magazyn elektroniki profesjonalnej

Raspberry Pi 2015

Raspberry Pi

Wykorzystaj wszystkie możliwości wyjątkowego minikomputera

Świat Radio listopad - grudzień 2025

Świat Radio

Magazyn krótkofalowców i amatorów CB

Automatyka, Podzespoły, Aplikacje listopad - grudzień 2025

Automatyka, Podzespoły, Aplikacje

Technika i rynek systemów automatyki

Elektronika Praktyczna listopad 2025

Elektronika Praktyczna

Międzynarodowy magazyn elektroników konstruktorów

Elektronika dla Wszystkich grudzień 2025

Elektronika dla Wszystkich

Interesująca elektronika dla pasjonatów