Stereofoniczny aktywny regulator głośności

Stereofoniczny aktywny regulator głośności

Regulacja poziomu sygnału audio jest tematem raczej banalnym, pod jednym warunkiem – gdy mamy możliwość zastosowania potencjometru dobrej jakości. Niestety jakość dzisiejszych potencjometrów jest, delikatnie mówiąc, słaba, zarówno od strony mechanicznej (np. luzy osiowe), jak i elektrycznej (np. współbieżność kanałów). Rozwiązania specjalistyczne oparte na elementach ALPS, ELMA, DACT są niestety wyjątkowo kosztowne. W wyniku tego powstają różnego rodzaju regulatory DIY bazujące na przekaźnikach, fotoelementach czy tranzystorach polowych, mające zastąpić ten prosty element elektroniczny, jakim jest potencjometr.

Podstawowe parametry:
  • umożliwia nie tylko tłumienie, ale i wzmocnienie sygnału regulowanego,
  • regulacja odbywa się z wysoką liniowością, lepszą od 1% w zakresie –90...+10 dB,
  • zmieniając wartości elementów, można dostosować zakres regulacji do wymagań aplikacji,
  • zasilanie o napięciu ±15 V i wydajności ok. 200 mA.

Zaprezentowany układ regulatora głośności działa na nieco innej zasadzie. Do regulacji głośności zastosowany jest wysokiej jakości układ VCA (Voltage-Controlled Amplifier) – wzmacniacz kontrolowany napięciem, popularny w profesjonalnym sprzęcie audio układ THAT2162, którego budowa wewnętrzna została pokazana na rysunku 1.

Rysunek 1. Budowa wewnętrzna układu THAT2162

Domyślnymi zastosowaniami układu są wszelakiego rodzaju kompresory, limitery i miksery, lecz nic nie stoi na przeszkodzie, aby zastosować go jako regulator wzmocnienia.

Układ posiada dwa kanały VCA, których wzmocnienie regulowane jest napięciem sterującym – wyprowadzenia EC+ lub EC–. Co bardzo istotne – regulacja wykonywana liniowo zmienianym napięciem daje logarytmiczną charakterystykę regulacji wzmocnienia. W odróżnieniu od potencjometru lub układów regulacji pasywnej na przekaźnikach i fotoelementach, układ THAT2162 umożliwia nie tylko tłumienie, ale i wzmocnienie sygnału regulowanego. Regulacja odbywa się z wysoką liniowością, lepszą od 1% w zakresie –90...+10 dB, co jest nieosiągalne dla klasycznych potencjometrów mechanicznych.

Budowa i działanie

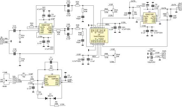
Schemat stereofonicznego modułu regulatora został pokazany na rysunku 2. Elementy pracujące w torze jednego kanału mają oznaczenia z dodatkową literą A, drugiego kanału – z literą B, natomiast elementy wspólne mają oznaczenia bez dodatkowej litery. Sygnał wejściowy z gniazda IN (kanały A i B) doprowadzony jest do bufora U1, wykonanego z użyciem wysokiej klasy wzmacniacza operacyjnego przeznaczonego do torów audio, układu typu SSM2135 od Analog Devices. Wejścia wzmacniacza odseparowane są kondensatorami foliowymi C2, C3.

Rysunek 2. Schemat stereofonicznego modułu regulatora głośności

Buforowany sygnał podawany jest na wejścia układu U2 – THAT2162. Obwody R4, C4 zapewniają stabilność U2. Po regulacji poziomu sygnał dostępny jest na wyjściach OUT (prądowych) i po konwersji I/U w układzie U3 doprowadzony jest do złącza wyjściowego OUT. Do wyprowadzeń 3 i 14 (SYM) układu U2 podłączone są potencjometry RV umożliwiające regulację dla osiągnięcia najmniejszych zniekształceń nieliniowych. Do regulacji wzmocnienia, używane są wejśca 4, 13 (EC–).

Do nastawiania wzmocnienia służy linowy potencjometr RV podłączony do złącza VOL. Dopuszczalny zakres napięć na pinach EC wynosi ±1 V, wejścia EC powinny być sterowanie ze źródeł o niskiej rezystancji wewnętrznej. Sygnał z potencjometru doprowadzony jest do wzmacniacza U4 o wzmocnieniu 0,047. Rezystor R1 ogranicza zakres regulacji wzmocnienia do ok. –90...+10 dB.

Zmieniając wartości elementów RV, R1, R2, R3 możemy dostosować zakres regulacji do wymagań aplikacji, pamiętając o ograniczeniu napięcia EC do ±1 V (przekroczenie zakresu powoduje w większości przypadków uszkodzenie drogiego THAT2162A). Układ ma możliwość opcjonalnej regulacji z dwoma nachyleniami charakterystyki, tak jak to zostało pokazane w nocie aplikacyjnej DN116. Po uzupełnieniu układu o D1, R3=1,2 kΩ, R4=100 kΩ i zmianie R1=125 kΩ, R2=4,99 kΩ i zwarciu rezystora R1 charakterystyka regulacji odbywa się z nachyleniem –R5/R2 dla tłumienia sygnału i (–R5||R3)/R2 dla wzmocnienia sygnału zgodnie z rysunkiem 3.

Rysunek 3. Zmodyfikowana charakterystyka regulacji

Zastosowanie podwójnej diody U1 typu BAV70 zapewnia kompensację temperaturową układu.

Montaż i uruchomienie

Układ został zmontowany na niewielkiej dwustronnej płytce drukowanej, której schemat, wraz z rozmieszczeniem elementów, pokazuje rysunek 4. Montaż elementów przebiega zgodnie z ogólnymi zasadami i nie wymaga szczegółowego opisu. Gotowy moduł wymaga zewnętrznego niskoszumnego zasilacza o napięciu ±15 V i wydajności ok. 200 mA.

Rysunek 4. Schemat płytki PCB z rozmieszczeniem elementów

Zmontowane urządzenie wymaga tylko wyregulowania poziomu zniekształceń lub ewentualnie doboru zakresów regulacji. Do wejścia należy doprowadzić sygnał 1 kHz, 0 dB, ustawić wzmocnienie na 1 (0 dB EC– = 0 V) i potencjometrami ustawić minimalne możliwe zniekształcenia nieliniowe sygnału wyjściowego dla każdego kanału.

Do regulacji można wykorzystać kartę dźwiękową PC i program Adobe Audition lub Analog Discovery2. Po ustawieniu najniższego poziomu harmonicznych pozostaje tylko wpięcie regulatora do toru audio i przetestowanie działania na własnych uszach.

Adam Tatuś, EP

Wykaz elementów:
Rezystory:
  • R1: 15 kΩ SMD0805 1%
  • R2, R4: 100 kΩ SMD0805 1%
  • R3: 1,2 kΩ SMD0805 1%
  • R5: 4,7 kΩ SMD0805 1%
  • R1A, R1B, R2A, R2B: 47 kΩ SMD1206
  • R3A, R3B, R6A, R6B: 20 kΩ SMD1206
  • R4A, R4B: 6,8 kΩ SMD1206
  • R5A, R5B: 510 kΩ SMD0805 1%
  • RV: 20 kΩ potencjometr liniowy
  • RVA, RVB: 50 kΩ 3296W helitrim pionowy
Kondensatory:
  • C1…C9: 0,1 µF SMD0805 ceramiczny X7R/50 V
  • C1A, C1B, C2A, C2B, C3A, C3B: 4,7 µF 7,2×7,2 foliowy Wima 5 mm
  • C4A, C4B: 100 pF SMD0805 ceramiczny NP0/50 V
  • C5A, C5B: 22 pF SMD0805 ceramiczny NP0/50 V
  • CE1…CE6: 4,7 µFT/20 V 3528 tantalowy SMDA
  • CE7, CE8: 100 µF/25 V elektrolityczny Low ESR
Półprzewodniki:
  • D1: BAV70 (SOT-23) dioda podwójna SMD
  • U1, U3: SSM2135P (SO8)
  • U2: THAT2162Q16 (QSOP16)
  • U4: NE5543AD (SO8)
Inne:
  • IN, OUT, PWR, VOL CONN: złącze śrubowe DG381 3 piny
Artykuł ukazał się w
Elektronika Praktyczna
sierpień 2021
DO POBRANIA
Materiały dodatkowe
Elektronika Praktyczna Plus lipiec - grudzień 2012

Elektronika Praktyczna Plus

Monograficzne wydania specjalne

Elektronik listopad 2025

Elektronik

Magazyn elektroniki profesjonalnej

Raspberry Pi 2015

Raspberry Pi

Wykorzystaj wszystkie możliwości wyjątkowego minikomputera

Świat Radio listopad - grudzień 2025

Świat Radio

Magazyn krótkofalowców i amatorów CB

Automatyka, Podzespoły, Aplikacje listopad - grudzień 2025

Automatyka, Podzespoły, Aplikacje

Technika i rynek systemów automatyki

Elektronika Praktyczna listopad 2025

Elektronika Praktyczna

Międzynarodowy magazyn elektroników konstruktorów

Elektronika dla Wszystkich grudzień 2025

Elektronika dla Wszystkich

Interesująca elektronika dla pasjonatów