Zasilacz PoE do Raspberry Pi

Zasilacz PoE do Raspberry Pi

Opisany moduł rozszerzający ułatwia zastosowanie Raspberry Pi w automatyce domowej, systemach sterowania lub monitorowania wizyjnego, gdzie wbudowany zasilacz PoE zgodny z IEE802.3af upraszcza okablowanie aplikacji. Nakładka jest zgodna z Raspberry Pi3+ oraz Pi4 z wyprowadzonym złączem PoE.

Podstawowe parametry:
  • moduł jest zgodny z Raspberry Pi3+ oraz Pi4 z wyprowadzonym złączem PoE,
  • może dostarczyć 5 V przy obciążeniu do 2,5 A (max 13 W).

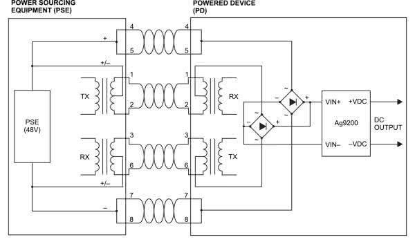
Uproszczoną zasadę działania PoE (Power over Ethernet) pokazuje rysunek 1. Oprócz transmisji danych jednym standardowym przewodem przesyłane jest, także zasilanie. W wersji podstawowej wykorzystane są do tego wolne żyły przewodu – 4, 5, 7, 8, co pozwala na zastosowanie typowych gniazd i transformatorów sprzęgających. W wersji rozszerzonej, do przesyłu zasilania wykorzystane są pary transmisyjne – żyły 1, 2, 3, 6, co wymusza zastosowanie specjalizowanych gniazd zintegrowanych lub transformatorów sprzęgających zdolnych do pracy z większymi prądami uzwojeń.

Rysunek 1. Uproszczony schemat PoE (za notą Silvertel)

W interfejsie PoE wyróżniane są dwa urządzenia:

  • PSE – źródło zasilania, którym może być switch/router PoE lub zasilacz PoE,
  • PD – urządzenie zasilane, czyli dowolny odbiornik zgodny z PoE, np.: kamera IP, punkt dostępowy Wi-Fi itp.

Aby zapewnić odpowiednią moc zasilania, przy niewielkich przekrojach przewodów (ok. 0,2 mm2) podobnie jak w energetyce, zdecydowano o podniesieniu wartości przesyłanego napięcia PoE do wysokiej ale jeszcze bezpiecznej wartości 48 V (w praktyce standard IEE802.3af dopuszcza nawet 57 V). Umożliwia to teoretycznie dostarczenie z PSE mocy do 15,4 W. Każde z urządzeń PD w zależności od klasy (0...3, 4) ma przydzielony dopuszczalny zakres pobieranej mocy: 0–0,44...12,95 W, 1–0,44...3,84 W, 2–3,84...6,49 W, 3–6,49...12,95 W. Klasa 4. jest zarezerwowana dla przyszłych zastosowań.

Moc dostarczona do PD jest pomniejszona o zakładane spadki napięcia na przewodach oraz sprawność układu przetwarzania PD. Z praktycznych uwag, w przypadku wieloportowych urządzeń PSE, warto zwrócić uwagę, czy dostarczana moc 15,4 W, dostępna jest jednocześnie na wszystkich portach. Bardzo często praktykowane jest ekonomiczne podejście do PSE, gdzie tylko część portów obsługuje PoE lub ograniczony jest sumaryczny zakres dostępnej mocy. Przykładowo switch ma 8 portów, ale tylko 4 obsługują PoE, z czego sumaryczna dostępna moc to 30,8 W, czyli jednocześnie mogą być podłączone tylko dwa urządzenia klasy 3. Warto więc przed wyborem switcha/routera sprawdzić bilans mocy i dokładny sposób jej rozdziału na porty PoE. Oczywiście bez problemu dostępne są urządzenia obsługujące PoE na wszystkich portach z mocą maksymalną, ale od razu znajduje to odzwierciedlenie w cenie, a nie zawsze taka rozbudowana funkcjonalność zostanie wykorzystana w rzeczywistej aplikacji.

Budowa i działanie

Konstrukcja samego zasilacza PoE nie jest zadaniem niemożliwym do wykonania – istnieje wiele sprawdzonych aplikacji. Poważnym problemem, może być jedynie dostępność jednostkowych ilości układów sterujących i specjalizowanego transformatora separacyjnego. Aby nie utrudniać sobie życia i sprawnie wykonać działający układ, warto rozeznać się w ofercie gotowych modułów zasilaczy PoE. Wśród dostępnych na rynku opracowań, wybrany został moduł z rodziny AG92xxS firmy Silvertel. Moduły są zgodne z IEE802.3af, obsługują urządzenia Class0...3, dopuszczają zasilanie 36...57 V (PSE), z możliwością prostej konfiguracji maksymalnego poboru mocy PD. Mają pełne zabezpieczenie wyjścia przetwornicy gwarantujące niezawodną pracę oraz możliwość kalibracji napięcia wyjściowego w zakresie ok. ±10%.

Rysunek 2. Schemat ideowy zasilacza PoE z interfejsem czujników

Schemat modułu zasilacza został pokazany na rysunku 2. Złącze PoE dostarcza zasilania z płytki Raspberry Pi3+/4, która wyposażona jest w złącze RJ45 interfejsu Ethernet, z wbudowanym transformatorem separacyjnym przystosowanym do pracy z zasilaniem PoE. Zastosowanie mostków prostowniczych BR1, BR2 zapewnia współpracę nakładki z oboma modelami zasilania. Transil D1 zabezpiecza przetwornicę przed skutkami przepięć w przewodach Ethernet. Dławiki ferrytowe FB1...FB6 ograniczają zakłócenia EMI generowane przez przetwornicę MPoE. Zastosowany moduł zasilacza AG9205-S dostarcza napięcia 5 V. Rezystor RCP służy do określenia klasy PD. Domyślnie jest on nie wlutowany, co informuje PSE o poborze mocy odpowiadającym klasie 0 – 0,44…12,95 W. Jeżeli chcemy ograniczyć zakres mocy, znając charakterystykę własnej aplikacji, należy zmienić jego wartość odpowiednio na 698 Ω dla klasy 1, 383 Ω dla klasy 2 i 249 Ω dla klasy 3, rezystor musi mieć tolerancję maksymalnie 1%.

Rezystory Rn, Rp umożliwiają kalibrację napięcia wyjściowego modułu. Jeżeli rezystory pozostaną nie wlutowane, to na wyjściu otrzymamy znamionowe napięcie 5 V. Rezystor RN służy do obniżenia, a RP podniesienia napięcia wyjściowego. Dla zapewnienia niezawodnej współpracy z Raspberry, napięcie wyjściowe ustalone jest na 5,2 V. Jest to wartość bezpieczna dla Pi, a jednocześnie zapewniony zostaje zwiększony margines zasilania dla podłączonych urządzeń USB 3.0, kompensując spadki napięć na płytce i kluczach zasilania portów. Kondensator CE1 zapewnia filtrację zasilania, a filtr L1, CE2, CE3 obniża poziom szumów na wyjściu układu. Dodatkowe kondensatory ceramiczne C6, C7 podnoszą skuteczność filtracji wysokich częstotliwości.

Przetwornica AG9205-S współpracuje z zalecanym przez producenta układem wstępnego obciążenia. Praktycznie każdy z modułów PoE musi pracować z minimalnym obciążeniem, gdyż tylko wtedy zagwarantowane są parametry wyjściowe, dotyczy to też momentu rozruchu wbudowanej przetwornicy. Spełnienie warunków gwarantuje, także pracę PSE bez zakłóceń. Układ detektora progu zasilania U1 (MCP100T-3.00) nadzoruje napięcie wyjściowe przetwornicy. Jeżeli jest ono niższe od progu zadziałania, na jego wyjściu utrzymywany jest stan niski, który otwiera tranzystor Q1 włączający rezystory obciążenia wstępnego R3, R4. Po przekroczeniu napięcia progowego, tranzystor jest odcinany, a obciążenie przetwornicy zapewnia uruchamiające się Raspberry Pi. Dioda PWR sygnalizuje obecność zasilania PoE.

UWAGA: w module przetwornicy występują napięcia o wartościach do 60 V, należy zachować szczególną ostrożność podczas uruchamiania układu. Dla zwiększenia bezpieczeństwa polecam moduł zabezpieczyć dodatkowo przekładką lub taśmą izolacyjną.

Moduł wyposażony jest w blok interfejsu czujników, na które wyprowadzone są interfejsy I2C i UART Raspberry Pi. Gniazda wyjściowe powielone są w standardach SIL, Grove, QWIIC oraz PH, co ułatwia podłączenie czujników z różnych systemów. Napięcie zasilania interfejsu wynosi 3,3 V i pochodzi z wbudowanej w Raspberry Pi przetwornicy.

Montaż i uruchomienie

Moduł zmontowany jest na dwustronnej płytce drukowanej, której schemat i rozmieszczenie elementów pokazuje rysunek 3.

Rysunek 3. Schemat dwuwarstwowej płytki PCB wraz z rozmieszczeniem elementów

Montaż nie jest skomplikowany i nie wymaga opisu. Zmontowany moduł został pokazany na fotografii tytułowej, a widok drugiej strony płytki pokazuje fotografia 1.

Fotografia 1. Wygląd płytki od strony BOTTOM

Przed podłączeniem modułu do RPi warto przeprowadzić próby działania. Do wejścia PoE należy doprowadzić napięcie 48 V (wyprowadzenia 1-2 PoE), wyjście V50 (wyprowadzenia 1, 3 GPIO) podłączyć do sztucznego obciążenia 2,5 A. Po włączeniu zasilania na wyjściu powinno pojawić się napięcie ok. 5,2 V. Zmieniając obciążenie w zakresie 0...2,5 A oraz zasilanie w zakresie 37...57 V sprawdzamy stabilność napięcia wyjściowego, które powinno zawierać się w przedziale 4,8...5,2 V. Dodatkowo jakość zasilania można sprawdzić oscyloskopem, poziom szumów nie powinien przekraczać 50 mV przy maksymalnym obciążeniu (w rzeczywistości jest nawet niższy). Wartości uzyskane podczas pomiarów zestawiono w tabeli 1.

Dla maksymalnego obciążenia 2,5 A sprawdzono, także zachowanie przy zmianach napięcia wejściowego, wyniki pokazuje tabela 2.

Jeżeli moduł pracuje prawidłowo, możemy podłączyć go do Raspberry Pi oraz do switcha lub zasilacza PoE. Po włączeniu zasilania ponownie sprawdzamy napięcie wyjściowe. Podczas testów na kablu o długości ok. 35 m, nakładka zasilała stabilnie Raspberry Pi4, dysk USB 3.0 HDD 1 TB oraz kamerę i kilka czujników parametrów środowiskowych.

Adam Tatuś, EP

Wykaz elementów:
Rezystory: (SMD0805, 1%)
  • R1: 100 kΩ
  • R2, R5: 2,4 kΩ
  • R3, R4: 100 Ω
  • R6, R7: 4,7 kΩ
  • RCP: opis w artykule
  • RN: opis w artykule
  • RP: 180 kΩ, opis w artykule
Kondensatory:
  • C1, C2: 1 nF/2 kV SMD1206
  • C3: 1 µF SMD0805
  • C4, C5: 0,1 µF SMD0805
  • C6, C7: 22 µF SMD0805
  • CE1, CE2, CE3: 220 µF/16 V elektrolityczny, low ESR, 8 mm
Półprzewodniki:
  • PWR: LED SMD0805
  • Q1: BC807 (SOT-23)
  • BR1, BR2: mostek prostowniczy B10S – 600 V/1 A
  • D1: transil SMAJ56A (SMB_D)
  • U1: MCP100T300/TT (SOT-23)
Inne:
  • FB1…FB6: dławik ferrytowy MMZ2012S102A SMD0805
  • L1: 2,2 µH dławik WE-MAPI4020 (74438356022)
  • GPIO: złącze IDC40 żeńskie do druku proste
  • I2CA1, I2CB1, I2CC1, UART1: listwa SIP4 2,54 mm
  • I2CA2, I2CB2, I2CC2, UART2: złącze PHKS 2,0 mm
  • I2CA3, I2CB3, I2CC3, UART3: złącze Grove kątowe (110990037)
  • I2CA4, I2CB4, I2CC4, UART4: złącze JST 1,0 mm
  • MpoE: moduł PoE Silvertel AG9205-S 5 V
  • PoE: złącze IDC4 żeńskie do druku proste
Artykuł ukazał się w
Elektronika Praktyczna
lipiec 2021
DO POBRANIA
Materiały dodatkowe
Elektronika Praktyczna Plus lipiec - grudzień 2012

Elektronika Praktyczna Plus

Monograficzne wydania specjalne

Elektronik listopad 2025

Elektronik

Magazyn elektroniki profesjonalnej

Raspberry Pi 2015

Raspberry Pi

Wykorzystaj wszystkie możliwości wyjątkowego minikomputera

Świat Radio listopad - grudzień 2025

Świat Radio

Magazyn krótkofalowców i amatorów CB

Automatyka, Podzespoły, Aplikacje listopad - grudzień 2025

Automatyka, Podzespoły, Aplikacje

Technika i rynek systemów automatyki

Elektronika Praktyczna listopad 2025

Elektronika Praktyczna

Międzynarodowy magazyn elektroników konstruktorów

Elektronika dla Wszystkich grudzień 2025

Elektronika dla Wszystkich

Interesująca elektronika dla pasjonatów