Miniaturowy odbiornik FM

Miniaturowy odbiornik FM
Pobierz PDF Download icon

Odbiorniki UKF-FM kojarzą się wielu elektronikom z trudnymi do strojenia obwodami rezonansowymi, kłopotliwym montażem lub niewygodną obsługą. Współcześnie mamy do dyspozycji wygodne rozwiązania, które całkowicie eliminują potrzebę samodzielnego zajmowania się obwodami wysokiej częstotliwości.

Podstawowe parametry:
  • odbiór monofoniczny analogowych stacji radiowych nadających w paśmie CCIR UKF FM (87,5…108 MHz),
  • cyfrowe wskazywanie aktualnej częstotliwości,
  • krok regulacji częstotliwości: 10 kHz,
  • możliwość ręcznego i automatycznego wyszukiwania stacji,
  • możliwość zapamiętania dwóch częstotliwości,
  • automatyczne przywracanie poprzednio ustawionej częstotliwości, po zaniku zasilania,
  • wskaźnik siły sygnału,
  • wyjście na głośnik (moc ok. 1,2 W),
  • wyświetlacz OLED,
  • zasilanie 5 V przez złącze Mini USB lub oddzielne pola lutownicze.

Gotowe odbiorniki radiowe, jakie można znaleźć w handlu, oferują małe możliwości, jeżeli chodzi o zintegrowanie z już istniejącymi systemami czy urządzeniami. Nasz moduł, mający niewielkie rozmiary, można bez trudu zabudować np. w witrynce w salonie. Można też wyposażyć go we własną obudowę, aby móc zabierać takie radyjko na wyjazdy i zasilać je z powerbanku lub ze zwykłej ładowarki USB. Prosta obsługa i niewielki, ale czytelny wyświetlacz o dużym kontraście sprawią, że spodoba się nawet osobom starszym. Budowa tego radioodbiornika nie wymaga jakiejkolwiek znajomości układów wielkiej częstotliwości. Nie trzeba mieć wobuloskopu ani specjalnego generatora. Wystarczą lutownica oraz programator SWD do układów z rodziny STM32.

Budowa

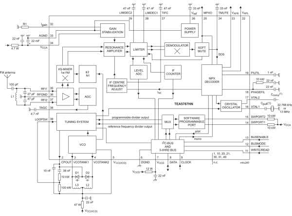
Najistotniejszym dla projektu układem jest moduł zawierający TEA5767 – gotowy, scalony odbiornik UKF‑FM, ze sterowaniem cyfrowym. Zawiera w swojej strukturze wszystkie bloki niezbędne do realizacji w pełni działającego odbiornika, wymagając przy tym niewielu elementów zewnętrznych. Schemat blokowy układu został pokazany na rysunku 1.

Rysunek 1. Schemat blokowy układu TEA5767

Na wejściu sygnału pochodzącego z anteny znajduje się szerokopasmowy wzmacniacz wielkiej częstotliwości, którego wzmocnienie jest strojone automatycznie (AGC). Cyfrowy system strojenia, będący niczym innym jak generatorem PLL, wytwarza sygnał heterodyny, do czego służy oscylator przestrajany napięciowo (VCO). Częstotliwość wzorcowa dla tego generatora jest ustalona przez dołączony z zewnątrz rezonator kwarcowy o częstotliwości 32768 Hz lub 13 MHz.

Wzmocniony sygnał wielkiej częstotliwości oraz wytworzony przez VCO sygnał heterodyny trafiają do mieszacza kwadraturowego (I/Q). Obie powstałe w nim składowe (synfazowa i kwadraturowa) są wzmacniane przez wzmacniacz rezonansowy, który jest niczym innym jak znanym z typowego układu superheterodyny wzmacniaczem pośredniej częstotliwości. Ze wzmacniaczem pośredniej częstotliwości współpracuje ogranicznik amplitudy, eliminujący niepożądaną modulację amplitudy. Przy nim znajduje się również przetwornik A/C, mierzący aktualną siłę sygnału radiowego, co czyni poprzez określenie jego średniej amplitudy.

Sygnał, po opuszczeniu ogranicznika amplitudy, poddawany jest demodulacji, a następnie trafia na dekoder stereo. W zależności od ustawień zadanych cyfrowo, może pracować lub nie (obiór stereofoniczny wymaga sygnału o lepszej jakości). Cały opisany tor radiowy ma postać pojedynczego układu scalonego wielkości paznokcia o znikomej cenie.

Uważny czytelnik znajdzie na rysunku 1 cewkę, a nawet trzy cewki. Może się nawet poczuć oszukany – wszak miało nie być żadnych cewek! Elektronik, który podejmie się wykonania opisanego dalej odbiornika radiowego, nie będzie musiał lutować żadnej cewki. Układ TEA5767 dostępny jest w postaci małego modułu na płytce drukowanej o wymiarach 11,2×11,2 mm, który zawiera wszystkie elementy niezbędne do działania układu.

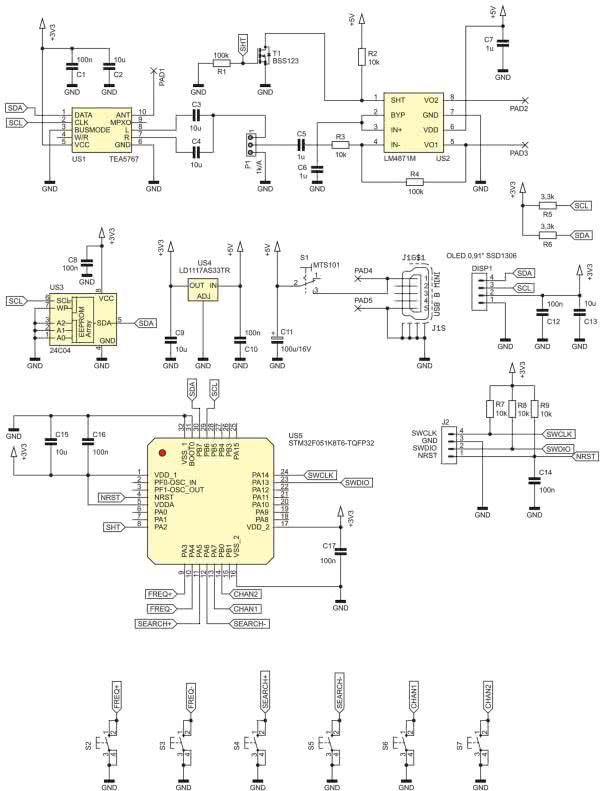
Schemat ideowy miniaturowego odbiornika można zobaczyć na rysunku 2. Komunikacja modułu TEA5767 z mikrokontrolerem, nadzorującym jego pracę, odbywa się poprzez magistralę I2C. Do poprawnej pracy modułu potrzebne są tylko kondensatory odsprzęgające zasilanie i blokujące składową stałą na wyjściu audio oraz antena. Odbiór jest monofoniczny, więc sygnał z obu kanałów jest sumowany i trafia na potencjometr regulujący siłę głosu P1. Rezystancja wyjściowa układu TEA5767 wynosi nie więcej niż 50 V, więc dolna częstotliwość graniczna takiego układu RC wynosi niecałe 8 Hz. To pasmo wystarczające do poprawnego odtwarzania audycji, nadawanych analogowo w paśmie UKF.

Rysunek 2. Schemat ideowy miniaturowego odbiornika

Sygnał audio, o ustalonym przez użytkownika poziomie, jest wzmacniany przez układ LM4871M. Ten mały i relatywnie prosty wzmacniacz pozwala na dostarczenie mocy rzędu 1,5 W, do obciążenia 8 V, przy zasilaniu napięciem 5 V. Zdecydowałem się na zastosowanie tego układu zamiast dobrze znanego i znacznie starszego LM386, ponieważ ten drugi cechuje się bardziej złożonym układem elementów wspomagających jego pracę, a także subiektywnie gorszym brzmieniem, zwłaszcza w zakresie niskich tonów. Układ US2 pracuje w typowej aplikacji. Tranzystor T1, poprzez spolaryzowanie wejścia SHT potencjałem masy, załącza wzmacniacz. Odbywa się to po całkowitym załączeniu odbiornika, aby nie było słychać zgrzytów wynikających z niedostrojenia układu radiowego.
Wartość aktualnie odbieranej częstotliwości, a także zapamiętane przez użytkownika dwie stacje radiowe są zapamiętywane w nieulotnej pamięci EEPROM typu 24C04, dołączonej również po magistrali I2C. Bez niej, po każdorazowym włączeniu zasilania, konieczne byłoby wyszukiwanie stacji od nowa.

Stabilizowanego napięcia zasilania o wartości 3,3 V dostarcza stabilizator liniowy US4. Nie emituje on tylu zakłóceń co przetwornica impulsowa. Ponadto użycie do tego celu przetwornicy impulsowej mijałoby się z celem, ponieważ największe zapotrzebowanie na prąd w tym układzie ma wzmacniacz głośnikowy, zasilany wprost z napięcia 5 V. Źródłem zasilania może być ładowarka lub powerbank, podłączony do złącza Mini USB, albo inny zasilacz o napięciu wyjściowym 5 V, dolutowany bezpośrednio do pól lutowniczych PAD4 i PAD5. Wyłączanie zasilania odbywa się wyłącznikiem S1, przerywającym dopływ prądu do poszczególnych obwodów.

Do wyświetlania częstotliwości nośnej aktualnie odbieranej stacji oraz siły sygnału służy miniaturowy wyświetlacz OLED o przekątnej 0,91” i rozdzielczości 128×32 piksele. Ma wbudowany kontroler typu SSD1306, który otrzymuje polecenia od mikrokontrolera, w tym całą zawartość ekranu, za pośrednictwem magistrali I2C. Obsługa wszystkich trzech urządzeń, dołączonych do jednej magistrali, nie byłaby możliwa, gdyby nie miały one różnych adresów. Rezystory R5 i R6 podciągają linie SCL i SDA do potencjału 3,3 V, co jest wymagane do prawidłowego działania.

Wszystkim zarządza mikrokontroler STM32F051. Pracuje bez zewnętrznego rezonatora kwarcowego, ponieważ jego zadania nie są krytyczne pod względem czasowym. Podłączone przyciski monostabilne nie mają dodanych rezystorów podciągających – użyto tych, które są zawarte w strukturze mikrokontrolera. Do programowania pamięci Flash zostało przewidziane złącze J2. Wyprowadzono na nie wszystkie trzy sygnały (oraz masę), niezbędne do komunikacji przy użyciu protokołu SWD. Aby na tych wyprowadzeniach nie gromadziły się ładunki elektrostatyczne, dodano zewnętrzne rezystory podciągające o wartości 10 kV.

Montaż i uruchomienie

Układ został zmontowany na dwustronnej płytce drukowanej o wymiarach 90×30 mm, a jej schemat ścieżek oraz schemat montażowy zostały pokazane na rysunku 3 i rysunku 4. 

Rysunek 3. Schemat płytki PCB wraz z rozmieszczeniem elementów, strona TOP
Rysunek 4. Schemat płytki PCB wraz z rozmieszczeniem elementów, strona BOTTOM

W odległości 3 mm od krawędzi płytki znalazły się otwory montażowe o średnicy 3,2 mm. Montaż proponuję rozpocząć od elementów lutowanych powierzchniowo, które znajdują się po obu stronach płytki. Montując elementy THT, należy pamiętać, że:

  • na płytce przewidziano miejsce na poziome ułożenie kondensatora C11, 
  • złącze J2 powinno być wlutowane od strony tylnej, aby nie przeszkadzało wyświetlaczowi,
  • pod wyświetlacz DISP1 należy wlutować złącze typu goldpin, a wyświetlacz należy umieścić w złączu na samym końcu, 
  • w układzie prototypowym potencjometr wlutowano od tyłu płytki, aby pokrętło regulacji głośności było dostępne od góry.

Prawidłowo zmontowany układ można zobaczyć na fotografii tytułowej oraz na fotografii 1. Głośnik o znamionowej impedancji 8 V podłącza się do pól lutowniczych PAD2 i PAD3. Jego moc powinna wynosić minimum 2 W, aby nie uległ uszkodzeniu przy pełnym wysterowaniu. Anteną, podłączoną do pola lutowniczego PAD1, może być odcinek izolowanego przewodu. Po podłączeniu zasilania o wartości 5 V (stabilizowanego i dobrze filtrowanego) należy zaprogramować pamięć Flash mikrokontrolera. Potencjometr regulacji głośności polecam uprzednio ustawić w położenie bliskie minimum.

Fotografia 1. Widok zmontowanego układu – strona BOTTOM

Eksploatacja

Na wyświetlaczu (fotografia 2) znajdują się następujące elementy:

  • na górze: częstotliwość, do której dostrojony jest aktualnie odbiornik;
  • na dole, po lewej: siła odbieranego sygnału. Im szerszy jest ten prostokąt, tym lepszej jakości jest odbiór. Maksymalnie może on mieć 16 pikseli szerokości;
  • na dole, pośrodku: kierunek przeszukiwania w postaci strzałeczki (jeżeli jest aktualnie włączony);
  • na dole, po prawej: numer zapamiętanego kanału.
Fotografia 2. Zawartość wyświetlacza

Funkcje przycisków szczegółowo opisuje tabela 1. Przyciski S2 i S3 mają zaimplementowane przyspieszanie przewijania, przy dłuższym ich wciśnięciu. Jeżeli ustawiona ręcznie częstotliwość pokryje się z tą, która jest zapamiętana jako CHAN1 lub CHAN2, na wyświetlaczu pokaże się stosowny napis.

Pobór prądu przy potencjometrze głośności skręconym na minimum to ok. 70 mA. Ponieważ użyty wzmacniacz głośnikowy pracuje w bardzo płytkiej klasie AB, natężenie pobieranego prądu będzie wzrastać wraz z chwilowym poziomem głośności. Proponuję użycie głośnika o znamionowej impedancji 8 V, ze względu na mniejsze zniekształcenia oraz mniejszy pobór prądu. Nie ma jednak przeciwwskazań, by był to głośnik o impedancji 6 V lub nawet 4 V.

Uwaga eksploatacyjna: znalezienie stacji poprzez automatyczne wyszukiwanie może być nieskuteczne, jeżeli w jej bliskim sąsiedztwie (na widmie częstotliwościowym) znajduje się inna. Polecam wtedy spróbować szukania zarówno „w dół”, jak i „w górę”. Niekiedy jakaś stacja jest niemożliwa do znalezienia przy szukaniu „w dół”, a innej może nie dać się znaleźć „w górę”.

Przedstawiony odbiornik od kilku miesięcy działa po kilka godzin dziennie w moim warsztacie. Prosta antena, na dodatek umieszczona wewnątrz pomieszczenia, wykonanego z gęsto zbrojonego betonu, powoduje, że jest czuły na zmiany propagacji, ale wystawienie jej na zewnątrz rozwiązuje problem. Dużym plusem jest brak odstrajania się od ustawionej stacji – co jest bardzo dokuczliwą cechą prostych odbiorników superreakcyjnych lub superheterodynowych.

Michał Kurzela, EP

Wykaz elementów:
Rezystory:
  • R1, R4: 100 kΩ SMD0805
  • R2, R3, R7…R9: 10 kΩ SMD0805
  • R5, R6: 3,3 kΩ SMD0805
  • P1: 1 kΩ jednoobrotowy log. 16 mm
Kondensatory:
  • C1, C8, C10, C12, C14, C16, C17: 100 nF SMD0805
  • C2…C4, C9, C13, C15: 10 μF 16 V SMD0805
  • C5…C7: 1 μF SMD0805
  • C11: 100 μF 16 V raster 2,54 mm
Półprzewodniki:
  • DISP1: OLED 0,91" SSD1306 128×32 px
  • T1: BSS123
  • US1: TEA5767 moduł (kod: 03547)
  • US2: LM4871M (SO8)
  • US3: 24C04 (SO8)
  • US4: LD1117S33TR (SOT223)
  • US5: STM32F051K8T6 (TQFP32)
Inne:
  • J1: USB B MINI
  • J2: goldpin 4 pin męski 2,54 mm THT
  • S1: MTS101 lub podobny
  • S2…S7: microswitch 6×6 17 mm THT
  • goldpin 4 pin męski+żeński 2,54 mm THT (do wyświetlacza)
  • antena (opis w tekście)
  • głośnik (opis w tekście)
Artykuł ukazał się w
Elektronika Praktyczna
październik 2020
DO POBRANIA
Pobierz PDF Download icon
Materiały dodatkowe
Elektronika Praktyczna Plus lipiec - grudzień 2012

Elektronika Praktyczna Plus

Monograficzne wydania specjalne

Elektronik listopad 2025

Elektronik

Magazyn elektroniki profesjonalnej

Raspberry Pi 2015

Raspberry Pi

Wykorzystaj wszystkie możliwości wyjątkowego minikomputera

Świat Radio listopad - grudzień 2025

Świat Radio

Magazyn krótkofalowców i amatorów CB

Automatyka, Podzespoły, Aplikacje listopad - grudzień 2025

Automatyka, Podzespoły, Aplikacje

Technika i rynek systemów automatyki

Elektronika Praktyczna listopad 2025

Elektronika Praktyczna

Międzynarodowy magazyn elektroników konstruktorów

Elektronika dla Wszystkich grudzień 2025

Elektronika dla Wszystkich

Interesująca elektronika dla pasjonatów