Cyfrowy wzmacniacz mocy z interfejsem Bluetooth

Cyfrowy wzmacniacz mocy z interfejsem Bluetooth
Pobierz PDF Download icon

Prezentowany moduł, jest kompletną cyfrową końcówką mocy audio pracującą w klasie D i pozwalającą osiągnąć moc do 2×10 W przy zasilaniu 12 V. Może posłużyć do realizacji mobilnych systemów nagłośnieniowych współpracujących z interfejsem Bluetooth Audio.

Podstawowe parametry:
  • moc 2×10 W przy 8 V i zasilaniu 12 V,
  • praca w klasie D z modulacją rozproszoną,
  • sprawność ponad 92%,
  • zasilanie 9…14,4 V,
  • wejście sygnału: liniowe lub radiowe Bluetooth.

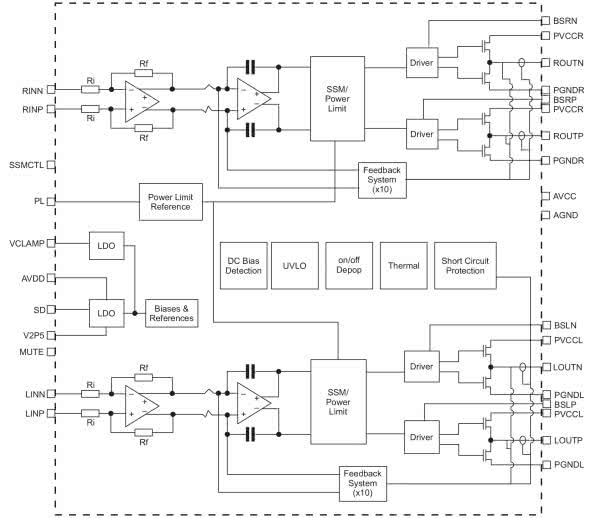
Zastosowany w module układ PAM8106 firmy Diodes Inc. integruje w sobie dwukanałową mostkową końcówkę mocy 2×10 W/8 Ω (12 V) pracującą w klasie D. Umożliwia pracę z modulacją rozproszoną, zmniejszająca generowane zaburzenia EMI, posiada układ zabezpieczeń oraz konfigurowany limiter mocy przydatny przy pracy bateryjnej. Układ osiąga sprawność ponad 92%, co umożliwia w większości przypadków pracę bez zewnętrznego radiatora. Zamykany jest w obudowie QFN5050-32 z padem termicznym. Sporą zaletą PAM8106 jest niska cena, która nawet przy jednostkowych zamówieniach oscyluje poniżej 1,5 $. Strukturę wewnętrzną układu pokazano na rysunku 1.

Rysunek 1. Struktura wewnętrzna PAM8106 (za notą Diodes Inc.)

Budowa i działanie

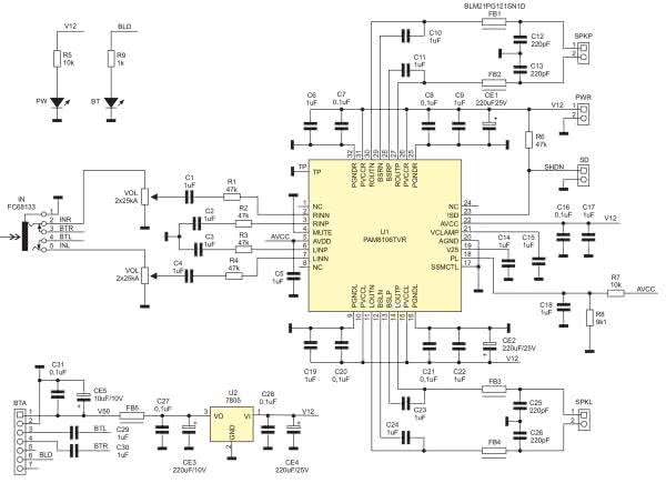
Schemat układu wzmacniacza pokazano na rysunku 2. Aplikacja nie odbiega od noty katalogowej PAM8106, proponowanej dla wzmacniacza stereo.

Rysunek 2. Schemat ideowy wzmacniacza

Analogowy sygnał wejściowy doprowadzony jest do złącza IN typu mini jack stereo 3,5 mm. Gniazdo posiada dwa wyłączniki, odcinające automatycznie sygnał audio z modułu Bluetooth, gdy dołączony jest wtyk mini jack. Sygnał po regulacji poziomu potencjometrem VOL, doprowadzony jest do wejścia U1, gdzie podlega wzmocnieniu. Sygnał wyjściowy po filtracji dostępny jest na zaciskach SPKP/SPKL.

Zasilanie układu dostarczone jest poprzez złącze PWR i powinno mieścić się w zakresie 9...14,4 V, co odpowiada napięciu akumulatora żelowego lub pakietu 3×Li-Po w zastosowaniach przenośnych. Dzielnik R7, R8 ustala próg zadziałania limitera na ok. 8 W. Zwarcie zwory SD, wprowadza układ w tryb obniżonego poboru mocy. Stabilizator U2 7805 zapewnia zasilanie modułu Bluetooth. Po wymianie U2 na wersję LDO, możliwe jest obniżenie dolnej granicy napięcia zasilania do ok. 6 V, gdyż sam układ PAM8106 pracuje poprawnie do 4,5 V.

Fotografia 1. Wygląd modułu Bluetooth

W roli odbiornika Bluetooth Audio zastosowano tani moduł ze złączem 7-pinowym dostępny na aukcjach internetowych. Wygląd odbiornika pokazano na fotografii 1. Nie wymaga on żadnej konfiguracji, a uruchomienie interfejsu sprowadza się do sparowania z nadajnikiem. Dioda PW sygnalizuje obecność zasilania, dioda BT stan odbiornika Bluetooth. Szybkie miganie BT oznacza oczekiwanie na sparowanie, a świecenie ciągłe oznacza pracę modułu połączonego z nadajnikiem.

Montaż i uruchomienie

Wzmacniacz zmontowany jest na dwustronnej płytce drukowanej. Rozmieszczenie elementów pokazano na rysunku 3, a zmontowany moduł pokazuje fotografia tytułowa. Montaż nie wymaga opisu, moduł Bluetooth wlutowany jest do płytki wzmacniacza mocy przy pomocy listwy szpilkowej. Po montażu warto sprawdzić obecność zasilania 5 V.

Rysunek 3. Schemat płytki PCB oraz rozmieszczenie elementów płytki wzmacniacza

Układ zmontowany ze sprawdzonych elementów nie wymaga uruchamiania, jego działanie można szybko sprawdzić podłączając sygnał liniowy audio bezpośrednio do wejścia IN oraz drogą radiową ze smartfona lub tableta. Po sparowaniu – moduł zgłasza się pod nazwą WIN668. Przy umieszczaniu urządzenia w obudowie należy pamiętać, aby w okolicach anteny nie było elementów metalowych, które mogłyby zakłócić odbiór.

W modelu na wbudowanej antenie uzyskano stabilny zasięg w okolicach 8 m. Przyjemnego odsłuchu.

Adam Tatuś
adam.tatus@ep.com.pl

Wykaz elementów:
Rezystory:
  • R1…R4, R6: 47 kΩ 1% SMD0805
  • R5, R7: 10 kΩ 1% SMD0805
  • R8: 9,1 kΩ 1% SMD0805
  • R9: 1 kΩ 1% SMD0805
Kondensatory:
  • C1…C6, C9…C11, C14, C15, C17…C19, C22…C24, C29, C30: 1 μF SMD0805
  • C7, C8, C16, C20, C21, C27, C28, C31: 100 nF SMD0805
  • C12, C13, C25, C26: 220 pF SMD0805
  • CE1, CE2, CE4: 220 μF/25 V
  • CE3: 220 μF/10 V
  • CE5: 10 μF/10 V tantalowy SMD3216
Półprzewodniki:
  • BT: Led SMD0805 zielona
  • PW: Led SMD0805 czerwona
  • U1: PAM8106TVR
  • U2: 7805 TO-220
Inne:
  • BTA: Złacze szpilkowe SIP7 2.54+F20
  • SD: Złacze szpilkowe SIP2 2.54+F20
  • FB1…FB5: Koralik ferrytowy SMD BLM21PG121SN1D
  • IN: Złacze mini jack stereo z wyłacznikami FC68133
  • PWR,SPKL,SPKP: Złącze śrubowe 2 pin 3,81 mm DG381-3.5-2
  • VOL: 2×25 kΩ A potencjometr stereo 9 mm+F75Alpha 9-PC-STE-25k log
Artykuł ukazał się w
Elektronika Praktyczna
kwiecień 2020
DO POBRANIA
Pobierz PDF Download icon
Elektronika Praktyczna Plus lipiec - grudzień 2012

Elektronika Praktyczna Plus

Monograficzne wydania specjalne

Elektronik listopad 2025

Elektronik

Magazyn elektroniki profesjonalnej

Raspberry Pi 2015

Raspberry Pi

Wykorzystaj wszystkie możliwości wyjątkowego minikomputera

Świat Radio listopad - grudzień 2025

Świat Radio

Magazyn krótkofalowców i amatorów CB

Automatyka, Podzespoły, Aplikacje listopad - grudzień 2025

Automatyka, Podzespoły, Aplikacje

Technika i rynek systemów automatyki

Elektronika Praktyczna listopad 2025

Elektronika Praktyczna

Międzynarodowy magazyn elektroników konstruktorów

Elektronika dla Wszystkich grudzień 2025

Elektronika dla Wszystkich

Interesująca elektronika dla pasjonatów