Przetwornik audio A/C z układem WM8782S

Przetwornik audio A/C z układem WM8782S
Pobierz PDF Download icon

Opisywany moduł przetwornika audio A/C umożliwia dołączenie analogowego źródła sygnału do cyfrowego toru audio i może być używany przy szeroko rozumianej obróbce sygnału dźwięku. Układ przetwornika A/C charakteryzuje się bardzo dobrymi parametrami: pracuje z częstotliwością próbkowania 192 kHz przy rozdzielczości 24 bitów. Rekomendacje: moduł może przydać się w domowym studiu nagrań lub do digitalizacji i obróbki starych nagrań.

Podstawowe parametry:
  • Umożliwia wprowadzenie sygnału analogowego do toru cyfrowego.
  • Próbkowanie z częstotliwością 192 kHz przy rozdzielczości 24 bitów.
  • Bazuje na układzie WM8782S.
  • Wejście analogowe, wyjście S/PDIF.
  • Zasilanie 7 V AC/4 VA.
  • Nieskomplikowana aplikacja, nie wymaga regulacji i uruchamiania.

Moduł przetwornika audio A/C jest zbudowany z dwóch bloków funkcjonalnych: przetwornika A/C (U3) – układu WM8782S oraz nadajnika interfejsu S/PDIF (U2) – układu WM8804. Całość jest uzupełniona generatorem sygnału zegarowego MCLK o częstotliwości 24,576 MHz i oczywiście zasilaczem.

Jako konwerter A/C zastosowano układ typu WM8782S. Charakteryzuje się on bardzo dobrymi parametrami, a dzięki wysokiej skali integracji cechuje się prostą aplikacją. Schemat blokowy przetwornika A/C pokazano na rysunku 1.

Rysunek 1. Schemat blokowy WM8782S

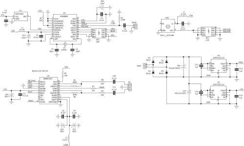
Schemat ideowy proponowanego rozwiązania modułu przetwornika audio A/C pokazano na rysunku 2. Układ WM8782SS ma wbudowane dwa przetworniki delta-sigma z filtrem cyfrowym i elastycznie konfigurowanym układem nadajnika. W module układ WM8782S pracuje w trybie master, w którym jest źródłem sygnałów BCLK, RLCK, a do transmisji danych jest wykorzystywany interfejs I2S. Sygnał zegarowy MCLK o częstotliwości 24,576 MHz jest generowany w oparciu o oscylator OSC typu ASFL. Rezystory R5…R9 ustalają czułość wejściową przetwornika na napięcie 2 Vrms. Kondensatory C10 i C11 separują składową stałą.

Rysunek 2. Schemat ideowy przetwornika audio A/C z WM8782S

Układ U3 jest zasilany dwoma napięciami: V50A dla części analogowej, V33 dla części cyfrowej i interfejsu. Odpowiednie elementy filtrują zasilanie układu.

Sygnał z przetwornika A/C w standardzie I2S jest doprowadzony do nadajnika
S/PDIF wykonanego w oparciu na popularnym układzie nadajnika WM8804 (U2) pracującym w trybie slave, w którym sygnał MCLK pochodzi (podobnie jak dla WM8782S) z generatora OSC. Sygnał wyjściowy po dopasowaniu za pomocą R2, R3 i C6 jest doprowadzony do gniazda S/PDIF.

Układ typu MCP100T (U1) pełni funkcję generatora sygnału zerowania dla WM8804.

Do zasilania przetwornika jest konieczne napięcie przemienne 7 V dostarczane przez transformator sieciowy o mocy co najmniej 4 VA. Napięcie to po wyprostowaniu i odfiltrowaniu zasila niskoszumowe stabilizatory LDO typu ADP7104. Układ U4 dostarcza napięcie V50A (+5 V) przeznaczone do zasilania części analogowej, natomiast U3 zapewnia V33 (3,3 V) do zasilania oscylatora oraz części cyfrowej przetwornika.

Schemat montażowy przetwornika audio A/C pokazano na rysunku 3. Sposób montażu jest typowy i nie wymaga omawiania. Po zmontowaniu i sprawdzeniu poprawności, a szczególnie lutowania padów termicznych stabilizatorów, można włączyć źródło sygnału analogowego (maksymalnie 2 Vrms), zasilanie (7 V AC/4 VA) i doprowadzić wyjście do sytemu cyfrowego, akceptującego sygnał o częstotliwości próbkowania 192 kHz i rozdzielczości 24 bitów. Poprawnie zmontowany moduł nie wymaga żadnych regulacji i powinien zadziałać po włączeniu zasilania.

Rysunek 3. Schemat montażowy przetwornika audio A/C z WM8782S

Adam Tatuś, EP

Wykaz elementów:
Rezystory: (SMD 0805, 1%)
  • R1, R4, R7…R9: 10 kΩ
  • R2: 110 Ω
  • R3: 210 Ω
  • R5, R6: 4,99 kΩ
  • RP1, RP2: 22 Ω (CRA06S08, drabinka rezystorowa SMD)
Kondensatory:
  • C1, C2, C5…C9, C12: 100 nF (SMD 0805)
  • C3, C4: 18 pF (SMD 0805)
  • C10 ,C11: 4,7 μF (metalizowany R=5 mm)
  • C13…C16: 1 μF (SMD 0805)
  • CE1…CE5: 10 μF/10 V (SMD „A”)
  • CE6, CE7: 470 μF/16 V (Low ESR)
Półprzewodniki:
  • D1…D4: RS1D (dioda szybka, SMD)
  • U1: MCP100T (SOT-23)
  • U2: WM8804 (SSOP20)
  • U3: WM8782A (SSOP20)
  • U4: ADP7102-5.0 (SO8)
  • U5: ADP7102-3.3 (SO8)
Inne:
  • IN: CONN ARK3_200 1 złącze ARK3 R-5 mm
  • L1…L3: 0,1 μH (perełka ferrytowa SMD 0805)
  • OSC: oscylator ASFL 24,576 MHz
  • PWR, SPDIF: złącze ARK2, R=5 mm
  • XT: 12 MHz (rezonator kwarcowy HC49SMD)
Artykuł ukazał się w
Elektronika Praktyczna
luty 2019
DO POBRANIA
Pobierz PDF Download icon
Elektronika Praktyczna Plus lipiec - grudzień 2012

Elektronika Praktyczna Plus

Monograficzne wydania specjalne

Elektronik listopad 2025

Elektronik

Magazyn elektroniki profesjonalnej

Raspberry Pi 2015

Raspberry Pi

Wykorzystaj wszystkie możliwości wyjątkowego minikomputera

Świat Radio listopad - grudzień 2025

Świat Radio

Magazyn krótkofalowców i amatorów CB

Automatyka, Podzespoły, Aplikacje listopad - grudzień 2025

Automatyka, Podzespoły, Aplikacje

Technika i rynek systemów automatyki

Elektronika Praktyczna listopad 2025

Elektronika Praktyczna

Międzynarodowy magazyn elektroników konstruktorów

Elektronika dla Wszystkich grudzień 2025

Elektronika dla Wszystkich

Interesująca elektronika dla pasjonatów