Magic Matrix. Magicznie kolorowy wyświetlacz (1)

Magic Matrix. Magicznie kolorowy wyświetlacz (1)
Pobierz PDF Download icon
Wielokrotnie w życiu podejmowałem się projektowania przeróżnych zegarków, budzików elektronicznych własnego pomysłu starając się zawsze o to, aby wykonać coś niepowtarzalnego, czego nikt jeszcze nie wymyślił. Korzystając z wieloletniego już doświadczenia w tym zakresie, a także mając do dyspozycji diody typu WS2812B nadszedł w końcu czas, aby opracować unikalną konstrukcję nie tylko pod względem funkcjonalności, lecz także pod względem przygotowania bardzo ciekawej obudowy. Na dodatek, obudowa powstała z materiałów pozyskanych z recyklingu. Rekomendacje: użyteczny, ładny gadżet, który może być nie tylko ozdobą wnętrza, ale także służyć jako reklama wizualna.

W związku z faktem, że sama obudowa zasługuje na odrębną uwagę, chciałbym na początku przedstawić sposób jej przygotowania. Liczę na to, że prezentowane tu podejście może stać się inspiracją dla wielu młodych konstruktorów, tym bardziej, że wykonanie obudowy i modułu samego wyświetlacza nie jest ani drogie ani zbyt skomplikowane dla przeciętnego hobbysty, amatora. Wymaga jedynie pewnego nakładu pracy, który zwraca się z nawiązką, gdy ujrzymy efekt końcowy naszej pracy.

Obudowa zegara i samego wyświetlacza składa się z dwóch głównych części. Pierwsza to panel wyświetlacza, do którego budowy użyłem tacki typu JEDEC pod układy scalone w obudowach TQFP, QFN o wymiarach okienka 14 mm×14 mm. „Pojemność” tacki wynosi 6×15 okienek, więc może ona pomieścić 90 układów (rysunek 1). Zwykle tacki tego typu są utylizowane przez firmy produkcyjne, które zamawiają układy scalone do montażu płytek PCB. Tymczasem można je zastosować jako kratownicę, która będzie pełniła podwójną rolę w naszym wyświetlaczu. Przede wszystkim, umieszczając z tyłu płytkę PCB z odpowiednio rozstawionymi i zamontowanymi diodami LED uzyskamy idealne blokowanie światła każdego piksela wyświetlacza. Dzięki odpowiednio wykonanej płytce drukowanej, diody LED będą zamontowane pośrodku każdego z otworków, a jednocześnie płyta PCB będzie dociśnięta do tacki (rysunek 2).

Istotnym elementem panelu wyświetlacza jest również sama płyta PCB zawierająca jedynie diody Magic LED. Z uwagi na dużą liczbę diod (aż 90 sztuk) i w związku z tym możliwość maksymalnego poboru prądu ok 5,4 A, musi ona być specjalnie zaprojektowana. Projektując płytkę uwzględniono nie tylko odpowiednie szerokości ścieżek zasilania, ale także sporą liczbę metalizowanych przelotek oraz dwustronne prowadzenie ścieżek (rysunek 3 i rysunek 4). Umożliwia to bezstratne doprowadzenie napięcia zasilania +5 V od pierwszej do ostatniej diody w łańcuchu, a spora ilość miedzi pełni również rolę radiatora, co umożliwi odprowadzenie ciepła, które może wydzielać się, gdy np. cały wyświetlacz będzie świecił światłem białym o maksymalnym natężeniu.

Należy zwrócić uwagę, że każda dioda Magic LED to tak naprawdę 3 pojedyncze diody o kolorach składowych RGB. Zakładając więc, że każda z tych pojedynczych diod będzie przy maksymalnym sygnale PWM (maksymalnej własnej jasności) pobierać ok 20 mA łatwo obliczyć, że łączny pobór prądu może osiągnąć nawet 5,4 A. Dlatego do zasilania wyświetlacza będzie wymagany specjalny zasilacz o napięciu wyjściowym +5 V oraz wydajności prądowej 6 A lub więcej. Płyta PCB ma dwa złącza. Złącze zasilania wykonano jako dwa pady SMD o sporej wielkości, do których można przylutować przewody o przekroju odpowiednim do poboru prądu. Drugie złącze jest typu goldpin, i ma trzy piny. VCC, GND oraz sygnał sterujący do łańcucha diod WS2812B.

Płytę PCB zaopatrzono w 8 otworów montażowych o średnicy 3,2 mm. Mocowanie do tacki zapewniają plastikowe śruby o średnicy 3 mm. Wybrano je z uwagi na łatwość przycięcia ich za pomocą szczypiec do pożądanej długości. Cztery śruby w każdym z narożników mają nakręcone plastikowe nakrętki i zostały przycięte tak, aby śruba nie wystawała ponad nakrętkę. Otwory na obrzeżach tacki pozwalają na wciśnięcie sześciokątnych nakrętek nieco na siłę, co już zapewnia wstępny zaczep PCB do tacki. Dla wzmocnienia użyto czterech sześciokątnych, plastikowych tulejek dystansowych, które przycięto na wysokość około dwóch nakrętek, ponieważ taką głębokość mają otwory w tackach. Tym razem, przycięte fragmenty tulejek dystansowych zostały solidnie wciśnięte w otwory tacki za pomocą niewielkiego młotka. Umieszczono je dokładnie pod czterema otworami na śruby w środkowej części płyty PCB. Ilustruje to fotografia 5. Dzięki temu po wstępnym jej zatrzaśnięciu na cztery zewnętrzne nakrętki w każdym z rogów, dodatkowo można wkręcić cztery śruby na brzegach PCB bliżej środka, do wciśniętych uprzednio tulejek dystansowych. Taki sposób połączenia płyty PCB zapewnia solidną budowę, która z jednej strony chroni przed przypadkowym wypadnięciem płyty PCB podczas wstrząsu lub upadku, a z drugiej strony zapewnia łatwy dostęp w razie konieczności wymiany uszkodzonej diody LED.

Z tyłu płyty drukowanej widać złącza zasilania oraz sygnałowe (rys. 4). Zostały one opisane na soldermasce PCB. Złącze typu goldpin służy nie tylko do przyłączenia sygnału z mikrokontrolera zamontowanego na oddzielnej płytce sterownika urządzenia, ale również jako wyjście napięcia zasilania +5 V, bezpośrednio z płytki z diodami LED. Oczywiście, na płytce sterownika zastosowano odpowiednie komponenty filtrujące napięcie zasilania +5V, tak aby sam mikrokontroler wraz z jego układami peryferyjnymi mogły pracować w sposób niezakłócony.

Ostatni element panelu wyświetlacza stanowią niewielkie kwadratowe kawałki mlecznej pleksi o grubości 3 mm. Wymiary takiego pojedynczego piksela to 17 mm×17 mm. Pomimo że piksele pasują „na wcisk”, to dla większej pewności przyklejono je do tacki za pomocą popularnego, szybkoschnącego kleju typu „kropelka”. Wycinanie kwadracików z pleksi jest stosunkowo łatwe. Wymaga tylko tarczy do pleksi oraz multiszlifierki np. Dremel lub Proxon. Na początku wycinamy paski pleksi o szerokości 17 mm a następnie odcinamy z nich fragmenty (kwadraty) o boku 17 mm. Czasem może być konieczne „dopracowanie” brzegów pilnikiem i papierem ściernym. Nie jest to długotrwała i trudna praca. Dużo dłużej trwałoby np. przygotowanie 90 prostokątnych otworów np. w czarnej pleksi. Należy wspomnieć, że tacki mają kilka otworów zaślepionych i trzeba je we własnym zakresie rozwiercić oraz usunąć resztki pilnikiem. Tych kilka sztuk nie nastręczy nikomu większych trudności.

Białe kwadraty pleksi (piksele) pełnią bardzo ważną rolę. Główny cel to rozpraszanie światła emitowanego przed diody LED. Dodatkowo, uzyskujemy delikatną emisję światła na bocznych ściankach kwadratów (fotografia 6). Tu polecam eksperymentowanie również z innymi grubościami mlecznej pleksi np. 5 mm, albo jeszcze grubszej. Może to przynieść zaskakująco pozytywne efekty. Widok płytki wyświetlacza bez osadzonego mlecznego kwadratu z pleksi pokazano na fotografia 7.

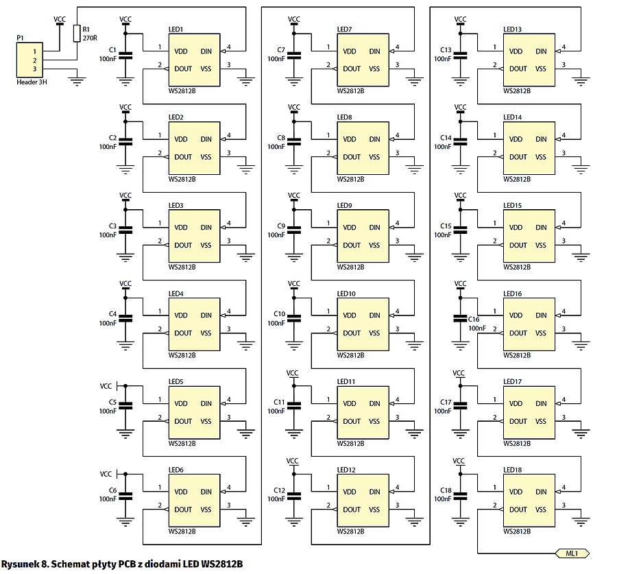
Schemat ideowy wyświetlacza pokazano na rysunku 8. Pragnę zwrócić w tym momencie uwagę na kilka istotnych szczegółów z punktu widzenia prawidłowego działania łańcucha diod, ponieważ z takim mamy tu do czynienia. Linia sygnałowa rozpoczyna się osadzonym szeregowo rezystorem o oporności 270 V, który stanowi istotne zabezpieczenie linii sygnałowej przed przepięciami i impulsami, które mogłyby wpłynąć na zakłócenia pracy całego łańcucha tych „inteligentnych” diod. Poza tym, każda dioda jest zaopatrzona we własny kondensator filtrujący zasilanie o pojemności 100 nF. Brak tych kondensatorów mógłby wpłynąć na zakłócenia pracy diod. Muszą one być umieszczone możliwie jak najbliżej wyprowadzeń diod na PCB. Oczywiście z uwagi na liczbę diod w całym łańcuchu na schemacie umieszczono tylko kilkadziesiąt pierwszych diod.

Teraz możemy przejść do drugiej części obudowy, czyli wsporników do tacki. To, co łączy oba elementy tej układanki, to specjalne boczne wypustki (skrzydełka) na tacce. W normalnym jej zastosowaniu służą one jako uchwyty dla maszyn sortujących elementy do produkcji taśmowej lub do magazynowania. W naszym wypadku owe skrzydełka zostaną osadzone „na wcisk” w boczne wsporniki.

Na początek założenia. Otóż wygodnie byłoby, aby panel wyświetlacza był pochylony pod lekkim kątem do tyłu, by można było wygodnie obserwować go z dowolnej odległości. Aby to zapewnić uznałem, że wystarczy przygotować dwa trójkąty z dowolnego tworzywa (może być pleksi, spienione PCV, a nawet drewno). Ważne, żeby wsporniki boczne miały minimalnie 5 mm grubości. Wykonując je z drewna można sobie pozwolić na grubsze, co z kolei spowoduje, że nie będzie wymagana belka łącząca z tyłu za wyświetlaczem oba wsporniki. Ostatecznie wybrałem do tego celu przeźroczystą pleksi o grubości 5 mm. Chciałem również, aby wygląd całości był unikalny i oryginalny, dlatego zamiast trójkątów przygotowałem je w ten sposób, że mają one wygląd zbliżony do dużej litery A. Jak za chwilę się przekonamy otwór pośrodku litery zostanie w pełni wykorzystany do umieszczenia w nim takich elementów, jak odbiornik podczerwieni oraz fotorezystor, które będą osadzone na płycie PCB sterownika wyświetlacza. Sama płyta PCB sterownika będzie przymocowana za pomocą czterech plastikowych śrub M3 do jednego ze wsporników. Konkretnie tego po stronie PCB wyświetlacza, gdzie znajdują się z tyłu złącza zasilania oraz sygnałowe.

Dodatkowo, wspornik, do którego zostanie przymocowany sterownik urządzenia, będzie miał otwory na trzy przyciski. Dwa z nich będą służyły do podstawowych nastaw urządzenia, trzeci będzie pełnił funkcjonalność WPS, czyli automatycznego połączenia modułu Atnel-WIFI232-T do dowolnego routera, o ile sam router również będzie miał taką funkcjonalność. W razie braku funkcjonalności automatycznej konfiguracji Wi-Fi w routerze, nie będzie problemu z uwagi na przygotowane specjalistyczne oprogramowanie narzędziowe specjalnie dla modułów Atnel-WIFI232-T.

Prototypy wsporników zostały wykonane z twardego kartonu o grubości jedynie 2 mm i równie dobrze spełniały swoją rolę, w początkowej fazie prototypu. Wystarczy zatem wydrukować na dowolnej drukarce kształt takiej litery „A” (fotografia 9), następnie wykonać jej obrys na większych fragmentach przeźroczystej pleksi o grubości 5 mm lub innym materiale, jak wspominałem wyżej. Wystarczy na początek okleić obrzeża litery „A” za pomocą taśmy malarskiej i zgrubnie wyciąć brzeszczotem kształt. Następnie, pilnikiem dopracować jej wygląd. Problemem wydawać się może wykonanie otworów, w które mają wejść skrzydełka tacki. Na szczęście jest dość łatwy sposób, aby wykonać to zadanie. Wystarczy bowiem dobrać wiertło o średnicy równej grubości skrzydełka tacki, czyli ok 3,5 mm i nawiercić wzdłuż linii otworu do wciśnięcia skrzydełka serię otworów po to, aby na końcu wyrównać brzegi od wewnątrz za pomocą zwykłego pilnika. Na każdym etapie warto zabezpieczać pleksi za pomocą taśmy budowlanej lub malarskiej, żeby nie zarysować materiału, a także po to, aby wyraźnie było widać granicę, do której należy dokonywać obróbki pilnikiem. Naturalnie, jeśli ktoś ma dostęp do dowolnej frezarki, ta praca zostanie skrócona do niezbędnego minimum. Chętnie prześlę wszystkim chętnym gotowe pliki w standardzie „GCODE”, bezpośrednio do wykorzystania na frezarce w programie Mach3, a także zwykłe pliki PDF do obróbki ręcznej.

Jak pokazano na rysunku 10, każdy ze wsporników ma dwie szczeliny: jedną dłuższą służącą do osadzenia skrzydełek tacki modułu wyświetlacza oraz drugą krótszą służącą do osadzenia belki tylnej przeznaczonej do wzmocnienia całej konstrukcji. Belkę pokazano na rysunku 11, z którego widać, że jest ona mocowana na tzw. zakładkę w oba wsporniki, a następnie przesuwana w dół. Taka budowa zapewnia maksymalną stabilność całości, solidną obudowę, przy możliwie minimalnej prostocie jej wykonania w amatorskich warunkach. Jeden z wzorców wspornika lewego posiada także przygotowane miejsca do wiercenia otworów zarówno pod śruby montażowe do płyty PCB sterownika urządzenia a także otworów, przez które zostaną wyprowadzone zostaną przyciski służące do nastaw urządzenia.

Wprawdzie belka tylna ma nieco futurystyczny wygląd poprzez ząbkowane nacięcia na górnej i dolnej części, jednak należy wspomnieć, że można je zupełnie pominąć podczas obróbki ręcznej, ponieważ nie stanowią one żadnego znaczenia z punktu widzenia montażu całości. Najważniejsze są podłużne wcięcia po obu stronach belki. Służą one do wspomnianego wcześniej montażu „na zakładkę” ze wspornikami bocznymi. Należy zwrócić uwagę na to, że podłużne wcięcia w belce, jak również w szczelinach wsporników są zaokrąglone. Nie jest to przypadek, lecz świadome przygotowanie do obróbki ręcznej. Rozpoczynamy bowiem przygotowanie tych szczelin w belce od wykonania otworów o średnicy 5 mm, czyli dokładnie takiej, jakiej grubości została użyta pleksi do wsporników bocznych i belki tylnej. Tutaj również jest potrzebny odpowiedni wkład pracy z pilnikiem i dopasowanie do całości. Naturalnie o wiele łatwiej jest przygotować belkę i wsporniki boczne na dowolnej (nawet amatorskiej frezarce współpracującej z programem Mach3). Na rysunku 12 przedstawiono widok całej obudowy od tyłu po zmontowaniu wsporników bocznych z założoną belką (kluczem) wzmacniającym całą konstrukcję.

Życzę wytrwałości podczas przygotowywania własnej obudowy.

Mirosław Kardaś
biuro@atnel.pl

Artykuł ukazał się w
Elektronika Praktyczna
październik 2017
DO POBRANIA
Pobierz PDF Download icon
Elektronika Praktyczna Plus lipiec - grudzień 2012

Elektronika Praktyczna Plus

Monograficzne wydania specjalne

Elektronik listopad 2025

Elektronik

Magazyn elektroniki profesjonalnej

Raspberry Pi 2015

Raspberry Pi

Wykorzystaj wszystkie możliwości wyjątkowego minikomputera

Świat Radio listopad - grudzień 2025

Świat Radio

Magazyn krótkofalowców i amatorów CB

Automatyka, Podzespoły, Aplikacje listopad - grudzień 2025

Automatyka, Podzespoły, Aplikacje

Technika i rynek systemów automatyki

Elektronika Praktyczna listopad 2025

Elektronika Praktyczna

Międzynarodowy magazyn elektroników konstruktorów

Elektronika dla Wszystkich grudzień 2025

Elektronika dla Wszystkich

Interesująca elektronika dla pasjonatów