Multizasilacz

Multizasilacz
Pobierz PDF Download icon
Podstawowym przyrządem niezbędnym w pracowni elektronika konstruktora jest zasilacz. Przyrząd opisywany w artykule wytwarza kilkanaście najbardziej popularnych napięć zasilających, w tym jedno regulowane. Dużą zaletą zasilacza jest galwaniczne oddzielenie większości napięć od siebie oraz kontrola i wyświetlanie faktycznego napięcia na zaciskach wyjściowych. Ponadto, otrzymujemy informacje o poborze prądu na poszczególnych wyjściach. W razie przekroczenia określonych parametrów włącza się sygnał ostrzegawczy. Rekomendacje: uniwersalny zasilacz, który przyda się przy uruchamianiu lub konstruowaniu urządzeń zasilanych energią elektryczną.

Zasilacz może być przydatny podczas uruchamiania różnych urządzeń, na przykład, wstępnego uruchamiania końcówek mocy audio (prąd ograniczony do 1 czy 1,5 A zmniejsza ryzyko uszkodzenia w razie błędu montażowego lub konstrukcyjnego). Przyda się także przy uruchamiania/kontroli zasilaczy (np. po wymianie uszkodzonego stabilizatora), dzięki możliwości płynnego zwiększania napięcia (0…40 V) oraz monitorowania pobieranego prądu.

Zasilacz składa się z trzech zasadniczych modułów i można zmontować go w trzech wersjach:

1) Moduł zasilaczy i panelu czołowego.
2) Moduł kontrolno-pomiarowy z wyświetlaczem LCD.
3) Dodatkowy moduł pomiarowy i komunikacyjny.

Zasilacz dostarcz trzech grup napięć odizolowanych galwanicznie:

1) ±5 V/3A, +3,3 V/1A, ±6/8/9 V/1,5 2 A.
2) ±10/12/15 V/1,5 A.
3) 24 V/1 A, 0…40 V/1,5 A.

Wyjścia napięciowe odizolowane galwanicznie można ze sobą łączyć, aby uzyskać inne wartości napięcia. Na przykład, bez napięcia +24 V można uzyskać:

1) ±3,3 V (+3,3 V i regulowane).
2) ±30 V (zaciski –15 V i +15 V jeden biegun, drugi biegun napięcie regulowane ustawione na 30 V).
3) ±40 V (zaciski –5 V i +5 V oraz szeregowo –15 V i +15 V jeden biegun, drugi biegun napięcie regulowane ustawione na 40 V).

Budowa

Schemat ideowy zasilacza pokazano na rysunku 1. Wykonano go w typowy, „analogowy” sposób, wykorzystując transformatory, mostki prostownicze, kondensatory filtrujące i układy scalonych stabilizatorów napięcia. Są to popularne stabilizatory napięcia dodatniego lub ujemnego, zarówno o regulowanym, jak i o stałym napięciu wyjściowym. Stabilizatory zabezpieczono diodami likwidującymi skutki wystąpienia napięcia wyjściowego wyższego niż wejściowe.

Stabilizator napięcie regulowanego zabezpieczono dodatkową diodą D26. Podobne zabezpieczenie powinno być zastosowane dla pozostałych stabilizatorów z ustawianym napięciem. Diody takie można nalutować na rezystory w dzielnikach napięcia.

Zasilacz wykorzystuje trzy transformatory, z których po wyprostowaniu i filtrowaniu uzyskuje się napięcia stałe ±12 V, ±34 V i +40 V. Z nich uzyskuje się stabilizowane napięcia dostępne na wyjściach zasilacza. W wypadku napięć ±6/8/9 V i ±10/12/15 V na dodatkowe złącza wyprowadzono rezystory z obwodów dzielnika napięcia. Dzięki temu przełącznikiem 3-pozycyjnym 2-sekcyjnym można uzyskać jedno z trzech zdefiniowanych napięć.

Napięcie regulowane 0…40 V dostarcza LM317 pracujący w typowej aplikacji z tym, że „dolny” zacisk potencjometru wieloobrotowego dołączono nie do masy, lecz do napięcia –1,25 V uzyskanego w obwodzie D3-R13. Ujemne napięcie uzyskuje się z układu z kondensatorami C13/C14 i diodami D1/D2. Myślałem nad użyciem do regulacji wzmacniacza operacyjnego, wtedy skala regulacji byłaby liniowa. Niestety, wzmacniacze operacyjne zasilane napięciami wyższymi niż 35 V są trudno dostępne.

Przed każdym stabilizatorem zamontowano rezystor 0,22 V, na którym powstaje spadek napięcia zależny od pobieranego prądu. Taka metoda pomiaru ma wadę – uwzględnia prąd pobierany nie tylko przez obciążenie, ale również przez stabilizator. Oprogramowanie musi uwzględniać prąd polaryzacji stabilizatora odejmując go od wyniku pomiaru. Moduł zasilacza, poza złączami dla transformatorów i wyjściami napięciowymi, ma wyjścia pomiarowe J15 i J16. Na nich są obecne napięcia zasilaczy oraz zasilające moduły pomiarowe.

Możliwości zasilacza znaczenie wzrastają po wyposażeniu go w moduł pomiarowy, którego schemat ideowy pokazano na rysunku 2. Łączy się go zasilaczem taśmą FLAT 14 z wtykami FC14 łączącymi złącze J15a modułu miernika z J15 modułu zasilacza ze stabilizatorami. Moduł wyposażono w stabilizator 7805 i mikrokontroler z rodziny AVR. Steruje on wyświetlaczem tekstowym LCD 20 znaków × 4 linie oraz brzęczykiem i wentylatorem. Pomiar temperatury realizują termometry DS18B20, których może być maksymalnie 4. Kontrolowane napięcia są dzielone przez 10 rezystorami o oporności 180 kV i 20 kV (tolerancja 1%). Na wejście P1 (Reg) można podać napięcie ze stabilizatora 0….40 V. Trzeba pamiętać, aby w tej sytuacji połączyć masy obwodu +24 V i 0…40 V z masą ±5 V. Napięcie to jest mierzone z dwoma stopniami podziału. Uzyskuje się to przełączając źródło napięcia odniesienie z 2,56 V na 5 V. Dzięki temu pomiar napięcia do 20 V jest wykonywany z większą precyzją. Warto tu wspomnieć, że po zmianie napięcia odniesienia z wyższego na niższe nie zmienia się ono natychmiastowo i musi upłynąć trochę czasu, zanim kondensator filtrujący na wyprowadzeniu Aref mikrokontrolera rozładuje się.

Pomiar temperatury realizują termometry DS18B20. Wyjście mikrokotrolera obsługujące magistralę 1-Wire jest zabezpieczone układem U4 (DS9503). Wentylator jest zasilany za pomocą tranzystora T1, jeśli temperatura zmierzona przez któregokolwiek termometr przekroczy 80°C. Wyłączenie wentylatora nastąpi, gdy temperatura zmierzona przez wszystkie termometry spadnie poniżej 40°C. Obroty wentylatora mierzy wejście PCINT mikrokontrolera. Jest ono od niego odseparowane diodą D4, która zabezpiecza przed wystąpieniem napięcia +12 V, jeśli wentylator nie pracuje.

Moduł mikrokontrolera oblicza pobierany prąd na podstawie różnicy napięcia przed i za rezystorem pomiarowym. Nie jest to sposób najdokładniejszy, dlatego w dodatkowej karcie pomiarowej użyto wzmacniaczy różnicowych. Możliwy jest pomiar napięć +3,3 V, +5 V, +6/8/9 V i regulowanego 0…40 V. Aby mierzyć wszystkie dostępne napięcia i prądy z zachowaniem izolacji galwanicznej, potrzebna jest dodatkowa karta pomiarowa, podłączana do złącza J3. Jej opis będzie zamieszczony w jednym z kolejnych wydań EP.

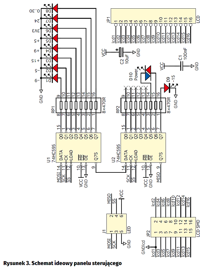
Do mikrokontrolera jest przyłączony wyświetlacz LCD (złącze J2) i diody LED (złącze J10) sterowane interfejsem SPI. Schemat ideowy panelu czołowego pokazano na rysunku 3. Od typowego SPI interfejs diod różni się tym, że strob jest ustawiany na chwilę po transmisji danych, a nie aktywowany przed transmisją i dezaktywowany po jej zakończeniu.

Montaż i uruchomienie

Schematy montażowe poszczególnych płytek wchodzących w skład zasilacza pokazano na rysunkach 4…6. Montaż jest typowy. Należy pamiętać o zastosowaniu izolatorów pomiędzy stabilizatorami a radiatorem. Izolację stabilizatora +5 V można, a nawet warto pominąć. Przy napięciu zasilającym 12 V w układzie może wydzielić się 21 W mocy. Jeśli jednak napięcie zasilające pod obciążeniem przekroczy 15 V, to wydzieli się więcej niż 30 W i w stabilizatorze włączy się zabezpieczenie termiczne.

Uruchomienie należy rozpocząć od modułu zasilacza kontrolując wszystkie napięcia wyjściowe. W następnym kroku montujemy moduł miernika. Mikrokontroler można zaprogramować po wlutowaniu interfejsem SPI lub JTAG. Ustawienie bitów konfiguracyjnych (Low=$E2, High=$99, Ext=$FC) pokazano na rysunku 7.

Zasilacz budowano z myślą o obudowie T433. Do niej też przystosowano wielkość płyty panelu czołowego. Z lewej strony przewidziano miejsce dla modułu pomiarowego. Panel czołowy ma obszar połączony do punktu oznaczonego „UZIOM”. Punkt ten można podłączyć do uziemienia. Ramkę wyświetlacza LCD warto połączyć z masą. Robi się ta na wyświetlaczu. Do tego celu producenci wyświetlaczy przewidują miejsce na zwory lub pola lutownicze. Sam wyświetlacz jest przylutowany do śrub M3 przylutowanych do PCB panelu.

Panel w 6 miejscach ma pola o wymiarach 50 mm×10 mm, do których można przylutować elementy mocujące. Panel czołowy zastępuje płytę czołową obudowy, ale oryginalna blacha stanowi wzmocnienie konstrukcji. Dlatego należy ją przeciąć, aby powstał kątownik. Do kątownika mocujemy panel czołowy na śruby/wkręty lub lutując do przeznaczonych na cen cel pul. Sam kątownik przykręcony jest od spodu obudowy.

W prototypie zastosowano dwa wentylatory: mały bezpośrednio na radiatorze sterowany z mikrokontrolera, drugi duży, na 12 V zasilany z 5 V. Zamontowany jest on z tyłu obudowy za radiatorem Pracuje cały czas na zmniejszonych obrotach, dzięki czemu prawie go nie słychać. Dodatkowo, zastosowałem przełącznik doprowadzający do stabilizatorów +24 V i napięcia regulowanego pełne napięcie lub połowę. Napięcie regulowane wyższe niż 15 V jest używane przeze mnie dość rzadko, podobnie jak +24 V. Zmniejszenie napięcia zasilającego o połowę pozwala na zmniejszenie strat mocy na stabilizatorach.

Kalibracja

W zaprezentowanym urządzeniu kalibracje można przeprowadzić dobierając rezystory lub ingerując w źródło programu. Przy zastosowaniu rezystorów o tolerancji 1% kalibracja nie wydaje się celowa. Prąd spoczynkowy stabilizatorów jest zdefiniowany w programie, ale można go zmienić. W tym celu, w nieobciążonym zasilaczu, należy zewrzeć na co najmniej 2 sekundy pin 1-2 złącza J1. Wtedy to usłyszymy sygnał buzzera, a na wyświetlaczu pojawi się stosowny komunikat. Prąd spoczynkowy zostanie zapamiętany w EEPROM i będzie odejmowany od wyniku pomiaru.

Obsługa

Obsługa samego zasilacza jest banalna, dlatego jej opis zostanie pominięty. Ważniejsze są informacje pokazywane na wyświetlaczu i oraz sygnalizowane za pomocą LED.

Po restarcie na wyświetlaczu zostaną wyświetlone następujące komunikaty:

- Data kompilacji: rok, miesiąc i dzień kompilacji programu.
- Liczba znalezionych układów 1-Wire przez liczbę sensorów DS18B20.

Po chwili zostanie pokazany ekran główny, a na nim wyniki pomiaru poszczególnych wyjść napięciowych:

- Napięcie zasilające obwody wytwarzające 3,3 V, ±5 V, ±6/8/9 V.
- Temperatura termometrów w stopniach Celsjusza.
- Napięcie wyjściowe i prąd stabilizatora +5 V; 6/8/9 V; 3,3 V; wyjścia napięcia regulowanego.

Prędkość obrotowa wentylatora w tysiącach obrotów na minutę. Symbol gwiazdki przedstawia animację obracających się łopatek, gdy wentylator pracuje.

W przypadku przekroczenia dopuszczalnych parametrów napięcia czy prądu wybrany napis na wyświetlaczu migocze. Podobnie w wypadku zatrzymania wentylatora (zbyt małych obrotów) w sytuacji, gdy powinien pracować. Alarmy i ostrzeżenia sygnalizowane przez zasilacz wyszczególniono w tabeli 1.

Uwagi końcowe

Obudowa T433, w której umieszczono prototyp jest metalowa. Dla bezpieczeństwa warto uziemić obudowę, jak zrobiono to w prototypie. Żadne obwody wtórne (za transformatorami) nie są połączone z uziemieniem. Uziemienie umożliwiło odprowadzenie ewentualnych ładunków ESD z obudowy do ziemi. Ponadto, wyprowadziłem uziemienie na śrubę M3, do której w prosty sposób mogę dołączyć matę ESD.

Transformatory są dość drogie. Zamiast nich można też użyć zasilaczy impulsowych od laptopów lub innych urządzeń – w obudowie jest dość dużo miejsca (lewa strona zarezerwowana na moduł pomiarowy). Sygnalizacja spadku napięcia wyjściu w sytuacji, gdy nie jest ono przeciążone, oznacza włączenie się zabezpieczenia termicznego stabilizatora. Ma to miejsce najczęściej, gdy stabilizator ma słaby kontakt z radiatorem.

Większe możliwości zasilacz będzie miał po zainstalowaniu dodatkowej karty wejść pomiarowych i interfejsu USB, które będą przedmiotem kolejnego artykułu.

ES2, EP

 


Artykuł ukazał się w
Elektronika Praktyczna
październik 2017
DO POBRANIA
Pobierz PDF Download icon
Elektronika Praktyczna Plus lipiec - grudzień 2012

Elektronika Praktyczna Plus

Monograficzne wydania specjalne

Elektronik listopad 2025

Elektronik

Magazyn elektroniki profesjonalnej

Raspberry Pi 2015

Raspberry Pi

Wykorzystaj wszystkie możliwości wyjątkowego minikomputera

Świat Radio listopad - grudzień 2025

Świat Radio

Magazyn krótkofalowców i amatorów CB

Automatyka, Podzespoły, Aplikacje listopad - grudzień 2025

Automatyka, Podzespoły, Aplikacje

Technika i rynek systemów automatyki

Elektronika Praktyczna listopad 2025

Elektronika Praktyczna

Międzynarodowy magazyn elektroników konstruktorów

Elektronika dla Wszystkich grudzień 2025

Elektronika dla Wszystkich

Interesująca elektronika dla pasjonatów