Monitor poziomu cieczy

Monitor poziomu cieczy
Pobierz PDF Download icon

Urządzenie monitoruje poziom cieczy w zbiorniku i automatycznie uruchamia np. pompę w celu wypompowania nadmiaru lub uzupełnienia poziomu cieczy. Nie wymaga dodatkowych czujników – tę funkcję pełnią przewody zanurzone w cieczy, za to wymaga, aby ciecz chociaż w niewielkim stopniu przewodziła prąd elektryczny. Rekomendacje: monitor przyda się do utrzymywania stałego poziomu wody w zbiorniku.

Podstawowe parametry:
  • Dwupoziomowa kontrola cieczy w zbiorniku.
  • Czujniki w postaci trzech elektrod (przewodów).
  • Działa z cieczami przewodzącymi prąd.
  • Automatyczne włączanie pompy lub elektrozaworu.
  • Dwa tryby pracy: uzupełnianie poziomu lub odpompowywanie nadmiaru cieczy.
  • Maksymalne parametry obciążenia 230 V AC/5 A.
  • Zasilanie 12 V/0,2 A.
  • Wymiary 84 mm×34 mm.

Urządzenie wymaga zamontowania w zbiorniku trzech przewodów z odizolowanymi końcówkami. Pierwszy będzie pełnił funkcję elektrody głównej (dalej będzie nazywany elektrodą V) i powinien być umieszczony najgłębiej ze wszystkich, tak by zawsze był zanurzony. Drugi przewód (elektroda L) musi sięgać do poziomu zbiornika, który ustalimy poziomem minimalnym i musi znajdować się powyżej końca elektrody V. Trzeci przewód (elektroda H) musi sięgać do poziomu zbiornika, który ustalimy poziomem maksymalnym i musi znajdować się powyżej końca elektrody L.

Urządzenie może działać w jednym z dwóch trybów. Pierwszy to sterownik uzupełniający poziom cieczy – wtedy wyjście zostanie załączone, gdy poziom cieczy spadnie poniżej elektrody „L”, a zakończenie pracy nastąpi, gdy poziom cieczy osiągnie poziom elektrody „H”. Drugi tryb będzie sterownikiem chroniącym przed zalaniem – wtedy wyjście zostanie załączone, gdy poziom cieczy dosięgnie elektrody „H”, a zakończenie pracy nastąpi, gdy poziom cieczy spadnie poniżej elektrody „L”.

Urządzenie ma dodatkową funkcjonalność – umożliwia ustawienie maksymalnego czasu załączenia wyjścia. Uzasadnienie nie jest skomplikowane – urządzenia elektroniczne „nie lubią” cieczy, wilgotne środowisko sprzyja powstawaniu awarii. W razie takiej awarii albo spowodujemy przelanie zbiornika, albo pracę pompy „na sucho”, a zaimplementowane zabezpieczenie czasowe pozwoli na uniknięcie lub chociaż ograniczenie szkód.

Ważną cechą urządzenia jest sygnalizowanie stanów awaryjnych, czyli jednej z następujących sytuacji:

  • Pierwsza, gdy z elektrody „H” jest odczytywany sygnał osiągnięcia poziomu cieczy, a z elektrody „L” jest brak takiego sygnału.
  • Druga, gdy sygnał na elektrodzie „H” lub „L” jest stały. Sygnał na elektrodzie „V” występuje cyklicznie i tak samo powinien występować na pozostałych elektrodach.
  • Trzecia sytuacja, gdy wyjście zostało wyłączone poprzez upływ maksymalnego czasu, a nie sygnałem z elektrod. Stany awaryjne sygnalizowane są szybkim miganiem LED D6.

Bezpieczeństwo użytkowania urządzenia zapewnia mała wartość napięcia zasilania wynosząca 12 V. Dodatkowo obwody elektrod zostały zaprojektowano w taki sposób, aby przepływał przez nie znikomy prąd, a wyjście urządzenia jest galwanicznie odseparowane przekaźnikiem.

Budowa i montaż urządzenia

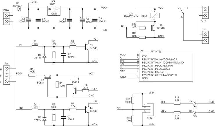
Schemat ideowy urządzenia pokazano na rysunku 1. Podzielony jest na kilka nieskomplikowanych bloków. Złącze oznaczone POW służy do dołączenia zasilania urządzenia. Wartość tego napięcia powinna wynosić ok. 12 V, a wydajność prądowa przynajmniej 0,2 A. Złącze SW służy do przyłączenia trzech przewodów – elektrod „H”, „V” i „L”. Złącza IN oraz OUT to obwód wykonawczy, służą do przyłączenia zasilania do odbiornika (IN) oraz odbiornika (OUT). Obwód wykonawczy umożliwia dołączenie zaworu elektromagnetycznego z zasilaniem 24 V DC lub pompy zasilanej 230 V AC albo dowolnego innego urządzenia o mocy nieprzekraczającej 1 kW.

Rysunek 1. Schemat ideowy kontrolera poziomu cieczy

Najważniejszego elementu urządzenia nie widać na schemacie – jest to program sterujący zapisany do pamięci mikrokontrolera. Głównym zadaniem realizowanym przez program jest sprawdzanie stanu elektrod. Jest ono wykonywane cyklicznie co ok. 1 sekundę i wtedy na elektrodzie głównej „V” występuje dodatni biegun zasilania – napięcie ok. 12 V. Świeci się wtedy LED D6. Jeśli któraś z pozostałych elektrod jest zanurzona w cieczy, to również na niej występuje napięcie dodatnie. Sygnały z elektrod są filtrowane i formowane w obwodach z tranzystorami T1 i T4, a następnie trafiają do wejść mikrokontrolera.

W zależności od stanów na elektrodach oraz wybranego trybu pracy, program decyduje o załączeniu wyjścia.

Urządzenie zmontowano na płytce jednostronnej z elementami przewlekanymi, dlatego montaż nie jest trudny i przebiega zgodnie z ogólnymi zasadami. Schemat montażowy pokazano na rysunku 2. Zmontowana płytka mieści się np. w obudowie na szynę Z107.

Rysunek 2. Schemat montażowy kontrolera poziomu cieczy

Uruchomienie

Po zmontowaniu urządzenie wymaga przeprowadzenia konfiguracji. Wybór trybu pracy jest dokonywany przez odpowiednie ustawienie zworki na szpilkach oznaczonych CFG. Na płytce oznaczone są położenia „P” oraz „W”. Jeśli zworka znajduje się w pozycji „P”, to urządzenie pracuje w trybie uzupełnia poziomu cieczy. Jeśli zworka znajduje się w położeniu „W”, to jest aktywny tryb wypompowywania nadmiaru cieczy. Jeśli urządzenie zostanie uruchomione bez zworki na szpilkach CFG, to wejdzie w tryb programowania czasu załączenia wyjścia. Niezależnie od poziomu cieczy i stanu na elektrodach, po 2…3 sekundach zostanie załączone wyjście urządzenia. Stan taki będzie trwał dopóty, dopóki nie zostanie założona zworka na szpilki CFG, czas tego stanu będzie mierzony i na koniec zostanie zapamiętany w pamięci nieulotnej mikrokontrolera. Po takim zabiegu urządzenie będzie pracowało tak jak wcześniej, ale jeśli wyjście będzie załączone dłużej, niż zaprogramowano, to zostanie wyłączone niezależnie od stanu elektrod. Czas załączenia jest mierzony z rozdzielczością ok. 1 sekundy, a maksymalna wartość wynosi ok. 18 godzin i taka jest domyślna wartość.

Rysunek 3. Schemat ideowy kompletnego systemu

Po ustawieniu trybu pracy i czasu załączenia urządzenie jest gotowe do zamontowania w docelowym systemie, schemat przykładowego systemu pokazano na rysunku 3. W czasie normalnej pracy LED D6 miga cyklicznie co ok. 1 sekundę, sygnalizując aktywność, a gdy załączone jest wyjście, dodatkowo świeci się LED D5. Jeśli zostanie wykryty stan awaryjny, to działanie urządzenia nie zostaje zablokowane, ale częstotliwość migania LED D6 jest podwojona.

KS

Wykaz elementów:
Rezystory:
  • R1, R2, R5, R7, R8, R11, R14, R15: 100 kΩ
  • R4: 100 Ω
  • R3, R6, R9, R10, R12, R13: 2,7 kΩ
Kondensatory:
  • C2, C3, C5…C7: 100 nF
  • C1, C4: 100 µF
Półprzewodniki:
  • D1, D4: 1N4007
  • D2, D3: 12 V
  • D5, D6: LED 3 mm
  • T1, T3, T4, T5: BC548
  • T2: BC577
  • IC1: 78L05
  • IC2: ATtiny25
Pozostałe:
  • Zw: zworka 2 szt.
  • CFG: goldpin 1×3 + jumper
  • REL1: przekaźnik JQC3FF 12 V
  • POW, SW, In, OUT: złącza typu DG
Artykuł ukazał się w
Elektronika Praktyczna
maj 2017
DO POBRANIA
Pobierz PDF Download icon
Materiały dodatkowe
Elektronika Praktyczna Plus lipiec - grudzień 2012

Elektronika Praktyczna Plus

Monograficzne wydania specjalne

Elektronik listopad 2025

Elektronik

Magazyn elektroniki profesjonalnej

Raspberry Pi 2015

Raspberry Pi

Wykorzystaj wszystkie możliwości wyjątkowego minikomputera

Świat Radio listopad - grudzień 2025

Świat Radio

Magazyn krótkofalowców i amatorów CB

Automatyka, Podzespoły, Aplikacje listopad - grudzień 2025

Automatyka, Podzespoły, Aplikacje

Technika i rynek systemów automatyki

Elektronika Praktyczna listopad 2025

Elektronika Praktyczna

Międzynarodowy magazyn elektroników konstruktorów

Elektronika dla Wszystkich grudzień 2025

Elektronika dla Wszystkich

Interesująca elektronika dla pasjonatów