Pogłos analogowy

Pogłos analogowy
Pobierz PDF Download icon
Po wzmocnieniu sygnału i korekcie w funkcji amplitudy w kompresorze, czas na modyfikację sygnału w dziedzinie czasu. Podstawowym efektem spotykanym już kilkadziesiąt lat temu był reverb (pogłos) sprężynowy. Jego zadaniem jest symulowanie odbić dźwięku w pomieszczeniu. Nadaje to - w zależności od zastosowania - wrażenie przestrzenności i wzmocnienia brzmienia pojedynczego instrumentu lub wokalu poprzez zmiksowanie sygnału obrobionego "Wet" z sygnałem nieprzetworzonym "Dry". Rekomendacje: pogłos może być używany niezależnie lub stanowić część domowego studia nagrań.

Przedstawiony pogłos jest kolejnym, „czysto” analogowym elementem toru domowego studia nagrań. Sercem układu jest pokazana na fotografii 1 sprężyna pogłosowa. 

Sprężyna pogłosowa to nieskomplikowany przetwornik elektromechaniczny, mający dwie cewki: wejściową – nadawczą i wyjściową – odbiorczą. Pomiędzy cewkami rozpięta jest sprężyna (lub zestaw sprężyn), której końce są zaopatrzone w niewielkie magnesy stałe. Są one wsunięte do wnętrza cewek pełniąc funkcję ich rdzeni. Po doprowadzeniu do cewki wejściowej sygnału elektrycznego (akustycznego) sprężyna zostaje wprawiona w drgania, które z pewnym opóźnieniem, zależnym od parametrów sprężyny, transmitowane są do cewki odbiorczej, gdzie zmieniające się pole magnetyczne jest przetwarzane na napięcie. Każde wymuszenie powoduje powstawanie tłumionych oscylacji, które po przetworzeniu na prąd, odpowiadają odbiciom pierwotnego wymuszenia, symulując zjawisko pogłosu.

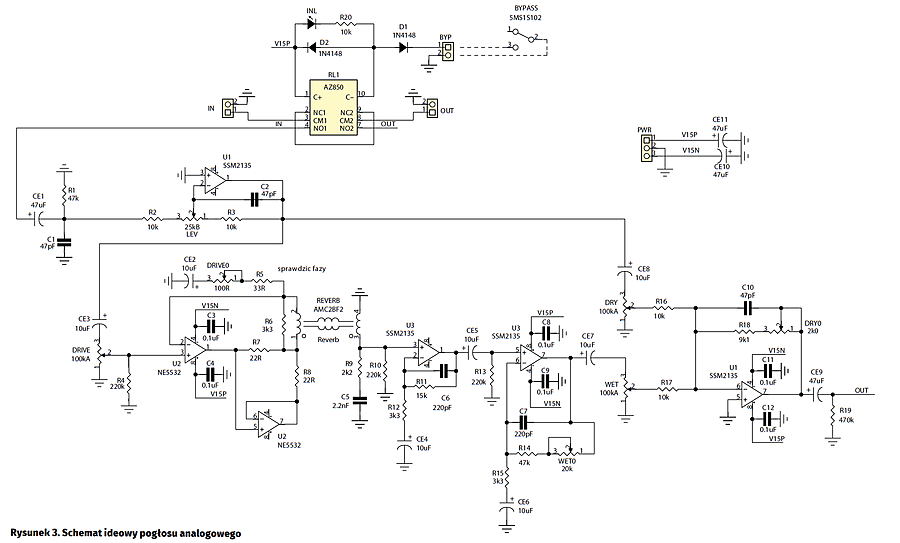
Schemat ideowy układu pogłosu pokazano na rysunku 3. Do gniazda wejściowego IN jest doprowadzony sygnał DRY. Podobnie jak w pozostałych modułach, sygnał BYP (bypass), doprowadzony do złącza BYP, służy do przełączenia sygnału DRY bezpośrednio na wyjście OUT pogłosu, gdy urządzenie jest nieaktywne. Po dopasowaniu poziomu wejściowego we wzmacniaczu U1-1 (potencjometr LEV) sygnał jest rozdzielany i doprowadzony kolejno do drivera sprężyny pogłosowej U2 i miksera sumującego DRY/WET. Sygnał DRY jest doprowadzony do drivera sprężyny. Potencjometr DRIVE umożliwia zmianę poziomu sygnału wejściowego wzmacniacza sterującego cewką nadajnika sprężyny pogłosowej. Ze względu na niską impedancję zastosowanej sprężyny (150 V), wzmacniacze operacyjne dla zwiększenia prądu wyjściowego pracują w układzie sumującym ich prądy wyjściowe na wspólnym obciążeniu. Potencjometr montażowy DRIVE0 umożliwia dopasowanie poziomu sygnału, aby na wyjściu sprężyny uzyskać niezniekształcony sygnał o maksymalnym poziomie.

Sygnał z cewki odbiorczej po dopasowaniu (rezystor R9, kondensator C5) jest doprowadzony do dwustopniowego, niskoszumowego wzmacniacza napięciowego z układem U3 (SSM2135). W drugim stopniu jest możliwa regulacja wzmocnienia, aby zapewnić równe poziomy sygnałów DRY/WET na wejściu do miksera efektowego. Mikser wykonano z użyciem układu U1-2. Potencjometry WET/DRY umożliwiają ustawienie proporcji sygnałów. Potencjometr DRY0 umożliwia ustawienie wzmocnienia jednostkowego toru.

Do złącza PWR jest doprowadzone zasilanie ±15 V/100 mA. Dioda świecąca INL sygnalizuje włączenie układu w tor sygnału.

Mikser zmontowano na niewielkiej płytce drukowanej. Jej schemat montażowy pokazano na rysunku 2. Poza płytką znajduje się przełącznik BYPASS i sprężyna pogłosowa. Po poprawnym zmontowaniu, którego sposób jest typowy i nie wymaga opisywania, układ należy wyregulować. Z rezystorami o wartościach podanych na schemacie układ współpracuje ze sprężyną Zwe=150 V/Zwy=1500 V. Po korektach jest możliwa współpraca ze sprężynami z zakresu 200…600 V. Dla sprężyn o impedancji wejściowej 600 V należy dobrać rezystor R6 z zakresu ok. 10…13 kV, a rezystor R2 – 220…390 V. Dokładne wartości należy ustalić eksperymentalnie. Rezystancję R9 i pojemność C5 należy skorygować zgodnie z zaleceniami producenta. Czułość układu można dostosować do cewki wyjściowej poprzez zmianę rezystorów R12 i R15.

Jeżeli nie ma błędów montażowych, do wejścia układu należy przyłączyć generator przebiegu sinusoidalnego o częstotliwości 1 kHz i napięciu 0,775 Vrms. Wyjście należy obciążyć rezystorem 10 kV i dołączyć do oscyloskopu. Potencjometry ustawić w następujący sposób:

- DRY ustawić w prawe skrajne (DRY = 100%),
- WET w lewe skrajne (WET = 0%),
- DRIVE w lewe skrajne położenie (DRIVE = 0%),
- LEV w położenie środkowe.

Po włączeniu układu przełącznikiem BYPASS powinna zaświecić się dioda INL. Potencjometrem LEV0 należy ustalić identyczny poziom sygnału wejściowego i wyjściowego (wzmocnienie statyczne 1 V/V), aby przełączanie BYPASS nie zmieniało poziomu sygnału. Następnie skręcić potencjometr DRY=0% (w lewo), WET=100% (w prawo), Drive=100% (w prawo). Do wyjścia U3-1 pin 1 dołączyć oscyloskop i potencjometrem montażowym DRIVE0 ustawić maksymalny niezniekształcony (obcinanie) sygnał wyjściowy. Należy zwrócić uwagę na izolację sprężyny od drgań i pól magnetycznych mogących uniemożliwić lub utrudnić regulację. Uwaga dotyczy też ostatecznego montażu sprężyny, którą należy umieścić możliwie daleko od pól magnetycznych, np. odsunąć od transformatora zasilającego, zastosować odpowiednie ekranowanie obudowy i przewodów połączeniowych, a w wypadku sprężyn w metalowych obudowach, połączenie masy obudowy z masą układu. Podczas montażu koniecznie trzeba używać gumowych tłumików wibracji (dołączonych w komplecie do sprężyny). Wybierając typ sprężyny, podyktowany m.in. czasem pogłosu, należy zwrócić uwagę, aby przetwornik wejściowy nie był połączony z masą obudowy – większość sprężyn umożliwia ewentualną korektę połączeń poprzez odpowiednie przelutowanie zwór. Inaczej wzmacniacz sterujący nie będzie działał poprawnie.

Ostatnią regulacją w układzie jest regulacja wzmocnienia toru WET. Przy potencjometrach DRIVE=100%, DRY=0% i WET=100% należy ustawić jednakowy poziom sygnału wejściowego i wyjściowego potencjometrem montażowym WET0. Tak wyregulowany układ jest gotowy do pracy.

Pozostaje tylko życzyć przestrzennego brzmienia!

Adam Tatuś, EP

Artykuł ukazał się w
Elektronika Praktyczna
marzec 2017
DO POBRANIA
Pobierz PDF Download icon
Elektronika Praktyczna Plus lipiec - grudzień 2012

Elektronika Praktyczna Plus

Monograficzne wydania specjalne

Elektronik listopad 2025

Elektronik

Magazyn elektroniki profesjonalnej

Raspberry Pi 2015

Raspberry Pi

Wykorzystaj wszystkie możliwości wyjątkowego minikomputera

Świat Radio listopad - grudzień 2025

Świat Radio

Magazyn krótkofalowców i amatorów CB

Automatyka, Podzespoły, Aplikacje listopad - grudzień 2025

Automatyka, Podzespoły, Aplikacje

Technika i rynek systemów automatyki

Elektronika Praktyczna listopad 2025

Elektronika Praktyczna

Międzynarodowy magazyn elektroników konstruktorów

Elektronika dla Wszystkich grudzień 2025

Elektronika dla Wszystkich

Interesująca elektronika dla pasjonatów