Powerbank 14,4 V. Nowoczesny moduł zasilania bezprzerwowego z superkondensatorami

Powerbank 14,4 V. Nowoczesny moduł zasilania bezprzerwowego z superkondensatorami
Pobierz PDF Download icon

Wydaje się, że w niedalekiej przyszłości akumulatory, królujące w wielu zastosowaniach, mogą być zastąpione przez wydajne superkondensatory, mające – w przeciwieństwie do akumulatorów – praktycznie nieograniczoną trwałość. Za przykład niech posłuży opisywana aplikacja. Rekomendacje: do samodzielnego eksperymentowania z technologią ELDC, np. w układach zasilania buforowego, bezprzerwowego, magazynowania energii i innych.

Podstawowe parametry:
  • Złożony z 6 połączonych szeregowo kondensatorów o pojemności 300 F (SAMWHA DB) i napięciu znamionowym 2,7 V.
  • Łączna pojemność 50 F, dopuszczalne napięcie pracy 16 V.
  • Teoretyczna wydajność 4400J (1,2 Wh).
  • Wbudowany balanser zapewniający równomierny rozkład ładunku oraz zabezpieczenie przed uszkodzeniem.

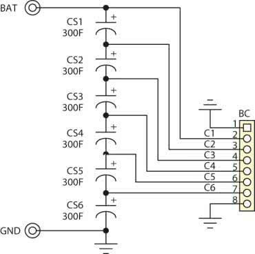
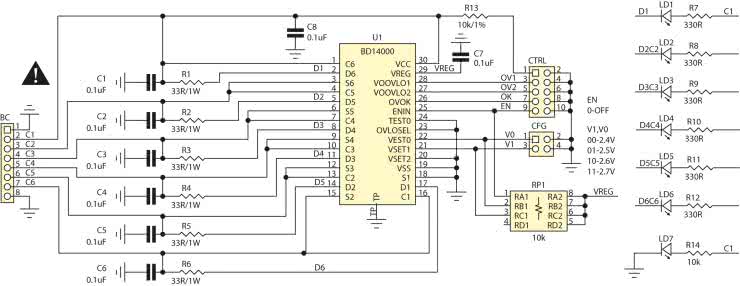
Schemat ideowy proponowanego rozwiązania podzielono na dwa bloki funkcjonalne – baterię kondensatorów oraz balanser. Ich schematy ideowe pokazano na rysunkach 1 i 2.

Rysunek 1. Schemat ideowy baterii kondensatorów
Rysunek 2. Schemat ideowy modułu balansera

Jak wspomniano, urządzenie jest złożone z:

  • Zespołu połączonych szeregowo kondensatorów CS1…CS6 o pojemności 300 F/2,7 V (SAMWHA DB). W takiej konfiguracji bateria ma łączną pojemność 50 F i dopuszczalne napięciu pracy 16 V. Daje to teoretycznie możliwość zgromadzenia 4400 J (około 1,2 Wh) przechowywanej energii.
  • Bloku balansera zapewniającego równomierny rozkład napięcia na kondensatorach i zabezpieczającego je przed uszkodzeniem w wyniku przekroczenia dopuszczalnego napięcia pracy.

Superkondensatory, w przeciwieństwie do akumulatorów, wykazują się dużą odpornością na temperaturę (temperaturowy zakres pracy -25…70°C), możliwością szybkiego ładowania, małą rezystancją wewnętrzną, bardzo dużym prądem rozładowania, możliwością rozładowania do 0 V i praktycznie nieograniczoną liczbą cykli pracy. Niestety, aby nie było zbyt „różowo”, mają także wady. Należą do nich duże gabaryty, małe napięcie znamionowe i wrażliwość na jego przekroczenie, wysoka cena i najpoważniejsza – samorozładowanie. Taki zestaw cech ogranicza ich zastosowania, ale nie jest też przeszkodą, aby z nimi nie poeksperymentować np. w przy zastępowaniu akumulatorów lub w poprawie ich osiągów. Szczególnie dobrze sprawdzają się w układach hybrydowych, gdzie uzupełniając się z akumulatorem, odpowiadają za chwilową dużą wydajność prądową układu pozwalając na dobranie akumulatora o mniejszym dopuszczalnym prądzie rozładowania.

W celu zabezpieczenia akumulatorów przed nierównomiernym rozkładem napięcia zastosowano układ U1 typu BD14400 firmy ROHM. Zawiera on układ balansera z wbudowanymi tranzystorami wykonawczymi, co znacząco upraszcza budowę urządzenia. „Nadwyżki” mocy wytracane są na kluczowanych rezystorach R1…R6 ustalających prąd balansowania (ok. 85 mA). Równolegle do każdego z rezystorów jest dołączona dioda LED (LD1…LD6) sygnalizująca aktywność balansera dla każdego kondensatora składowego. Układ ma możliwość ustalenia napięcia balansowania poprzez zmianę stanów wyprowadzeń VSETx. W modelu dopuszczalne napięcie na kondensatorze ustalano w zakresie 2,4…2,7 V co 100 mV poprzez odpowiednie położenie zwór w złączu CFG, co ułatwia zastosowanie innych typów kondensatorów magazynujących. W wypadku współpracy z typowymi ładowarkami akumulatorów żelowych o napięciu 13,6…14,4 V można bezpiecznie ustalić napięcie balansowania na 2,4…2,5 V.

Dioda LD7 sygnalizuje napięcie na kondensatorach. Co prawda, zwiększa ona samorozładowanie baterii, ale dobrze wiedzieć, że w kondensatorach jest zgromadzona energia, gdyż skutki przypadkowego, nieostrożnego zwarcia baterii mogą być opłakane.

Na złącze CTRL doprowadzono sygnały sterujące i monitorujące pracę kondensatorów i balansera. Do wyprowadzenia 1 doprowadzono rzez rezystor 10 kΩ/1% napięcie z baterii, przeznaczone do układu pomiaru napięcia. Wartość rezystora należy uwzględnić w obliczeniach dzielnika pomiarowego. Sygnał EN=1 aktywuje pracę balansera i powinien być używany do wyłączenia układu przy zaniku zasilania sieciowego lub wyłączeniu ładowarki. Balanser normalnie jest aktywny, zapewnia to rezystor RP podciągający sygnał EN do wewnętrznego zasilania. Sygnał „OK” potwierdza sprawność układu balansowania (Selftest), sygnały OV1 i OV2 sygnalizują stan awaryjny tj. przekroczenie napięcia na dowolnym kondensatorze w porównaniu z wartością ustaloną zworami CFG, OV1>0,15 V, OV2>0,3 V. Sygnały EN, V0, V1 podwieszone są do wewnętrznego napięcia zasilania (3,6…5 V) przez rezystor RP1. Wejście EN powinno być sterowane z wyjścia OC/OD.

Układ BD14400 ma obudowę HTSSOP30 z wkładką radiatorową, ułatwiająca rozpraszanie traconej w tranzystorach kluczujących mocy. Płytka balansera jest wlutowana bezpośrednio w płytkę kondensatorów. Wyprowadzenie baterii ze względu na dopuszczalny prąd ładowania/rozładowania (budowa płytki dopuszcza prąd do 15 A) wykonane jest z typowych blaszek 6,3 mm.

Układ baterii kondensatorów zmontowano na dwustronnej płytce drukowanej. Jej schemat montażowy pokazano na rysunku 3, a płytki balansera na rysunku 4. Montaż układu nie wymaga opisu, należy zadbać o poprawne przylutowanie pada termicznego U1, można także dokleić do niego niewielki radiator SO. Prawidłowo zmontowany moduł przedstawia fotografia tytułowa. Płytka kondensatorów ma odpowiednią liczbę otworów montażowych dla pewnego zamocowania w zasilanym urządzaniu. Warto pamiętać także o odpowiednim zabezpieczeniu wyprowadzeń kondensatorów przed przypadkowym zwarciem poprzez montaż płytki na kołkach dystansowych h>8m i osłonięciu spodu płytki kawałkiem płytki izolacyjnej.

Rysunek 3. Schemat montażowy baterii kondensatorów
Rysunek 4. Schemat montażowy modułu balansera
Uwaga! Podczas pracy z superkondensatorami należy pamiętać o ich małej rezystancji wewnętrznej, naładowana bateria podczas przypadkowego zwarcia może doprowadzić do pożaru. Obowiązkowo w szereg z zasilaniem należy wyłączyć bezpiecznik samochodowy 16 A o odpowiedniej zdolności łączeniowej.

Po sprawdzeniu poprawności montażu, układ jest gotowy do pracy. Do ładowania można użyć większości ładowarek, zasilaczy impulsowych z ograniczeniem prądu, dopuszczających chwilową pracę ze zwartym wyjściem (zabezpieczenie Hiccup lub stałe ograniczenie prądowe) lub zastosować dobrany do prądu ładowania rezystor szeregowy (uwaga na traconą moc). W przypadku łączenia z akumulatorem żelowym, należy pamiętać także o rezystorze szeregowym lub aktywnym ograniczeniu prądu, aby nie zwierać akumulatora rozładowanym kondensatorem.

Adam Tatuś, EP

Wykaz elementów:
Rezystory: (SMD 0805)
  • R1…R6: 33 Ω/1 W (SMD 2512)
  • R7…R12: 330 Ω
  • R13: 10 kΩ/1%
  • R14: 10 kΩ
  • RP1: 10 kΩ (CRA06S08)
Kondensatory:
  • C1…C8: 0,1 µF (SMD 0805)
  • CS1…CS6: 300 F/2,7 V (kondensator Samwha DB EDLC)
Półprzewodniki:
  • LD1…LD7: dioda LED SMD, 0805
  • U1: DB14000 (HTSSOP-B30)
Pozostałe:
  • BC: złącze SIP8 kątowe
  • CFG: złącze IDC4 + 2 zwory
  • CTRL: złącze IDC10
  • BAT, GND: FS1536 (konektor 6,3 mm)
Artykuł ukazał się w
Elektronika Praktyczna
styczeń 2017
DO POBRANIA
Pobierz PDF Download icon
Materiały dodatkowe
Elektronika Praktyczna Plus lipiec - grudzień 2012

Elektronika Praktyczna Plus

Monograficzne wydania specjalne

Elektronik listopad 2025

Elektronik

Magazyn elektroniki profesjonalnej

Raspberry Pi 2015

Raspberry Pi

Wykorzystaj wszystkie możliwości wyjątkowego minikomputera

Świat Radio listopad - grudzień 2025

Świat Radio

Magazyn krótkofalowców i amatorów CB

Automatyka, Podzespoły, Aplikacje listopad - grudzień 2025

Automatyka, Podzespoły, Aplikacje

Technika i rynek systemów automatyki

Elektronika Praktyczna listopad 2025

Elektronika Praktyczna

Międzynarodowy magazyn elektroników konstruktorów

Elektronika dla Wszystkich grudzień 2025

Elektronika dla Wszystkich

Interesująca elektronika dla pasjonatów