THAT4301 - kompresor audio

THAT4301 - kompresor audio
Pobierz PDF Download icon

Kompresor jest podstawowym blokiem używanym w obróbce i rejestracji sygnału audio. Kształtuje go poprzez redukcję sygnałów o zbyt dużej dynamice, przez co uwypukla sygnały o niższym poziomie, poprawiając zrozumiałość brzmienia, o ile nie przesadzi się ze współczynnikiem kompresji.
Rekomendacje: rozpoczynamy cykl artykułów opisujących moduły audio przydatne w domowym studiu nagrań lub systemie nagłośnienia wykonanym w typowy, „analogowy” sposób.

Podstawowe parametry:
  • Zasilanie ±15 V DC/200 mA.
  • Bazuje na układzie THAT4301 firmy THAT Corporation.
  • Kompresja poziomu sygnału w zakresie od 1:1 do teoretycznej nieskończoności.
  • Możliwość dopasowania parametrów modułu poprzez wymianę elementów RC.
  • Możliwość szeregowego łączenie kompresorów.
  • Omijanie toru po wyłączenie zasilania (przekaźnik „bypass”).

Kompresor audio działa w następujący sposób: sygnał po dostosowaniu poziomu wejściowego (INPUT) jest porównywany do regulowanego poziomu odniesienia (TRESHOLD). Jeżeli poziom sygnału jest niższy od ustawionego progu, sygnał jest przekazywany na wyjście bez modyfikacji. Jeżeli poziom sygnału przekracza próg, układ zmienia wzmocnienie i na wyjście jest przekazywany sygnał o zmienionej amplitudzie, zależnej od ustawionego współczynnika kompresji (COMPRESSION RATIO). Przy kompresji 1:1, czyli tak naprawdę – braku kompresji, na każdy 1 dB sygnału wyjściowego przypada 1 dB sygnału wyjściowego. Przy kompresji 4:1, każde 4 dB sygnału wejściowego przekraczającego próg zadziałania zostaną zredukowane do 1 dB sygnału wyjściowego itd. (rysunek 1).

Rysunek 1. Zasada działania kompresora dynamiki

Dodatkowym parametrem kompresji jest możliwość ustawienia czasu (TIME), po którym następuje redukcja. Umożliwia to dostosowanie szybkości reakcji kompresora na sygnał wejściowy. Im krótszy czas reakcji, tym szybciej kompresor reaguje na przekroczenie progu. W związku z redukcją amplitudy sygnału po kompresji konieczne jest jego wzmocnienie, aby wyrównać poziomy sygnału w torze – w tym urządzeniu służy do tego potencjometr GAIN (MAKE-UP).

Opisany kompresor jest oparty o układ VCA (wzmacniacza o napięciowo regulowanym wzmocnieniu). W odróżnieniu od kompresorów opartych o tranzystory FET (trudno już dzisiaj dostępne BF245A, np.: legendarny UREI1176) lub kompresorów optycznych (np.: z fotorezystorem VTL5x lub fotocelą, jak Teletronix LA-2) wyróżnia się nieskomplikowaną budową oraz dobrymi, powtarzalnymi parametrami.

Do realizacji kompresora zastosowano specjalizowany układ THAT4301 zawierający (rysunek 2) wszystkie niezbędne bloki: wzmacniacz o regulowanym wzmocnieniu VCA, prostownik i detektor RMS oraz pomocnicze wzmacniacze operacyjne. Dzięki temu układ wymaga tylko kilkunastu elementów zewnętrznych.

Rysunek 2. Struktura wewnętrzna THAT4301 (za notą THAT Corporation)

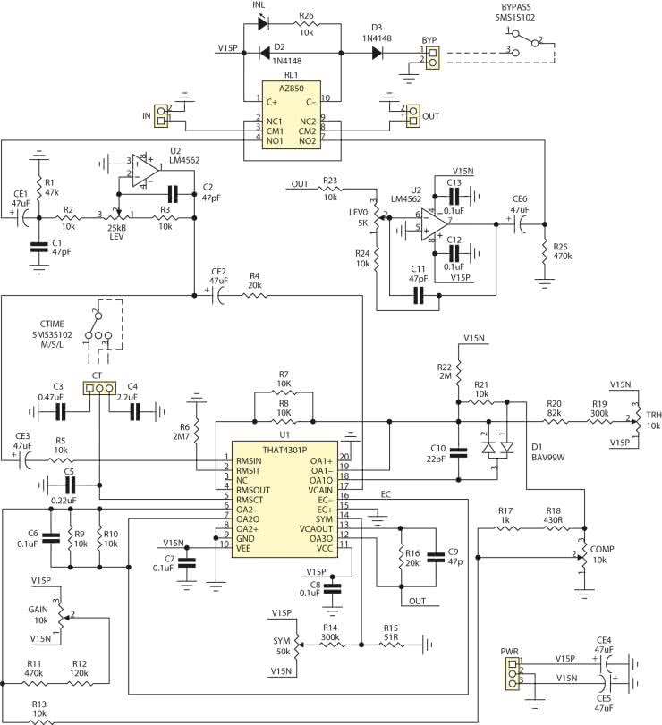
Schemat ideowy modułu kompresora pokazano na rysunku 3. Sygnał wejściowy z gniazda IN jest doprowadzony stopnia o regulowanym wzmocnieniu ze wzmacniaczem U2. Układ umożliwia dopasowanie potencjometrem „LEV” czułości wejściowej w zakresie ok. ±10 dB. Przekaźnik RL1 jest odpowiedzialny za omijanie kompresora, przekazując sygnał z wejścia na wyjście, bez jakiejkolwiek zmiany, gdy kompresor jest pozbawiony zasilania (ułatwia to budowę torów szeregowych) lub gdy jest wyłączony przełącznikiem „BYPASS” podłączonym do złącza „BYP”. Pracę kompresora w torze audio sygnalizuje dioda „INL”. Sygnał po dopasowaniu wzmocnienia w U2-1 jest doprowadzony poprzez kondensator CE5 do wejścia układu VCA (U1) i przez CE3 na detektor RMS (U1). Parametry czasowe detektora RMS ustalane są elementami R6, C3…C5. Czas odpowiedzi jest równy t=0,026×C(pin5)/I(pin2), gdzie: I(pin2)=Vcc/R6, Vcc=15 V.

Rysunek 3. Schemat ideowy kompresora

W modelu czasy są dobrane uniwersalnie na 1 ms (220 nF), 3,3 ms (220 nF+470 nF) oraz 11 ms (220 nF+2,2 μF). Czas reakcji jest wybierany przełącznikiem 3-pozycyjnym dołączonym do złącza CTIME w zależności od rodzaju kompresowanego materiału (mowa, perkusja i inne). Oczywiście, jest możliwa zmiana czasów pod kątem własnych potrzeb. Należy przy tym zastosować kondensatory o małej upływności – przy dłuższym czasie mogą być to kondensatory elektrolityczne dołączone wyprowadzeniem „minus” do masy układu.

Sygnał z detektora RMS jest doprowadzony do wzmacniacza OA1 pełniącego funkcję komparatora o regulowanym potencjometrem „TRH” progu zadziałania „Treshold”. Zadaniem układu jest ustalenie (regulowanego) progu, poniżej którego kompresja jest wyłączona (nie wpływa na sygnał). Dalej, sygnał jest podawany na potencjometr COMP ustalający głębokość kompresji od 1:1 do teoretycznej nieskończoności. Do sygnału sterującego jest dodawany sygnał z potencjometru „GAIN” (MakeUp) umożliwiający regulację statycznego wzmocnienia w zakresie ±20 dB, a dalej, poprzez wzmacniacz OA2 do wejścia sterującego VCA. Wyjście VCA pracuje z sygnałem prądowym. Wzmacniacz OA3 pełni rolę konwertera prąd/napięcie. Z wyjścia OA3 poprzez stopień odwracający (by zachować zgodność fazy we-wy) jest doprowadzony do zacisków wyjściowych „OUT”. Potencjometr wieloobrotowy „SYM” służy do symetryzacji stopni regulacyjnych VCA, a i co z tym związane, do regulowania poziomu zniekształceń statycznych kompresora. Potencjometr LEV0 służy do ustalenia jednostkowego wzmocnienia kompresora.

Moduł jest zasilany napięciem symetrycznym ±15 V/200 mA doprowadzonym do złącza PWR.

Kompresor zmontowano na niewielkiej płytce drukowanej, której schemat montażowy pokazano na rysunku 4.

Rysunek 4. Rozmieszczenie elementów płytki kompresora

Poza płytką są zamontowane przełączniki „BYPASS” i „CTIME”. Po poprawnym montażu moduł wymaga regulacji. Polecam stosowanie podstawki pod dosyć kosztowny układ U1. Jeżeli nie ma błędów montażowych, do wejścia modułu należy doprowadzić sygnał sinusoidalny 1 Vrms, a wyjście obciążyć rezystorem 10 kΩ i przyłączyć do wejścia oscyloskopu. Potencjometry „LEV” i „GAIN” ustawić w położeniu środkowym, „TRH” w skrajnym – prawym, „COMP” w skrajnym – lewym. Po włączeniu modułu przełącznikiem „BYPASS”, powinna zaświecić się dioda INL. Potencjometrem „LEV0” należy ustalić identyczny poziom sygnału wejściowego i wyjściowego (statyczne wzmocnienie kompresora 1 V/V), aby przełączanie „BYPASS” nie zmieniało poziomu sygnału. Potencjometrem „SYM” należy ustawić możliwie najniższy poziom drugiej harmonicznej (korzystając np. z FFT oscyloskopu lub z karty muzycznej PC). Po wyregulowaniu należy sprawdzić poprawność działania potencjometrów „GAIN” oraz „TRH” odpowiedzialnego za ustalenie poziomu sygnału, od którego zaczyna się redukcja wzmocnienia.

Ze względu na elastyczność THAT4301 jest możliwe dopasowanie wszystkich regulowanych parametrów układu pod kątem wymagań realizacji poprzez dobór odpowiednich wartości elementów. Szczegółowy opis znajduje się w notach katalogowych i aplikacyjnych THAT Corporation. Układ pomimo niewielkiej komplikacji cechuje się dobrymi parametrami: pasmo przenoszenia 10 Hz…30 kHz, zniekształcenia dla Uwe=1 Vrms (COMP 1:1) są mniejsze od 0,25%.

Pozostaje tylko życzyć powodzenia w realizacji „analogowego” brzmienia!

Adam Tatuś, EP

Wykaz elementów:
Rezystory: (SMD 1206)
  • R1: 47 kΩ/1%
  • R2, R3, R5, R7…R10, R13, R21, R23, R24, R26: 10 kΩ/1%
  • R4, R16: 20 kΩ/1%
  • R6: 2,7 MΩ/1%
  • R11, R25: 470 kΩ/1%
  • R12: 120 kΩ/1%
  • R14, R19: 300 kΩ/1%
  • R15: 51 Ω/1%
  • R17: 1 kΩ/1%
  • R18: 430 Ω/1%
  • R20: 82 kΩ/1%
  • R22: 2 MΩ/1%
  • COMP, TRH, GAIN: 10 kΩ potencjometr RK09/PTD90 lub zamiennik
  • LEV: 25 kΩ/B potencjometr RK09/PTD90 lub zamiennik
  • LEV0: 5 kΩ pot. Helitrim pionowy, 3296W
  • SYM: 50 kΩ pot. Helitrim pionowy, 3296W
Kondensatory:
  • C1, C2, C11, C9: 47 pF (SMD 1206)
  • C3: 0,47 µF (foliowy R=5 mm)
  • C4: 2,2 µF (foliowy R=5 mm)
  • C5: 0,22 µF (foliowy R=5 mm)
  • C6: 0,1 µF (SMD 1206)
  • C7, C8, C12, C13: 0,1 µF (SMD 0805)
  • C10: 22 pF (SMD 1206)
  • CE1…CE6: 47 µF/25 V (elektrolit.)
Półprzewodniki:
  • D1: BAV99W (SOT-23)
  • D2,D3: 1N4148 (dioda SMD)
  • INL: dioda LED 3 mm, zielona
  • U1: THAT4301P (DIP20)
  • U2, U2: LM4562 (DIP8)
Pozostałe:
  • BYP: złącze szpilkowe SIP2/2,54 mm
  • BYPASS: przełącznik dźwigniowy 5MS1S102, 2 pozycje
  • CT: złącze szpilkowe SIP2/2,54 mm
  • CTIME: przełącznik dźwigniowy 5MS3S102, 3 pozycje
  • IN, OUT: złącze DG381 2 pin/3,81 mm
  • PWR: złącze DG381 3 pin/2,81 mm
  • RL1: AZ850-12 (przekaźnik z cewką 12 V DC)
Artykuł ukazał się w
Elektronika Praktyczna
styczeń 2017
DO POBRANIA
Pobierz PDF Download icon
Materiały dodatkowe
Elektronika Praktyczna Plus lipiec - grudzień 2012

Elektronika Praktyczna Plus

Monograficzne wydania specjalne

Elektronik listopad 2025

Elektronik

Magazyn elektroniki profesjonalnej

Raspberry Pi 2015

Raspberry Pi

Wykorzystaj wszystkie możliwości wyjątkowego minikomputera

Świat Radio listopad - grudzień 2025

Świat Radio

Magazyn krótkofalowców i amatorów CB

Automatyka, Podzespoły, Aplikacje listopad - grudzień 2025

Automatyka, Podzespoły, Aplikacje

Technika i rynek systemów automatyki

Elektronika Praktyczna listopad 2025

Elektronika Praktyczna

Międzynarodowy magazyn elektroników konstruktorów

Elektronika dla Wszystkich grudzień 2025

Elektronika dla Wszystkich

Interesująca elektronika dla pasjonatów