Lampa RGB z interfejsem DMX

Lampa RGB z interfejsem DMX
Pobierz PDF Download icon
W artykule opisano projekt źródła światła z interfejsem DMX, złożonego z diod RGB, a przez to mogącego oświetlać obiekty światłem o niemal dowolnym kolorze. W jego budowie zastosowano ponad 60 superjasnych diod LED o światłości nawet 100000 mcd. Urządzenie pasuje do obudowy KM-95, która ma uchwyt służący do jej zamocowania do ściany lub sufitu. Dzięki budowie modułowej (urządzenie składa się z płytki sterownika i płytki z diodami LED), ze sterownika można zasilić inne diody LED zasilając np. listwy diod RGB i uzyskując inną aranżację oświetlenia. Rekomendacje: lampa przyda się osobom zajmującym się aranżacją sceny.

Pod względem budowy sterownik lampy RGB jest zbliżony do sterownika listew RGB opisanego w EP 2/2014 (AVT-5435). Diody RGB są zasilane za pomocą specjalnego źródła prądowego, które gwarantuje optymalne warunki ich pracy nawet przy zmianach napięcia zasilania.

Budowa i zasada działania

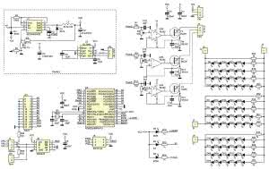
Rysunek 1. Schemat ideowy lampy RGB z interfejsem DMX

Układy cyfrowe są zasilane ze stabilizatora impulsowego U1 zbudowanego z użyciem popularnego układu scalonego MC34063ACD. Dzięki temu napięcie zasilania układu, a co za tym idzie - diod LED, może sięgać 40 V, a stabilizator nie będzie nadmiernie się grzał, co miałoby miejsce przy zastosowaniu stabilizatora liniowego. Układ U2 generuje ujemne napięcia zasilania na potrzeby wzmacniaczy operacyjnych.

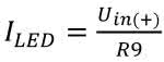
Schemat ideowy lampy RGB/DMX pokazano na rysunku 1. Dane sterujące DMX są odbierane za pomocą U6 (interfejs warstwy fizycznej - MAX485), a następnie dekodowane za pomocą mikrokontrolera ATmega88PA (U5). Generuje on sygnały PWM sterujące źródłami prądowymi. Zbudowano z użyciem wzmacniaczy operacyjnych i tranzystorów MOS. Dzięki temu można zastosować rezystory o małej rezystancji, przez co straty energii nie są duże.

Dzięki niskiej rezystancji kanału w stanie przewodzenia zastosowanych tranzystorów MOS, również i na nich nie występują duże straty, dzięki czemu radiator jest niepotrzebny. Prąd źródła zależy od napięcia na wejściu nieodwracającym wzmacniacza operacyjnego oraz wartości rezystancji włączonej szeregowo ze źródłem tranzystora. Przykładowo, dla kanału "zielonego" (PwmG) sterownika, prąd obciążenia źródła prądowego zasilającego zielone diody LED wyraża się wzorem:

gdzie:

  • Uin+ - napięcie na wejściu nieodwracającym wzmacniacza.
  • R9 - rezystancja w obszarze drenu.

Co oczywiste, moc traconą na rezystancji R9 można wyznaczyć jako:

Przykładowe obliczenia wartości prądu i strat mocy na rezystorze R9 dla rezystancji z typoszeregu oraz kilku wartości napięcia na wejściu wzmacniacza operacyjnego zamieszczono na rysunku 2. Prądu zasilającego z komórek zaznaczonych na czerwono nie da się uzyskać, ponieważ doprowadziłoby by to do uszkodzenia tranzystora wyjściowego.

Rysunek 2. Straty mocy i prąd obciążenia w funkcji napięcia sterującego i rezystancji R9

Pomarańczowe nie są zalecane z powodu dużych strat mocy i/lub konieczności pogrubienia ścieżek. Parametry z żółtych pól da się uzyskać po zmianie rezystancji R7, R8 i R12. Dla napięcia 2 V na wejściu nieodwracającym wzmacniacza należy użyć 15 kΩ, dla 3 V - 6,8 kΩ, 4 V - 2,4 kΩ, dla 5 V 0 Ω. Rezystory te wraz z kondensatorami C12, C13 i C14 tworzą filtr RC.

W projekcie zastosowano kondensatory C12...C14 w celu ewentualnego zlikwidowania szkodliwych oscylacji, jednak testowanie prototypu wykazało, że nie są one konieczne i nie należy ich montować. Ich zastosowanie spowodowałoby złagodzenie zboczy sygnału PWM lub wręcz (przy dużej stałej czasowej) powstanie składowej stałej.

Rysunek 3. Ekran telewizora kolorowego w dużym powiększeniu

Kondensatorów C15, C16, C17 można nie montować, ale dzięki nim podczas pomiarów obraz na oscyloskopie jest wyraźniejszy. Nie trzeba zabezpieczać bramek tranzystorów przed przekroczeniem napięcia Vgs (zależnie od tranzystora 12...20 V), ponieważ tranzystor będzie już w pełni otwarty przy napięciu na bramce około 6,2 V i wzmacniacz operacyjny nie pozwoli na dalszy wzrost napięcia.

Płytka LED, poza diodami świecącymi, zawiera rezystory wyrównawcze włączone szeregowo w każdej gałęzi. Ponadto, dodano też rezystory 1 kΩ włączone równolegle w każdą gałąź LED. Bez nich nie dałoby się całkowicie wyłączyć diod LED, bo nawet przy napięciu 0 V na wejściu źródła prądowego płynie przez nie pewien minimalny prąd, który wystarcza do lekkiego świecenia diod.

Diody LED ułożono w "mozaikę", taką jak telewizorach i monitorach CRT (rysunek 3). Dzięki temu punkty o tej samej barwie nie układają się w linię poziomą, pionową lub ukośną i obiekt jest oświetlany równomiernie. Diody nie są sterowane liniowo. Wykorzystano korektę gamma, dzięki czemu płynne rozjaśnianie lub ściemnianie wygląda bardziej naturalnie.

Rysunek 4. Wykres korekcji gamma

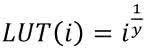
W tym miejscu kilka słów o korekcie gamma. Aby nie wykonywać czasochłonnych obliczeń w czasie rzeczywistym, wykonałem je przy użyciu arkusza kalkulacyjnego i tak powstałą tablicę zaimplementowałem w kodzie źródłówym. Współczynniki w takiej tablicy są wyznaczane zgodnie ze wzorem:

gdzie:

  • i - numer elementu tablicy,
  • y - wartość korekty.

Wartość "y" jest stałą zależną od charakterystyki LED. Należy tutaj zauważyć, że ten wzór jest prawdziwy dla 0 ≤ i ≤ 1, by wykorzystać ten wzór dla np.: 0 ≤ i ≤ 255 należy go przekształcić do postaci:

Orientacyjne krzywych w zależności od wartości współczynnika pokazano na rysunku 4.

Wykaz elementów

Rezystory: (SMD 1206)
R1: 0,22 Ω
R2: 1,5 kΩ/1%
R3: 4,7 kΩ/1%
R4: 0 Ω (zwora)
R7, R8, R12: 10 kΩ*
R10, R15, R16, R19, R21, R29: 1 kΩ
R22, R26: 120 Ω
R17...R20, R24: 22 Ω
R21, R23, R25, R27, R28, R30, R31: 10 Ω
R9, R13, R14: 10 Ω* (rezystory przewlekane)

Kondensatory: (SMD 1206):
C2, C3: 470 µF/16 V (THT)
C1: 470 pF
C4, C5, C15...C17: 10 µF/16 V
C6, C9...C11: 100 nF
C7, C8: 22 pF
C12...C14: nie montować *

Półprzewodniki:
D1, D2: SS14 (dioda prostownicza)
D3: dioda LED 5 mm, żółta
D4: dioda LED 5 mm, niebieska
D5: dioda LED 5 mm, zielona
D6, D7, D11, D12, D16, D17, D21, D22, D26, D27, D36, D38...D45, D62: superjasna LED 5 mm, czerwona
D8, D9, D13, D14, D18, D19, D23, D24, D28, D29, D47, D48, D51, D52, D55, D56, D59...D61, D63...D65: superjasna LED 5 mm, zielona
D10, D15, D20, D25, D30...D35, D66, D69, D72, D73, D75...D80: superjasna LED 5 mm, niebieska
U1: MC34063ACD (SO-08)
U2: ICL7660 (SO-08)
U3, U4: TL082 (SO-08)
U5: ATmega88PA-PU (zaprogramowany, z podstawką DIP28)
U6: MAX485 (DIP8+podstawka)
T1...T3: BUZ11

Inne:
L1: DL22-100 (dławik)
Q1: 8 MHz (kwarc HC49/HC49S)
JP1: listwa kątowa goldpin 2×12
JP2: listwa goldpin 1×2
J1 J2: TB-5.0-PP-2P, TB-5.0-PIN (złącze TB z listwą kołkową)
J5: NS25-W3 (gniazdo NS25 3-pin)
NS25-G3: wtyk NS25 3-pin
NS25-T: 3 szt terminali do wtyku NS25
XLR-3G-C: wtyk XRL-3 do obudowy
J6: ZL201-06G: listwa goldpin 2×3
Obudowa KM-95

Montaż i uruchomienie

Rysunek 5. Schemat montażowy lampy RGB z interfejsem DMX

Schemat montażowy lampy pokazano na rysunku 5. Montaż jest typowy i nie wymaga szerszego omawiania. Na początku nie zalecam montażu mikrokontrolera i układów U2 (ICL7660) oraz U6 (MAX485).

Płytka LED ma oznaczenia tylko na warstwie spodniej. Dzięki temu na czarnej masce płytki, od strony zamontowania diod LED, nie ma białych "krzaczków". Tak wykonana płytka prezentuje się profesjonalnie i nie wymaga malowania.

Dla ułatwienia montażu, przy numerze diody LED znajduje się jedna z liter R, G lub B. Płytki należy połączyć przewodami. Od spodu okręgami oznaczono miejsca podłączenia: R, G, B, V (V to napięcie zasilające).

Uruchomienie najlepiej rozpocząć od zasilacza. Jeśli pracuje poprawnie należy wlutować mikrokontroler i U2 (ICL7660). U6 (MAX485) zaleca się zamontować w podstawce precyzyjnej.

Jeśli mikrokontroler nie jest zaprogramowany, można to zrobić za pośrednictwem J6. Ustawienie bitów konfiguracyjnych pokazano na rysunku 6. Jeśli mikrokontroler jest programowany plikiem ELF, to nie jest wymagane programowanie bitów konfiguracyjnych, ponieważ są one zawarte w pliku.

Rysunek 6. Ustawienie bitów konfigurujących

Teraz należy ustawić prąd LED. W tym celu przyłączamy sterownik lampy do źródła sygnału DMX. Dioda D4 (ST) powinna migać, a D3 (DMX) świecić. Jeśli tak nie jest, to mikrokontroler nie odbiera sygnału DMX. Najczęstszą przyczyną takiego stanu rzeczy jest złe podłączenie gniazda DMX do złącza J5. Gdy mamy poprawny sygnał DMX, wykonujemy następujące czynności:

  • Potencjometr R5 ustawiamy na minimum (patrząc od strony złącza JP1 maksymalnie w prawo).
  • Wybrany kanał w konsoli DMX ustawiamy na wartość maksymalną (255).
  • Bez podłączonych diod LED włączmy amperomierz pomiędzy dren tranzystora, a zasilanie.
  • Kręcąc potencjometrem ustalamy prąd na pożądanym poziomie.
  • Czynność powtarzamy do wszystkich kanałów.
  • Prąd można też mierzyć pośrednio na rezystorze włączonym w źródło tranzystora.

Należy zauważyć, że w celu łatwiejszego prowadzenia ścieżek potencjometry ułożone są w kolejności RBG, a nie jak najczęściej to bywa RGB. Podobnie rozmieszczone są sygnały na złączu J1. Na płytce przy potencjometrach i złączach umieszczono napisy ułatwiające podłączenie i regulację sterownika. Warto wspomnieć, że diody o różnych barwach mają różną jasność a i oko nie na każdą barwę reaguje jednakowo. Z tego powodu uzyskanie białej barwy jest praktycznie niemożliwe.

Na koniec

Tabela 1. Funkcje statusowych diod LED

W tabeli 1 umieszczono opis znaczenia sygnalizacji za pomocą statusowych diod LED, natomiast w tabeli 2 - funkcje zworek konfiguracyjnych.

Jeśli prądy maja być małe (rzędu 500 mA), to zaleca się zwiększenie oporności rezystorów w źródle tranzystorów (R9, R13, R14) do 10 Ω. Uchroni to diody LED przed uszkodzeniem przy przypadkowym przekręceniu potencjometru na maksimum prądu. Jeśli prądy są duże (rzędu 5 A), należy zastosować rezystory o 0,1 Ω. Dla średnich prądów (500 mA...5 A) można użyć rezystorów 1 Ω. Przy dużych prądach diod LED należy zmniejszyć rezystancje R8, R8, R12, bo nie da się uzyskać maksymalnego prądu z powodu zbyt niskiego napięcia na wejściu wzmacniaczu operacyjnego (maksymalnie 5 V). Trzeba też mieć świadomość, że na rezystorach wydzieli się spora moc, a ścieżki mogą okazać się zbyt cienkie i trzeba będzie je pogrubić lub przenieść tranzystory poza płytkę.

Tabela 2. Funkcje zworek konfiguracyjnych:

Jak wynika z przykładowych obliczeń, zalecane, maksymalne napięcie na wejściu wzmacniacza operacyjnego wynosi 2 V.

Zastosowanie potencjometru 10 kΩ i rezystora 15 kV da w przybliżeniu takie napięcie. Ujemne napięcie dla wzmacniaczy operacyjnych mogłoby się okazać konieczne, gdyby tranzystory były bipolarne. W takiej sytuacji, minimalne napięcie wyjściowe wzmacniacza może wynosić aż 1,5 V powyżej napięcia Vee i dlatego przy Vee przyłączonym do masy, tranzystora nigdy nie dałoby się wyłączyć. Ten problem można rozwiązać na kilka sposobów: stosując dzielnik napięcia na wyjściu wzmacniacza operacyjnego, diodę włączoną szeregowo z wyjściem, wzmacniacz rail-to-rail lub (jak to zrobił autor) dołączyć Vee do napięcia ujemnego. Jednak ze względu na to, że nie zawsze jest konieczne ujemne napięcie zasilające, można nie montować elementów U2, C4, C5 oraz zewrzeć pola 2 z 3 JP3. W przeciwnym wypadku montujemy niezbędne elementy, a na JP3 zwieramy piny 1 z 2.

Sławomir Skrzyński, EP

Artykuł ukazał się w
Elektronika Praktyczna
czerwiec 2015
DO POBRANIA
Pobierz PDF Download icon
Materiały dodatkowe
Elektronika Praktyczna Plus lipiec - grudzień 2012

Elektronika Praktyczna Plus

Monograficzne wydania specjalne

Elektronik listopad 2025

Elektronik

Magazyn elektroniki profesjonalnej

Raspberry Pi 2015

Raspberry Pi

Wykorzystaj wszystkie możliwości wyjątkowego minikomputera

Świat Radio listopad - grudzień 2025

Świat Radio

Magazyn krótkofalowców i amatorów CB

Automatyka, Podzespoły, Aplikacje listopad - grudzień 2025

Automatyka, Podzespoły, Aplikacje

Technika i rynek systemów automatyki

Elektronika Praktyczna listopad 2025

Elektronika Praktyczna

Międzynarodowy magazyn elektroników konstruktorów

Elektronika dla Wszystkich grudzień 2025

Elektronika dla Wszystkich

Interesująca elektronika dla pasjonatów