Miernik pojemności akumulatorów

Miernik pojemności akumulatorów
Pobierz PDF Download icon

Każde urządzenie elektroniczne wymaga zasilania energią elektryczną. Urządzenia przenośne najczęściej czerpią energię z akumulatorów, a te charakteryzują się ograniczoną żywotnością. Każdy cykl rozładowania i ładowania małymi krokami przyczynia się do zużycia akumulatorka i po pewnym czasie zauważamy, że „bateria słabiej trzyma”. Prezentowane urządzenie pozwala zmierzyć pojemność akumulatora i określić stopień jego zużycia. Za jego pomocą można również zmierzyć pojemność nowego akumulatorka i zweryfikować wynik z parametrami zadeklarowanymi przez producenta. Rekomendacje: miernik przyda się każdemu użytkownikowi akumulatora.

Podstawowe parametry:
  • Obliczanie pojemności źródła zasilania na podstawie pomiaru wykonywanego w czasie jego rozładowywania.
  • Pomiar napięcia stałego z zakresu 0...25 V z rozdzielczością 25 mV.
  • Pomiar prądu stałego z zakresu 0...5 A z rozdzielczością 10 mA.
  • Pomiar pojemności z zakresu do 100 Ah z rozdzielczością 1 mAh.
  • Pomiar energii w zakresie do 100 Wh z rozdzielczością 1 mWh.
  • Pomiar czasu w zakresie do 100 godzin.
  • Odpowiedni do prawie każdego rodzaju baterii, akumulatora czy power banku.
  • Przesyłanie na bieżąco wszystkich parametrów poprzez interfejs USB.
  • Automatyczne rozpoczęcie pomiaru po dołączeniu badanego źródła zasilania.
  • Zakończenie pomiaru ręcznie lub automatycznie po przekroczeniu ustawionej wartości prądu, napięcia, czasu lub pojemności.
  • Automatyczne odłączenie badanego źródła zasilania po zakończeniu pomiaru.
  • Zasilanie 8...15 V DC lub z USB.
  • Wymiary 96 mm×40 mm×36 mm.

Modne ostatnio power-banki kuszą tysiącami miliamperogodzin – czy te niewielkie urządzenia rzeczywiście potrafią oddać tyle energii? Za pomocą miernika zmierzymy również „apetyt” na energię dowolnego urządzenia. Ciekawym doświadczeniem może okazać się pomiar procesu ładowania. Pozwoli on zmierzyć ile energii pochłonie akumulator – wyniki tego eksperymentu mogą zaskoczyć.

Pojemność akumulatora określa ile energii może oddać akumulator. Do wyznaczenia tego parametru należy zmierzyć, jak długo akumulator jest w stanie zapewnić określone parametry prądowo-napięciowe. Zatem badanie wymaga przeprowadzenia jednego cyklu pracy akumulatora. Nie wystarczy „przyłożyć miernika” żeby od razu pokazał wynik. W wypadku baterii taki pomiar jest działaniem destrukcyjnym.

Prezentowany układ nie został wyposażony w obwód obciążenia i dlatego należy je dołączyć do wyjścia układu. Najlepszym rozwiązaniem będzie dołączenie urządzenia, które docelowo ma być zasilane z akumulatora. Należy jednak pamiętać, że napięcie wyjściowe jest pomniejszone o spadek napięcia na rezystorze pomiarowym. Przy niewielkich prądach spadek będzie niewielki, pomijalny, ale przy prądzie maksymalnym 5 A spadek napięcia wyniesie aż 0,5 V, a to może spowodować nieprawidłową pracę urządzenia zasilanego.

W najprostszym wypadku do wyjścia należy dołączyć odpowiednio dobrany rezystor mocy lub żarówkę.

Prawidłowe wykonanie badania pojemności wymaga wykonania pełnego cyklu. Zatem przed rozpoczęciem badania akumulator musi być całkowicie naładowany – tu nie ma wątpliwości, odpowiednia ładowarka zapewni spełnienie tego warunku. Ale jak określić moment zakończenia badania? Powszechnie stosowaną metodą jest określenie napięcia końcowego: dla akumulatorów Ni-xx ok. 0,9 V/ogniwo, dla akumulatorów Li-xx ok. 3 V/ogniwo itd. Szczegóły należy sprawdzić w specyfikacji danego akumulatora. Prezentowane urządzenie ma funkcje automatycznego zakończenia badania. Jedna z 5 opcji to określenie napięcia minimalnego. Gdy napięcie akumulatora spadnie do tego poziomu, to badanie zostanie zakończone i akumulator odłączony od obciążenia. Inną opcją jest określenie prądu minimalnego – funkcja przydatna, gdy do wyjścia dołączone jest urządzenia. Gdy akumulator rozładuje się do tego stopnia, że urządzenie nie będzie mogło działać i się wyłączy, spowoduje to spadek wartości prądu i będzie sygnałem do zakończenia badania.

Działanie i obsługa

Po włączeniu zasilania pojawi się ekran powitalny, a po nim okno główne pokazane na rysunku 1. Są w nim wyświetlane podstawowe parametry: zmierzone napięcie, prąd, czas oraz pojemność obliczana na bieżąco. Wskazania są odświeżane są co 1 sekundę, ale rzeczywiste pomiary wykonywane są kilkadziesiąt razy częściej. Program próbkuje parametry analogowe z częstotliwością ok. 30 Hz, a następnie oblicza wartość średnią i zapamiętuje ją do dalszych obliczeń oraz prezentuje na wyświetlaczu. Oznaczenie „Vi” przy wartości napięcia oznacza, że mierzone, wskazywane oraz przekazywane do obliczeń jest napięcie z wejścia układu. Jeśli będzie widniało znaczenie „Vo” to będzie brane pod uwagę napięcie z wyjścia układu, czyli uwzględniające spadek napięcia na rezystorze pomiarowym.

Rysunek 1. Wygląd okna głównego

To samo dotyczy napięciowego kryterium zakończenia badania.

Wskaźnik czasu określa, na jakim etapie pracy jest układ. Jeśli czas zwiększa wartość to oznacza, że miernik jest w trakcie wykonywania pomiaru. Jeśli wskazanie czasu nie zmienia się to oznacza, że pomiar został zakończony. Jeśli czas wskazuje wartość zerową, to miernik jest gotowy do rozpoczęcia pomiaru, który można rozpocząć przyciskając przycisk „plus”, gdy jest wyświetlane okno główne. Alternatywnie, badanie zostanie rozpoczęte automatycznie, gdy na złączu wejściowym pojawi się napięcie mniejsze lub równe od 0,5 V. Rozpoczęcie pomiaru powoduje załączenie przekaźnika i połączenie wejścia i wyjścia układu. Zakończenie można wymusić przytrzymując przycisk „menu” przez ok. 3 sekundy lub może nastąpić automatycznie, jeśli taka funkcja została uaktywniona.

Po automatycznym zakończeniu, podświetlenie wyświetlacza zacznie migać sygnalizując gotowość urządzenia – przyciśniecie dowolnego przycisku wstrzyma migotanie. Na tym etapie, w oknie głównym jest wyświetlany wynik pomiaru – wartość pojemności. Aby przygotować układ do kolejnego badania, należy przytrzymać przycisk „menu” przez ok. 3 sekundy – wyniki zostaną wyzerowane.

Menu składa się z czterech okien – cztery parametry oraz okno główne. Przełączanie do kolejnego okna następuje po naciśnięciu przycisku „menu”. Zmiana wartości parametru jest wykonywana za pomocą przycisków „plus” i „minus” jak pokazano na rysunku 2.

Rysunek 2. Struktura menu

W pierwszym oknie menu jest wybierana metoda zakończenia badania „Stop mode”. Kolejno, jak na rys. 2, do wyboru są opcje: 1 – manualna, 2 – minimalnej wartości prądu, 3 – minimalnego napięcia, 4 – maksymalnego napięcia, 5 – określonego czasu, 6 – określonej pojemności. Po aktywowaniu opcji „1” zatrzymanie badania nastąpi dopiero po przytrzymaniu przycisku „menu”. Opcję „2” można wybrać, gdy do wyjścia miernika jest dołączone urządzenie i po rozładowaniu akumulatora urządzenie się wyłączy – prąd spadnie poniżej ustawionej wartości i układ zakończy badanie. Opcja „3” będzie najlepsza przy rozładowywaniu z użyciem żarówki lub rezystora – akumulator zostanie rozładowany do ustawionego napięcia, a następnie badanie zostanie zakończone, a akumulator odłączony od obciążenia. Opcja „4” będzie przydatna przy pomiarze procesu ładowania – urządzenie rozłączy akumulator, gdy ten osiągnie ustawione napięcie maksymalne. Opcja „5” pozwala na zbadanie zapotrzebowania na energię. Jeśli spróbujemy oszacować zapotrzebowanie energetyczne prostego odbiornika np. żarówki, to wystarczy zmierzyć chwilowy pobór prądu i resztę łatwo policzyć. Pomiar jest bardziej skomplikowany, gdy zachodzi potrzeba zbadania złożonego urządzenia elektronicznego. Jego pobór prądu nie ma stałej wartości, normalnie jest w stanie uśpienia, a co jakiś czas wybudza się i pobiera energię zależną od wykonywanego akurat zadania. Ustawiając opcję „5” można zbadać ile mAh zużyje takie urządzenie np. w ciągu 1 godziny. Taka informacja pozwoli na policzenie, jaki akumulatorek należy zastosować, aby urządzenie pracowało np. 24 godziny. Podobnie zastosowanie ma opcja „6” – pozwala ona na określenie, jak długo podziała urządzenie, gdy będzie zasilane z akumulatora o znanej pojemności.

W drugim oknie jest wyświetlany parametr „Auto. param.” wybrany w poprzednim oknie. Przyciskami „plus” i „minus” można zmienić wartość parametru – natężenie prądu zmienia się z krokiem 10 mA, napięcie 100 mV, czas 10 minut, a pojemność 100 mAh. Po wyborze sterowania manualnego jest wyświetlana wartość „Auto stop dis” co znaczy, że funkcja automatycznego zakończenia badania jest nieaktywna.

Trzecie okno pozwala na wybranie napięcia mierzonego i przekazywanego do obliczeń. Aktywowanie opcji „Input” wybiera pomiar na zaciskach wejściowych, „Output” – na zaciskach wyjściowych. Napięcie na wyjściu układu jest pomniejszone o spadek na rezystorze pomiarowym. Rezystor jest włączony w ujemnej gałęzi zasilania, więc poziom masy na wyjściu jest inny niż na wejściu. Miernik jest zbudowany w taki sposób, że procesor mierzy napięcie wyjściowe względem masy głównej, czyli masy na wejściu, a następnie odejmuje obliczoną na podstawie prądu i rezystancji wartość spadku napięcia na rezystorze pomiarowym. Gdy jest wykonywany pomiar pojemności akumulatora, to należy wybrać pomiar napięcia wejściowego. Gdy jest badany jest proces ładowania lub wykonywany pomiar mocy pobieranej przez odbiornik, to należy wybrać napięcie wyjściowe.

Czwarte okno menu „USB period” pozwala na ustawienie interwału, z którym wyniki pomiarów będą przesyłane za pomocą USB do systemu nadrzędnego. Możliwa jest nastawa z zakresu 1...255 sekund ze skokiem co 1. Wartość należy dobrać z rozwagą, ponieważ zwykle badanie będzie trwało kilka godzin, a zbyt duża liczba danych będzie trudna w obróbce. Ponadto, urządzenie wyśle podsumowanie – ostatnia ramkę, w momencie automatycznego zakończenia badania, niezależnie od ustawionego czasu wysyłania.

Miernik dołączony do komputera zostanie zainstalowany jako wirtualny port szeregowy, dzięki czemu dane można odbierać za pomocą dowolnego programu typu terminal, np. BrayTerminal+. Parametry komunikacji to: 19200, n, 8, 1. Każda ramka rozpoczyna się znakiem CR, po którym jest przesyłany znak „*”, a następnie kolejno: czas [gg:mm:ss], pojemność [Ah], energia [Wh], moc [W], napiecie [V] i prad [A]. Każda wartość jest zakończona średnikiem. Pojedyncza ramka ma postać:

* 0:00:01; 0.000Ah; 0.000Wh; 0.000W ; 0.00Vo; 0.00A;

Program BrayTerminal ma między innymi funkcję zapisu do pliku „Log to file”. Zapamiętane dane można łatwo zaimportować do arkusza kalkulacyjnego i wykreślić charakterystyki parametrów. Na rysunku 3 pokazano przykładowy wykres. Badaniu poddany został nowy akumulator o pojemności 2000 mAh.

Rysunek 3. Przykładowa charakterystyka akumulatora

Kalibrowanie miernika

Na rysunku 2 jest widoczne jeszcze jedno okno z parametrami nazwane „Calibration”. Jest ono przeznaczone do kalibrowania mirnika i nie da się do niego wejść z poziomu menu. Aby uruchomić proces kalibrowania, należy przed dołączeniem zasilania do układu nacisnąć przycisk menu, a następnie trzymając go wciśniętym, włączyć zasilanie. Po kilku sekundach zostanie wyświetlone okno kalibracji i wtedy można zwolnić przycisk menu.

Pierwszy etap procedury kalibrowania polega na ustawieniu współczynników kompensacji zera, czyli zapamiętaniu poziomów napięcia (wyników konwersji przetwornika ADC) na wejściach bez dołączonego źródła. W tym celu należy pozostawić zaciski wejściowe i wyjściowe niepodłączone i krótko nacisnąć przycisk „plus” – zostanie wyświetlone okno zatytułowane „Zero comp.”. Cztery wartości określają poziomy kompensacji dla czterech kanałów analogowych, które wykorzystuje układ – pomiar prądu górny zakres, pomiar prądu dolny zakres, napięcie wejściowe i napięcie wyjściowe. Wartości pierwsza, trzecia i czwarta nie powinny przekraczać 3 punktów, wartość druga nie powinna przekraczać 40…50 punktów. Po naciśnięciu przycisku „plus” układ zapamięta i zastosuje nowe ustawienia.

Kolejne okno, które się pojawi ułatwia sprzętowe wyregulowanie torów analogowych. Najpierw należy dołączyć do wejścia układu zasilacz regulowany i multimetr nastawiony na pomiar napięcia stałego. Należy ustawić napięcie z przedziału 10...15 V i odpowiednimi potencjometrami (rysunek 4) ustawić właściwe wskazania napięcia wejściowego i wyjściowego. Następnie należy dołączyć do wyjścia obciążenie i multimetr nastawiony na pomiar prądu stałego.

Rysunek 4. Rozmieszczenie i funkcje wybranych elementów miernika

Regulując napięciem zasilacza należy ustawić prąd ok. 1...1,5 A i potencjometrem zakresu górnego ustawić właściwe wskazanie wartości prądu na wyświetlaczu. Następnie, należy ustawić prąd ok 0,25 A i potencjometrem zakresu dolnego ustawić właściwe wskazanie natężenia prądu na wyświetlaczu. Po naciśnięciu przycisku „plus” funkcja kalibracji powróci do pierwszego etapu, a po naciśnięciu „menu” – zostanie zakończona a ustawienia zapamiętane.

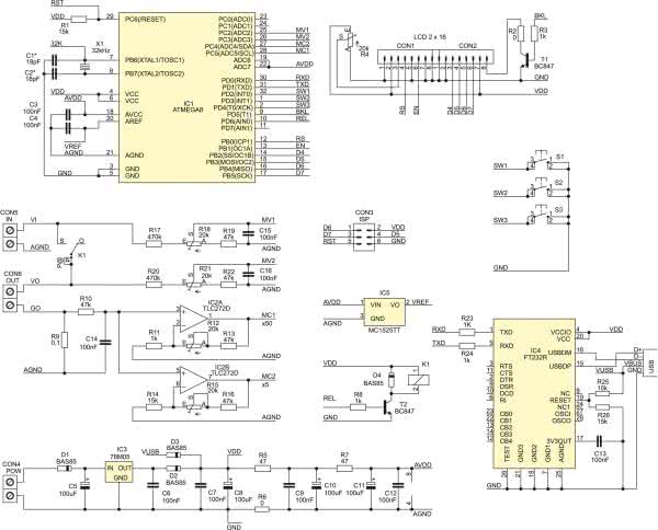
Budowa

Schemat ideowy urządzenia pokazano na rysunku 5. Blok sterujący stanowi mikrokontroler taktowny wewnętrznym generatorem 8 MHz. Jako rezonator zastosowano kwarc „zegarkowy” 32768 Hz, który taktuje jeden z układów czasowo-licznikowych – Timer2. Służy on do precyzyjnego odmierzania czasu. Wyświetlacz i przyciski stanowią interfejs użytkownika. Układ FT232R pełni rolę interfejsu USB. Pozostałe elementy tworzą cześć analogową. Układ IC3 z kilkunastoma elementami biernymi tworzą nieco bardziej rozbudowany blok zasilania. Napięcie jest dokładnie filtrowane, a masy cyfrowa i analogowa są rozdzielone. Dla zapewnienia dokładnych pomiarów zastosowano precyzyjne źródło napięcia odniesienia MCP1525.

Rysunek 5. Schemat ideowy miernika pojemności

Wartości analogowe konwertuje na postać cyfrową 10-bitowy przetwornik wbudowany w strukturę mikrokontrolera. Pomiar napięcia odbywa się za pośrednictwem dzielników z potencjometrami R18 i R21: jeden do napięcia wejściowego, drugi do wyjściowego. Pomiar prądu odbywa się poprzez pomiar spadku napięcia na rezystorze R9. Ze względu na bardzo małą rezystancję, spadek ma niewielką wartość, maksymalnie 0,5 V. Dlatego jest on doprowadzano do przetwornika po wzmocnieniu, za pomocą dwóch wzmacniaczy z TLC272 o wzmocnieniu ku1=5 i ku2=50. Prąd jest mierzony w dwóch zakresach: 0...0,5 A i 0,5...5 A. Program odpowiednio steruje procesem stosując odpowiednie histerezy przy zmianie zakresów.

Montaż

Płytka została zaprojektowano głównie pod komponenty SMD. Jej montaż należy wykonać według ogólnych zasad z zachowaniem precyzji i staranności. Przyciski należy zamontować od spodu. Nie należy montować wyświetlacza, ponieważ zasłoni znaczą część płytki.

Najpierw należy płytkę umyć, sprawdzić poprawność i dopiero wtedy zamontować wyświetlacz od spodu, ok. 5 mm nad płytką. Schemat montażowy pokazano na rysunku 6.

Rysunek 6. Schemat montażowy miernika pojemności

Po zmontowaniu należy dołączyć zasilanie układu i w pierwszej kolejności wyregulować kontrast wyświetlacza. Układ może być zasilany poprzez złącze zasilania napięciem z przedziału 8...15 V ok. 0,2 A lub poprzez złącze USB. Przy zasilaniu z USB może zajść potrzeba ponownego wyregulowania kontrastu wyświetlacza. Po wstępnym uruchomieniu należy przygotować zasilacz regulowany, multimetr i obciążenie np. żarówkę samochodową o mocy ok. 20 W i przeprowadzić kalibrację według opisu. Po tej czynności miernik jest gotowy do pracy.

KS

Wykaz elementów:
Rezystory: (SMD 0805)
  • R1, R14, R25, R26: 15 kΩ
  • R2, R6: 0 Ω
  • R5, R7: 47 Ω
  • R3, R8, R11, R23, R24: 1 kΩ
  • R4: 20 kΩ (potencjometr poziomy)
  • R9: 0,1 Ω/3 W
  • R10, R13, R16, R19, R22: 47 kΩ
  • R12, R15, R18, R20: 20 kΩ (potencjometr pionowy)
  • R17, R20: 470 kΩ
Kondensatory: (SMD 0805)
  • C1, C2: 18 pF
  • C3, C4, C6, C7, C9, C12…C16: 100 nF
  • C5, C8, C10, C11: 100 µF/25 V
Półprzewodniki:
  • D1…D4: BAS85
  • T1, T2: BC847
  • IC1: ATmega8 (SMD)
  • IC2: TLC272
  • IC3: 78M05
  • IC4: FT232R
  • IC5: MCP1525-2.5
Pozostałe:
  • CON1, CON2: LCD 2×16
  • X1: kwarc 32768 kHz
  • K1: przekaźnik HM4100/5 V
  • S1…S3: mikroswitch
  • CON3: GOLDPIN 2×3
  • CON7: micro USB
  • CON4, CON5, CON6: złącze ARK2/500
Artykuł ukazał się w
Elektronika Praktyczna
czerwiec 2015
DO POBRANIA
Pobierz PDF Download icon
Materiały dodatkowe
Elektronika Praktyczna Plus lipiec - grudzień 2012

Elektronika Praktyczna Plus

Monograficzne wydania specjalne

Elektronik listopad 2025

Elektronik

Magazyn elektroniki profesjonalnej

Raspberry Pi 2015

Raspberry Pi

Wykorzystaj wszystkie możliwości wyjątkowego minikomputera

Świat Radio listopad - grudzień 2025

Świat Radio

Magazyn krótkofalowców i amatorów CB

Automatyka, Podzespoły, Aplikacje listopad - grudzień 2025

Automatyka, Podzespoły, Aplikacje

Technika i rynek systemów automatyki

Elektronika Praktyczna listopad 2025

Elektronika Praktyczna

Międzynarodowy magazyn elektroników konstruktorów

Elektronika dla Wszystkich grudzień 2025

Elektronika dla Wszystkich

Interesująca elektronika dla pasjonatów