Bezpieczna Karta, czyli jak nie zgubić portfela lub kluczy

Bezpieczna Karta, czyli jak nie zgubić portfela lub kluczy
Pobierz PDF Download icon
Projekt "Bezpieczna karta" powstał po tym jak zgubiłem portfel. Pomyślałem, że w przyszłości warto byłoby uniknąć związanych z tym kłopotów i że elektronik jakoś powinien sobie z tym problemem poradzić. Przecież możemy użyć różnych technik służących do lokalizowania przedmiotów - dziś nie jest problemem zlokalizowanie np. zgubionego telefonu, ale co z kluczami lub portfelem?

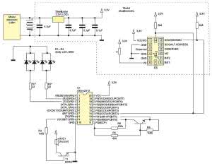
Rysunek 1. Schemat ideowy "Bezpiecznej Karty"

Chciałem wymyślić coś, co "powie" mi o tym, że mój cenny przedmiot już nie "idzie" ze mną w parze. A przy tym urządzenie miało być jak najmniejsze, bezawaryjne i sprawiać jak najmniej kłopotów przy ewentualnej obsłudze. Rozważałem różne alternatywy, ale wreszcie doszedłem do wniosku, że podaruję sobie lok alizowanie za pomocą GPS i wystarczy, jeśli urządzenie w jakiś sposób da mi znać (akustycznie, optycznie), że upuściłem cenny przedmiot.

Możliwość wykrycia upadku przedmiotu dają na przykład akcelerometry. Są one montowane miedzy innymi w dyskach twardych stosowanych w laptopach powodując ich parkowanie, jeśli upuścimy komputer (a tym samym wbudowany weń dysk twardy), co zapobiega ewentualnym uszkodzeniom nośnika. Podobnej funkcjonalności potrzebowałem w swoim urządzeniu.

Po długich przemyśleniach padło na akcelerometr z funkcją wykrywania tak zwanego spadku swobodnego-ADXL345. Nieco obawiałem się problemów z przylutowaniem akcelerometru, ponieważ nie zawsze są one umieszczane w obudowach nadających się do przylutowania w domu, więc odpowiedni moduł-płytkę z zamontowanym układem akcelerometru - podobnie jak ładowarki akumulatorów Li-Ion - nabyłem na popularnym serwisie aukcyjnym.

Rysunek 2. Schemat montażowy "Bezpiecznej Karty"

Schemat ideowy "bezpiecznej karty" pokazano na rysunku 1. Do obsługi czujnika zastosowałem mikrokontroler ATtiny2313, z którym "rozmawia" akcelerometr. Całość jest zasilana z baterii litowo-jonowej za pomocą stabilizatora napięcia 3,3 V, który jest wbudowany na płytce akcelerometru.

Ze względu na niewielki pobór mocy przez ten układ, ma on "zapas", który może posłużyć do zasilania urządzeń zewnętrznych. Jego napięcie wyjściowe jest dostępne na jednym z wyprowadzeń modułu. Ładowarka akumulatora jest zasilana napięciem +5 V ze złącza USB ładowarki do telefonu lub, częściej - komputera PC. Gniazdo mini USB jest wlutowane w płytkę i dostępne na krawędzi karty.

Jak wspomniałem, sercem urządzenia jest mikrokontroler z rodziny AVR typu ATtiny2312. Komunikuje się on z akcelerometrem ADXL345 za pomocą interfejsu I²C. Akcelerometr w racie wykrycia spadku swobodnego lub innych zdarzeń zapisuje odpowiednią wartość w swoich rejestrach.

Fotografia 3. "Bezpieczna Karta" po zmontowaniu

Tę liczbę odczytuje mikrokontroler, który załącza alarm: cztery diody LED zaczynają mrugać naprzemiennie (parami) i zostaje wyemitowany sygnał dźwiękowy trwający około 10 sekund. Następnie, co około 15 sekund, słyszymy około dwusekundowy sygnał przypominający nam o aktywnym alarmie. Tak dzieje się aż do wyczerpania akumulatora lub wyłączeniu alarmu przez użytkownika.

Wyłączenie sygnalizacji świetlnej oraz dźwiękowej jest zrealizowane dzięki wykorzystaniu funkcji wykrywania podwójnego stuknięcia. Również i jej rozpoznanie odbywa się automatycznie, a jego skutkiem jest wpisanie odpowiedniej wartości do wewnętrznych rejestrów akcelerometru. Wystarczy dwa razy uderzyć w obudowę urządzenia, a logika akcelerometru poinformuje nas o tym fakcie. Aby zabezpieczyć urządzenie przed przedwczesnym wyłączeniem alarmu podczas odbijania się od ziemię, można go wyłączyć dopiero po wyemitowaniu pierwszego sygnału z buzzera.

Fotografia 4. "Bezpieczna Karta" w trybie sygnalizowania upadku

Jak przystało na urządzenie zasilane z akumulatora, który wymaga okresowego doładowania, sygnalizuje ono również niski poziom energii baterii. Odpowiednią sygnalizację zapewnia tranzystor T1, który jest zatykany, jeśli napięcie z baterii spadnie do ok. 3 V. Ten fakt odczytuje mikrokontroler i sygnalizuje niski poziom energii w baterii za pomocą diod LED - dwie diody LED zamontowane na karcie zaczynają mrugać, co oznacza, że powinniśmy sięgnąć po ładowarkę.

Pomimo tego, że nie użyłem przerwań i nie zaimplementowałem czuwania w trybie oszczędzania energii, to urządzenie jest bardzo energooszczędne i w trybie czuwania, w którym okresowo jest badany stan akcelerometru, pobiera prąd o natężeniu zaledwie około 1,5 mA. Przy zastosowaniu baterii o pojemności 750 mAh (oczywiście - naładowanej) "Bezpieczna Karta" funkcjonuje poprawnie przez około miesiąc.

Postanowiłem zainstalować również złącze, które pozwoli wprowadzić zmiany w oprogramowaniu, co ułatwi dostosowanie według upodobań sposobu wyłączania alarmu czy sposobu sygnalizowania zdarzenia. Oryginalnie oprogramowanie jest napisane w języku Bascom AVR. Jego kod źródłowy jest dostępny w materiałach dodatkowych, więc każdy może je modyfikować zgodnie z własnymi potrzebami, upodobaniami czy implementować dodatkowe funkcje.

Wykaz elementów

R1, R2: 22 Ω (dobrać zależnie od diod LED, w modelu zastosowano zworki 0 Ω)
R3, R4: 1,65 kΩ
R5: 6,8 kΩ
R6: 100 kΩ
U1: ATtiny2313 (SMD)
D1...D4: diody LED, SMD
Moduł ładowarki Li-Ion
Moduł z akcelerometrem ADXL345

Budowa

Fotografia 5. Bezpieczna karta w trakcie ładowania akumulatorów

Jak wspomniałem, w konstrukcji "Bezpiecznej Karty" zastosowano moduły ładowarki i akcelerometru, które można nabyć np. w Internecie za pomocą serwisów aukcyjnych. Schemat montażowy urządzenia pokazano na rysunku 2 i fotografii 3.

Laminat, na którym zostały przylutowane elementy elektroniczne, stanowi również obudowę, co pomimo zastosowania modułów, a nie samych układów scalonych sprawia, że całość jest dość cienka. Urządzenie jest zbudowane na tak zwaną "kanapkę". Pomiędzy dwoma warstwami laminatu miedzianego umieszczono ramkę wykonaną z pleksi, która pełni rolę dystansu, boków obudowy i przy okazji doskonale rozprasza światło emitowane z diod LED (fotografie 4 i 5).

Konrad Chmielecki
konrad.chmielecki@wp.pl

Artykuł ukazał się w
Elektronika Praktyczna
czerwiec 2014
DO POBRANIA
Pobierz PDF Download icon
Materiały dodatkowe
Elektronika Praktyczna Plus lipiec - grudzień 2012

Elektronika Praktyczna Plus

Monograficzne wydania specjalne

Elektronik listopad 2025

Elektronik

Magazyn elektroniki profesjonalnej

Raspberry Pi 2015

Raspberry Pi

Wykorzystaj wszystkie możliwości wyjątkowego minikomputera

Świat Radio listopad - grudzień 2025

Świat Radio

Magazyn krótkofalowców i amatorów CB

Automatyka, Podzespoły, Aplikacje listopad - grudzień 2025

Automatyka, Podzespoły, Aplikacje

Technika i rynek systemów automatyki

Elektronika Praktyczna listopad 2025

Elektronika Praktyczna

Międzynarodowy magazyn elektroników konstruktorów

Elektronika dla Wszystkich grudzień 2025

Elektronika dla Wszystkich

Interesująca elektronika dla pasjonatów