Cyfrowy tuner do radioodbiornika Radmor 5100

Cyfrowy tuner do radioodbiornika Radmor 5100

Jestem pierwszym i jedynym właścicielem mojego egzemplarza odbiornika radiowego Radmor 5100. W całym okresie użytkowania (od roku 1977, praktycznie każdego dnia) wymieniłem jeden tranzystor w zasilaczu oraz – kilka lat temu – większość kondensatorów elektrolitycznych. Gdy na początku 2000 roku nastąpiła zmiana zakresu nadawanych częstotliwości UKF z 65,5...73 MHz na 87,5...108 MHz, nie zdecydowałem się na przestrojenie głowicy. Zamiast tego zamontowałem gotowy moduł głowicy półprzewodnikowej kupionej w lokalnym sklepie elektronicznym. Niestety po latach zaczęła ona szwankować. Poziom odbieranego sygnału wyraźnie zmalał, poza tym moduł nie zawsze „trzymał się” ustawionej stacji. Postanowiłem więc dokonać ponownej wymiany.

Niezależnie od użytkowania starego Radmora, od pewnego czasu eksperymentowałem z programowaniem modułu SparkFun BOB-11083 „FM Tuner Basic Breakout”, bazującego na układzie scalonym Si4703. Pomyślałem, aby zastosować ten moduł w moim odbiorniku.

Wielu audiofilów uważa odbiorniki Radmora za urządzenia kultowe i wszelkie przeróbki oraz usprawnienia mogą być przez nich odbierane jak profanacja klasyki. Jednak po przeanalizowaniu schematów doszedłem do wniosku, że modyfikacja elektroniki nie wymaga praktycznie żadnych drastycznych zmian, a przeróbka jest w pełni odwracalna. Wszystko, co niezbędne, sprowadzić się może do wymiany oryginalnej, analogowej płytki PSD na nową, z głowicą Si4703. Zastosowanie kilku dodatkowych układów umożliwiło również użycie przełączników sensorowych z modułu PPDB do wyboru wcześniej zaprogramowanych 8 stacji. Postanowiłem w miejsce wychyłowego wskaźnika wybranej częstotliwości zastosować jako dodatkowy gadżet wyświetlacz LCD. Całość sterowana jest za pomocą mikrokontrolera PIC16F876A, a do komunikacji z tunerem można zamiennie zastosować interfejs USB(UART) i terminal szeregowy albo Bluetooth oraz smartfon.

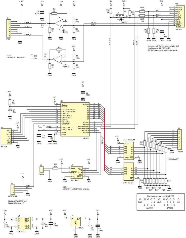
Schemat elektryczny nowego cyfrowego modułu PSD pokazany jest na rysunku 1. Zasilanie elektroniki pochodzi z zasilacza odbiornika. Gotowy moduł przetwornicy MP1584 zamienia napięcie +18 V na +5 V do obsługi mikroprocesora oraz regulatora 3,3 V, niezbędnego z kolei do zasilania układu Si4703 i wzmacniacza operacyjnego. Mając w zapasie większą liczbę 5-woltowych mikroprocesorów PIC w obudowach DIL, nie zdecydowałem się na całkowite przejście na zasilanie 3,3 V i montaż SMD. Moduł Si4703 skonfigurowany jest do domyślnej komunikacji za pomocą interfejsu I²C i toleruje jedynie sygnały 3,3 V. Translację 5 V <–> 3,3 V dwukierunkowego sygnału SDIO realizuje tranzystor 2N700 oraz rezystory R10 i R11. Wejścia RST i SCLK układu Si4703 sterowane są za pomocą dzielników R13/R14 i R12/R15. Sygnały wyjściowe lewego oraz prawego kanału audio doprowadzone zostały do wzmacniaczy operacyjnych U2A i U2B o wzmocnieniu ustawionym na 3, które zapewnia poziom ok. 300 mV sygnału niezbędnego w kolejnych blokach odbiornika.

Rysunek 1. Schemat elektryczny nowego modułu PSD

Oprogramowanie układu Si4703 bazuje na materiałach dostępnych na stronach Sparkfun [1]. Zgodnie z notą aplikacyjną antenę stanowi ok. 50-centymetrowy odcinek przewodu montażowego, wyprowadzonego na zewnątrz obudowy radia.

Charakterystyczną cechą odbiorników Radmor 5100 jest blok 8 przełączników dotykowych, znajdujących się na płytce PPDB i umożliwiających wybór ustawionych potencjometrami częstotliwości odbieranych stacji. Sensory sterowane są za pomocą układów SAS660 i SAS667. Po wybraniu przełącznika na jednym z wyjść (3, 4, 5 lub 6) ww. układów pojawia się napięcie ok. 35 V, a na pozostałych panuje napięcie 0 V. Całość działa więc jak typowy dekoder 1 z 8. Po zastosowaniu rezystancyjnych dzielników napięć sprowadzających sygnały do poziomów TTL i przejściu przez bufor 74HCT244 (U4) informacja o numerze wybranej stacji przesyłana jest – przez PORTB – do sterującego mikrokontrolera. Sygnały z modułu PPDB doprowadzone zostały do bufora U4 za pomocą ok. 20-centymetrowego odcinka kabla wstęgowego, przylutowanego bezpośrednio do odsłoniętych końcówek kołków na gnieździe modułu.

Dołączony do płytki PPDB kabel wstęgowy nie zmienia działania modułu, a ustawienia potencjometrów strojących stają się nieistotne.

Oryginalny wychyłowy wskaźnik częstotliwości odbieranej stacji wyskalowany jest w starym nieużywanym już zakresie. Postanowiłem więc zastąpić go niewielkim wyświetlaczem LCD 1,3” ze zintegrowanym sterownikiem SH1106 [2]. Aby wyświetlacz można było umieścić w miejscu oryginalnego wskaźnika, na drukarce 3D wydrukowałem uchwyt (widoczny na rysunku 2) i pasujący do otworów w chasis obudowy Radmora. Po ułożeniu w nim wyświetlacza i umieszczeniu na jego przedniej części zielonej osłony – charakterystycznej dla wskaźników Varia – całość idealnie pasuje do płyty czołowej radioodbiornika.

Rysunek 2. Uchwyt/osłona wyświetlacza LCD

Sterowanie wyświetlaczem LCD bazuje na przykładach kodu z not aplikacyjnych Waveshare.

Na wyświetlaczu pokazywana jest częstotliwość odbieranej stacji, numer aktywnego sensora oraz poziom sygnału. Układ Si4703 umożliwia również odbiór sygnału RDS, który może być opcjonalnie wyświetlany.

Kolejny wskaźnik odbiornika Radmor pokazuje wartość dostrojenia odbieranego sygnału. Opcjonalny układ, przetwornik DAC (U5), może być użyty do wysterowania tego wskaźnika. Dioda LED na płycie czołowej odbiornika – sygnalizująca obecność sygnału stereofonicznego (w oryginale sygnał z układu UL1601) – sterowana jest wprost z mikrokontrolera.

Po wymianie analogowej płytki PSD na cyfrową nie ma potrzeby wymontowywania z odbiornika pozostałych bloków: PPA, PPCz i głowicy PGUa.

Komunikację z użytkownikiem zapewnia zamiennie interfejs USB(UART) albo Bluetooth. W przypadku zastosowania interfejsu USB(UART) gniazdo USB-B wyprowadzone jest na panel czołowy odbiornika – w miejsce, w którym znajduje się podwójne gniazdo słuchawkowe GS. Oryginalne gniazdo zastąpiłem modelem pokazanym na rysunku 3, wydrukowanym na drukarce 3D.

Rysunek 3. Gniazdo USB i słuchawkowe

Jedno z gniazd przeznaczone jest do umieszczenia w nim przejściówki USB-UART (AVTMOD09), a w drugim gniazdo DIN-5 zastąpiłem współczesnym gniazdem słuchawkowym jack 3,5 mm. 20-centymetrowy przewód taśmowy – łączący przejściówkę AVTMOD09 – jest wpięty do gniazda J2 na płytce PSD. Komunikacja ze sterującym komputerem (laptopem) odbywa się za pomocą terminalu szeregowego (19200,8,NP,1 np. hyperterm, PuTTY lub podobny). Po połączeniu użytkownik ma do dyspozycji kilka rozkazów sterujących podstawowymi funkcjami układu Si4703. Dodatkowo możliwe jest włączenie i wyłączenie odbioru sygnału RDS oraz zmiana tła na wyświetlaczu LCD. Praktyczne testy pokazały, że w przypadku wyłączenia odbioru komunikatów RDS uzyskuje się znacząco lepszą jakość dźwięku. Widok ekranu terminalu szeregowego pokazany został na rysunku 4.

Rysunek 4. Ekran terminala szeregowego

Alternatywny sposób komunikacji z cyfrowym tunerem Radmora to zastosowanie modułu BBMobile LE [3], opisywanego np. w EP 6/2021 – oraz smartfona. Moduł BBMobile można zamontować bezpośrednio na płytce PSD w gnieździe J2. Obsługa modułu BBMobile wymaga wcześniejszego zainstalowania w smartfonie oprogramowania BBMobile-033.apk, dostępnego na stronie WWW producenta. Ułożenie kontrolek na ekranie smartfona projektuje się w formacie json. Po nawiązaniu komunikacji mikrokontroler przesyła ten plik do smartfona. Widok ekranu aplikacji mobilnej pokazany został na rysunku 5.

Rysunek 5. Ekran programu sterującego z zastosowaniem modułu BBMobile

Obsługa komunikacji mobilnej sprowadza się do odbioru i analizy przesyłanych komunikatów.

Oprogramowanie mikrokontrolera w wersji mobilnej daje identyczne możliwości obsługi, jak w wersji z terminalem szeregowym. Niestety moduł BBMobile, który posiadam, nie działa poprawnie z nowo kupionym smartfonem, współpracuje natomiast bez problemu ze starszymi modelami. Mając to na uwadze, w zakresie rutynowej komunikacji pozostałem przy obsłudze cyfrowego tunera Radmor 5100 za pomocą wersji USB (UART), które to rozwiązanie sprawdza się w praktyce od ponad roku.

Rysunek 6. Rozmieszczenie elementów na płytce PPD

Schemat montażowy płytki drukowanej modułu można zobaczyć na rysunku 6.

dr inż. Janusz J. Młodzianowski
Wydział Matematyki, Fizyki i Informatyki
Uniwersytet Gdański

Literatura:

  1. https://github.com/sparkfun/FM_Tuner_Basic_Breakout-Si4703/tree/master/Libraries/Arduino
  2. https://www.waveshare.com/1.3inch-oled-b.htm
  3. https://bbmagic.net
Wykaz elementów:
Rezystory:
  • R1, R10, R11, R17, R25...R32: 10 kΩ
  • R2, R6: 1 kΩ
  • R3, R4, R7, R8: 160 kΩ
  • R5, R9, R12, R13: 3 kΩ
  • R14, R15: 1,6 kΩ
  • R16, R18...R24: 68 kΩ
  • R33: 47 kΩ
Kondensatory:
  • C1: 10 μF
  • C2, C5, C6, C7, C9: 100 nF
  • C3: 100 μF
  • C4, C8: 47 μF
  • C10, C11: 15 pF
  • C12, C13: 1 μF
Półprzewodniki:
  • Q1: 2N7000
  • U1: PIC16F876
  • U2: NE5532
  • U3: SI4703
  • U4: 74HCT244
  • U5: MCP4811 (opcja)
  • U6: LF33CV
  • U7: MP1584
  • U8: SH1106
Pozostałe:
  • J4: złącza goldpin 1×9
  • J1: złącze modułu Radmor PSD
  • J2: złącze goldpin 1×4
  • J3: złącze goldpin 1×2
  • X1: 4 MHz
  • BOB-11083 (Kamami ID:201219)
  • Wyświetlacz 1,3" OLED, Waveshare WRS-04441
  • Konwerter AVTMOD09 (lub BBMobileLE)
Artykuł ukazał się w
Elektronika Praktyczna
lipiec 2024
DO POBRANIA
Materiały dodatkowe
Elektronika Praktyczna Plus lipiec - grudzień 2012

Elektronika Praktyczna Plus

Monograficzne wydania specjalne

Elektronik listopad 2025

Elektronik

Magazyn elektroniki profesjonalnej

Raspberry Pi 2015

Raspberry Pi

Wykorzystaj wszystkie możliwości wyjątkowego minikomputera

Świat Radio listopad - grudzień 2025

Świat Radio

Magazyn krótkofalowców i amatorów CB

Automatyka, Podzespoły, Aplikacje listopad - grudzień 2025

Automatyka, Podzespoły, Aplikacje

Technika i rynek systemów automatyki

Elektronika Praktyczna listopad 2025

Elektronika Praktyczna

Międzynarodowy magazyn elektroników konstruktorów

Elektronika dla Wszystkich grudzień 2025

Elektronika dla Wszystkich

Interesująca elektronika dla pasjonatów