Gausomierz do pomiaru indukcji w szczelinach powietrznych obwodów magnetycznych głośników

Gausomierz do pomiaru indukcji w szczelinach powietrznych obwodów magnetycznych głośników

Artykuł zawiera opis techniczny gausomierza służącego do pomiaru indukcji w szczelinach powietrznych obwodów magnetycznych głośników. Urządzenie to może być bardzo pomocne pasjonatom elektroniki i elektroakustyki zajmującym się regeneracją i pomiarami głośników do odbiorników radiowych oraz zestawów głośnikowych, szczególnie takich, które nie są już produkowane seryjnie.

Liczni entuzjaści elektroniki i elektroakustyki w naszym kraju bardzo często mają zamiar zajmować się regeneracją oraz pomiarami różnych rodzajów głośników. W większości przypadków chodzi o głośniki dynamiczne, zwane także magnetoelektrycznymi, w których cewka pobudzana do drgań sygnałem elektrycznym porusza się w polu magnetycznym o stałej indukcji, najczęściej wytwarzanym przez magnes trwały. Głośniki, które były przechowywane przez bardzo długi czas, ulegają stopniowemu rozmagnesowaniu. W przypadku gdy mamy do czynienia z dwoma obwodami magnetycznymi głośników o identycznej budowie mechanicznej, ale nie znamy chociażby ich roku produkcji, pojawia się problem pomiaru wartości indukcji magnetycznej w ich szczelinach powietrznych. Gdy chcemy sprawdzić, czy wartość indukcji magnetycznej mieści się w tolerancji deklarowanej przez producenta lub gdy chcemy ocenić, czy dany obwód magnetyczny kwalifikuje się do rozmagnesowania, a następnie do ponownego namagnesowania za pomocą magneśnicy, nieocenioną pomocą staje się urządzenie zwane gausomierzem.

W dzisiejszych czasach w handlu występują nowoczesne, profesjonalne gausomierze o bardzo dobrych parametrach. Są one jednak bardzo drogie i w większości przypadków początkujący elektronik nie może sobie pozwolić na ich zakup. Z drugiej strony istnieje możliwość wykonania we własnym zakresie cyfrowego gausomierza, np. bazującego na platformie Arduino. Problem polega na tym, że dostępne w handlu tanie czujniki, zwane hallotronami, mają zakres pomiaru o rząd wielkości niższy od tego, który jest potrzebny przy pomiarach indukcji w szczelinach powietrznych obwodów magnetycznych głośników. Kolejną wadą jest ich bardzo duża grubość, praktycznie dyskwalifikująca je w tym zastosowaniu (po prostu nie mieszczą się one w większości szczelin powietrznych).

Zaprezentowany w artykule projekt pochodzi z roku 2005 i jego pomysłodawcą jest pan Włodzimierz Pawełkiewicz – były pracownik Zakładów Wytwórczych Głośników Unitra-Tonsil we Wrześni – znakomity elektronik i człowiek bardzo życzliwy, który udostępnił swoje notatki dotyczące tego projektu i wyraził zgodę na powstanie tej publikacji. Z uwagi na to, że tego typu rozwiązania są już w praktyce rzadko spotykane (urządzenie jest w całości analogowe), tym bardziej postanowiono zabrać się do pracy i przerysować udostępnioną dokumentację techniczną, zwracając każdorazowo uwagę na to, aby zastąpić nieprodukowane już rodzaje elementów elektronicznych współcześnie produkowanymi odpowiednikami. Urządzenie było używane jeszcze osiemnaście lat temu w zakładzie. Dane zamieszczone w tym artykule umożliwiają czytelnikom zbudowanie własnego egzemplarza.

Budowa i działanie

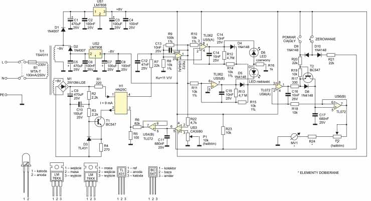
Na rysunku 1 został pokazany schemat ideowy urządzenia. Gausomierz zasilany jest z sieci prądu przemiennego o napięciu znamionowym 230 V za pośrednictwem transformatora INDEL TS4/011. Oryginalny transformator (ZATRA TS4/1), jaki był zastosowany w tym urządzeniu, nie jest już produkowany i można go zastąpić dowolnym, przynajmniej czterowatowym transformatorem zawierajacym dwa odseparowane od siebie uzwojenia wtórne i dostarczającym dwóch osobnych napięć równych 9 V. Uzwojenie pierwotne należy zabezpieczyć bezpiecznikiem topikowym zwłocznym o prądzie znamionowym równym 100 mA.

Rysunek 1. Schemat ideowy gausomierza

Jedno z uzwojeń służy do zasilania źródła prądowego wymuszającego przepływ stałego prądu elektrycznego o natężeniu 9 mA przez strukturę hallotronu HN25. Jest to warunkiem koniecznym do zadziałania tego rodzaju czujnika i pojawienia się na dwóch jego pozostałych zaciskach napięcia proporcjonalnego do wartości mierzonej indukcji magnetycznej. Hallotron HN25 ma dwa wyprowadzenia oznaczone kolorem czerwonym (tzw. prądowe), do których należy podłączyć układ źródła prądowego oraz dwa wyprowadzenia nieoznaczone (tzw. napięciowe), z których pobieramy sygnał pomiarowy.

Na obudowie hallotronu znajduje się czerwona kropka ułatwiająca rozpoznanie zwrotu wektora indukcji pola magnetycznego panującego w szczelinie powietrznej. W tym momencie warto poczynić pewnego rodzaju zastrzeżenie – układu źródła prądowego pokazanego na schemacie nie wolno podłączać do masy!

Drugie uzwojenie transformatora zasila jednopołówkowy prostownik oraz filtr ze scalonymi stabilizatorami LM7808 oraz LM7908, dostarczający dwóch symetrycznych względem masy napięć potrzebnych do zasilania układu. Takie rozwiązanie upraszcza konstrukcję zasilacza i jest możliwe do zastosowania w tej aplikacji ze względu na bardzo mały pobór prądu przez układ pomiarowy.

Sygnał z wyprowadzeń napięciowych hallotronu HN25 trafia na wejście układu złożonego ze wzmacniaczy operacyjnych (US4, US5 i US6) oraz jednego wzmacniacza transkonduktancyjnego (US3). Wzmocnienie napięciowe Ku układu US4(A) zostało ustalone wartościami elementów na 11 V/V. Układ złożony z podukładów US5(A) oraz US5(B) realizuje funkcjonalność dwóch tzw. prostowników idealnych i umożliwia wizualną obserwację zwrotu wektora indukcji pola magnetycznego, który jest sygnalizowany zapaleniem się jednej z kolorowych diod LED. Odpowiednio: czerwonej – w przypadku gdy naprzeciw powierzchni hallotronu HN25 oznaczonej czerwoną kropką znajduje się biegun północny oraz niebieskiej – w przypadku gdy naprzeciw powierzchni hallotronu HN25 oznaczonej czerwoną kropką znajduje się biegun południowy.

Układ umożliwia pomiar ciągły lub detekcję wartości szczytowej (do aktywowania tej funkcji służy specjalny przełącznik). Detekcja wartości szczytowej umożliwia odczyt maksymalnej zmierzonej wartości, co jest szczególnie wygodne w przypadku manipulowania sondą hallotronową w szczelinach powietrznych obwodów magnetycznych o bardzo małych wymiarach gabarytowych.

Układ został wyposażony także w zestyk zwierny chwilowy, który z kolei służy do zerowania wskazania ustroju pomiarowego. Elementy oznaczone jako MV1, R24 oraz P2 są elementami dobieranymi.

Montaż i uruchomienie

Montaż można wykonać na płycie uniwersalnej lub zaprojektować sobie odpowiedni obwód drukowany, np. w programie komputerowym Eagle i wytrawić go samodzielnie lub zlecić jego wykonanie firmie zewnętrznej.

Po zmontowaniu układ wymaga dwóch prostych kalibracji. Należy ustawić napięcie niezrównoważenia wzmacniacza transkonduktancyjnego US3 oraz dopasować czułość wskazań urządzenia. W tym celu najlepiej zaopatrzyć się w sklepie elektronicznym w woltomierz wskazówkowy przykręcany na trzy śruby, o skali od 0 V do 25 V. Następnie taki wskaźnik należy rozebrać i symbol wolta zakryć naklejką z napisem ×1000 Gs. Uzyskujemy w ten sposób skalę liniową w gausach. Możemy też nakleić naklejkę z napisem ×0,1 T. Wówczas uzyskamy skalę liniową w teslach (jedna tesla to dziesięć tysięcy gausów).

Po modyfikacji skali musimy jeszcze odlutować od cewki ustroju pomiarowego opornik pełniący funkcję posobnika. Wyprowadzenia cewki lutujemy zatem bezpośrednio do zacisków zewnętrznych wskaźnika wychyłowego.

Następnie musimy dobrać wartość opornika zabezpieczającego R24 oraz potencjometru montażowego P2 typu helitrim. Przeprowadzamy to w sposób następujący. Do zacisków zewnętrznych zmodyfikowanego wskaźnika wychyłowego doprowadzamy napięcie stałe o niewielkiej wartości i mierzymy, przy jakiej wartości napięcia wskazówka wychyli się na pozycję 10, czyli w naszym przypadku 10000 Gs (1 T). Następnie musimy wstawić sondę hallotronową do szczeliny powietrznej wzorcowego obwodu magnetycznego, w której panuje indukcja magnetyczna o takiej wartości. Przełącznik rodzaju pracy należy ustawić na detekcję wartości szczytowej. Po wykonaniu pomiaru mierzymy napięcie na zwartych ze sobą wyprowadzeniach 6 oraz 7 wzmacniacza operacyjnego US6(B) względem masy.

Ostatnim etapem jest obliczenie z prawa Ohma takich wartości rezystancji połączonych ze sobą szeregowo elementów R24 oraz P2, aby wskazania miernika zgadzały się z wartością indukcji w szczelinie powietrznej wzorcowego obwodu magnetycznego. Potencjometr montażowy P2 typu helitrim umożliwia dodatkowo wprowadzenie pewnej korekty w sytuacji, kiedy urządzenie jest już zmontowane.

Urządzenie najlepiej zabudować w obudowie uniwersalnej, wiercąc i frezując odpowiednie otwory o wymiarach zgodnych z wymiarami zastosowanych elementów.

Sonda hallotronowa typu HN25

Sondę hallotronową najlepiej jest wykonać za pomocą hallotronu cienkowarstwowego typu HN25 produkcji Instytutu Tele- i Radiotechnicznego w Warszawie. Tego typu hallotrony nie są już produkowane, ale w dalszym ciągu istnieją stare zapasy. Ich parametry odbiegają nieco od wartości katalogowych, ale zawsze można skorygować wynik pomiaru potencjometrem montażowym P2 typu helitrim. Na rysunkach 2, 3 i 4 pokazano oryginalną dokumentację techniczną tego hallotronu.

Rysunek 2. Strona tytułowa dokumentacji technicznej hallotronu cienkowarstwowego typu HN25
Rysunek 3. Dane techniczne hallotronu cienkowarstwowego typu HN25
Rysunek 4. Wygląd zewnętrzny hallotronu cienkowarstwowego typu HN25

Hallotron cienkowarstwowy typu HN25 charakteryzuje się bardzo małą grubością oraz zakresem pomiarowym odpowiednim dla wykonywania pomiarów indukcji w szczelinach powietrznych obwodów magnetycznych głośników. Należy jednak obchodzić się z nim bardzo ostrożnie, ponieważ ten rodzaj czujnika jest bardzo delikatny i podatny na uszkodzenia mechaniczne. Połączenia lutowane wyprowadzeń należy wykonywać możliwie krótkotrwale, aby nie przegrzać struktury wewnętrznej hallotronu. Sygnał należy wyprowadzić czterożyłowym przemysłowym przewodem ekranowanym. Ekran należy podłączyć do potencjału masy. Hallotron najlepiej zabudować w obudowie flamastra, zabezpieczając przewód sygnałowy klejem na ciepło oraz dodatkowo rurą termokurczliwą w taki sposób, aby uniemożliwić jego przypadkowe wyrwanie z obudowy. Pomiary należy wykonywać, zachowując szczególną uwagę na to, aby nie złamać hallotronu podczas wkładania go do szczeliny powietrznej obwodu magnetycznego badanego głośnika.

Podsumowanie i wnioski

Projekt ten można rekomendować nieco bardziej doświadczonym pasjonatom elektroniki i elektroakustyki. Podczas montażu urządzenia oraz przeprowadzania pomiarów należy zwrócić szczególną uwagę na to, aby nie uszkodzić hallotronu. Opracowanie będące przedmiotem publikacji zostało wykonane ze względu na to, że wydział, który zaprojektował to urządzenie, już dawno nie istnieje, a warto podkreślić, że tego typu urządzenia były jednak kiedyś projektowane także na terenie naszego kraju. Opisany w artykule projekt z dzisiejszego punktu widzenia ma już raczej znaczenie historyczne, tym niemniej warto zauważyć, że jest to urządzenie w pełni funkcjonalne, wykonane w technice analogowej i możliwe do zbudowania przy niewielkich nakładach finansowych przez amatorów techniki nagłośnieniowej.

Wiele praktycznych informacji dotyczących pomiarów głośników oraz zestawów głośnikowych:
https://bit.ly/3Zl38cy
https://bit.ly/3VYCHql
https://bit.ly/3ikG6SL
oraz:
https://bit.ly/3BT7i0O
https://bit.ly/3jPXCyn
https://bit.ly/3jWhWhH

mgr inż. Tomasz Łysek

Wykaz elementów:
Rezystory: (0,25 W, 5% – o ile nie wskazano inaczej)
  • R1: 220 Ω
  • R2, R3: 2,2 kΩ
  • R4: 270 Ω
  • R5: 100 Ω
  • R6: 82 kΩ
  • R7, R20, R21: 22 kΩ
  • R8, R10, R11, R14, R15: 10 kΩ, 1%
  • R18, R19, R23: 10 kΩ
  • R9: 100 kΩ, 1%
  • R12, R13: 4,7 MΩ
  • R16: 1 kΩ
  • R17: 330 Ω
  • R22: 4,7 kΩ
  • R24: element dobierany
  • P1: 10 kΩ potencjometr helitrim
  • P2: element dobierany, potencjometr
Kondensatory:
  • C1, C5, C9: 470 μF/25 V elektrolityczny
  • C2, C4, C6, C8: 100 nF/25 V foliowy
  • C3, C7, C10: 100 μF/25 V elektrolityczny
  • C11, C17: 680 nF/25 V foliowy
  • C12 47 nF/25 V foliowy
  • C13, C14, C15, C16: 10 nF/25 V foliowy
Półprzewodniki:
  • M1: 2W10M-LGE (mostek prostowniczy)
  • D1, D2: 1N4007
  • D3: TL431
  • D4, D5, D8, D9, D10: 1N4148
  • D6, D7: dioda LED 5 mm
  • T1, T2: BC547
  • US1: LM7808
  • US2: LM7908
  • US3: CA3080
  • US4, US6: TL072
  • US5: TL062
Pozostałe:
  • B1: bezpiecznik WTA-T 100 mA/250 V
  • MV1: wskaźnik wychyłowy
  • Tr1: transformator INDEL TS4/011
  • H1: hallotron cienkowarstwowy HN25C
  • włącznik sieciowy dwusekcyjny
  • włącznik chwilowy
  • włącznik stały
  • obudowa
Artykuł ukazał się w
Elektronika Praktyczna
czerwiec 2023
Elektronika Praktyczna Plus lipiec - grudzień 2012

Elektronika Praktyczna Plus

Monograficzne wydania specjalne

Elektronik listopad 2025

Elektronik

Magazyn elektroniki profesjonalnej

Raspberry Pi 2015

Raspberry Pi

Wykorzystaj wszystkie możliwości wyjątkowego minikomputera

Świat Radio listopad - grudzień 2025

Świat Radio

Magazyn krótkofalowców i amatorów CB

Automatyka, Podzespoły, Aplikacje listopad - grudzień 2025

Automatyka, Podzespoły, Aplikacje

Technika i rynek systemów automatyki

Elektronika Praktyczna listopad 2025

Elektronika Praktyczna

Międzynarodowy magazyn elektroników konstruktorów

Elektronika dla Wszystkich grudzień 2025

Elektronika dla Wszystkich

Interesująca elektronika dla pasjonatów