Praktyczne porady dla początkujących konstruktorów wzmacniaczy lampowych

Praktyczne porady dla początkujących konstruktorów wzmacniaczy lampowych
Pobierz PDF Download icon

Pomimo dostępności wielu wzmacniaczy półprzewodnikowych, konstrukcje lampowe zawsze będą miały swoich zwolenników, podobnie jak gramofony analogowe. Jednak zaprojektowanie i wykonanie dobrego wzmacniacza lampowego wymaga nie tylko cierpliwości i ostrożności od początkującego konstruktora, ale także doświadczenia, nabytego przy budowie mniej skomplikowanych konstrukcji. Dobrym przykładem jest opisany wcześniej wzmacniacz hybrydowy lub wzmacniacz lampowy zaprezentowany w EP 9/2020, któremu w głównej mierze poświęcony jest ten tekst.

Zasilacz

Starsze konstrukcje zasilaczy były budowane z użyciem lampy prostowniczej, która rozgrzewała się wraz z lampami wzmacniacza, więc napięcie anodowe rosło z upływem czasu. Takie rozwiązanie przyczyniało się do większej żywotności lamp. Skokowe podanie napięcia na anodę może nawet uszkodzić katodę lampy, a na pewno przyczyni się do zmniejszenia jej żywotności. Dla wyeliminowania tego zjawiska zaczęto stosować opóźnione włączanie napięcia.

Styk przekaźnika był włączony przeważnie za pierwszym elektrolitem w prostowniku. Jest to układ optymalny, lecz bardzo niekorzystny dla przekaźnika, ze względu na przełączanie prądu stałego o wartości rzędu 200 mA lub więcej. Natomiast dołączenie styku w obwodzie prądu zmiennego miało tę wadę, że pojawiały się problemy ze stabilnością w momencie ładowania pierwszego kondensatora elektrolitycznego (stuk w głośniku).

Wybawieniem od tego problemu było zastosowanie wysokonapięciowych tranzystorów MOSFET jako kluczy zasilania. Takie rozwiązanie powoduje łagodne narastanie napięcia anodowego wraz z nagrzewaniem lamp mocy i przedłuża ich żywotność. Lampy mocy z wyższej półki kosztują nawet kilkaset złotych za sztukę, więc każde rozwiązanie pozwalające wydłużyć ich czas pracy jest uzasadnione.

Uruchomienie zasilacza nie nastręcza większych trudności, pod warunkiem zastosowania odpowiedniego radiatora, do którego przymocowany jest tranzystor z obowiązkowym zastosowaniem podkładki silikonowej i tulejki izolującej. Radiatora wymaga także rezystor ograniczający o oporności ok. 100 Ω i mocy 10 W.

Dla ochrony transformatora sieciowego podczas uruchamiania układu należy przedsięwziąć kilka środków ostrożności. Przy pierwszym uruchomieniu należy zastosować bezpiecznik szybki o znamionowej wartości prądu takiej jak znamionowy prąd pracy transformatora. Zasilacz należy obciążyć dwiema zwykłymi żarówkami 25 W połączonymi szeregowo. Trzymając rękę na wyłączniku, należy obserwować żarówki – powinny powoli się rozjaśnić (czas zależy od stałej czasowej w układzie RC sterowania tranzystora). W obwodzie pierwotnym wymagane jest włączenie warystora o odpowiednich parametrach napięciowych. Ochroni on tranzystor, który jest wrażliwy na przepięcia w sieci energetycznej.

W przypadku projektowania transformatora sieciowego oczywistym wyborem jest transformator toroidalny, ze względu na małe wymiary i małe zakłócenia. Jednak jego zasadniczą wadą jest brak jakiegokolwiek chłodzenia, dlatego należy uwzględnić odpowiedni zapas mocy. We wzmacniaczu opisanym w EP 9/2020 zastosowano transformator o mocy 150 VA, mimo że z wyliczeń wynika:

300 V·0,2 A=60 VA

Plus obwód żarzenia:

6,3V·4,5 A=28 VA

Wymagana moc wynosi w sumie 88 VA. Gdyby zastosowano transformator o mocy 90 VA, to w rzeczywistych warunkach pracy wzmacniacza po godzinie byłoby przegrzane.

Ostatnią ważną sprawą jest dobór kondensatorów elektrolitycznych. W nowocześniejszych wzmacniaczach nie są stosowane dławiki, zatem należy zwiększyć pojemność elektrolitów do wartości rzędu 220...470 µF oraz dodać rezystor, o którym wspomniano wcześniej. W filtrze prostownika napięcie pracy kondensatorów elektrolitycznych należy dobrać tak, aby przy pracy bez obciążenia napięcie nie przekraczało wartości znamionowej kondensatora. Należy też uważać na zachowanie właściwej biegunowości podłączenia – o pomyłkę bardzo łatwo, a odwrotne podłączenie grozi wybuchem kondensatora.

Rysunek 1. Szeregowo-równoległe łączenie kondensatorów wymaga zastosowania rezystorów wyrównawczych

W przypadku braku kondensatorów na wyższe napięcia możliwe jest łączenie szeregowo-równoległe razem z rezystorami wyrównawczymi wartości ok. 680 kΩ i mocy 1 W (rysunek 1).

Napięcie na elektrolitach bez obciążenia oblicza się według wzoru:

Uj=1,32·U

Dla napięcia transformatora przy pracy jałowej wynoszącego 310 V napięcie kondensatorów powinno wynosić co najmniej 410 V. Zatem można użyć kondensatorów na napięcie znamionowe 450 V.

Stopień mocy

Wykonanie płytki rozpoczynamy od projektu. Pomijamy kwestie zamawiania płytek w firmie, omówimy zwięźle proces samodzielnego wykonania pojedynczej płytki. Po naniesieniu na folię miedzianą wszystkich zapunktowanych kółek i narysowaniu ścieżek należy płytkę wytrawić i umyć. Otwory wiercimy wiertłem o średnicy 1 mm. Otwory pod wyprowadzenia podstawek należy wykonać wiertłem o większej średnicy, tj. 1,5 mm. Na koniec należy jeszcze wypolerować ścieżki drobnym papierem ściernymi i pokryć warstwą ochronną roztworem kalafonii.

Montaż rozpoczynamy od wlutowania rezystorów oraz niższych elementów następnie kondensatorów, złączy ARK oraz podstawek. Podłączenia obwodu żarzenia należy wykonać parą mocno skręconych przewodów. Dla lamp mocy przekrój przewodu powinien wynosić 1  mm2, a dla lamp sterujących 0,5 mm2. Można pokusić się o zaprojektowanie płytki dwustronnej i połączyć żarzenie od strony elementów, nie zapominając o nalutowaniu na ścieżki drutu miedzianego lub srebrzanki o odpowiednim przekroju.

Po podłączeniu zasilacza do płytki wzmacniacza należy włączyć zasilanie bez zamontowanych lamp. Trzeba ustawić ujemne napięcia na siatkach sterujących lamp mocy na wartość rzędu –30 V za pomocą helitrimu o oporności 50 kΩ. Gdy lampy mają automatyczną regulację BIAS-u (punktu pracy), tzn. włączony w katodę rezystor o oporności 150...470 Ω z dołączonym elektrolitem o pojemności 100 µF, wtedy włączamy zasilanie z zamontowanymi lampami.

Pierwsze włączenie musimy wykonać przy uważnej obserwacji elementów i lamp – należy obserwować, czy lampy się właściwie rozżarzają. Następnie dokonujemy wstępnych pomiarów – w pierwszej kolejności mierząc napięcie anodowe, którego wartość powinna wynosić ok. 360 V DC, oraz napięcie żarzenia, które przy napięciu sieci 230 V nie powinno przekraczać 6,3 V AC. Należy przy tym zachować wszelkie środki ostrożności, gdyż wysokie napięcie stałe jest śmiertelnie niebezpieczne dla człowieka.

Przy pierwszym uruchomieniu nie podłączamy głośników, tylko rezystor o rezystancji 8 Ω i mocy ok. 50 W lub większej, gdyż układ może się wzbudzać na wyższych częstotliwościach i głośniki wysokotonowe mogłyby ulec uszkodzeniu. Do rezystora 8 Ω należy dołączyć oscyloskop ustawiony na czułość 10 V/dz, a na wejście wzmacniacza należy dołączyć generator funkcyjny i zwiększając napięcie sinusoidy, przy potencjometrze ustawionym na maksimum, obserwujemy przebieg zmienny na wyjściu. Korekty kształtu dokonujemy, regulując prąd anodowy, którego wartość kontrolujemy, mierząc napięcie na rezystorze o rezystancji 10 Ω 1%. Prąd ten nie powinien przekraczać 100 mA, czyli 1 V na rezystorze.

W przypadku automatycznego BIAS-u należy dobrać rezystor katodowy tak, aby sinusoida była jak najmniej zniekształcona. Można podłączyć miernik zniekształceń harmonicznych, lecz w warunkach amatorskich, w wielu przypadkach byłoby to trudne. Jeśli wzmacniacz się wzbudza, w większości przypadków wystarczy zablokować wejście kondensatorem rzędu 100 pF lub zwiększyć rezystor w siatce drugiej lamp mocy.

Moc rezystorów dobieramy, stosując wzory prawa Ohma. W praktyce wszystkie rezystory anodowe oraz w filtrach tętnień mają moc 1 W, a rezystory katodowe i siatkowe moc 0,25 W, z wyjątkiem rezystorów siatki drugiej lampy mocy, które powinny mieć moc 1 W, rezystora katodowego 10 Ω, również 1 W i rezystora katodowego w układzie automatycznego BIAS-u o mocy 5 W. Kondensatory sprzęgające i blokowe powinny być na napięcie 400 V. Elektrolity w katodzie lamp mocy oraz w filtrze zasilacza ujemnego napięcia siatek powinny mieć napięcie znamionowe 100 V, a elektrolity katodowe w lampach sterujących – napięcie 25 V.

Ważną sprawą jest prowadzenie mas osobno dla wzmacniaczy mocy i lamp sterujących oraz podłączenie ich osobnymi przewodami do wspólnego punktu zasilacza. Takie działanie ma na celu zmniejszenie przydźwięku sieci oraz polepszenie separacji kanałów. Przydźwięk to największy problem dla konstruktorów. Przede wszystkim należy zwiększyć przekrój połączeń masowych, dolutowując przewód miedziany lub srebrzankę o przekroju 1,5 mm2. Całkowita eliminacja przydźwięku sieci jest bardzo trudna, gdyż potencjometr głośności jest na samym początku toru sygnałowego, więc układ otrzymuje sumę zakłóceń całego toru.

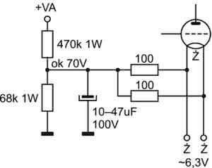
Rysunek 2. Sposób symetryzacji napięcia żarzenia w przypadku zwiększonego przydźwięku

Bezwzględnie należy podłączyć jeden biegun żarzenia do masy. Lampa 6SN7 ma jedną wadę – siatka sterująca jednej z diod sąsiaduje z wyprowadzeniem żarzenia i tej triody nie należy projektować jako wejściowej. Lampy z serii ECC nie mają tej wady. W przypadku zwiększonego przydźwięku można próbować symetryzować napięcie żarzenia (rysunek 2) oraz zastosować podwyższenie potencjału żarników względem masy (rysunek 3) lub zwiększać pojemność elektrolitu w pierwszym filtrze zasilacza.

Rysunek 3. Podwyższenie potencjału żarników względem mas

Cały wzmacniacz powinien mieć zwartą konstrukcję. Dzięki temu połączenia są krótkie (tor sygnałowy również). Eliminuje się w ten sposób pojemności montażowe, które ograniczają górne pasmo przenoszenia. Dawne wzmacniacze lampowe były montowane na tzw. pająka. Elementy były montowane do łączówek, a te łączone przewodami do cokołów lamp. Jak wspomniałem wcześniej nowa konstrukcja może sprawiać trudności, gdyż mogą się pojawić niepożądane oscylacje. Dlatego każdy elektrolit w filtrach odsprzęgających musi być zblokowany kondensatorem 100 nF/400 V. Wzmacniacz może również się wzbudzić przy odwrotnym połączeniu sprzężenia zwrotnego.

Czasem trzeba trochę poeksperymentować przy nowej konstrukcji, aby uzyskać wymagany efekt. Za to ostatnia część prac – odsłuch ulubionych utworów muzycznych, po podłączeniu dobrych kolumn głośnikowych i źródła dźwięku, będzie czystą przyjemnością.

Henryk Michałowski
michalowskihenio@gmail.com

Artykuł ukazał się w
Elektronika Praktyczna
styczeń 2021
DO POBRANIA
Pobierz PDF Download icon
Elektronika Praktyczna Plus lipiec - grudzień 2012

Elektronika Praktyczna Plus

Monograficzne wydania specjalne

Elektronik listopad 2025

Elektronik

Magazyn elektroniki profesjonalnej

Raspberry Pi 2015

Raspberry Pi

Wykorzystaj wszystkie możliwości wyjątkowego minikomputera

Świat Radio listopad - grudzień 2025

Świat Radio

Magazyn krótkofalowców i amatorów CB

Automatyka, Podzespoły, Aplikacje listopad - grudzień 2025

Automatyka, Podzespoły, Aplikacje

Technika i rynek systemów automatyki

Elektronika Praktyczna listopad 2025

Elektronika Praktyczna

Międzynarodowy magazyn elektroników konstruktorów

Elektronika dla Wszystkich grudzień 2025

Elektronika dla Wszystkich

Interesująca elektronika dla pasjonatów