Hybrydowy wzmacniacz lampowy

Hybrydowy wzmacniacz lampowy
Pobierz PDF Download icon

Na rynku dostępne są wzmacniacze hybrydowe, które mają scalone półprzewodnikowe stopnie mocy oraz lampowe bloki sterujące. Parametrami i brzmieniem mogą dorównywać wzmacniaczom stricte lampowym, a są znacznie tańsze ze względu na brak kosztownych transformatorów głośnikowych.

W moim wzmacniaczu hybrydowym zamierzałem zastosować gotowe wzmacniacze klasy D, lecz ostatecznie zrezygnowałem z takiego rozwiązania ze względu na ich niską jakość. Finalnie zdecydowałem się na stopień mocy z układem LM3886 charakteryzujący się niskimi zniekształceniami nieliniowymi, a w obwodach wejściowych zastosowałem lampy 6SN7 o bardzo miękkim brzmieniu.

Budowa i działanie

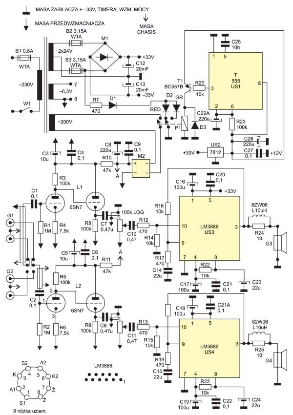
Schemat blokowy wzmacniacza został pokazany na rysunku 1. Podstawowe elementy to: zasilacz dostarczający napięcia ±33 V do zasilenia stopnia mocy, wzmacniacz mocy oraz płytka z przedwzmacniaczem na lampach 6SN7. Przedwzmacniacz został wyposażony we własny zasilacz +280 V, który współpracuje z uzwojeniem transformatora sieciowego o napięciu wtórnym 200 V, którego dane podano na schemacie blokowym.

Rysunek 1. Schemat blokowy wzmacniacza

Niezbędny jest również włącznik czasowy zwłoczny T, który włącza napięcie 200 V dopiero po wstępnym podgrzaniu lamp. Podanie napięcia zmiennego bez wstępnego żarzenia lamp powoduje potężny stuk w głośnikach, mimo układu wyciszania we wzmacniaczach mocy. Przekaźnik załącza się po około 30 sekundach. Stan pracy sygnalizuje dioda LED, świecąc na czerwono w czasie wstępnego żarzenia, oraz na zielono w stanie normalnej pracy. Prąd lamp 6SN7 wynosi 4 mA.

Rysunek 2. Schemat ideowy wzmacniacza

Schemat ideowy wzmacniacza został pokazany na rysunku 2. Zasada działania jest bardzo prosta. Sygnał z gniazda wejściowego podawany jest za pośrednictwem pierwszej triody na wtórnik katodowy. Ma on małą impedancję wyjściową, więc może sterować wejściem wzmacniacza mocy, który ma impedancję rzędu kilku kiloomów. Blok ten ma wzmocnienie 10 dB, więc czułość całego wzmacniacza wynosi 300 mV.

W roli stopni mocy można zastosować gotowe moduły w postaci płytek AVT1922. Należy je zamocować do odpowiednio dużych radiatorów zamontowanych na ściance tylnej wzmacniacza.

Aplikacja układu LM 3886 jest dobrze udokumentowana i nie wymaga szczegółowego omówienia.

Regulację głośności realizuje stereofoniczny potencjometr drabinkowy 2×100 kΩ. Jest on włączony między przedwzmacniacz a wzmacniacz mocy i zamocowany blisko płytek stopnia mocy. Z płytą czołową połączony jest długą ośką sześciokątną.

Masy dla prawego i lewego kanału poprowadzono osobno i łączą się dopiero przy gniazdach wejściowych. Połączenia masowe między przedwzmacniaczem a potencjometrem zostały zrealizowane za pomocą ekranu łączącego te dwa bloki. Unika się w ten sposób tzw. pętli masy powodującej zwiększenie przydźwięku.

Podsumowanie

Wzmacniacz zamknięto w obudowie typu M firmy CYFRONIKA. Konstrukcję ścianki tylnej pokazuje fotografia 1.

Fotografia 1. Konstrukcja tylnej ścianki obudowy wzmacniacza

Wzmacniacz powstał także w innej wersji, w mniejszej obudowie, a co za tym idzie o mniejszej mocy (fotografia 2).

Fotografia 2. Wzmacniacz wykonany w innej, mniejszej wersji

Został wyposażony w adapter Bluetooth, który umożliwia doprowadzenie muzyki z laptopa czy smartfona. Do drugiego wejścia można podłączyć odtwarzacz CD lub gramofon analogowy.

Fotografia 3. Widok wnętrza wzmacniacza

Na obciążeniu w postaci rezystora 8 Ω i mocy 100 W przy pełnym wysterowaniu występuje napięcie 54 Vpp, co pozwala oszacować moc czynną na poziomie 65 W. Jest to spora wartość, a dodatkowo wzmacniacz odznacza się dużą dynamiką i naprawdę wspaniałym brzmieniem.

Henryk Michałowski
michalowskihenio@gmail.com

Wykaz elementów:
Rezystory: (metalizowane)
  • R1, R2: 1 MΩ
  • R3, R5, R8, R9, R23: 100 kΩ
  • R4, R6: 7,5 kΩ
  • R7, R12, R13, R17, R19: 470 Ω
  • R10, R11: 47 kΩ
  • R14, R15, R16, R18, R20, R21: 10 kΩ
  • R24, R25: 10 Ω
Kondensatory:
  • C1, C2, C20, C21, C21A, C22, C27: 0,1 µF/100 V
  • C4, C6, C9: 0,1 µF/400 V
  • C7, C8: 0,47 µF/400 V
  • C10, C11: 0,47 µF/100 V
  • C3, C5: 10 µF/400 V
  • C8A: 220 µF/400 V
  • C12, C13: 20 mF/50 V
  • C22A, C26: 220 µF/16 V
  • C16, C17, C18, C19: 100 µF/50 V
Półprzewodniki:
  • US1: NE555
  • US2: LM7812
  • US3, US4: LM3886
  • M1: KBU6D 10 A
  • M2: DB104 1000 V
  • D1, D3: 1N4005
  • D2: dioda LED dwukolorowa 5 mm
  • T1: BC 557B
Inne:
  • L1, L2: 6SN7 + podstawki typu noval gold
  • POT: 2×100 kΩ log. drabinka
  • B1: bezpiecznik 0,8 A WTA
  • B2, B3: bezpiecznik 3,15 A WTA
  • G1, G2: gniazda chinch
  • G3, G4: gniazda głośnikowe
  • P1: przekaźnik RSM 822M
 
Artykuł ukazał się w
Elektronika Praktyczna
styczeń 2021
DO POBRANIA
Pobierz PDF Download icon
Elektronika Praktyczna Plus lipiec - grudzień 2012

Elektronika Praktyczna Plus

Monograficzne wydania specjalne

Elektronik listopad 2025

Elektronik

Magazyn elektroniki profesjonalnej

Raspberry Pi 2015

Raspberry Pi

Wykorzystaj wszystkie możliwości wyjątkowego minikomputera

Świat Radio listopad - grudzień 2025

Świat Radio

Magazyn krótkofalowców i amatorów CB

Automatyka, Podzespoły, Aplikacje listopad - grudzień 2025

Automatyka, Podzespoły, Aplikacje

Technika i rynek systemów automatyki

Elektronika Praktyczna listopad 2025

Elektronika Praktyczna

Międzynarodowy magazyn elektroników konstruktorów

Elektronika dla Wszystkich grudzień 2025

Elektronika dla Wszystkich

Interesująca elektronika dla pasjonatów