Półprzewodnikowa cewka Tesli o podwójnym rezonansie

Półprzewodnikowa cewka Tesli o podwójnym rezonansie
Pobierz PDF Download icon

Techniką interesowałem się od dzieciństwa, jednak najwyżej stawiałem elektronikę. Inspiracją do zbudowania własnej cewki Tesli był pokaz w Teatrze Wysokich Napięć odbywający się w Centrum Nauki Kopernik. Samodzielnie zaprojektowałem i wykonałem własną wersję cewki. Było to dla mnie duże wyzwanie, poświęciłem temu olbrzymią ilość czasu i energii, jednak podczas realizacji projektu nauczyłem się wielu nowych rzeczy. Konstrukcja różni się od większości cewek Tesli możliwością pełnej kontroli nad wyładowaniem dzięki zastosowaniu szeregu rozwiązań elektronicznych.

Konstruktorem transformatora Tesli jest pochodzący z Serbii Nikola Tesla. Wynalazek miał być używany do bezprzewodowego przesyłania energii. Jest to transformator o rdzeniu powietrznym, którego działanie opiera się na zjawisku rezonansu i generuje napięcie rzędu milionów woltów. Każde wyładowanie elektryczne powstające w powietrzu jest związane z powstaniem kanału zjonizowanego gazu. Znaczny wzrost temperatury i ciśnienia w kanale wyładowania są źródłem fali akustycznej. Objawia się to również efektownym zjawiskiem świetlnym. Konstruktorem transformatora Tesli jest pochodzący z Serbii Nikola Tesla. Wynalazek miał być używany do bezprzewodowego przesyłania energii. Jest to transformator o rdzeniu powietrznym, którego działanie opiera się na zjawisku rezonansu i generuje napięcie rzędu milionów woltów. Każde wyładowanie elektryczne powstające w powietrzu jest związane z powstaniem kanału zjonizowanego gazu. Znaczny wzrost temperatury i ciśnienia w kanale wyładowania są źródłem fali akustycznej. Objawia się to również efektownym zjawiskiem świetlnym.

Klasyczny transformator składa się z: zasilacza wysokiego napięcia, iskiernika, kondensatora, uzwojenia pierwotnego, uzwojenia wtórnego i toroidu. W półprzewodnikowej cewce Tesli o podwójnym rezonansie (DRSSTC Dual Resonant Solid State Tesla Coil) iskiernik został zastąpiony obwodem elektronicznym, dzięki czemu do pracy nie jest wymagane wysokie napięcie. Właśnie to jest główną cechą, która odróżnia wykonaną przeze mnie cewkę od innych. Dzięki zastosowaniu falownika oraz specjalnego sterownika możliwa jest regulacja i kontrola parametrów pracy takich jak wartości prądu i napięcia w obwodzie, ilość pobieranej mocy czy częstotliwość i wypełnienie sygnału. Zmiana częstotliwości i czasu trwania wyładowań powoduje zmianę wysokości dźwięku generowanego przez wyładowanie, dzięki czemu możliwe jest odtwarzanie pojedynczych dźwięków o różnym tonie i głośności oraz złożonych z nich melodii. W niedalekiej przyszłości planuję przystosować układ do odtwarzania muzyki na cewce Tesli.

Fotografia 1. Uruchomiony transformator Tesli, długość wyładowań osiąga 50 cm

Półprzewodnikowa cewka Tesli o podwójnym rezonansie jest kolejnym wariantem transformatora. Jak sama nazwa wskazuje, mamy do czynienia z dwoma obwodami rezonansowymi. Pierwszym jest obwód LC sterowany modułami IGBT. Drugim obwodem jest klasyczne uzwojenie wtórne i torus. Warunek pracy DRS–STC jest taki, że oba obwody muszą pracować z taką samą lub zbliżoną częstotliwością rezonansową. Jeżeli ten warunek jest spełniony, następuje wydajny przekaz energii pomiędzy obwodami. Mimo że prąd pobierany przez urządzenie z sieci jest niewielki, w obwodzie pierwotnym może sięgać nawet kilkuset amperów. Ograniczeniem jest wytrzymałość tranzystorów i kondensatorów. Prezentowana cewka wytwarza napięcie dochodzące do 2 milionów woltów, efekt działania pokazuje fotografia 1.

Budowa i działanie urządzenia

Schemat blokowy urządzenia prezentuje rysunek 2. Budowę można podzielić na 8 bloków.

Rysunek 2. Schemat blokowy urządzenia

1. Zasilanie

Sterownik wymaga zasilania napięciami stałymi 5 V, 15 V i –15 V. Do mostka pośredniego jest dostarczane napięcie 40 V. Wszystkie potrzebne napięcia uzyskałem dzięki zastosowaniu transformatora toroidalnego (fotografia 3). Obwód pierwotny jest zasilany wyprostowanym napięciem sieciowym. W fazie testów używałem autotransformatora, który umożliwiał stopniowe zwiększanie napięcia zasilania falownika. Pobór mocy przy wyładowaniu o długości ok. 50 cm nie przekraczał 1000 W.

Fotografia 3. Transformator zasilający układy sterujące

2. Interrupter

Układem, który wyzwala pracę DRSSTC, jest interrupter. Ma regulację częstotliwości i wypełnienia sygnałów, którymi sterowana jest cewka. Jest zsynchronizowany z obwodem pierwotnym za pomocą specjalnego przerzutnika. Interrupter to oddzielny element urządzenia (fotografia 4), pozwala sterować pracą cewki. Połączenie interruptera ze sterownikiem wykonałem przy użyciu kabla koncentrycznego, jednak zamierzam zastąpić go łączem światłowodowym. W planach mam także zbudowanie muzycznego interruptera, który będzie umożliwiał sterowanie transformatorem Tesli za pomocą muzyki. Jego podstawowym zadaniem będzie odczyt plików MIDI i generowanie odpowiedniego sygnału sterującego. Schemat interruptera pokazano na rysunku 5.

Fotografia 4. Interrupter – moduł kontrolujący parametry pracy cewki

 

Rysunek 5. Schemat elektryczny interruptera

3. Sterownik

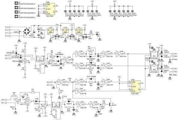
Pomysłodawcą i pierwszym autorem tego układu jest Finn Hammer. Zasada działania sterownika polega na wykorzystaniu sygnału sprzężenia zwrotnego. Przekładnik prądowy o przekładni 1:100 nałożony na jeden z przewodów obwodu pierwotnego generuje sygnał, który następnie jest formowany do postaci impulsów i służy do sterowania modułami IGBT. Sterownik realizuje również funkcję ograniczenia prądowego z użyciem takiego samego przekładnika jak w przypadku sprzężenia zwrotnego. Tym razem sygnał jest prostowany pełnookresowo i doprowadzony jest na wejście komparatora. Na drugie wejście komparatora doprowadzone jest napięcie odniesienia. Układ ten służy do blokowania pracy cewki w przypadku przekroczenia zadanej wartości prądu. Schemat sterownika pokazano na rysunku 6, a zmontowaną płytkę sterownika prezentuje fotografia 7.

Rysunek 6. Schemat elektryczny sterownika

 

Fotografia 7. Wygląd zmontowanej płytki sterownika

Tranzystory IGBT muszą być przełączane przy zerowych wartościach prądu – jest to praca w trybie ZCS (Zero Current Switching). W innym wypadku tranzystory IGBT ulegną uszkodzeniu przy większym napięciu zasilania. Do realizacji tego celu zastosowano układ wyprzedzania napięcia względem prądu. Możliwa jest dokładna regulacja czasu wyprzedzania po to, aby precyzyjnie ustawić przełączanie w momentach zerowego prądu.Mostek H jest sterowany transformatorem sterującym GDT, a następnie mostkiem pośrednim, dzięki czemu jest zapewniona separacja galwaniczna sterownika od obwodu mocy. Transformator sterujący GDT oraz przekładniki prądowe zostały nawinięte na rdzeniach toroidalnych z materiału 3E25.

Rysunek 8. Schemat elektryczny mostka pośredniego

4. Mostek pośredni

Sygnał generowany przez sterownik i transformator sterujący GDT trafia do mostka pośredniego. Jest to typowy układ pełnego mostka z zastosowanymi tranzystorami MOSFET do maksymalnego skrócenia czasów narastania i opadania sygnału. Zadaniem tej części jest wzmocnienie sygnału sterującego głównym falownikiem, a co za tym idzie odciążenie sterownika. Schemat mostka pośredniego pokazano na rysunku 8, a zmontowaną płytkę prezentuje fotografia 9.

Fotografia 9. Wygląd zmontowanej płytki mostka pośredniego

 

Rysunek 10. Schemat elektryczny falownika

5. Falownik

Schemat falownika pokazano na fotografii 10, jest to mostek H zbudowany z zastosowaniem tranzystorów IGBT SKM200GB128D, których maksymalne napięcie pracy wynosi 1200 V, a maksymalny prąd ciągły 300 A. W skład mostka wchodzą także kondensatory filtrujące – razem 13,6 mF 450 V. Podczas przełączania tranzystorów powstają spore przepięcia. Jest to skutek przełączania dużych prądów. Aby je zlikwidować, zastosowałem odpowiednie sterowanie oraz kondensatory typu snubber 2 mF, które znacząco zmniejszają impulsy napięcia, oraz diody zabezpieczające TVS, których zadaniem jest zwieranie ujemnych impulsów napięcia. Na fotografii 11 pokazano oscylogram przebiegu prądu w obwodzie pierwotnym (maksymalna wartość dochodzi do 300 A), natomiast na fotografii 12 pokazano oscylogram przebiegu napięcia w tym obwodzie.

Fotografia 11. Oscylogram przebiegu prądu w obwodzie pierwotnym, prąd maksymalny wynosi około 300 A

 

Fotografia 12. Oscylogram przebiegu napięcia w obwodzie pierwotnym cewki

Połączenia między tranzystorami a kondensatorami filtrującymi powinny się charakteryzować jak najmniejszą indukcyjnością, ponieważ zwiększa ona energię impulsów napięcia. Aby temu zapobiec, do wykonania połączeń użyto kształtek z grubej blachy miedzianej. Ideą pracy falownika jest przełączanie tranzystorów dokładnie przy zerowych wartościach prądu (ZCS). Cały falownik został zmontowany na dużym radiatorze, jednak dzięki pracy w trybie ZCS pozostaje on zimny nawet po dłuższej pracy cewki. Zmontowany falownik prezentują fotografie 13 i 14.

Fotografia 13. Wygląd zmontowanego falownika

 

Fotografia 14. Sposób zamontowania miedzianych szyn

6. Pierwotny obwód rezonansowy

Jako kondensator rezonansowy zastosowałem baterię 4 kondensatorów PMB 0,56 mF 4 kV. Zostały wybrane pod kątem wysokiej wytrzymałości prądowej i napięciowej. Uzwojenie pierwotne jest zbudowane z rurki miedzianej o średnicy 10 mm, nawiniętej na specjalnie wyciętych z pleksi podporach. Łączna długość rurki to około 10 m. Konstrukcję pierwotnego obwodu rezonansowego prezentują fotografie 15 i 16.

Fotografia 15. Konstrukcja uzwojenia pierwotnego

 

Fotografia 16. Elementy podstawy uzwojenia pierwotnego

7. Wtórny obwód rezonansowy

Uzwojenie wtórne jest nawinięte na rurze kanalizacyjnej 160 mm drutem 0,3 mm na długości 56 cm, co daje około 1800 zwojów (fotografia 17). Do prawidłowego wykonania tej części niezbędna jest cierpliwość i duże zdolności manualne. Po nawinięciu pomalowałem je żywicą epoksydową, co uniemożliwia rozsypanie się drutu. Torus został zbudowany poprzez nawinięcie rury spiro na wytoczone dekle drewniane, wyrównanie powierzchni za pomocą gładzi szpachlowej oraz oklejenie całej powierzchni taśmą aluminiową. Częstotliwość rezonansowa uzwojenia wtórnego i torusa wynosi około 70 kHz.

Fotografia 17. Budowa obwodu wtórnego

8. Podstawa

Baza całego urządzenia została wykonana z płyt spienionego PCV. Do ich połączenia użyłem nóżek aluminiowych (fotografia 18). Aby umożliwić mobilność całej konstrukcji, zostały zamontowane 4 kółka jezdne. Podstawa musiała być wykonana bardzo starannie ze względu na to, że przenosi spory ciężar wszystkich pozostałych elementów.

Fotografia 18. Podstawa z zamontowanym osprzętem

Podsumowanie

W trakcie budowy urządzenia napotkałem kilka problemów. Jednym z nich był zaskakująco duży wpływ ustawienia przedmiotów w najbliższym otoczeniu transformatora na jego parametry. Każdorazowa zmiana powodowała bowiem rozstrojenie się układu. Kolejnym problemem była wytrzymałość prądowa kondensatora rezonansowego. W obwodzie pierwotnym przepływają bardzo duże prądy, rzędu setek amperów. Rozwiązałem to przez zastosowanie baterii kondensatorów, których parametry były uwzględnione z dużym marginesem.

Zbudowana przeze mnie cewka znajduje zastosowanie:

  • Podczas pokazów wysokiego napięcia, koncertów, festynów, imprez okolicznościowych;
  • W pracowni elektrotechnicznej i klasie fizycznej jako pomoc dydaktyczna do badania m.in. zjawiska rezonansu;
  • Do bezprzewodowego przesyłania energii;
  • Przy jonizacji gazów;
  • Do sprawdzania wytrzymałości na wyładowania karoserii samochodów, samolotów, badań laboratoryjnych.

Bezpieczeństwo

Podstawowym warunkiem bezpieczeństwa użytkowania transformatora Tesli jest dobre uziemienie. Należy do niego podłączyć uziemienie elektroniki, wszystkie metalowe elementy, dolny koniec uzwojenia wtórnego oraz zwój zabezpieczający. Uziemienie zwoju zabezpieczającego gwarantuje ochronę obwodu pierwotnego przed wysokim napięciem. Osoba obsługująca cewkę musi znajdować się w bezpiecznej odległości (kilka metrów) od urządzenia. Samo urządzenie zostało zabezpieczone poprzez zastosowanie bezpieczników. Należy je również podłączać do instalacji elektrycznej z zastosowanym wyłącznikiem różnicowo-prądowym. Do uruchamiania cewki najlepiej używać autotransformatora, który pozwala na stopniowe podnoszenie napięcia zasilania falownika.

Jakub Jędrzejewski
kubajed@op.pl

Bibliografia:

  1. http://bit.ly/2JncXRR
  2. http://bit.ly/2okvfMo
  3. http://bit.ly/32RlvIC
  4. http://bit.ly/340cLzY
  5. Film: http://bit.ly/2MP0o4a
Podziękowania
Na szczególne podziękowanie zasługują: dr Paweł Sobczak (opiekun naukowy), Damian Pala (absolwent technologii chemicznej na Akademii Górniczo-Hutniczej im. Stanisława Staszica w Krakowie), Dominik Idziniak (student elektrotechniki na Politechnice Rzeszowskiej). Jestem wdzięczny tym osobom za cały poświęcony czas oraz trud włożony w poszukiwanie odpowiedzi na moje pytania. Panu mgr. inż. Andrzejowi Gajewskiemu dziękuję za pomoc merytoryczną w przygotowaniu do konkursu „Elektronik”.
Jakub Jędrzejewski
 
Artykuł ukazał się w
Elektronika Praktyczna
listopad 2019
DO POBRANIA
Pobierz PDF Download icon
Elektronika Praktyczna Plus lipiec - grudzień 2012

Elektronika Praktyczna Plus

Monograficzne wydania specjalne

Elektronik listopad 2025

Elektronik

Magazyn elektroniki profesjonalnej

Raspberry Pi 2015

Raspberry Pi

Wykorzystaj wszystkie możliwości wyjątkowego minikomputera

Świat Radio listopad - grudzień 2025

Świat Radio

Magazyn krótkofalowców i amatorów CB

Automatyka, Podzespoły, Aplikacje listopad - grudzień 2025

Automatyka, Podzespoły, Aplikacje

Technika i rynek systemów automatyki

Elektronika Praktyczna listopad 2025

Elektronika Praktyczna

Międzynarodowy magazyn elektroników konstruktorów

Elektronika dla Wszystkich grudzień 2025

Elektronika dla Wszystkich

Interesująca elektronika dla pasjonatów