Miernik pojemności akumulatorów MPA-10

Miernik pojemności akumulatorów MPA-10
Pobierz PDF Download icon

Miernik służy do pomiaru pojemności akumulatorów samochodowych o napięciu 12 V. Może przydać się w warsztacie samochodowym lub w garażu, w obu wypadkach służąc do uzasadnienia konieczności poniesienia wydatku na zakup nowego akumulatora. Takie urządzenie jest szczególnie cenne zimą, gdy niska temperatura utrudnia rozruch silnika.

Miernik, jak to się mówi, powstał z potrzeby chwili. Celem jego budowy była chęć sprawdzenia pojemności starych akumulatorów samochodowych. Miernik może przydać się w warsztacie oraz osobom, które chcą sprawdzić stan akumulatora w swoim pojeździe. Miernik służy do pomiaru typowych akumulatorów o napięciu 12 V. Metoda pomiaru opiera się na zastosowaniu źródła prądowego, które rozładowuje wcześniej naładowany akumulator. Znając wartość płynącego prądu oraz mierząc czas przepływu prądu do momentu, w którym napięcie na akumulatorze będzie mniejsze niż napięcie progowe Uprog, można obliczyć pojemność akumulatora Q=I·t. W tej metodzie moc z akumulatora jest rozpraszana na rezystorach oraz tranzystorach MOSFET. Wadą metody jest długi czas pomiaru, ponieważ przy ustawieniu prądu rozładowania 5 A i pojemności akumulatora 50 Ah może on trwać nawet 10 godzin. Z drugiej strony, ta metoda ta daje wiarygodne wyniki.

Budowa

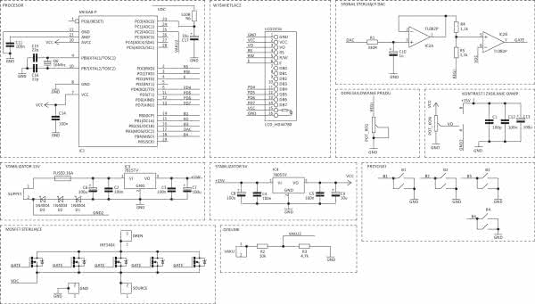
Schemat ideowy miernika pojemności akumulatorów samochodowych MPA-10 zamieszczono na rysunku 1. Źródło zasilania stanowi zasilacz impulsowy o napięciu od 17 do 24 V. W prototypie zastosowano zasilacz z laptopa. Zasilanie miernika jest zabezpieczone bezpiecznikiem szybkim 160 mA i filtrowane za pomocą kondensatora C6. Układ 7815 stabilizuje napięcie +15 V służące do zasilania wzmacniaczy operacyjnych. Kondensatory C3 i C2 filtrują zasilanie oraz zapobiegają wzbudzeniu się stabilizatora 7815.

Rysunek 1. Schemat ideowy miernika pojemności akumulatorów samochodowych MPA-10

Wzmacniacze operacyjne są zasilane napięciem asymetrycznym, więc aby możliwe było osiągnięcie na ich wyjściu poziomu niskiego (źródło prądowe wyłączone), konieczne jest przesunięcie ich zasilania w stosunku do masy mikrokontrolera. Do tego celu służą diody prostownicze D1…D3, na których odkłada się napięcie 2,1 V (3×0,7 V). Kondensatory C1, C12, C13 służą do filtrowania zasilania podwójnego wzmacniacza operacyjnego TL082.

Układ 7805 stabilizuje napięcie +5 V służące do zasilania mikrokontrolera. Kondensatory C4, C5, C8, C9 filtrują napięcia zasilania, ponadto kondensatory C4, C5 zapobiegają wzbudzeniu się układu stabilizatora.

Dzielnik rezystancyjny R2/R3 służy do pomiaru napięcia na akumulatorze. Zacisk Vaku doprowadza się do zacisku dodatniego badanego akumulatora. Tranzystory Q1…Q5 służą do załączania prądu rozładowania. Do złącza DREN należy przyłączyć rezystor 1 V/50 W. Drugi koniec rezystora dołącza się do dodatniego zacisku badanego akumulatora. Pomiędzy zacisk SOURCE a zacisk GND należy włączyć rezystor wzorcowy 0,47 V/50 W o niepewności nie większej niż 1%. Do zacisku GND przyłącza się zacisk ujemny akumulatora.

Sercem urządzenia jest mikrokontroler ATmega8 w obudowie DIP28. Realizuje on całą funkcjonalność miernika i prezentuje wynik pomiaru. W tym celu jego oprogramowanie mierzy czas przepływu prądu rozładowania oraz oblicza pojemność akumulatora, prezentując wynik pomiaru użytkownikowi. Rdzeń mikrokontrolera jest taktowany z częstotliwością 16 MHz. ATmega8 współpracuje z wyświetlaczem alfanumerycznym 2 linie × 16 znaków ze sterownikiem zgodnym z HD44780. Za pomocą potencjometru POT_KON jest ustawiany kontrast wyświetlacza. Do wyprowadzeń PB0…PB4 są dołączone przyciski B1…B4 służące do obsługi menu użytkownika.

Prąd jest mierzony metodą pośrednią, za pomocą pomiaru spadku napięcia na znanej rezystancji (0,47 V) przez przetwornik A/C wbudowany w mikrokontroler i konwersji z użyciem prawa Ohma. Obliczona wartość prądu jest wyświetlana na wyświetlaczu w trakcie pomiaru. Napięcie jest pobierane ze źródeł tranzystorów MOSFET poprzez filtr RC (R6, C17).

Na wyjściu PB3 jest dostępny przebieg PWM. Ten przebieg jest podawany na wejście filtra złożonego z rezystora R1 i kondensatora C10, którego wyjście zasilana wtórnik napięciowy wykonany z układu IC2A. W ten sposób uzyskuje się przetwornik C/A, którego napięcie wyjściowe zależy od wypełnienia przebiegu PWM. Napięcie za wtórnikiem jest dzielone przez 2 za pomocą rezystorów R4/R5. Służy ono jako napięcie odniesienia dla źródła prądowego. Potencjometr POT_REG służy do doregulowania natężenia prądu płynącego przez źródło.

Wzmacniacz IC2B z rezystorem 0,47 V oraz tranzystorami Q1…Q5 pracuje w funkcji źródła prądowego, którego wejście napięcia odniesienia jest dołączone do wejścia nieodwracającego wzmacniacza. Zmianę wartości odniesienia, a tym samym zmianę natężenia prądu rozładowania dokonuje się, zmieniając wypełnienie generowanego sygnału PWM. Na rysunku 2 zilustrowano sposób, w jaki należy przyłączyć dodatkowe rezystory oraz badany akumulator.

Rysunek 2. Sposób dołączenia miernika do badanego akumulatora

Montaż i uruchomienie

W budowie miernika zrezygnowano z zastosowania elementów w obudowach SMD, więc montaż nie powinien przysporzyć problemu nawet początkującym elektronikom. Płytkę drukowaną zaprojektowano w taki sposób, aby można było wykonać ją metodą termotransferu, to jest z zastosowaniem żelazka. Schemat montażowy miernika pokazano na rysunku 3.

Rysunek 3. Schemat montażowy miernika pojemności akumulatorów samochodowych MPA-10

Przed wlutowaniem mikrokontrolera należy zaprogramować go, używając programatora z podstawką, ponieważ na płytce nie przewidziano złącza służącego do programowania procesora w układzie. Ścieżki, którymi płynie prąd rozładowania akumulatora, należy dodatkowo pocynować.

Po włączeniu miernika pojemności i dołączeniu go szeregowo z amperomierzem do badanego akumulatora, należy ustawić w menu prąd rozładowania 5 A, a następnie uruchomić pomiar pojemności. Korzystając ze wskazań amperomierza, należy za pomocą potencjometru POT_REG ustawić prąd o natężeniu 5 A. W razie zbyt mocnego grzania się tranzystorów Q1…Q5 należy zastosować większy radiator lub wymusić obieg powietrza chłodzącego wentylatorem.

Obsługa

Po włączeniu miernika w pierwszym wierszu wyświetlacza jest pokazywana nazwa podmenu, do którego możemy wejść, naciskając przycisk oznaczony „Enter”. W drugim wierszu wyświetlacza są pokazywane podpowiedzi dla użytkownika.

Do wyboru są takie podmenu, jak: POMIAR, PRĄD POMIAROWY, PRÓG NAPIĘCIA, WYNIKI ZAPISANE, KASOWANIE. Aby zmienić podmenu, należy nacisnąć przycisk oznaczony „Up” lub „Down”. Po wejściu do podmenu POMIAR zostaje uruchomiony pomiar pojemności. Po zakończeniu pomiaru, aby wyjść z podmenu, należy krótko nacisnąć przycisk „Esc”, co spowoduje wyjście bez zapisu wyniku do pamięci miernika. Aby wyjść, można także nacisnąć i przytrzymać przez około 3 sekundy przycisk „Esc”, co spowoduje zapisanie wyniku zmierzonej pojemności do pamięci urządzenia (EEPROM) oraz wyjście z podmenu POMIAR.

W podmenu PRĄD POMIAROWY możemy za pomocą przycisków „Up”, „Down” zmienić wartość prądu rozładowania. W podmenu PROG NAPIĘCIA, za pomocą przycisków „Up”, „Down”, można zmienić wartość napięcia akumulatora, po której osiągnięciu nastąpi zakończenie pomiaru.

W podmenu WYNIKI ZAPISANE użytkownik może przejrzeć zapisane wcześniej wyniki pomiarów pojemności.

Aby wyjść z podmenu PRĄD POMIAROWY, PRÓG NAPIĘCIA lub WYNIKI ZAPISANE, wystarczy nacisnąć „Esc”. Wejście do podmenu KASOWANIE spowoduje wykasowanie zapisanych wyników pomiarów pojemności.

Krzysztof Miękus
lordwest1989@tlen.pl

Wykaz elementów:
Rezystory:
  • R1: 330 Ω
  • R2: 10 kΩ/1%
  • R3: 4,7 kΩ/1%
  • R4, R5: 1,1 kΩ
  • R6: 510 Ω
  • Rw: 0,47 Ω/1%/50 W
  • Rd: 1 Ω/50 W
  • POT_REG: 500 Ω (potencjometr)
  • POT_KON: 20 kΩ (potencjometr)
Kondensatory:
  • C15, C16: 22 pF
  • C2…C5, C11…C14: 100 nF
  • C1: 100 pF
  • C6…C8, C13: 100 μF/25 V
  • C9, C10, C17: 10 μF/25 V
Półprzewodniki:
  • D1…D3: 1N4004
  • IC1: ATmega8 (DIP28)
  • IC2: TL082 (DIP8)
  • IC3: 7815 (TO220)
  • IC4: 7805 (TO220)
  • Q1: tranzystor IRF1404 TO220
Inne:
  • Bezpiecznik F160 mA
  • Rezonator kwarcowy 16 MHz
  • Wyświetlacz 2×16 z kontrolerem HD44780
  • B1…B4: Przycisk zwierny
Artykuł ukazał się w
Elektronika Praktyczna
luty 2019
DO POBRANIA
Pobierz PDF Download icon
Elektronika Praktyczna Plus lipiec - grudzień 2012

Elektronika Praktyczna Plus

Monograficzne wydania specjalne

Elektronik listopad 2025

Elektronik

Magazyn elektroniki profesjonalnej

Raspberry Pi 2015

Raspberry Pi

Wykorzystaj wszystkie możliwości wyjątkowego minikomputera

Świat Radio listopad - grudzień 2025

Świat Radio

Magazyn krótkofalowców i amatorów CB

Automatyka, Podzespoły, Aplikacje listopad - grudzień 2025

Automatyka, Podzespoły, Aplikacje

Technika i rynek systemów automatyki

Elektronika Praktyczna listopad 2025

Elektronika Praktyczna

Międzynarodowy magazyn elektroników konstruktorów

Elektronika dla Wszystkich grudzień 2025

Elektronika dla Wszystkich

Interesująca elektronika dla pasjonatów