Miernik czasów niejednoczesności komutacji

Miernik czasów niejednoczesności komutacji
Pobierz PDF Download icon

Prezentowany projekt przyrządu pomiarowego jest przeznaczony do pomiaru charakterystycznych parametrów czasowych wyłączników energetycznych, to jest: jednoczesności zadziałania, czasu własnego otwarcia i czasu własnego zamknięcia. Ponadto, może być stosowany jako stoper wyzwalany stykiem otwartym lub zamkniętym w trybie zasilania z autonomicznego akumulatora.

Obsługa jest bardzo łatwa dzięki wyposażeniu urządzenia w czytelne menu oraz wyświetlacz alfanumeryczny, na którym są prezentowane wyniki pomiarów, komunikaty oraz menu użytkownika. Całość obsługuje się pojedynczym przyciskiem. Zakresy pomiarowe zmieniane są automatycznie i nie wymagają ingerencji użytkownika. Oprócz tego, miernik jest wyposażony w funkcję generatora, który pozwala sterować cykliczną praca wyłącznika z regulowaną częstotliwością. Ważniejsze parametry techniczne podano w tabeli 1.

Budowa i działanie

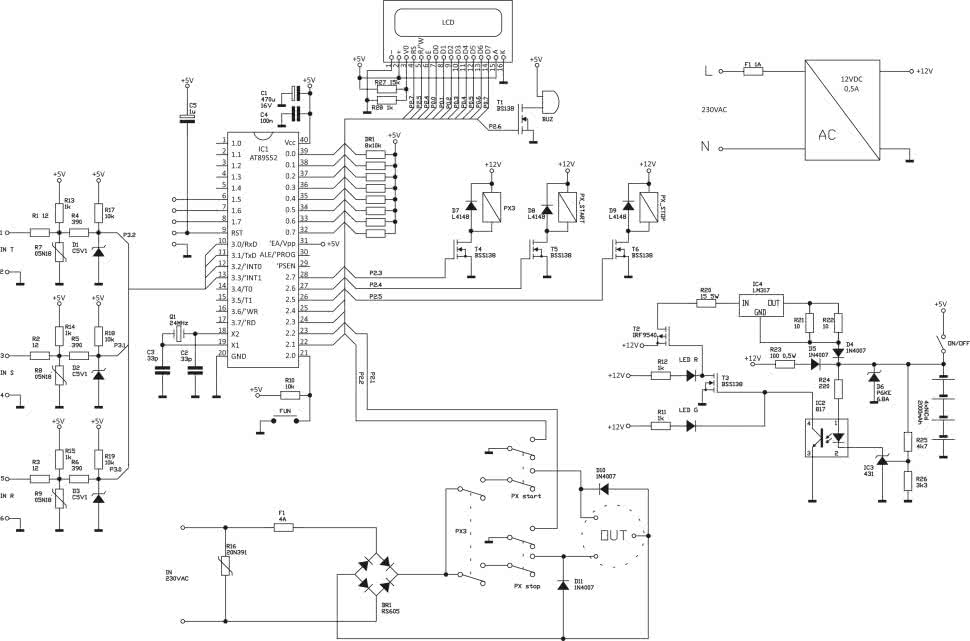
Schemat ideowy miernika czasów niejednoczesności komutacji pokazano na rysunku 1. „Mózgiem” miernika jest mikrokontroler typu AT89S52 oznaczony na schemacie IC1. Aplikacja nie wymaga od mikrokontrolera dodatkowych peryferii, takich ja pamięć EEPROM czy przetwornik A/C. Cena, dostępność narzędzi (programator), dobrze znane środowisko programistyczne oraz łatwość wykonania oprogramowania, zadecydowały o zastosowaniu właśnie tego mikrokontrolera, który jest już nieco niesłusznie zapomniany.

Rysunek 1. Schemat ideowy miernika czasów niejednoczesności komutacji

Układ IC1 obsługuje interfejs użytkownika (matryca LCD i przycisk FUN), steruje poprzez przekaźniki uzwojeniami badanego wyłącznika oraz nadzoruje stan styków badanego wyłącznika. Do portu P0 (szyna danych) mikrokontrolera jest dołączony wyświetlacz ciekłokrystaliczny LCD o rozdzielczości 2 linie ×16 znaków, na którym są pokazywane wyniki pomiarów i komunikaty. Port P0 w zastosowanym mikrokontrolerze jest podciągnięty do plusa zasilania za pomocą drabinki rezystancyjnej DR1, która podwyższa obciążalność prądową i odporność na zaburzenia zewnętrzne.

Wejścia pomiarowe „R”, „S” i „T” są doprowadzone do mikrokontrolera przez trzy bliźniacze obwody. Rezystor R3, R6, pozystor R9 i dioda Zenera D3 chronią wejście mikrokontrolera przed ewentualnym wystąpieniem przepięcia na wejściu pomiarowym „R”. Rezystory R15 i R19 gwarantują stromość zbocza podczas pomiaru. Wejście pomiarowe „R” jest obserwowane przez port P3.0 mikrokontrolera. Wejście pomiarowe „S” nadzoruje port P3.1 mikrokontrolera, a wejście pomiarowe „T” jest doprowadzone do portu P3.2 mikrokontrolera. Kondensator C5 gwarantuje prawidłowy restart mikrokontrolera po włączeniu napięcia zasilania. Mikrokontroler jest taktowany rezonatorem kwarcowym Q1 o częstotliwości 24 MHz. Zastosowanie tak dużej częstotliwości zegarowej gwarantuje precyzyjny pomiar czasu.

Miernik jest wyposażony w 3 przekaźniki elektromagnetyczne typu RM94. Przekaźnik główny Px3 sterowany poprzez tranzystor T4 z portu P2.3 mikrokontrolera odcina napięcie zasilające cewki badanego wyłącznika. Zastosowano go głównie ze względów bezpieczeństwa. Przekaźnik Px_start sterowany poprzez tranzystor T5 z wyprowadzenia P2.4 mikrokontrolera podaje napięcia na cewkę włączającą badanego wyłącznika. Przekaźnik Px_stop sterowany poprzez tranzystor T6 z portu P2.5 mikrokontrolera podaje napięcia na cewkę wyłączającą badany wyłącznik. Diody D7…D9 tłumią samoindukcję cewek przekaźników. Ponadto, do portów P2.1 i P2.2 są dołączone styki pomocnicze przekaźników Px_startPx_stop. W ten sposób mikrokontroler podczas pomiaru pomija czas własny (propagację zadziałania) tych przekaźników.

Napięcie zasilania cewki badanego wyłącznika jest to napięcie zasilania przyrządu wyprostowane przez prostownik BR1. Obwód ten zabezpieczony jest bezpiecznikiem F1. Wyjście napięcia z przekaźników Px_startPx_stop jest zabezpieczone dodatkowo diodami D10 i D11. Jest to konieczne. Bez diody „gaszącej” na cewce wyłącznika po zaniku napięcia indukuje się impuls o bardzo dużej energii. Diody D10 i D11 przylutowane są bezpośrednio do gniazda wyjściowego miernika i nie ma ich na płytce PCB.

Ponieważ cewki wyłączników mogą mieć różne nominalne napięcia zasilania zdecydowałem się na zastosowanie przetwornicy, która z napięcia sieciowego wytwarza napięcie stabilizowane 12 V przeznaczone do zasilania układu ładowarki i przekaźników pomocniczych układu. Stosując gotową przetwornicę (jeden z popularnych zasilaczy impulsowych np. ze starego routera) uzyskano poprawną prace mirnika w zakresie napięcia zasilania między 80…250 V AC. W ten sposób można badać wyłączniki o nominalnym napięciu cewek z tego zakresu stosując np. autotransformator.

Ponieważ miernik może pracować jako stoper, bez konieczności podłączenia zewnętrznego zasilania, wyposażono go w akumulator złożony z 4 ogniw NiCd. Napięcie zasilania systemu mikroprocesorowego pochodzi właśnie z tej baterii ogniw. Do ładowania ogniw służy układ złożony z tranzystora T2 i układu scalonego IC4. Po włączeniu napięcia sieciowego do miernika akumulator jest ładowany prądem 10 godzinnym. Napięcie 12 V z zasilacza impulsowego podawane jest przez tranzystor T2 na stabilizator IC4 typu LM317 pracujący w układzie źródła prądowego gdzie prąd wynosi w przybliżeniu I1=Uref/R, gdzie Uref dla LM317 wynosi 1,25 V, a R równoległe połączenie R21 i R22 tj. 5 Ω. Stąd I1=250 mA. Drugie źródło prądu ładowania akumulatora to obwód złożony z rezystora R23, którego prąd I2 (przy naładowanym akumulatorze) wynosi około 55 mA. Stąd prąd ładowania akumulatora wynosi w przybliżeniu I=I1+I2=300 mA. Ogniwa mają pojemność 2000 mAh. Ustalony prąd I jest większy niż prąd 10 godzinny, ale sytuacja ta zmienia się w chwili włączenia miernika, ponieważ system mikroprocesorowy pobiera część z tej energii. Kiedy podczas procesu ładowania napięcie na akumulatorze podniesie się do około 1,4 V na ogniwo (akumulator jest naładowany), wówczas układ złożony z precyzyjnego źródła napięcia odniesienia IC3 typu TL431 i transoptora IC2 poprzez tranzystor T3 zatka tranzystor T2. Wówczas zgaśnie czerwona dioda LED i zapali się zielona dioda LED, sygnalizując stan naładowania akumulatora. Zostanie wyłączone napięcie ze źródła prądowego IC4 i prąd będzie płynął jedynie przez obwód R23 i diodę D5. Jest to prąd wystarczający do zasilania systemu mikroprocesorowego lub w przypadku wyłączenia miernika prąd konserwujący akumulator. Transil D6 ma za zadanie ochronę systemu mikroprocesorowego przez wzrostem napięcia zasilania w przypadku wystąpienia uszkodzenia akumulatora.

Tranzystor T1 sterowany z portu P2.6 mikrokontrolera, wraz sygnalizatorem akustycznym stanowią element interfejsu użytkownika. Rezystory R27 i R28 ustalają napięcie kontrastu matrycy LCD i nie znajdują się na płytce PCB. Należy dolutować je bezpośrednio do matrycy. Większość projektantów stosuje w tym miejscu potencjometr montażowy. Zastanawiam się czy kiedykolwiek po procesie uruchomienia korzystali z tego potencjometru. Ma to sens jedynie w sytuacji, kiedy układ pracuje w dużym zakresie temperatury i kontrast matrycy znacznie się zmienia, choć i w tym przypadku lepiej byłoby użyć jakiegoś źródła napięcia w funkcji temperatury, a w skrajnie wysokich temperaturach zrezygnować z matrycy LCD na rzecz wyświetlacza LED. Tu dzielnik rezystancyjny w zupełności wystarcza.

Montaż i uruchomienie

Układ miernika zmontowany jest na dwustronnej płytce drukowanej o wymiarach 162 mm×104 mm. Jej schemat montażowy pokazano na rysunku 2. Płytkę wykonałem samodzielnie. Wymaga to nieco pracy przy obwodzie dwustronnym, ale nie jest niemożliwe.

Rysunek 2. Schemat montażowy miernika czasów niejednoczesności komutacji

W pierwszej kolejności należy przylutować elementy SMD. Następnie podstawkę mikrokontrolera oraz pozostałe elementy przewlekane. Na płytce zamontowano goldpiny pełniące funkcję złącza programatora, oznaczone ISP. Matryca LCD jest dołączona za pomocą 16-przewodowej taśmy przez złącze IDC16. Układ IC4 warto wyposażyć w niewielki radiator. Bezpiecznik F1 jest zamontowany na przewodach w gnieździe, aby była możliwa wymiana bezpiecznika z zewnątrz. Akumulatory należy przyłączyć po uruchomieniu układu ładowarki.

Po złożeniu układu należy doprowadzić napięcie zewnętrzne +5 V do systemu mikroprocesorowego i wgrać do procesora poprzez złącze ISP program mcnk32.hex. Napisano go w asemblerze – kod źródłowy z komentarzami oraz plik wynikowy (6,3 kB) są dostępne w materiałach dodatkowych.

Po wgraniu programu i restarcie mikrokontrolera na wyświetlaczu zostanie pokazany komunikat:

MCNK3 V0.2

Po upływie około sekundy zostanie wyświetlony kolejny komunikat:

>STOPER WYLACZNIKI

Obsługa urządzenia odbywa się za pomocą przycisku FUN. Krótkie przyciśnięcie oznacza rezygnację z proponowanej funkcji (krótki sygnał dźwiękowy), a długie przyciśnięcie przycisku FUN powoduje zatwierdzenie proponowanej funkcji (długi sygnał dźwiękowy). Znaczek strzałki proponuje uruchomienie funkcji stopera. Krótkie naciśnięcie przycisku spowoduje przesunięcie się strzałki do pozycji „włączniki”. Należy zatwierdzić funkcję „stoper”. Miernik przejdzie do ustalenia opcji wyzwalania wejść stopera gdzie zarówno wejście start jak i wejście stop może być aktywne na otwarcie lub zamknięcie styku. Szczegóły znajdują się w instrukcji umieszczonej w dodatkach. Warto uruchomić stoper, aby przekonać się, że układ działa poprawnie. Uruchomienie pomiaru stopera sygnalizowane jest dźwiękiem, a zakończenie pomiaru dwoma dźwiękami. Należy pamiętać, że dopóki stoper nie zmierzy 10 sekund na wyświetlaczu będzie 0. Dopiero po 10 sekundach wynik będzie inkrementowany na wyświetlaczu. Takie rozwiązanie wynika z czasu, jaki procesor poświęca na obsługę matrycy LCD. Przy pomiarach poniżej 10 sekund czas obsługi matrycy wprowadzałby do pomiaru istotny błąd. Oczywiście, jeśli mierzony czas będzie krótszy od 10 sekund. Po zakończeniu pomiaru na wyświetlaczu pojawi się dokładny wynik w miejscu 0.

Po sprawdzeniu stopera można sprawdzić układ wyzwalania badanych włączników. System nadal jest zasilany z zewnętrznego źródła 5 V. Potrzebne jest również 12 V DC do zasilania przekaźników. Można użyć zasilacza impulsowego, który docelowo będzie w urządzeniu. Nie należy jednak ze względów bezpieczeństwa podawać napięcia sieciowego na wejście IN230AC (prostownik BR1). Do gniazda 230 V AC należy przyłączyć wtórne uzwojenie transformatora 12 V. Da wyjść miernika (opisane OUT) należy dołączyć 2 żarówki (np. samochodowe 5 W lub 21 W w zależności od tego, jakiej mocy transformator został użyty), imitujące obciążenie cewkami wyłącznika.

Po wejściu do funkcji „wyłączniki” z menu głównego zostanie wyświetlony komunikat:

BADANIE WYLACZNIKA

Po sekundzie pojawi się kolejny komunikat:

CZAS WL. ZAMK. ?

Wybierając tą funkcję dokonujemy pomiaru czasu własnego zamknięcia wyłącznika. Błyśnie żarówka podłączona do przekaźnika Px_start, następnie miernik będzie oczekiwał zwarcia wejść pomiarowych „R”, „S”, „T” do masy (COM) – zamknięcie 3 kolumn wyłącznika) i wyświetli wynik (zmierzony czas) na wyświetlacz. Po wyjściu z tej funkcji błyśnie żarówka podłączona do przekaźnika Px_stop – impuls podawany na cewkę wyłączającą wyłącznik. Oba impulsy, załączający i wyłączający wyłącznik mają czas trwania 250 ms. Jeśli żarówki zachowywały się w opisany sposób to znaczy, że nie popełniliśmy żadnego błędu w montażu i można wejście prostownika BR1 podłączyć do gniazda zasilania sieciowego, razem z wejściem zasilacza impulsowego przeznaczonego do pracy z miernikiem.

Pozostaje uruchomienie ładowarki. Aby sprawdzić poprawność pracy ładowarki zamiast baterii akumulatorów należy dołączyć amperomierz. Po włączeniu napięcia 12 V z zasilacza impulsowego amperomierz powinien pokazać prąd o natężeniu około 300 mA i jednocześnie powinna zaświecić się czerwona dioda LED, a zielona dioda LED powinna być zgaszona. Włączając w szereg z amperomierzem rezystor np. 47 Ω powinna zgasnąć czerwona dioda LED, a zaświecić się zielona sygnalizując naładowanie akumulatora. Prąd zmierzony przez amperomierz powinien wynosić około 50 mA. Jednocześnie, napięcie na dwójniku (rezystor – amperomierz) nie powinno przekraczać 5,5 V.

Jeśli ładowarka działa poprawnie można zainstalować ogniwa i połączyć poprzez włącznik układ zasilania z układem systemu mikroprocesorowego.

Miernik zamontowano w obudowie walizkowej. Na płycie czołowej zamontowano gniazda bananowe do przyłączenia wejść miernika, gniazdo zasilania 230 V AC, wyświetlacz, przycisk funkcyjny, włącznik, diody LED, oraz gniazdo do podłączenia cewek zasilania badanego wyłącznika (fotografia 3, fotografia 4).

Fotografia 3. Rozmieszczenie gniazd pomiarowych
Fotografia 4. Obudowa walizkowa przyrządu

Podczas badania wyłączników możliwy jest pomiar:

  • Czasu własnego zamykania – czas od podania impulsu na cewkę załączającą do zamknięcie ostatniej kolumny włącznika.
  • Czas własny otwierania – czas od podania impulsu na cewkę wyłączającą do chwili otwarcia ostatniej komuny wyłącznika.
  • Jednoczesność zamykania włącznika – czas od zamknięcia pierwsze kolumny do drugiej kolumny oraz czas od zamknięcia pierwszej kolumny do zamknięcia ostatniej (trzeciej) kolumny.
  • Jednoczesność otwierania włącznika – czas od otwarcia pierwsze kolumny do drugiej kolumny oraz czas od otwarcia pierwszej kolumny do otwarcia ostatniej (trzeciej) kolumny.
  • Badanie uzwojeń wyłącznika – sprawdzenie, przy jakim napięciu następuje pewne działanie cewki włączającej i wyłączającej.
  • Funkcja generatora – cykliczne włączanie i wyłączanie wyłącznika.
  • Cykl C-O – pomiar czasu cyklu zamknięcie – otwarcie włącznika.
  • Cykl C-O-C – pomiar czasu cyklu zamknięcie – otwarcie – zamknięcie włącznika.

Wszystkie funkcje i sposób włączenia w obwód pomiarowy opisano w instrukcji dostępnej w materiałach dodatkowych.

Grzegorz Mazur

Wykaz elementów:
Rezystory: (SMD 1206)
  • R1…R3: 12 Ω
  • R4…R6: 390 Ω
  • R7…R9: 05N18
  • R10, R17…R19: 10 kΩ
  • R11…R15, R28: 1 kΩ
  • R16: 20N391
  • R20: 15 Ω/5 W (THT)
  • R21, R22: 10 Ω
  • R23: 100 Ω/0,5 W (THT)
  • R24: 220 Ω
  • R25: 4,7 kΩ
  • R26: 3,3 kΩ
  • R27: 15 kΩ
  • DR1: 8×10 kΩ (drabinka rezystorowa)
Kondensatory: (SMD 1206)
  • C1: 470 μF/16 V (elektrolit.)
  • C2, C3: 33 pF
  • C4: 100 nF
  • C5: 1 μF/16 V (elektrolit.)
Półprzewodniki:
  • IC1: AT89S52 (DIP40)
  • IC2: LT817 (DIP4)
  • IC3: TL431 (TO92)
  • IC4: LM317 (TO220)
  • T1: BSS138 (SOT-23)
  • T2: IRF9540 (TO220)
  • T3…T6: BSS138 (SOT-23)
  • D1…D3: BZX C5V1 (DO-35)
  • D4, D5: 1N4007 (DO-41)
  • D6: P6KE6,8A (DO-15)
  • D7…D9: L4148 (1206)
  • D10, D11: 1N4007 (DO-41)
  • LEDG: zielony LED 3 mm
  • LEDR: czerwony LED 3 mm
  • BR1: mostek prostowniczy np. RS605
Pozostałe:
  • Q1: rezonator kwarcowy 24 MHz
  • Przekaźnik RM94 cewka 12 V DC – 3 szt.
  • Wyświetlacz LCD 2 linie×16 znaków
  • Sygnalizator dźwiękowy z generatorem, zasilanie 6 V np. CFG06
  • Ogniwa NiCd 1,2 V – 4 szt.
Elektronika Praktyczna Plus lipiec - grudzień 2012

Elektronika Praktyczna Plus

Monograficzne wydania specjalne

Elektronik grudzień 2025

Elektronik

Magazyn elektroniki profesjonalnej

Raspberry Pi 2015

Raspberry Pi

Wykorzystaj wszystkie możliwości wyjątkowego minikomputera

Świat Radio styczeń - luty 2026

Świat Radio

Magazyn krótkofalowców i amatorów CB

Automatyka, Podzespoły, Aplikacje listopad - grudzień 2025

Automatyka, Podzespoły, Aplikacje

Technika i rynek systemów automatyki

Elektronika Praktyczna grudzień 2025

Elektronika Praktyczna

Międzynarodowy magazyn elektroników konstruktorów

Elektronika dla Wszystkich styczeń 2026

Elektronika dla Wszystkich

Interesująca elektronika dla pasjonatów