Latarka UV na USB

Latarka UV na USB
Pobierz PDF Download icon

Projekt powstał jako pomoc przy analizowaniu pokrycia lakierem płytki PCB. Dzięki temu prostemu urządzeniu o wiele łatwiej odróżnić powierzchnię PCB, jak i elementy, pokryte lakierem od niepokrytych obszarów. Jednak od razu zaznaczam, że nie wszystkie lakiery do PCB „świecą” w świetle UV.

Podstawowe parametry:
  • długość fali zastosowanych diod LED zbliżona do zakresu UV-A,
  • diody LED zasilane z dwóch źródeł prądowych 20 mA,
  • zasilanie z portu USB.

Prezentowana latarka została zaprojektowana jako wkładka do portu USB. Dzięki temu jest to rozwiązanie tanie, a zarazem łatwe w eksploatacji, z racji popularności złącza USB.

Geneza projektu.

Budowa i działanie

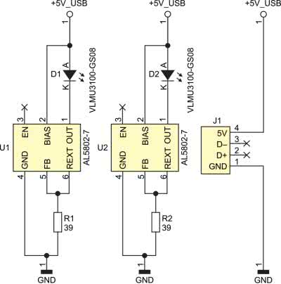
Schemat urządzenia został pokazany na rysunku 1. Złącze J1 to złącze USB wykonane bezpośrednio na płytce PCB.

Rysunek 1. Schemat elektryczny układu

Wytrawione pola służą jako pady do kontaktu ze stykami gniazda USB i doprowadzają zasilanie do elementów układu. Płytka powinna być wykonana na laminacie o grubości 2 mm, dzięki czemu będzie dobrze pasowała do gniazda USB.

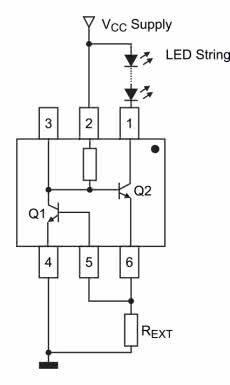
Rysunek 2. Typowy układ aplikacyjny układu AL5802-7

Elementy U1 i U2 to układ typu AL5802-7, czyli źródło prądowe zbudowane z 2 tranzystorów NPN. Na rysunku 2 pokazano typowy układ aplikacyjny. Prąd wyjściowy jest ustalany za pomocą rezystora R1 (R2). Jego wartość dobiera na podstawie wzoru:

Po przekształceniu wzoru otrzymujemy:

Załóżmy, że ustalamy prąd wyjściowy na 20 mA. Wartości podane są w dokumentacji (rysunek 3).

Rysunek 3. Fragment dokumentacji pokazujący parametry tranzystora Q1

Po przeliczeniu i zaokrągleniu do typowych wartości rezystorów z typoszeregu otrzymujemy wartość 39 Ω i prąd diody 19,2 mA. Rezystor może być w obudowie SMD0603, najlepiej o tolerancji 1%.

Rysunek 4. Fragment dokumentacji pokazujący parametry elektryczne i optyczne diody UV

Diody LED UV, oznaczone na schemacie D1 i D2 to VLMU3100-GS08. Ich napięcie przewodzenia UF mieści się w zakresie 2,8...3,8 V, natomiast typową wartością jest 3,2 V. Więcej parametrów optycznych i elektrycznych pokazuje fragment dokumentacji z rysunku 4.

Ze względu na wysokie napięcie przewodzenia nie można było połączyć dwóch takich diod w szereg przy zasilaniu z 5 V. Zastosowano dwa układy AL5802-7, po jednym na każdą diodę. Absolutny maksymalny prąd diody w kierunku przewodzenia wynosi IF=30 mA. W prezentowanym układzie prąd diod został ograniczony do 20 mA.

Montaż i uruchomienie

Schemat płytki PCB pokazuje rysunek 5. Montaż najlepiej rozpocząć od wlutowania układów U1 i U2.

Rysunek 5. Schemat płytki PCB

Następnie rezystory R1 i R2, a na końcu diody D1 i D2. Układ nie wymaga uruchomienia. Po zlutowaniu można od razu podłączyć do portu USB.
Latarkę można również stosować do sprawdzania znaków wodnych, na przykład na banknotach (fotografia 1).

Fotografia 1. Widok banknotu w świetle UV

Długość fali zastosowanych diod LED jest zbliżona do zakresu UV-A. Ten zakres promieniowania nie ma właściwości sterylizujących. Takie właściwości ma zakres UV-C.

Uwaga! Nie należy wystawiać się na długotrwałe działanie promieniowania UV, w szczególności należy chronić oczy.

Sławomir Kabat
korydalin@gmail.com

Wykaz elementów:
Rezystory:
  • R1, R2: 39 Ω SMD0603 1%
Kondensatory:
Półprzewodniki:
  • D1, D2: dioda LED UV typu VLMU3100-GS08
  • U1, U2: AL5802-7
Inne:
Artykuł ukazał się w
Elektronika Praktyczna
styczeń 2021
DO POBRANIA
Pobierz PDF Download icon
Materiały dodatkowe
Elektronika Praktyczna Plus lipiec - grudzień 2012

Elektronika Praktyczna Plus

Monograficzne wydania specjalne

Elektronik listopad 2025

Elektronik

Magazyn elektroniki profesjonalnej

Raspberry Pi 2015

Raspberry Pi

Wykorzystaj wszystkie możliwości wyjątkowego minikomputera

Świat Radio listopad - grudzień 2025

Świat Radio

Magazyn krótkofalowców i amatorów CB

Automatyka, Podzespoły, Aplikacje listopad - grudzień 2025

Automatyka, Podzespoły, Aplikacje

Technika i rynek systemów automatyki

Elektronika Praktyczna listopad 2025

Elektronika Praktyczna

Międzynarodowy magazyn elektroników konstruktorów

Elektronika dla Wszystkich grudzień 2025

Elektronika dla Wszystkich

Interesująca elektronika dla pasjonatów