Czerwona latarka LED

Czerwona latarka LED
Pobierz PDF Download icon

Projekt powstał z potrzeby. Mając małe dziecko, nie raz trzeba wstawać w nocy, aby je np. przebrać. Światło jest wtedy niezbędne, by widzieć, co się robi. Ale każdy, kto ma małe dzieci, wie, jak ciężko czasem jest je ponownie utulić do spania. Dlatego żaden rodzic nie chciałby obudzić dziecka w środku nocy podczas jego przewijania. Pomyślałem o latarce świecącej na czerwono. Jest to światło, przy którym widzimy przedmioty w nocy, ale zarazem nie jest tak jaskrawe, aby mogło obudzić śpiące dziecko.

Podstawowe parametry:
  • latarka w formie płytki wtykanej bezpośrednio do portu USB,
  • stabilizowany prąd zasilania diod LED, ustawiony na 30 mA,
  • możliwość zwiększenia prądu do max. 60 mA

Na początku chciałem kupić gotowe rozwiązanie, ale latarkę świecącą na czerwono trudno znaleźć. Jeśli już ma taką funkcjonalność, zazwyczaj ma również światło białe, i żeby zaświecić kolor czerwony, trzeba przejść przez kilka trybów świecenia na biało (łącznie z trybem stroboskopowym).

Takie działanie dyskwalifikuje latarkę do mojego zastosowania. Wtedy pomyślałem nad niedużym kawałkiem PCB, wtykanym bezpośrednio do portu USB, na przykład do power banku. Płytka miałaby 2 diody LED koloru czerwonego. Proste i tanie rozwiązanie, całkowicie spełniające moje potrzeby.

Budowa i działanie

Na rysunku 1 został pokazany schemat elektryczny latarki. Złącze USB jest oznaczone jako element U2. Nie jest to fizyczna złączka, a jedynie pady umieszczone na PCB. Płytka została zamówiona na laminacie o grubości 2 mm. Jest to grubość wystarczająca do tego, aby płytka nie wypadała z gniazda USB oraz by umożliwić pewny styk. Z portu USB pochodzi zasilanie całego urządzenia.

Rysunek 1. Schemat elektryczny latarki

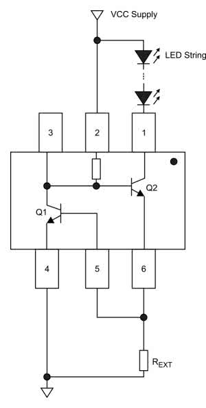
Układ oznaczony U1 to AL5802-7. Jest to sterownik diod LED, działający jak źródło prądowe zbudowane z 2 tranzystorów NPN. Typowy układ aplikacyjny został pokazany na rysunku 2.

Rysunek 2. Schemat aplikacyjny układu AL5802-7

W latarce nie stosuję sterowania PWM. Prąd wyjściowy ustalam za pomocą rezystora R1=24 Ω. Jego wartość dobiera się według wzoru:

Po przekształceniu wzoru otrzymujemy:

Jeżeli ustalimy prąd wyjściowy na 30 mA, a wartość VBE(Q1) podstawimy z dokumentacji (rysunek 3), to po uwzględnieniu wartości rezystorów z typoszeregu najbliżej wymaganej wartości jest rezystor 24 Ω.

Rysunek 3. Podstawowe parametry układu AL5802-7

Najlepiej, aby był to element o tolerancji 1%. Całkowicie wystarczy rezystor w obudowie SMD0603.

Zastosowane diody LED (D1 i D2) to LL-R2835VC-V1M-M12 w obudowie SMD2835. Podstawowe parametry diody zawarte są w tabeli 1. Ogranicznik prądowy ustawiony jest na 30 mA, a więc na połowę maksymalnego dopuszczalnego prądu diody.

Montaż i uruchomienie

Schemat płytki pokazano na rysunku 4. Montaż najlepiej zacząć od układu U1, potem diody D1, D2 a na końcu rezystor R1. Diody najlepiej przylutować za pomocą pasty z topnikiem i stacją na gorące powietrze. Dzięki temu można uzyskać dużą powierzchnię styku lutowia, dzięki której dioda będzie miała lepsze odprowadzanie ciepła do warstwy miedzi na PCB.

Rysunek 4. Schemat płytki PCB wraz z rozmieszczeniem elementów

Uruchomienie również jest proste – układu nie trzeba kalibrować. Po zlutowaniu warto sprawdzić, czy na padach zasilających od portu USB nie ma zwarcia. Jeśli wszystko jest w porządku, to możemy podłączyć płytkę do portu USB i zobaczyć, czy diody świecą.

Fotografia 1. Efekt działania latarki

Na fotografii 1 pokazano zdjęcie zrobione w nocy przy oświetleniu latarką zasilaną z power banku. Jak widać, jasność jest dość duża. Jeśli ktoś chce ją zmniejszyć, wystarczy zmienić wartość rezystora. Gdyby jednak ktoś potrzebował więcej światła, należy R1 zwiększyć. Jednak trzeba pamiętać o maksymalnej mocy wydzielanej w diodach oraz o temperaturze ich pracy.

Sławomir Kabat
korydalin@gmail.com

Wykaz elementów:
Rezystory:
  • R1: 24 Ω SMD0603
Kondensatory:
Półprzewodniki:
  • U1: AL5802-7
  • D1, D2: diody LED typu LL-R2835VC-V1M-M12
Inne:
 
Artykuł ukazał się w
Elektronika Praktyczna
sierpień 2020
DO POBRANIA
Pobierz PDF Download icon
Elektronika Praktyczna Plus lipiec - grudzień 2012

Elektronika Praktyczna Plus

Monograficzne wydania specjalne

Elektronik listopad 2025

Elektronik

Magazyn elektroniki profesjonalnej

Raspberry Pi 2015

Raspberry Pi

Wykorzystaj wszystkie możliwości wyjątkowego minikomputera

Świat Radio listopad - grudzień 2025

Świat Radio

Magazyn krótkofalowców i amatorów CB

Automatyka, Podzespoły, Aplikacje listopad - grudzień 2025

Automatyka, Podzespoły, Aplikacje

Technika i rynek systemów automatyki

Elektronika Praktyczna listopad 2025

Elektronika Praktyczna

Międzynarodowy magazyn elektroników konstruktorów

Elektronika dla Wszystkich grudzień 2025

Elektronika dla Wszystkich

Interesująca elektronika dla pasjonatów