Czterokanałowy uniwersalny izolator sygnałów cyfrowych

Czterokanałowy uniwersalny izolator sygnałów cyfrowych
Pobierz PDF Download icon

Minimoduł umożliwia galwaniczną separację czterech sygnałów cyfrowych pracujących z maksymalną prędkością 100 Mbps. W module zastosowano nowoczesny układ ISO7841 z rozbudowanej rodziny izolatorów oferowanych przez Texas Instruments.

Podstawowe parametry:
  • separacja galwaniczna 4 kanałów,
  • maksymalna prędkość każdego kanału: 100 Mbps,
  • wbudowana przetwornica separująca zasilanie o mocy 0,65 W,
  • zasilanie 3,3/5 V.

Schemat wewnętrzny układu pokazano na rysunku 1. Układ zawiera wszystkie elementy niezbędne do realizacji izolowanej transmisji 4 kanałów cyfrowych wraz z wbudowaną przetwornicą separacyjną o ustawianym napięciu wyjściowym 3,3/5 V. Przetwornica może dostarczyć do 0,65 W, co umożliwia i upraszcza zasilanie, także separowanego układu, np. przetwornika ADC. Układ zasilany jest napięciem 3,3/5 V i dostępny jest w obudowie SOIC-W16.

Rysunek 1. Schemat wewnętrzny ISOW784x (za notą Texas Instruments)

W obrębie rodziny ISOW784x zgodnej wyprowadzeniami i obudową możliwy jest wybór kierunku transmisji:

  • ISOW7840, 4 kanały wejściowe, 4DI,
  • SOW7841, 3 wejściowe, 1 wyjściowy, 3DI/1DO,
  • ISOW7842, 2 wejściowe, 2 wyjściowe, 2DI/2DO,
  • ISOW7843, 1 wejściowy, 3 wyjściowe, 1DI/3DO,
  • ISOW7844, 4 wyjściowe, 4 DO.

Wejście rozumiane jest jako pin od strony pierwotnej zasilania układu.

Budowa i działanie

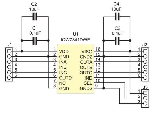
Schemat modułu został pokazany na rysunku 2. Rozwiązanie nie odbiega od proponowanego w karcie aplikacyjnej i składa się z układu ISOW7841 oraz kondensatorów odsprzęgających. Konfiguracja z 3 torami wejściowymi i jednym wyjściowym jest odpowiednia np. do izolacji magistrali SPI. Sygnały i zasilane doprowadzone są do złączy szpilkowych w rozstawie płytek stykowych. Zwora J3 ustawia sygnał SEL i tym samym ustawia napięcie wyjściowe wbudowanej przetwornicy. Zwarcie do VISO ustawia napięcie 5 V, zwarcie do masy daje napięcie 3,3 V.

Rysunek 2. Schemat ideowy układu

Montaż i uruchomienie

Moduł izolatora zmontowany jest na dwustronnej płytce drukowanej, której schemat wraz z rozmieszczeniem elementów pokazuje rysunek 3.

Rysunek 3. Schemat płytki PCB wraz z rozmieszczeniem elementów a) strona TOP, b) strona BOTTOM

Montaż jest typowy i nie wymaga opisu. Zmontowany moduł pokazano na fotografii tytułowej, nie wymaga uruchamiania i jest gotowy do pracy po konfiguracji napięcia wyjściowego i podłączeniu zasilania. Układ wymaga zasilania 3,3/5 V, praca w trybie podwyższania napięcia (wejście 3,3 V, wyjście 5 V) jest możliwa, ale nie jest polecana przez producenta.

Adam Tatuś

adam.tatus@ep.com.pl

Wykaz elementów:
Rezystory:
Kondensatory:
  • C1, C3: 0,1 μF SMD0603
  • C2, C4: 10 μF SMD0603
Półprzewodniki:
  • U1: ISOW7841DWE SO16W (lub ISOW784x w zależności od aplikacji)
Inne:
  • J1, J2: Listwa SIP3 2 mm + zwora
  • J3: Listwa SIP6 2,54 mm
Artykuł ukazał się w
Elektronika Praktyczna
czerwiec 2020
DO POBRANIA
Pobierz PDF Download icon
Elektronika Praktyczna Plus lipiec - grudzień 2012

Elektronika Praktyczna Plus

Monograficzne wydania specjalne

Elektronik listopad 2025

Elektronik

Magazyn elektroniki profesjonalnej

Raspberry Pi 2015

Raspberry Pi

Wykorzystaj wszystkie możliwości wyjątkowego minikomputera

Świat Radio listopad - grudzień 2025

Świat Radio

Magazyn krótkofalowców i amatorów CB

Automatyka, Podzespoły, Aplikacje listopad - grudzień 2025

Automatyka, Podzespoły, Aplikacje

Technika i rynek systemów automatyki

Elektronika Praktyczna listopad 2025

Elektronika Praktyczna

Międzynarodowy magazyn elektroników konstruktorów

Elektronika dla Wszystkich grudzień 2025

Elektronika dla Wszystkich

Interesująca elektronika dla pasjonatów