Regulowany bezpiecznik

Regulowany bezpiecznik
Pobierz PDF Download icon

Zwykły bezpiecznik topikowy jest mało praktyczny do zabezpieczenia przed nadmiernym poborem prądu, ponieważ wymaga wymiany po zadziałaniu. Prezentowany układ pełni taką samą funkcję – czyli odcina dopływ prądu po przekroczeniu zadanej wartości, ale umożliwia łatwe przywrócenie zasilania. Próg zadziałania można wybrać z zakresu 0,25 A...3 A.

Podstawowe parametry:
  • odłączanie zasilania po przekroczeniu ustalonego progu poboru prądu,
  • możliwe do ustawienia wartości prądu maksymalnego: 0,25 A, 0,5 A, 0,75 A, 1 A, 1,5 A, 2 A, 2,5 A, 3 A,
  • przywrócenie zasilania badanemu obwodowi po wciśnięciu przycisku,
  • sygnalizacja stanu zasilania monitorowanego obwodu (załączone/wyłączone) na dwóch diodach LED,
  • współpraca z obwodami prądu stałego, zasilanych napięciem do 50 V,
  • zasilanie stałym napięciem 12 V,
  • pobór prądu ok. 30 mA.

Przedstawiony układ działa jak wyłącznik nadmiarowoprądowy – po przekroczeniu zadanej wartości pobieranego prądu odcina dopływ zasilania i sygnalizuje to przełączeniem diod LED. Przywrócenie zasilania jest bardzo proste, wystarczy pstryknąć przyciskiem. Układ doskonale nadaje się do monitorowania stanu pracy układów, które łatwo mogą zostać przeciążone, np. zawierających silniki prądu stałego lub do uchronienia testowanych prototypów przed bezpowrotnym zniszczeniem w razie awarii.

Budowa i działanie

Schemat ideowy układu pokazano na rysunku 1. Nie zawiera układów programowalnych, a działanie opiera się na kilku nieskomplikowanych i popularnych podzespołach, więc analiza jego działania będzie prosta nawet dla mniej zaawansowanych elektroników.

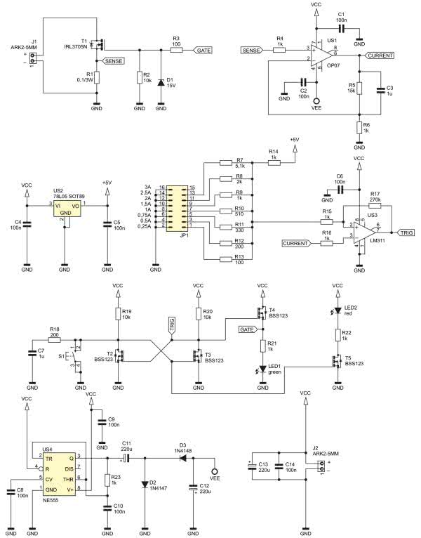
Rysunek 1. Schemat ideowy układu bezpiecznika

Przewód "masowy" nadzorowanego obciążenia należy przeciąć i przyłączyć do zacisków złącza J1. Prąd będzie wtedy płynął przez tranzystor T1 oraz rezystor R1, który służy do pomiaru natężenia prądu. Po zatkaniu tranzystora prąd przestanie płynąć. Obwód bramki T1 jest zabezpieczony diodą Zenera D1, aby nie doszło do przypadkowego przebicia izolacji bramka-kanał tego tranzystora, dla którego maksymalna wartość napięcia bramka-źródło wynosi 16 V. Rezystor R2 rozładowuje pojemność bramka-źródło, dlatego przypadkowo nagromadzone ładunki elektrostatyczne go nie otworzą. Rezystor R3 ogranicza prąd przepływający przez obwód sterujący bramką, gdyby takowy wystąpił – wskutek np. nieoczekiwanego wzrostu napięcia zasilającego powyżej 15 V.

Wybór tranzystora nie był przypadkowy. Rezystancja otwartego kanału wynosi zaledwie 10 mΩ. Oznacza to, że przy przepływie prądu o natężeniu 3 A (maksymalna możliwa do ustawienia wartość) na tranzystorze wydzieli się moc zaledwie 90 mW, co jest możliwe do rozproszenia bez jakiegokolwiek radiatora.

Wnikliwy czytelnik zauważy, że spadek napięcia na R1 zmniejsza efektywne napięcie bramka-źródło widziane przez T1 w stanie jego otwarcia. To prawda, lecz na R1 odłoży się nie więcej niż 0,3 V (3 A·0,1 Ω), co, wobec potencjału bramki wynoszącego ok. 10 V, jest wartością całkowicie pomijalną. Za to uprościł się pomiar prądu, który sprowadza się do zmierzenia spadku napięcia na rezystorze, podłączonego jednym wyprowadzeniem do masy. Napięcie z rezystora musi zostać wzmocnione, aby komparator mógł działać prawidłowo. Wzmacniacz powinien cechować się niską wartością napięcia niezrównoważenia, stąd wybór padł na popularny precyzyjny wzmacniacz operacyjny, jakim jest OP07. Niestety, w przeciwieństwie do układów typu LM358, nie potrafi on prawidłowo obsługiwać napięć bliskich potencjałom linii zasilających, stąd zaszła konieczność dodania prostego generatora napięcia ujemnego. Wzmocnienie tego członu wynosi 16 V/V.

Rezystor R4 kompensuje wpływ prądów polaryzujących wejścia wzmacniacza, przez co nie powstaje dodatkowa, niepożądana składowa stała napięcia wyjściowego. Kondensator C3 ogranicza górną częstotliwość graniczną do, zaledwie, 10 Hz. To zaś przekłada się na maksymalny czas narastania rzędu 35 ms – krótkie impulsy o charakterze szpilkowym, powstające np. wskutek ładowania kondensatorów wewnątrz zasilanego układu, nie będą powodowały jego zadziałania.

Napięcie referencyjne, którym sterowany jest komparator, dostarcza stabilizator typu 78L05. Dokładność nie jest wprawdzie wysoka, ale wystarczająca na potrzeby tak prostego układu. Zaletą jego zastosowania jest niska cena oraz wysoka wydajność prądowa. Powstałe w ten sposób napięcie o wartości 5 V jest dzielone z użyciem dzielnika napięcia, który tworzy rezystor R14 i jeden z rezystorów R7…R13. Tabela 1 zawiera zestawienie uzyskiwanych w ten sposób napięć, podawanych na wejście nieodwracające oraz odpowiadających im wartości prądów wyzwalających. Na wejście odwracające wchodzi sygnał ze wzmacniacza, co oznacza, że przekroczenie dopuszczalnej wartości prądu spowoduje szybkie nasycenie jego tranzystora wyjściowego, czyli spadek potencjału wyjścia. Aby zminimalizować ryzyko powstawiania oscylacji na progu przełączenia, wprowadzono niewielką histerezę, którą realizuje rezystor R17.

Układ musi mieć jednobitową "pamięć", która pozwoli utrzymać tranzystor wykonawczy w stanie pełnego otwarcia lub zatkania bez ograniczeń czasowych. Posłużył do tego nieco już dzisiaj zapomniany przerzutnik Eccles-Jordana, wykonany na tranzystorach… MOSFET. Pozwoliło to uprościć układ poprzez pominięcie rezystorów ograniczających prądy baz. Uzyskany w ten sposób przerzutnik typu SR służy do zapamiętania stanu układu. Użytkownik, poprzez zwarcie styków S1, może załączyć tranzystor T2, jednocześnie wyłączając T3. To samo robi również kondensator C7, który stanowi zwarcie przez chwilę od włączenia zasilania układu. Daje to gwarancję, że układ zawsze uruchomi się w tym samym stanie, tj. z załączonym obciążeniem. Rezystor R18 ogranicza prąd przeładowywania tego kondensatora.

Kiedy potencjał drenu T3 jest wysoki, niemal równy napięciu zasilającemu, wtedy tranzystor wyjściowy T1 przewodzi. Jego załączenie odbywa się za pośrednictwem wtórnika napięciowego, który realizuje tranzystor T4. Przyspiesza to proces załączania, a jednocześnie dren tranzystora T3 nie jest obciążany dodatkowym prądem. Potencjał bramki T1 będzie niższy od napięcia zasilającego o ok. 2 V, lecz to wystarczy, aby go w pełni otworzyć. Jednocześnie zostaje załączona dioda LED1 i wyłączona LED2.

Zmiana stanu tego przerzutnika na przeciwny jest możliwa wyłącznie przez nasycenie tranzystora wyjściowego w komparatorze US3, ponieważ zostaje wtedy zatkany tranzystor T2 i otwarty T3. Potencjał drenu T2 wzrasta, ładując jednocześnie kondensator C7, co otwiera jednocześnie tranzystor T3. Wtórnik napięciowy ulega zatkaniu: zatyka się również tranzystor T1, gaśnie dioda LED1 i załącza się LED2. Układ sygnalizuje, że wystąpił nadmierny pobór prądu.

Do wytwarzania napięcia ujemnego służy bardzo prosty obwód z układem 555 w roli głównej. Jego napięcie wyjściowe wynosi ok. –10 V i nie jest stabilizowane, ponieważ nie ma takiej potrzeby – parametr PSRR zasilanego układu (US1) wynosi jedynie 5 μV/V i wpływ ewentualnych wahań tego napięcia będzie pomijalny.

Montaż i uruchomienie

Układ został zmontowany na dwustronnej płytce drukowanej o wymiarach 50×65 mm, której schemat montażowy oraz wzór ścieżek pokazuje rysunek 2. Otwory montażowe znajdują się w odległości 3 mm od krawędzi płytki.

Rysunek 2. Schemat płytki bezpiecznika wraz z rozmieszczeniem elementów

Większość elementów jest montowana powierzchniowo, a wszystkie one znajdują się na wierzchniej stronie płytki (Top). Po tej samej stronie znajdują się również podzespoły przewlekane (THT). Montując rezystor R1, warto przylutować go na nieco dłuższych wyprowadzeniach, aby poprawić jego chłodzenie.

Tranzystor T1 został umieszczony przy krawędzi płytki, lecz nie powinien wymagać dodatkowego chłodzenia. Gdyby został zastosowany tranzystor innego typu, o większej rezystancji otwartego kanału, wówczas może zajść potrzeba jego chłodzenia.

Prawidłowo zmontowany układ nie wymaga jakichkolwiek czynności uruchomieniowych. Jest gotowy do działania po podłączeniu do źródła zasilania o napięciu ok. 12 V, z którego pobiera prąd o natężeniu ok. 30 mA. Należy również wybrać żądaną wartość prądu maksymalnego poprzez nałożenie zworki na odpowiednie wyprowadzenia JP1.

Eksploatacja

Układ regulowanego bezpiecznika należy włączyć do monitorowanego obwodu zgodnie z rysunkiem 3, pamiętając jednocześnie o tym, że masy obu zasilaczy są połączone na płytce. Maksymalne napięcie, jakim może być zasilany nadzorowany układ, wynosi 50 V i jest ograniczone wytrzymałością napięciową zastosowanego tranzystora T1.

Rysunek 3. Schemat podłączenia układu

Po włączeniu zasilania dla układu (podawanego na zaciski złącza J2), dioda LED1 załączy się, a LED2 pozostanie wygaszona. To oznacza, że między zaciskami złącza J1 może przepływać prąd, ponieważ tranzystor T1 przewodzi. Po przekroczeniu prądu maksymalnego diody przełączają się, a zasilanie zostaje odcięte.

Przywrócenie przewodzenia przez T1 jest możliwe po krótkotrwałym wciśnięciu przycisku S1.

Tolerancja użytych elementów, rozrzuty pozostałych parametrów oraz histereza komparatora powodują powstanie pewnej odchyłki między wartością prądu podaną na płytce a tą, przy której układ faktycznie zareaguje. W tabeli 2 zebrano wyniki tych pomiarów. Spadek napięcia na zaciskach złącza J1 uzależniony jest od natężenia płynącego przez nie prądu. Jego wartość maksymalna wynosi ok. 0,35 V (dla prądu 3 A).

Michał Kurzela, EP

 

Wykaz elementów:
Rezystory:
  • R1: 0,1 Ω 3 W
  • R2, R19, R20: 10 kΩ SMD0805
  • R3, R13: 100 Ω SMD0805
  • R4, R6, R9, R14…R16, R21…R23: 1 kΩ SMD0805
  • R5: 15 kΩ SMD0805
  • R7: 5,1 kΩ SMD0805
  • R8: 2 kΩ SMD0805
  • R10: 510 Ω SMD0805
  • R11: 330 Ω SMD0805
  • R12, R18: 200 Ω SMD0805
  • R17: 270 kΩ SMD0805
Kondensatory:
  • C1, C2, C4…C6, C8…C10, C14: 100 nF SMD0805
  • C3, C7: 1 μF SMD0805
  • C11…C13: 220 μF/25 V THT
Półprzewodniki:
  • D1: Zener 15 V 0,4 W MiniMELF
  • D2, D3: 1N4148 MiniMELF
  • LED1: zielona 5 mm
  • LED2: czerwona 5 mm
  • T1: IRL3705N TO220
  • T2…T5: BSS123 SOT23
  • US1: OP07 SO8
  • US2: 78L05 SOT89
  • US3: LM311 SO8
  • US4: NE555 SO8
Inne:
  • J1, J2: ARK2 5 mm
    JP1: goldpin 2×8 pin męski 2,54 mm THT + zworka
    S1: microswitch 6×6 mm, wysokość 13 mm
Artykuł ukazał się w
Elektronika Praktyczna
listopad 2019
DO POBRANIA
Pobierz PDF Download icon
Elektronika Praktyczna Plus lipiec - grudzień 2012

Elektronika Praktyczna Plus

Monograficzne wydania specjalne

Elektronik listopad 2025

Elektronik

Magazyn elektroniki profesjonalnej

Raspberry Pi 2015

Raspberry Pi

Wykorzystaj wszystkie możliwości wyjątkowego minikomputera

Świat Radio listopad - grudzień 2025

Świat Radio

Magazyn krótkofalowców i amatorów CB

Automatyka, Podzespoły, Aplikacje listopad - grudzień 2025

Automatyka, Podzespoły, Aplikacje

Technika i rynek systemów automatyki

Elektronika Praktyczna listopad 2025

Elektronika Praktyczna

Międzynarodowy magazyn elektroników konstruktorów

Elektronika dla Wszystkich grudzień 2025

Elektronika dla Wszystkich

Interesująca elektronika dla pasjonatów