Zasilacz do ministudia fotograficznego

Zasilacz do ministudia fotograficznego

Opisany zasilacz powstał z potrzeby chwili, związanej z koniecznością znaczącego wydłużenia czasu pracy zestawu do makrofotografii, składającego się z aparatu fotograficznego, lamp doświetlających oraz monitora podglądowego, a pracującego w miejscu pozbawionym dostępu do zasilania sieciowego.

Podstawowe parametry:
  • napięcia wyjściowe: 5 V (1,5 A), 8,4 V (2 A lub 2×1,5 A), 12 V (1,5 A),
  • zasilanie: 1..3 akumulatorów NP-F970/F990,
  • obwody 8,4 V zabezpieczone bezpiecznikami polimerowymi (wyjścia 2×1,5 A) oraz szybkim bezpiecznikiem elektronicznym (wyjście 2 A),
  • dwa gniazda USB A udostępniające napięcie 5 V @ 1,5 A (sumarycznie),
  • wbudowane obwody przełączania wejść, ułatwiające wymianę akumulatorów w trakcie użytkowania zasilacza.

Zasilacz dostarcza typowych napięć 5 V, 8,4 V oraz 12 V, stosowanych w osprzęcie fotograficznym. Jako źródło energii użyte zostały trzy akumulatory typu NP-F970/F990. Wbudowany obwód sumatora zasilania (diody OR-Ring) umożliwia wydłużenie czasu pracy zasilacza oraz zapewnia możliwość wymiany rozładowanych akumulatorów bez konieczności wyłączania systemu (funkcja hot-swap) i związanego z tym przerywania sesji.

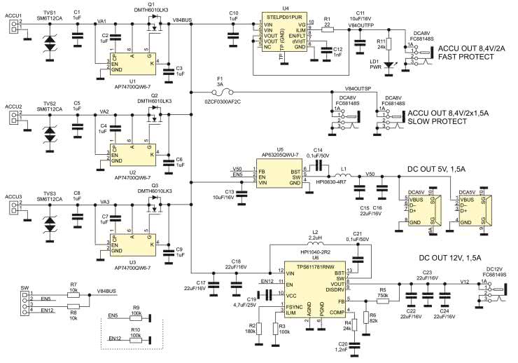
Rysunek 1. Schemat ideowy zasilacza

Schemat zasilacza pokazano na rysunku 1. Układ składa się z czterech bloków funkcjonalnych:

  • kontrolera redundancji zasilania z diodami OR-Ring,
  • przetwornicy obniżającej 5 V/1,5 A,
  • obwodów rozdziału i zabezpieczeń napięcia 8,4 V,
  • przetwornicy podwyższającej 12 V/1,5 A.

Pierwszy z wymienionych podsystemów oparty jest na sterownikach diody idealnej AP74700W, współpracujących z tranzystorami kluczującymi MOSFET o niskiej rezystancji Rds w stanie przewodzenia. Każdy z trzech akumulatorów, podłączonych do odpowiadającego im złącza spośród ACCU1..3, współpracuje z własnym kontrolerem diody idealnej U1..3. Wyjścia wszystkich trzech kontrolerów połączone są równolegle w pierścień OR-Ring zasilający szynę V84BUS. Kontrolery umożliwiają bezprzerwowe zasilanie obciążenia podczas wymiany akumulatora, o ile oczywiście podłączony jest chociaż jeden z nich.

Na wyjście układu przekazywane jest najwyższe z dostępnych napięć akumulatorów, a w momencie gdy napięcia wyrównają się, źródła są obciążane równocześnie. Dodatkowo blokowany jest przepływ wsteczny pomiędzy poszczególnymi akumulatorami. Należy pamiętać, aby nie przeciążać akumulatora NP-F970 – większość egzemplarzy umożliwia bezproblemowe obciążenie mocą ok. 30 W, a wydajniejsze modele do 45 W. Połączenie równoległe akumulatorów w opisywanym zasilaczu nie służy do zwiększania wartości maksymalnej pobieranego prądu, a jedynie do zwiększenia pojemności i wydłużenia czasu pracy. Transile TVS1..3 na wejściach ACCU1..3 zabezpieczają układy U1..3 przed skutkami przepięć podczas wymiany akumulatorów.

Przetwornica obniżająca 5 V/1,5 A, oparta na układzie U5 typu AP63205W, służy do zasilania pomocniczego oświetlenia LED lub małego namiotu bezcieniowego. Napięcie wyjściowe wyprowadzone jest na typowe w tych zastosowaniach gniazdo USB A, oznaczone DCA5V (zastosowano podwójne gniazdo).

Większość aparatów zasilana jest napięciem 8,4 V pochodzącym z dwóch szeregowo połączonych akumulatorów Li-Ion. Szyna V84BUS z kontrolera redundancji rozdzielona jest na dwa obwody. Pierwszy z nich, wyprowadzony na gniazdo DCA8V (5,5/2,1 mm), służy do zasilania aparatu fotograficznego – poprzez adapter akumulatora, tzw. Dummy-Battery, odpowiedni dla danego producenta aparatu i umieszczany w aparacie w miejscu akumulatora. Obwód ten zabezpieczony jest szybkim bezpiecznikiem elektronicznym U1 typu STELP01PUR. Maksymalny prąd wyjściowy to 2 A. Każde przeciążenie lub zwarcie w obwodzie powoduje szybkie wyłączenie zasilania i wymaga resetu poprzez odłączenie wszystkich akumulatorów. Obecność napięcia wyjściowego sygnalizowana jest diodą LD1 (PWR). Drugi obwód 8,4 V, zabezpieczony bezpiecznikiem polimerowym F1 (3 A), służy do zasilania naświetlaczy panelowych LED o mocy maksymalnej 24 W. Napięcie wyjściowe wyprowadzono na gniazda DCB8V, DCC8V (5,5/2,1 mm).

Przetwornica podwyższająca 8,4 V/12 V (1,5 A), zbudowana na bazie układu U6 typu TPS611781 w typowej aplikacji, służy do zasilania monitora podglądowego. Obciążalność przetwornicy dostosowana jest do większości monitorów o przekątnych od 5” do 7”. Napięcie wyjściowe dostępne jest poprzez gniazdo DC12V (5,5/2,5 mm).

Na złącze SW wyprowadzono sygnały sterujące pracą przetwornic 5 V, 12 V. Zwarcie wyprowadzeń 1–2 aktywuje przetwornicę 5 V, a zwarcie wyprowadzeń 3–4 – przetwornicę 12 V. Po podłączeniu opcjonalnych zewnętrznych przełączników ON/OFF można sterować pracą przetwornic w celu ograniczenia poboru mocy z akumulatora, gdy napięcia nie są wykorzystywane. Przetwornica 12 V, ze względu na obecność wewnętrznej diody pasożytniczej klucza mocy i uproszczenie aplikacji o obwód zewnętrznego tranzystora odcinającego obciążenie, nie odcina całkowicie wyjścia, ale obniża pobór mocy poniżej 1 mA, co okazuje się jednak wystarczające w tym zastosowaniu. Z tego względu zaleca się odłączenie urządzenia zasilanego z gniazda DC12V, jeżeli nie jest używane, aby zapobiec niepotrzebnym upływom.

Układ zmontowano na dwustronnej płytce drukowanej, rozmieszczenie elementów pokazano na rysunku 2. Montaż jest typowy i nie wymaga opisu. Zmontowany moduł można zobaczyć na fotografii tytułowej.

Rysunek 2. Rozmieszczenie elementów na PCB

Poprawnie złożony układ nie wymaga uruchamiania. Należy sprawić jedynie poprawność lutowania i wyczyścić płytkę z topnika. Wstępne uruchomienie warto wykonać za pomocą zasilacza laboratoryjnego z ograniczeniem prądowym. Po podłączeniu napięcia wystarczy skontrolować wartości napięć wyjściowych oraz działanie funkcji wyłączania przetwornic 5 V oraz 12 V. W praktycznej aplikacji można zastosować także dodatkowe wyłączniki ON/OFF 12 V/10 A, wpięte szeregowo w biegun dodatni każdego z akumulatorów i umożliwiające całkowite wyłączenie zasilania.

Do wyprowadzenia napięcia z akumulatorów można użyć płytki adaptera z jednej z dostępnych na rynku, uniwersalnych ładowarek akumulatorów foto. Oczywiście można użyć innych typów akumulatorów i płytek adapterów, pamiętając o maksymalnej obciążalności zastosowanych modeli oraz każdorazowo zweryfikować pobór prądu podłączonych urządzeń.

Adam Tatuś, EP

Wykaz elementów:
Rezystory: (SMD 0603, 1%)
  • R1: 22 Ω
  • R2: 180 kΩ
  • R3, R9, R10: 100 kΩ
  • R4, R11: 24 kΩ
  • R5: 750 kΩ
  • R6: 82 kΩ
  • R7, R8: 10 kΩ
Kondensatory:
  • C1...C10: 1 μF (SMD 0603, X5R)
  • C11, C13: 10 μF/16 V (SMD 0603, X5R)
  • C12: 1 nF (SMD 0603, NP0)
  • C14, C21: 100 nF/50 V (SMD 0603, X5R)
  • C15...C18, C22...C24: 22 μF/16 V (SMD 0805, X5R)
  • C19: 4,7 μF/25 V (SMD 0603, X5R)
  • C20: 1,2 nF (SMD 0603, NP0)
Półprzewodniki:
  • LD1: dioda LED zielona (SMD 0603)
  • TVS1...TVS3: SM6T12CA (SMB)
  • Q1...Q3: DMTH6010LK3 (TO-252)
  • U1...U3: AP74700QW6-7 (SOT-26)
  • U4: STELPD01PUR (DFN10L_050)
  • U5: AP63205QWU-7 (TSOT26)
  • U6: TPS611781RNW (VQFN-HR13)
Pozostałe:
  • ACCU1...ACCU3: złącze śrubowe DG 5 mm, 2 pin (typ DG126-5.0-2)
  • DC12V: gniazdo DC 2,5 mm, SMD (typ FC68149S)
  • DCA5V: gniazdo USB typu A, podwójne (typ FCK002A)
  • DCA8V, DCB8V, DCC8V: gniazdo DC 2,1 mm SMD (typ FC68148S)
  • F1: bezpiecznik polimerowy 3 A (SMD 2920, typ 0ZCF0300AF2C)
  • L1: dławik mocy SMD (typ HPI0630-4R7)
  • L2: dławik mocy SMD (typ HPI1040-2R2)
  • SW: złącze JST 2 mm kątowe, SMD (typ S4B_PHSM4TB)
Artykuł ukazał się w
Elektronika Praktyczna
grudzień 2024
DO POBRANIA
Materiały dodatkowe
Elektronika Praktyczna Plus lipiec - grudzień 2012

Elektronika Praktyczna Plus

Monograficzne wydania specjalne

Elektronik listopad 2025

Elektronik

Magazyn elektroniki profesjonalnej

Raspberry Pi 2015

Raspberry Pi

Wykorzystaj wszystkie możliwości wyjątkowego minikomputera

Świat Radio listopad - grudzień 2025

Świat Radio

Magazyn krótkofalowców i amatorów CB

Automatyka, Podzespoły, Aplikacje listopad - grudzień 2025

Automatyka, Podzespoły, Aplikacje

Technika i rynek systemów automatyki

Elektronika Praktyczna listopad 2025

Elektronika Praktyczna

Międzynarodowy magazyn elektroników konstruktorów

Elektronika dla Wszystkich grudzień 2025

Elektronika dla Wszystkich

Interesująca elektronika dla pasjonatów