Animowana bombka LED 3D

Animowana bombka LED 3D
Pobierz PDF Download icon
Proponujemy czytelnikom Elektroniki Praktycznej wykonanie animowanej, trójwymiarowej bombki, złożonej z diod LED. Ma ona estetyczną, przestrzenną formę, co prezentuje fotografia tytułowa. Z pewnością taka ozdoba spodoba się każdemu dziecku w każdym wieku.

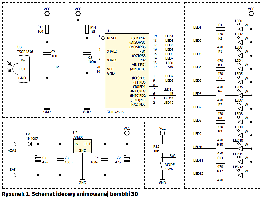
Schemat Bombki LED 3D pokazano na rysunku 1. Wykonano ją w oparciu o mikrokontroler ATtiny2313 (U1) taktowany za pomocą wewnętrznego generatora RC. Dioda D1 zabezpiecza bombkę przed odwrotną polaryzacją napięcia zasilającego doprowadzonego do pól lutowniczych „+ZAS” i „–ZAS”. Kondensatory C1…C4 oraz stabilizator U2 tworzą obwód zasilania mikrokontrolera, odbiornika podczerwieni oraz LED. Rezystor R14 i kondensator C5 zapewniają zerowanie mikroprocesora przy włączeniu zasilania. Rezystory R1…R12 ograniczają prąd diod LED.

Bombka ma zapisane w pamięci 5 animacji – pokazano je na rysunku 2. Jedną z nich jest efekt obracającego się „koguta” ostrzegawczego. Każda z animacji kończy się po 20 cyklach wyświetlania, po czym jest wyświetlana kolejna. Gdyby czas oczekiwania na następną był zbyt długi, to za pomocą krótkiego naciśnięcia przycisku MODE można uruchomić wyświetlanie kolejnej. Jeśli MODE zostanie przytrzymany dłużej, to bombka przejdzie w stan uśpienia. Uruchomić ją można krótkim naciśnięciem przycisku MODE.

Bombka ma możliwość sterowania za pomocą typowego pilota pracującego w podczerwieni. Odbiornikiem jest układ TSOP4836 (U3). Program mikrokontrolera został tak napisany, aby mógł współpracować z każdym pilotem podczerwieni. Wejście w tryb programowania kodów pilota odbywa się poprzez przytrzymanie przycisku MODE podczas włączania zasilania. Pojedyncze mignięcie wszystkich diod będzie oznaczało oczekiwanie na pierwszy kod/przycisk pilota. Po poprawnym odebraniu sygnału z pilota diody LED migną dwa razy. Teraz należy wybrać drugi przycisk. Zakończenie nauki zostanie zasygnalizowane potrójnym mignięciem diod LED. Od tego momentu układ przechodzi do normalnej pracy. Kod z pierwszego wybranego przycisku będzie zmieniał animację, zaś drugi pozwoli przełączyć bombkę w stan czuwania. Wybudzenie nastąpi po odebraniu kodu z jednego lub drugiego wcześniej wybranego przycisku pilota.

Schemat montażowy pokazano na rysunku 3. Całość zmontować należy na dwóch płytkach drukowanych o średnicy 81,5 mm każda. Większość elementów jest w obudowach do montażu powierzchniowego. Montaż rozpoczynamy od wlutowania rezystorów R1…R15 oraz kondensatorów C3…C5. W kolejnym etapie montujemy półprzewodniki, kondensatory C1 i C2 oraz przycisk typu mikroswitch. Na koniec należy wlutować diody LED profilując ich wyprowadzenia zgodnie z rysunkiem 4.

Wygląd zmontowanych, lecz niepołączonych w całość płytek znajduje się na fotografii 5. Po zmontowaniu obwodów drukowanych trzeba bardzo starannie skontrolować, czy elementy nie zostały wlutowane w niewłaściwym kierunku lub w niewłaściwe miejsca, a przede wszystkim czy podczas lutowania nie powstały zwarcia punktów lutowniczych. Mając pewność poprawnie zmontowanych płytek możemy teraz połączyć je razem wsuwając jedną w drugą. Sąsiednie pola lutownicze u styku obu płytek należy połączyć znaczną ilością cyny.

Bombka zmontowana bezbłędnie, z użyciem zaprogramowanego mikrokontrolera i ze sprawnych elementów będzie działała od razu po włączeniu napięcia zasilającego. Do zasilania bombki najlepiej skorzystać z zasilacza sieciowego prądu stałego o napięciu wyjściowym 7…12 V. Po włączeniu zasilania bombka automatycznie przechodzi do wyświetlania pierwszej animacji. Dla ułatwienia zawieszenia bombki w jej górnej części znajdują się niewielkie otwory do przewleczenia nitki albo drucika. Tak wykonana bombka, jako efektowny gadżet stanie się doskonałą świąteczną dekoracją.

Mavin
mavin@op.pl


Artykuł ukazał się w
Elektronika Praktyczna
grudzień 2017
DO POBRANIA
Pobierz PDF Download icon
Elektronika Praktyczna Plus lipiec - grudzień 2012

Elektronika Praktyczna Plus

Monograficzne wydania specjalne

Elektronik listopad 2025

Elektronik

Magazyn elektroniki profesjonalnej

Raspberry Pi 2015

Raspberry Pi

Wykorzystaj wszystkie możliwości wyjątkowego minikomputera

Świat Radio listopad - grudzień 2025

Świat Radio

Magazyn krótkofalowców i amatorów CB

Automatyka, Podzespoły, Aplikacje listopad - grudzień 2025

Automatyka, Podzespoły, Aplikacje

Technika i rynek systemów automatyki

Elektronika Praktyczna listopad 2025

Elektronika Praktyczna

Międzynarodowy magazyn elektroników konstruktorów

Elektronika dla Wszystkich grudzień 2025

Elektronika dla Wszystkich

Interesująca elektronika dla pasjonatów