Symetryzator - odwracacz fazy audio

Symetryzator - odwracacz fazy audio

Moduł został opracowany w celu uzupełnienia układów współczesnych, cyfrowych końcówek mocy, np. TPA3251 czy TPA3116, wymagających sterowania ze źródła sygnału symetrycznego (najlepiej o niewielkiej rezystancji wyjściowej) do osiągnięcia optymalnych parametrów. Można go oczywiście zastosować do połączenia komercyjnego sprzętu audio z wyjściami niesymetrycznymi, z profesjonalnymi kartami muzycznymi, mikserami lub wzmacniaczami wyposażonymi tylko w wejścia symetryczne.

Podstawowe parametry:
  • konwersja sygnału stereofonicznego z wejścia niezbalansowanego na symetryczne,
  • zasilanie: 2×15 V (AC)/min. 0,2 A (lub 2×18 V (AC) po wymianie elementów – patrz opis),
  • regulacja poziomu sygnału za pomocą potencjometru stereo,
  • wbudowany wskaźnik zasilania (dioda LED).

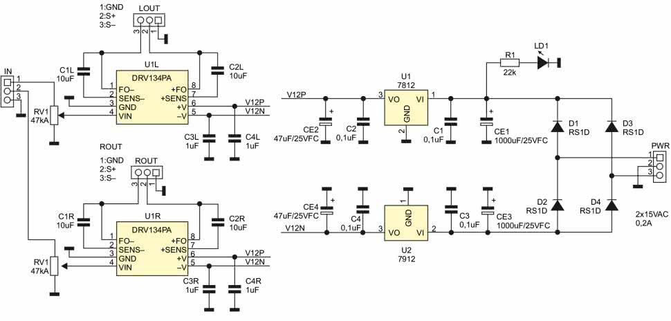
Schemat symetryzatora/odwracacza fazy zaprezentowano na rysunku 1.

Rysunek 1. Schemat ideowy modułu

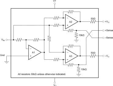
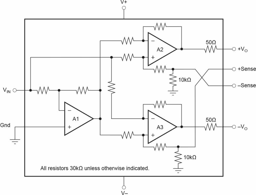
W układzie zastosowano specjalizowane nadajniki linii symetrycznej DRV134 firmy Texas Instruments (zamiennikami są wycofane, ale jeszcze dostępne SSM2142 oraz wciąż produkowane THAT1646). Niesymetryczny sygnał audio trafia ze złącza IN poprzez potencjometr RV1 (odpowiedzialny za regulację poziomu) do układów U1L/R, w których odbywa się symetryzacja sygnału. Strukturę wewnętrzną DRV134 pokazano schematycznie na rysunku 2. Dzięki kalibracji rezystorów w obwodach odwracaczy nie trzeba martwić się o błąd symetrii sygnału. Duża wydajność prądowa, odporność na zwarcia wyjścia oraz możliwość pracy z silnymi sygnałami wejściowymi i wyjściowymi idealnie pasują do zastosowania opisywanego układu w roli odwracacza/symetryzatora oraz przedwzmacniacza sterującego symetrycznym wejściem końcówki mocy.

Rysunek 2. Struktura wewnętrzna DRV134 (za notą TI)

Symetryczny sygnał wyjściowy doprowadzony jest do złączy L/ROUT. Układ uzupełnia typowy zasilacz symetryczny ±12 V. Zasilające napięcie zmienne ze złącza PWR prostowane jest szybkim mostkiem prostowniczym, filtrowane kondensatorami o niskim ESR i stabilizowane przez LDO U1/U2. Pozostałe kondensatory odsprzęgają napięcia zasilania, LD1 sygnalizuje jego obecność. Do zasilania układu wystarcza niewielki transformator 2×12 V/min. o obciążalności min. 0,2 A i mocy 6...8 VA. Jeżeli zależy nam na uzyskaniu maksymalnego poziomu wyjściowego, można zasilacz ±12 V zastąpić zasilaczem ±15 V poprzez wymianę stabilizatorów na parę układów 7815/7915, wyposażonych w niewielkie radiatory, podniesienie napięć pracy kondensatorów CE1/3 do 35 V oraz zasilenie układu napięciem 2×18 V (AC).

Moduł zmontowano na dwustronnej płytce drukowanej, opis montażu jest raczej zbędny. Rozmieszczenie elementów pokazano na rysunkach 3a i 3b, a zmontowany moduł – na fotografii tytułowej.

Rysunek 3. Rozmieszczenie elementów na płytce modułu (a – strona TOP, b – strona BOTTOM)

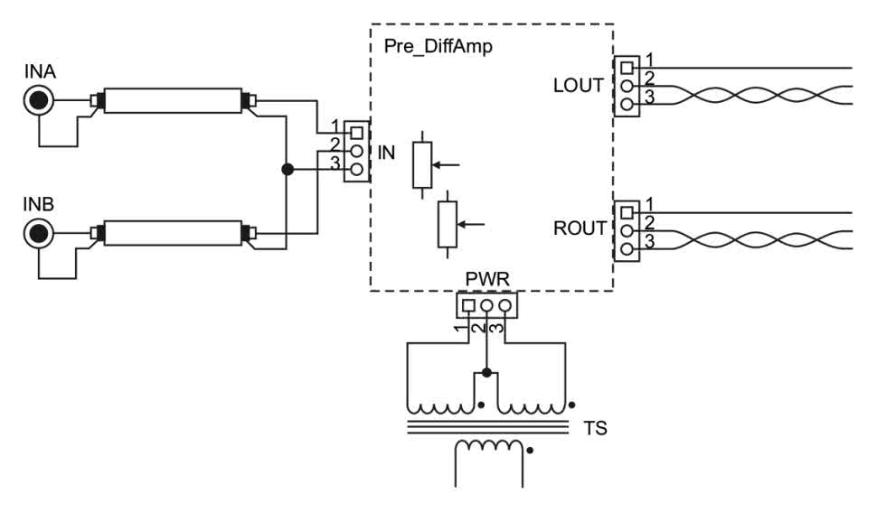
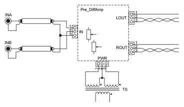
Płytka została przewidziana do montażu typowego potencjometru stereo PT1615 oraz wyższej jakości RK27 ALPS – wybór zależy od końcowych wymagań aplikacji. Przykładowy schemat podłączenia można zobaczyć na rysunku 4.

Rysunek 4. Schemat podłączenia modułu

Po zmontowaniu i uruchomieniu układu można zabrać się do praktycznego wykorzystania modułu, pamiętając oczywiście, że nie wszyscy sąsiedzi muszą posiadać taki sam gust muzyczny…

Adam Tatuś, EP

Wykaz elementów:
Rezystory:
  • R1: 22 kΩ (SMD 0805, 5%)
  • RV1, RV1: potencjometr 47 kΩ (charakterystyka A, np. T1615, RK27 lub podobny)
Kondensatory:
  • C1...C4: 100 nF (SMD 0805, 50 V, X7R)
  • C1L, C1R, C2L, C2R: 10 μF (foliowy THT, R=5 mm)
  • C3L, C3R, C4L, C4R: 1 μF (SMD 0805, 50 V, X7R)
  • CE1, CE3: 1000 μF/25 V FC (elektrolityczny THT, R=5 mm, fi=12 mm, low ESR)
  • CE2, CE4: 47 μF/25 V FC (elektrolityczny THT, R=2,5 mm, low ESR)
Półprzewodniki:
  • D1...D4: szybka dioda prostownicza RS1D (SMB)
  • LD1: LED (THT, fi=3 mm)
  • U1: 7812 (TO-220)
  • U2: 7912 (TO-220)
  • U1L, U1R: DRV134PA (lub SSM2142 / THAT1446, DIP8)
Pozostałe:
  • IN, LOUT, ROUT, PWR: złącze ARK3, R=5 mm (DG381-3.5-3)
Artykuł ukazał się w
Elektronika Praktyczna
luty 2025
Elektronika Praktyczna Plus lipiec - grudzień 2012

Elektronika Praktyczna Plus

Monograficzne wydania specjalne

Elektronik listopad 2025

Elektronik

Magazyn elektroniki profesjonalnej

Raspberry Pi 2015

Raspberry Pi

Wykorzystaj wszystkie możliwości wyjątkowego minikomputera

Świat Radio listopad - grudzień 2025

Świat Radio

Magazyn krótkofalowców i amatorów CB

Automatyka, Podzespoły, Aplikacje listopad - grudzień 2025

Automatyka, Podzespoły, Aplikacje

Technika i rynek systemów automatyki

Elektronika Praktyczna listopad 2025

Elektronika Praktyczna

Międzynarodowy magazyn elektroników konstruktorów

Elektronika dla Wszystkich grudzień 2025

Elektronika dla Wszystkich

Interesująca elektronika dla pasjonatów