O prowadzeniu sygnałów w taśmach

O prowadzeniu sygnałów w taśmach

Łączenie modułów elektronicznych za pomocą taśm jest niezwykle wygodne! Można w kilka sekund zamienić jedną płytkę na inną, odsunąć je od siebie lub poskładać w elegancką kanapkę. Korzystanie z dobrodziejstw taśmy trzeba poprzedzić dobrym rozlokowaniem sygnałów w jej żyłach. Dobrym, czyli jakim?

Popularne taśmy (inaczej: przewody wstążkowe płaskie) produkowane w rastrze 1 mm lub 1,27 mm przeznaczone są do zagniatania na złączach IDC lub pokrewnych. Najczęściej mają szarą izolację z czerwonym paskiem na jednej krawędzi. Można też spotkać się z płaskimi taśmami FFC/FPC do złączy non-ZIF, które doskonale znamy z wyświetlaczy. W moim artykule skupię się na tych pierwszych, bowiem to je stosuję w swojej praktyce najwięcej, lecz ogólne zasady dotyczyć będą każdego połączenia wieloprzewodowego.

Najlepiej uczyć się na błędach, lecz niekoniecznie na swoich. Przekonałem się o tym boleśnie kilkanaście lat temu, kiedy – jako początkujący konstruktor – dostałem zlecenie na zaprojektowanie systemu sterowania wyposażonego w wyświetlacz matrycowy połączony z główną płytką właśnie taśmą o rastrze 1 mm. Obok wyświetlacza miał jeszcze stanąć scalony odbiornik podczerwieni oraz zworka do wyboru adresu urządzenia, która przełączała wyjście z rezystancyjnego dzielnika napięcia. Ot, banał, stwierdziłem lekkomyślnie.

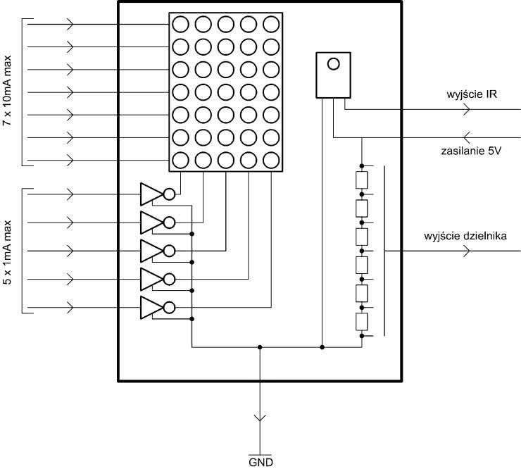
Użyta matryca miała 5×7 punktów, zatem potrzebnych było 12 połączeń do sterowania nią w trybie multipleksowym. Uznałem, że 7 linii zasilających anody będzie sterowanych wprost przez mikrokontroler na płycie głównej, zaś 5 katod – poprzez popularny driver ULN2003. Do tego jedna linia wyjściowa z odbiornika IR, jedna linia wyjściowa z dzielnika napięciowego ustalającego adres, jedna linia zasilania +5 V do odbiornika IR i tego dzielnika oraz… jedna linia masy. Przecież nie chcę robić pętli masy, prawda? Wszystko zamknęło się w 16 żyłach taśmy o rastrze 1 mm, która łączyła te dwie płytki na dystansie około 30 cm i była zakończona zagniatanymi złączami IDC w rastrze 2 mm. Oj, jak szybko ta oszczędność na przewodach wyszła mi bokiem…

O ile sam wyświetlacz był w stanie działać, o tyle odbiornik IR czasem nie odbierał komend z pilota. Na wyjściu dzielnika napięcia natomiast działy się już cuda najróżniejsze: po stronie płyty głównej, już przy mikrokontrolerze mierzącym to napięcie – na składową stałą nakładały się impulsy szpilkowe i prostokątne o wartościach szczytowych rzędu setek miliwoltów, co miało wpływ na odczytany przez mikrokontroler adres układu. Można to, owszem, odfiltrować i uśrednić, ale taki „bałagan” nie jest zjawiskiem pożądanym. Powód pierwszy: zbyt duży spadek napięcia na jednej jedynej żyle masy. Powód drugi: wyjście z odbiornika IR było typu otwarty kolektor i czasem na generowany przez nie sygnał nakładały się zakłócenia od sąsiadujących żył, prowadzących prądy zasilające anody wyświetlacza.

Odebrałem to jako bolesny cios, zadany mi przez zwykły wyświetlacz, ale nie było innej rady – urządzenie musiało działać elegancko i musiałem przystosować je do działania z taśmami o różnych długościach (do 100 cm) w średnio zakłóconym środowisku, więc byle jakie załatanie problemu nie wchodziło w grę. Niezbędne okazało się przeanalizowanie popełnionych błędów i przygotowanie nowego prototypu, zanim klient dostał go do testów. Istna porażka!

Pierwszy problem został przeze mnie przeanalizowany na płaszczyźnie kierunku prądów, które płynęły przez poszczególne żyły taśmy – rysunek 1. Okazało się, że płytka mikrokontrolera „wyrzuca” z siebie prąd o znaczącej wartości (około 10 mA na jedną anodę, czyli do 70 mA) do wyświetlacza, zaś jedyną drogą powrotną dla niego była pojedyncza, cienka żyła masy. Jeden przewód miał zatem stanowić drogę powrotną dla: 7 prądów bezpośrednio zasilających anody, 5 prądów sterujących driverami w ULN2003, prądu wypływającego z wyjścia odbiornika podczerwieni oraz znikomo małego prądu wypływającego z dzielnika napięciowego do ustawiania adresu. Nie mogło się to udać. Nasuwającą się myśl o tym, by zwiększyć liczbę linii masy, storpedował mój klient: szersza się nie zmieści. Musiałem mocno zmodyfikować układ. Och!

Rysunek 1. Kierunki prądów w pierwszym prototypie

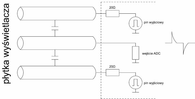
Przy okazji chciałem rozwiązać drugi kłopot, czyli przenikanie sygnałów między żyłami. Głównym problemem była relatywnie wysoka impedancja wyjściowa odbiornika IR (około 30 kΩ w stanie wysokim) oraz dzielnika napięcia (do kilkudziesięciu kiloomów, zależnie od wybranego stopnia podziału), zestawiona z niską impedancją sterującą liniami wyświetlacza po stronie mikrokontrolera (około 20 Ω – układ z serii ATmega zasilany napięciem 5 V). Pojemność między żyłami powodowała przenikanie szybkich zboczy sygnału sterującego, wytwarzając w zakłócanych żyłach impulsy o charakterze szpilkowym, będące zróżniczkowanym sygnałem prostokątnym – ilustracja na rysunku 2. Trzeba było też zaradzić „sianiu” zakłóceniami elektromagnetycznymi, których źródło stanowiły żyły zasilane sygnałem prostokątnym o bardzo szybkich zboczach.

Rysunek 2. Linie sterowane przez źródła o niskiej impedancji stanowiące źródło zakłóceń

Doprowadziło to do całkowitej przebudowy układu. Doszedłem do wniosku, że problem będzie trudny do okiełznania, jeżeli przez taśmę płyną prądy impulsowe o relatywnie sporym natężeniu, sterowane przez niską impedancję. Szybkie zbocza wywołają problemy z EMC. Najlepiej, aby cały impulsowy pobór prądu na płytce wyświetlacza zamykał się w kondensatorach odsprzęgających na jej powierzchni. Ponadto trzeba zastosować wiele połączeń masy i odseparować nimi poszczególne sygnały. Drugi mój wniosek był taki, że nie powinienem obawiać się o pętle masy, ponieważ powierzchnia, jaką owa pętla obejmuje, jest relatywnie mała. W tej powierzchni znajduje się jedna żyła – i tak przewodzi ona prąd, dla którego owe żyły masy stanowią przewody powrotne, więc pętla masy, jak by to ująć, wypełnia się sama prądem, który i tak by tam płynął. Na rysunku 3 znajduje się ilustracja odwzorowująca opisaną sytuację. Nie ma się zatem czego obawiać w kwestii pętli masy, o ile tylko odległość pomiędzy poszczególnymi żyłami nie będzie zbyt znacząca.

Rysunek 3. Pętle masy w przewodzie wstążkowym

Koncepcji, aby przeplatać żyły masy z żyłami sygnałowymi, sprzyja również konstrukcja złączy IDC do zaciskania na tych taśmach. Otóż wyprowadzenia, ułożone w dwóch rzędach w złączu, prowadzą naprzemiennie do sąsiadujących żył. Wystarczy zatem podłączyć do masy jeden rząd wyprowadzeń złącza, uzyskując przy tym wygodny dostęp (w kontekście projektowania obwodu drukowanego) do pozostałej połowy żył. Zostaną one przeplecione żyłami masy, zaś ich liczba będzie dokładnie taka sama. Obrazuje to rysunek 4.

Rysunek 4. Proponowany układ połączeń złącza IDC na płytce drukowanej

Układ odpowiedzialny za bezpośrednie sterowanie diodami matrycy LED został przeniesiony na płytkę wyświetlacza. Są to połączone kaskadowo dwa rejestry przesuwne typu 74HC595, z których jeden steruje kolumnami, zaś drugi (poprzez driver ULN2003) – wierszami. Rozwiązanie takie zwiększyło liczbę układów scalonych, ale zmniejszyło amplitudę składowej zmiennej prądu przepływającego przez poszczególne żyły taśmy, w szczególności połączenia masy. Kondensatory odsprzęgające umieszczone na płytce wyświetlacza zamykają drogę impulsom składowej zmiennej prądu.

Pozostał jeszcze problem szybkich zboczy sygnałów, wytwarzanych przez mikrokontroler. Teoretycznie warto byłoby zadbać o dopasowanie impedancyjne, lecz to tylko pozorne remedium, wszak szybkość narastania nie uległaby znaczącej zmianie. Mamy tu sytuację, w której warto zrobić rzecz zupełnie odwrotną: zwiększyć impedancję źródła sygnału, aby pojemność przewodu spowodowała wydłużenie czasu narastania impulsu. To przełoży się na zawężenie szerokości pasma i – tym samym – energii emitowanej przez przewód w postaci zakłóceń. Nie można jednak przesadzić w drugą stronę, bowiem zbyt wysoka impedancja sterująca żyłami przewodu taśmowego spowoduje zwiększoną podatność na zakłócenia oraz niedopuszczalnie silne zniekształcenie sygnałów sterujących rejestrami przesuwnymi.

Doświadczalnie ustalono, że rozsądnym kompromisem będą rezystory 1 kΩ w obudowach 0805, zlokalizowane blisko mikrokontrolera, lecz bez przesady. Taśmy o długości 1 m nie zniekształcają sygnałów na tyle, żeby układy 74HC595 nie mogły działać prawidłowo, co potwierdziła obserwacja przebiegów na płytce wyświetlacza. Jednocześnie sama taśma nie emituje zakłóceń dość silnych, by zakłócić nawet sygnały analogowe audio prowadzone wewnątrz obudowy. Ma to jeszcze jedną zaletę, choć niezbyt znaczącą w porównaniu z pozostałymi: wspomniane rezystory stanowią pewną ochronę wyprowadzeń mikrokontrolera przed silnymi zakłóceniami lub impulsami pochodzącymi od wyładowań elektrostatycznych, ponieważ ograniczają prąd diod zabezpieczających oraz zwiększają czas narastania napięcia na nich, dając im czas na otwarcie się.

Reasumując, projektując moduły łączone ze sobą taśmami, należy zadbać o:

  • odpowiednią liczbę żył łączących masy,
  • naprzemienne rozlokowanie w taśmie żył masowych i sygnałowych lub zasilających,
  • ograniczenie amplitudy płynących prądów,
  • wydłużenie czasu narastania napięcia w żyłach sterujących tak mocno, jak to tylko możliwe.

Powyższe wskazówki powstały na bazie moich doświadczeń z przewodami taśmowymi i nie stanowią idealnej recepty na każdą sytuację i każdy problem. Polecam jednak mieć je na uwadze jako punkt wyjścia do dokładnej analizy połączeń.

Michał Kurzela, EP

Artykuł ukazał się w
Elektronika Praktyczna
lipiec 2024
Elektronika Praktyczna Plus lipiec - grudzień 2012

Elektronika Praktyczna Plus

Monograficzne wydania specjalne

Elektronik listopad 2025

Elektronik

Magazyn elektroniki profesjonalnej

Raspberry Pi 2015

Raspberry Pi

Wykorzystaj wszystkie możliwości wyjątkowego minikomputera

Świat Radio listopad - grudzień 2025

Świat Radio

Magazyn krótkofalowców i amatorów CB

Automatyka, Podzespoły, Aplikacje listopad - grudzień 2025

Automatyka, Podzespoły, Aplikacje

Technika i rynek systemów automatyki

Elektronika Praktyczna listopad 2025

Elektronika Praktyczna

Międzynarodowy magazyn elektroników konstruktorów

Elektronika dla Wszystkich grudzień 2025

Elektronika dla Wszystkich

Interesująca elektronika dla pasjonatów